СИСТЕМА БЛОКИРОВКИ РУЛЕВОГО УПРАВЛЕНИЯ Блокировка рулевого управления не включается

ОПИСАНИЕ

Привод блокировки рулевого управления или верхний кронштейн в сборе приводит в действие электродвигатель блокировки рулевого управления и вводит запорный штифт в рулевую колонку, чтобы заблокировать рулевое колесо.

Замок рулевой колонки не сможет обеспечить блокировку рулевого управления, если запорный штифт не совмещен с отверстием замка рулевой колонки. В этом случае блокировка рулевого управления может быть произведена путем поворота рулевого колеса на небольшой угол, как в автомобиле с механическим ключом, для изменения положения отверстия замка.

Связанные параметры режимов Data List и Active Test
Признаки неисправностей Параметр Data List Параметр Active Test
Блокировка рулевого управления не включается

    Entry&Start

  • Lock Request Receive

  • S Code Check

  • L Code Check

  • Steering Lock


    Main Body

  • FL Door Courtesy SW (для моделей с левосторонним рулевым управлением)

  • FR Door Courtesy SW (для моделей с правосторонним рулевым управлением)


    Power Source Control

  • Shift P Signal

-

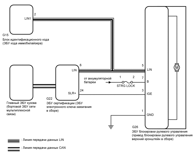
СХЕМА ЭЛЕКТРИЧЕСКИХ СОЕДИНЕНИЙ

A01UE1UE07

ПРЕДОСТЕРЕЖЕНИЕ / ПРИМЕЧАНИЕ / УКАЗАНИЕ

Note


  • При использовании GTS при выключенном зажигании подключите GTS к автомобилю и с интервалом не более 1,5 секунды включайте и выключайте выключатель освещения дверного проема до тех пор, пока не установится связь между GTS и автомобилем. Затем выберите код модели "KEY REGIST" в ручном режиме и войдите в следующие пункты меню: Body Electrical / Entry&Start(CAN). При использовании GTS периодически включайте и выключайте выключатель освещения дверного проема с интервалом не более 1,5 с, чтобы поддерживать связь между GTS и автомобилем.

  • Выполните одну из следующих операций, чтобы заблокировать/разблокировать рулевое управление:


    • Чтобы разблокировать рулевое управление, возьмите ключ и переведите выключатель зажигания в состояние ON (ВКЛ) (ACC) или ON (ВКЛ) (IG).

    • Чтобы заблокировать рулевое управление, выключите зажигание с рычагом переключения передач в положении P, а затем откройте дверь.

  • Убедитесь в том, что коды DTC не выводятся. Если выводятся какие-либо DTC, обратитесь к таблице диагностических кодов неисправностей.

    Нажмите здесь Click here

  • Система блокировки рулевого управления использует для передачи данных шину LIN. Прежде чем приступать к диагностике, проверьте работу системы передачи данных в соответствии с указаниями раздела "Порядок поиска неисправностей" и убедитесь, что эта система исправна.

    Нажмите здесь Click here

  • В случае замены ЭБУ блокировки рулевого управления (привода блокировки рулевого управления или верхнего кронштейна в сборе), ЭБУ сертификации (ЭБУ электронного ключа зажигания в сборе) или блока идентификационного кода (ЭБУ кода иммобилайзера) необходимо выполнить регистрацию (см. бюллетень технического обслуживания).

  • По окончании ремонта убедитесь, что неисправность не проявляется вновь.

  • Перед выполнением последующей процедуры проверки проверьте плавкие предохранители цепей, относящихся к данной системе.

  • Если отрицательный (-) вывод аккумуляторной батареи отсоединялся, после его подсоединения необходимо инициализировать некоторые системы.

    Нажмите здесь Click here

ПОРЯДОК ВЫПОЛНЕНИЯ


  1. СНИМИТЕ ПОКАЗАНИЯ GTS (LOCK REQUEST RECEIVE)


    1. В режиме Data List проверьте работу блокировки рулевого управления.


      Body Electrical > Entry&Start > Data List
      Информация на дисплее прибора Измеряемая величина Диапазон Нормальное состояние Замечание по диагностике
      Lock Request Receive

      Состояние приема команды блокировки рулевого управления в ЭБУ сертификации (ЭБУ электронного ключа зажигания в сборе), который затем передает ее в блок идентификационного кода (ЭБУ кода иммобилайзера)

      Tech Tips


      • Состояние приема сохраняется в течение 10 с.

      • Через 10 с или более после приема сигнала значение параметра изменяется на "NG".

      OK или NG

      ОК: Запрос на блокировку получен в течение 10 с после открывания любой двери с выключенным зажиганием и рычагом переключения передач в положении P

      NG: За исключением указанного выше

      Если этот параметр не меняет значение на "OK" даже при выполнении условий блокировки рулевого управления, ЭБУ сертификации (ЭБУ электронного ключа зажигания) может быть неисправен.

      Body Electrical > Entry&Start > Data List
      Информация на дисплее прибора
      Lock Request Receive
      OK
      ЭБУ сертификации (ЭБУ электронного ключа зажигания в сборе) получает сигнал запроса блокировки в течение 10 после переключения выключателя зажигания из положения ON (ВКЛ) (IG) в положение ON (ВКЛ) (ACC) или OFF (ВЫКЛ) и открывания двери с рычагом переключения передач в положении P, и на экране GTS отображается OK.
      Результат
      Перейти к
      OK
      NG

    NG
    OK
  2. СНИМИТЕ ПОКАЗАНИЯ GTS (S CODE CHECK)


    1. Проверьте в режиме Data List, что сертификация кода S работает надлежащим образом.


      Body Electrical > Entry&Start > Data List
      Информация на дисплее прибора Измеряемая величина Диапазон Нормальное состояние Замечание по диагностике
      S Code Check Результат проверки подлинности между ЭБУ сертификации (ЭБУ электронного ключа зажигания в сборе) и блоком идентификационного кода (ЭБУ кода иммобилайзера) OK или NG

      ОК: нормальный результат верификации

      NG: ненормальный результат верификации

      При наличии неисправности:


      • Идентификационный код для ЭБУ сертификации (ЭБУ электронного ключа зажигания) или блока идентификационного кода (ЭБУ кода иммобилайзера) не зарегистрирован, либо ЭБУ сертификации (ЭБУ электронного ключа зажигания) или блок идентификационного кода (ЭБУ кода иммобилайзера) неисправен.

      • Рулевое управление не блокируется.

      • Рулевое управление не разблокируется (невозможно запустить двигатель).


      Body Electrical > Entry&Start > Data List
      Информация на дисплее прибора
      S Code Check
      OK
      На экране GTS отображается ОК.

      Tech Tips

      Причины сбоя верификации:


      • Неисправен ЭБУ сертификации (ЭБУ электронного ключа зажигания в сборе) или блок идентификационного кода (ЭБУ кода иммобилайзера).

      • Нарушение связи между ЭБУ.

      • ЭБУ был заменен, но не был зарегистрирован.

      • ЭБУ заменен блоком, в котором уже сохранен код.

      Результат
      Перейти к
      OK
      NG

    NG
    OK
  3. СНИМИТЕ ПОКАЗАНИЯ GTS (L CODE CHECK)


    1. Проверьте в режиме Data List, что сертификация кода L работает надлежащим образом.


      Body Electrical > Entry&Start > Data List
      Информация на дисплее прибора Измеряемая величина Диапазон Нормальное состояние Замечание по диагностике
      L Code Check Результат проверки подлинности между блоком идентификационного кода (ЭБУ кода иммобилайзера) и ЭБУ блокировки рулевого управления (приводом блокировки рулевого управления или верхним кронштейном в сборе) OK или NG

      ОК: нормальный результат верификации

      NG: ненормальный результат верификации

      При наличии неисправности:


      • Идентификационный код для блока идентификационного кода (ЭБУ кода иммобилайзера) или ЭБУ блокировки рулевого управления (привода блокировки рулевого управления или верхнего кронштейна в сборе) не зарегистрирован, либо блок идентификационного кода (ЭБУ кода иммобилайзера) или ЭБУ блокировки рулевого управления (привод блокировки рулевого управления или верхнего кронштейна в сборе) неисправен.

      • Рулевое управление не блокируется.

      • Рулевое управление не разблокируется (невозможно запустить двигатель).


      Body Electrical > Entry&Start > Data List
      Информация на дисплее прибора
      L Code Check
      OK
      На экране GTS отображается ОК.

      Tech Tips

      Причины сбоя верификации:


      • ЭБУ блокировки рулевого управления (привод блокировки рулевого управления или верхний кронштейн в сборе) или блок идентификационного кода (ЭБУ кода иммобилайзера) неисправен.

      • Нарушение связи между ЭБУ.

      • ЭБУ был заменен, но не был зарегистрирован.

      • ЭБУ заменен блоком, в котором уже сохранен код.

      Результат
      Перейти к
      OK
      NG

    NG
    OK
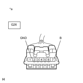
  4. ПРОВЕРЬТЕ ЖГУТ ПРОВОДОВ И РАЗЪЕМ (КОНТАКТ ИСТОЧНИКА ПИТАНИЯ)


    1. Отсоедините разъем G26 ЭБУ блокировки рулевого управления (привода блокировки рулевого управления или верхнего кронштейна в сборе).

    2. A01UD5UC97
      *a

      Вид спереди разъема со стороны жгута проводов:

      (к ЭБУ блокировки рулевого управления (приводу блокировки рулевого управления или верхнему кронштейну в сборе))

      Измерьте сопротивление и напряжение в соответствии со значениями, приведенными в таблице.

      Номинальное сопротивление
      Подключение диагностического прибора Условие Заданные условия
      G26-1 (GND) - масса Всегда Менее 1 Ом

      Note

      Если результат не отвечает требованиям, проверьте надежность подключения провода соединения с массой.

      Номинальное напряжение
      Подключение диагностического прибора Условие Заданные условия
      G26-7 (B) - масса Всегда 11-14 В
      Результат
      Перейти к
      OK
      NG

    NG
    OK
  5. ПРОВЕРЬТЕ ЭБУ БЛОКИРОВКИ РУЛЕВОГО УПРАВЛЕНИЯ (ПРИВОД БЛОКИРОВКИ РУЛЕВОГО УПРАВЛЕНИЯ ИЛИ ВЕРХНИЙ КРОНШТЕЙН В СБОРЕ)


    1. Подсоедините разъем G26 ЭБУ блокировки рулевого управления (привода блокировки рулевого управления или верхнего кронштейна в сборе).

    2. A01UD1SC66
      *a

      Устройство с подсоединенным жгутом проводов

      (ЭБУ блокировки рулевого управления (привод блокировки рулевого управления или верхний кронштейн в сборе))

      *b Электродвигатель блокировки рулевого управления не работает
      *c Электродвигатель блокировки рулевого управления работает

      Проверьте форму сигнала в соответствии с условиями, указанными в таблице ниже.

      Номинальная частота
      Параметр / Устройство Описание
      Подключение диагностического прибора G26-3 (IGE) - G26-1 (GND)
      Настройки прибора 2 В / дел., 200 мс/ дел.
      Состояние автомобиля Электродвигатель блокировки рулевого управления: не работает → работает → не работает

      Tech Tips


      • При проведении измерений, когда двигатель блокировки не работает, не требуется выполнять никаких действий.

      • Чтобы провести измерения во время работы двигателя блокировки, выполните одно из следующих действий:


        • Чтобы разблокировать рулевое управление, возьмите ключ и переведите выключатель зажигания в состояние ON (ВКЛ) (ACC) или ON (ВКЛ) (IG).

        • Чтобы заблокировать рулевое управление, выключите зажигание с рычагом переключения передач в положении P, а затем откройте дверь.

      Результат
      Перейти к
      OK
      NG

    OK
    NG
  6. ПРОВЕРЬТЕ ЖГУТ ПРОВОДОВ И РАЗЪЕМ (ЭБУ БЛОКИРОВКИ РУЛЕВОГО УПРАВЛЕНИЯ (ПРИВОД БЛОКИРОВКИ РУЛЕВОГО УПРАВЛЕНИЯ ИЛИ ВЕРХНИЙ КРОНШТЕЙН В СБОРЕ) - ЭБУ СЕРТИФИКАЦИИ (ЭБУ ЭЛЕКТРОННОГО КЛЮЧА ЗАЖИГАНИЯ В СБОРЕ))


    1. Проверьте, не ослаблены ли фиксирующая и соединительная части разъема.

    2. Отсоедините разъем G26 ЭБУ блокировки рулевого управления (привода блокировки рулевого управления или верхнего кронштейна в сборе).

    3. Отсоедините разъем G22 ЭБУ сертификации (ЭБУ электронного ключа зажигания в сборе).

    4. Проверьте корпус и контакты разъема на наличии деформации и коррозии.

      OK
      Отсутствуют деформация и коррозия корпуса и контактов разъема.
    5. Измерьте сопротивление в соответствии со значениями, приведенными в таблице ниже.

      Номинальное сопротивление
      Подключение диагностического прибора Условие Заданные условия
      G26-3 (IGE) - G22-24 (SLR+) Всегда Менее 1 Ом
      G26-3 (IGE) или G22-24 (SLR+) - масса Всегда 10 кОм или более
      Результат
      Перейти к
      OK
      NG

    NG
    OK
  7. ПРОВЕРЬТЕ ЭБУ БЛОКИРОВКИ РУЛЕВОГО УПРАВЛЕНИЯ (ПРИВОД БЛОКИРОВКИ РУЛЕВОГО УПРАВЛЕНИЯ ИЛИ ВЕРХНИЙ КРОНШТЕЙН В СБОРЕ)


    1. Подсоедините разъем G26 ЭБУ блокировки рулевого управления (привода блокировки рулевого управления или верхнего кронштейна в сборе).

    2. Подсоедините разъем G22 ЭБУ сертификации (ЭБУ электронного ключа зажигания в сборе).

    3. A01UFDIC91
      *a

      Устройство с подсоединенным жгутом проводов

      (ЭБУ блокировки рулевого управления (привод блокировки рулевого управления или верхний кронштейн в сборе))

      Измерьте напряжение в соответствии со значениями, приведенными в таблице.

      Номинальное напряжение
      Подключение диагностического прибора Условие Заданные условия
      G26-3 (IGE) - масса Всегда 11-14 В
      Результат
      Перейти к
      OK
      NG

    OK
    NG
  8. ЗАМЕНИТЕ ЭБУ БЛОКИРОВКИ РУЛЕВОГО УПРАВЛЕНИЯ (ПРИВОД БЛОКИРОВКИ РУЛЕВОГО УПРАВЛЕНИЯ ИЛИ ВЕРХНИЙ КРОНШТЕЙН В СБОРЕ)


    1. Замените ЭБУ блокировки рулевого управления (привод блокировки рулевого управления или верхний кронштейн в сборе) новым.

      Нажмите здесь Click here

    2. Выполните регистрацию (см. бюллетень технического обслуживания).

    3. Проверьте в режиме Data List, что сертификация кода L работает надлежащим образом.


      Body Electrical > Entry&Start > Data List
      Информация на дисплее прибора Измеряемая величина Диапазон Нормальное состояние Замечание по диагностике
      L Code Check Результат проверки подлинности между блоком идентификационного кода (ЭБУ кода иммобилайзера) и ЭБУ блокировки рулевого управления (приводом блокировки рулевого управления или верхним кронштейном в сборе) OK или NG

      ОК: нормальный результат верификации

      NG: ненормальный результат верификации

      При наличии неисправности:


      • Идентификационный код для блока идентификационного кода (ЭБУ кода иммобилайзера) или ЭБУ блокировки рулевого управления (привода блокировки рулевого управления или верхнего кронштейна в сборе) не зарегистрирован, либо блок идентификационного кода (ЭБУ кода иммобилайзера) или ЭБУ блокировки рулевого управления (привод блокировки рулевого управления или верхнего кронштейна в сборе) неисправен.

      • Рулевое управление не блокируется.

      • Рулевое управление не разблокируется (невозможно запустить двигатель).


      Body Electrical > Entry&Start > Data List
      Информация на дисплее прибора
      L Code Check
      OK
      На экране GTS отображается ОК.
      Результат
      Перейти к
      OK
      NG

    OK
    NG
  9. ЗАМЕНИТЕ ЭБУ СЕРТИФИКАЦИИ (ЭБУ ЭЛЕКТРОННОГО КЛЮЧА ЗАЖИГАНИЯ В СБОРЕ)


    1. Замените ЭБУ сертификации (ЭБУ электронного ключа зажигания) новым.

    2. Выполните регистрацию (см. бюллетень технического обслуживания).

    3. Проверьте в режиме Data List, что сертификация кода S работает надлежащим образом.


      Body Electrical > Entry&Start > Data List
      Информация на дисплее прибора Измеряемая величина Диапазон Нормальное состояние Замечание по диагностике
      S Code Check Результат проверки подлинности между ЭБУ сертификации (ЭБУ электронного ключа зажигания в сборе) и блоком идентификационного кода (ЭБУ кода иммобилайзера) OK или NG

      ОК: нормальный результат верификации

      NG: ненормальный результат верификации

      При наличии неисправности:


      • Идентификационный код для ЭБУ сертификации (ЭБУ электронного ключа зажигания) или блока идентификационного кода (ЭБУ кода иммобилайзера) не зарегистрирован, либо ЭБУ сертификации (ЭБУ электронного ключа зажигания) или блок идентификационного кода (ЭБУ кода иммобилайзера) неисправен.

      • Рулевое управление не блокируется.

      • Рулевое управление не разблокируется (невозможно запустить двигатель).


      Body Electrical > Entry&Start > Data List
      Информация на дисплее прибора
      S Code Check
      OK
      На экране GTS отображается ОК.
      Результат
      Перейти к
      OK
      NG

    OK
    NG
  10. СНИМИТЕ ПОКАЗАНИЯ GTS (ВЫКЛЮЧАТЕЛЬ ОСВЕЩЕНИЯ ПРОЕМА ДВЕРИ)


    1. С помощью GTS проверьте следующий параметр Data List главного ЭБУ кузова (бортового ЭБУ сети мультиплексной связи), открывая и закрывая дверь водителя, чтобы подтвердить состояние выключателя освещения проема передней двери.


      Body Electrical > Main Body > Data List
      Информация на дисплее прибора Измеряемая величина Диапазон Нормальное состояние Замечание по диагностике
      FR Door Courtesy SW Выключатель освещения проема правой передней двери в сборе (для моделей с правосторонним рулевым управлением) ON (ВКЛ) или OFF (ВЫКЛ)

      ON (ВКЛ): Правая передняя дверь открыта

      OFF (ВЫКЛ): Правая передняя дверь закрыта

      Если значение этого параметра не изменяется в соответствии с фактическим состоянием двери водителя, выключатель освещения проема двери или связанная деталь неисправны.
      FL Door Courtesy SW Выключатель освещения проема левой передней двери в сборе (для моделей с левосторонним рулевым управлением) ON (ВКЛ) или OFF (ВЫКЛ)

      ON (ВКЛ): Левая передняя дверь открыта

      OFF (ВЫКЛ): Левая передняя дверь закрыта

      Если значение этого параметра не изменяется в соответствии с фактическим состоянием двери водителя, выключатель освещения проема двери или связанная деталь неисправны.

      Body Electrical > Main Body > Data List
      Информация на дисплее прибора
      FR Door Courtesy SW
      FL Door Courtesy SW
      OK
      Значение параметра Data List изменяется в соответствии с открыванием и закрыванием двери водителя.
      Результат
      Перейти к
      OK
      NG

    NG
    OK
  11. СНИМИТЕ ПОКАЗАНИЯ GTS (СИГНАЛ ПОЛОЖЕНИЯ P РЫЧАГА ПЕРЕКЛЮЧЕНИЯ ПЕРЕДАЧ)


    1. Установите рычаг переключения передач в положение P.

    2. Снимите показания с дисплея GTS в режиме DATA LIST.


      Body Electrical > Power Source Control > Data List
      Информация на дисплее прибора Измеряемая величина Диапазон Нормальное состояние Замечание по диагностике
      Shift P Signal Сигнал положения (P) рычага переключения передач ON (ВКЛ) или OFF (ВЫКЛ)

      ON (ВКЛ): Рычаг переключения передач в положении Р

      OFF (ВЫКЛ): Рычаг переключения передач не в положении Р


      • Этот параметр используется для проверки исправности датчика положения рычага переключения передач.

      • Когда этот параметр принимает значение "OFF" (ВЫКЛ), двигатель запустить невозможно.


      Body Electrical > Power Source Control > Data List
      Информация на дисплее прибора
      Shift P Signal
      OK
      На экране GTS отображается ON.
      Результат
      Перейти к
      OK
      NG

    NG
    OK
  12. СНИМИТЕ ПОКАЗАНИЯ GTS (STEERING LOCK)


    1. Удостоверьтесь, что рулевое колесо разблокировано.

    2. Снимите показания с дисплея GTS в режиме DATA LIST.


      Body Electrical > Entry&Start > Data List
      Информация на дисплее прибора Измеряемая величина Диапазон Нормальное состояние Замечание по диагностике
      Steering Lock Состояние блокировки рулевого управления, определенное в ЭБУ блокировки рулевого управления (приводе блокировки рулевого управления или верхнем кронштейне в сборе) Set или Unset

      Set (установлено): Рулевое управление блокировано

      Unset (не установлено): рулевое управление разблокировано

      Если для этого параметра выводится "Unset", рулевое управление не заблокировано.

      Body Electrical > Entry&Start > Data List
      Информация на дисплее прибора
      Steering Lock
      OK
      На экране GTS отображается Set.
      Результат
      Перейти к
      OK
      NG

    NG
    OK
  13. СНИМИТЕ ПОКАЗАНИЯ GTS (LOCK REQUEST RECEIVE)


    1. Замените ЭБУ сертификации (ЭБУ электронного ключа зажигания) новым.

    2. Выполните регистрацию (см. бюллетень технического обслуживания).

    3. Включите зажигание (IG).

    4. В режиме Data List проверьте работу блокировки рулевого управления.


      Body Electrical > Entry&Start > Data List
      Информация на дисплее прибора Измеряемая величина Диапазон Нормальное состояние Замечание по диагностике
      Lock Request Receive

      Состояние приема команды блокировки рулевого управления в ЭБУ сертификации (ЭБУ электронного ключа зажигания в сборе), который затем передает ее в блок идентификационного кода (ЭБУ кода иммобилайзера)

      Tech Tips


      • Состояние приема сохраняется в течение 10 с.

      • Через 10 с или более после приема сигнала значение параметра изменяется на "NG".

      OK или NG

      ОК: Запрос на блокировку получен в течение 10 с после открывания любой двери с выключенным зажиганием и рычагом переключения передач в положении P

      NG: За исключением указанного выше

      Если этот параметр не меняет значение на "OK" даже при выполнении условий блокировки рулевого управления, ЭБУ сертификации (ЭБУ электронного ключа зажигания) может быть неисправен.

      Body Electrical > Entry&Start > Data List
      Информация на дисплее прибора
      Lock Request Receive
      OK
      ЭБУ сертификации (ЭБУ электронного ключа зажигания в сборе) получает сигнал запроса блокировки в течение 10 после переключения выключателя зажигания из положения ON (ВКЛ) (IG) в положение ON (ВКЛ) (ACC) или OFF (ВЫКЛ) и открывания двери с рычагом переключения передач в положении P, и на экране GTS отображается OK.
      Результат
      Перейти к
      OK
      NG

    OK
    NG