СИСТЕМА SFI (для моделей без модуля насоса адсорбера), Diagnostic DTC:P011511

Код DTC Наименование DTC
P011511 Датчик температуры охлаждающей жидкости 1, цепь — короткое замыкание на массу

ОПИСАНИЕ

В датчик температуры охлаждающей жидкости встроен термистор, сопротивление которого изменяется в соответствии с изменением температуры охлаждающей жидкости. Конструкция датчика и способ его подключения к ECM такие же, как и у датчика температуры воздуха на впуске.

Tech Tips

При регистрации кода DTC P011511 ECM переходит в аварийный режим работы. Во время работы в аварийном режиме ЕСМ принимает в расчет значение температуры охлаждающей жидкости, равное 80°C (176°F). Аварийный режим работы продолжается до тех пор, пока не будет обнаружено нормальное состояние.

№ DTC Неисправность Условие обнаружения DTC Неисправный участок MIL Память Примечание
P011511 Датчик температуры охлаждающей жидкости 1, цепь — короткое замыкание на массу Выходное напряжение датчика температуры охлаждающей жидкости менее 0,142 В в течение 0,5 секунды и более (логика диагностирования за 1 поездку).
  • Короткое замыкание в цепи датчика температуры охлаждающей жидкости

  • Датчик температуры охлаждающей жидкости

  • ECM

Загорается Код DTC сохраняется

Код SAE:

P0117

Tech Tips

Если выводится этот код DTC, проверьте значение параметра Coolant Temperature в режиме Data List. Войдите в следующие меню: Powertrain / Engine / Data List / Coolant Temperature.

№ DTC Coolant Temperature Неисправность
P011511 140°C (284°F) Короткое замыкание на массу в цепи THW

Если в режиме Data List отображаются нормальные значения, это может указывать на временное восстановление после неисправного состояния. Проверьте, нет ли эпизодических неисправностей.

ОПИСАНИЕ РАБОТЫ СИСТЕМЫ КОНТРОЛЯ

Датчик температуры охлаждающей жидкости применяется для измерения температуры охлаждающей жидкости. В датчик температуры охлаждающей жидкости встроен термистор, сопротивление которого изменяется в зависимости от температуры охлаждающей жидкости. При понижении температуры охлаждающей жидкости сопротивление термистора увеличивается. Когда температура повышается, сопротивление падает. Изменение сопротивления приводит к изменению выходного напряжения датчика. ECM контролирует напряжение датчика и использует его значения для вычисления температуры охлаждающей жидкости. Если выходное напряжение датчика температуры охлаждающей жидкости выходит за пределы диапазона допустимых значений, ECM определяет это как неисправность цепи датчика температуры охлаждающей жидкости и регистрирует данный DTC.

Пример:

Если выходное напряжение датчика температуры охлаждающей жидкости менее 0,142 В в течение 0,5 секунды и более, ECM регистрирует данный код DTC.

ПРИНЦИП РАБОТЫ СИСТЕМЫ КОНТРОЛЯ

Продолжительность работы Непрерывно

ПРОВЕРОЧНАЯ ПОЕЗДКА


  1. Подключите GTS к DLC3.

  2. Включите зажигание (IG) и включите GTS.

  3. Удалите коды DTC (даже если нет сохраненных DTC, выполните процедуру удаления DTC).

  4. Выключите зажигание и подождите не менее 30 с.

  5. Включите зажигание (IG) и включите GTS.

  6. Подождите не менее 0,5 с.

  7. Войдите в следующие меню: Powertrain / Engine / Trouble Codes.

  8. Считайте ожидающие обработки коды DTC.

    Tech Tips


    • Если выводятся ожидающие обработки DTC, система неисправна.

    • Если ожидающие обработки DTC не выводятся, выполните следующую процедуру.

  9. Войдите в следующие меню: Powertrain / Engine / Utility / All Readiness.

  10. Введите DTC: P011511.

  11. Проверьте результат проверки DTC.

    Дисплей GTS Описание
    NORMAL
    • Проверка DTC завершена

    • Cистема работает нормально

    ABNORMAL
    • Проверка DTC завершена

    • Нарушения в работе системы

    INCOMPLETE
    • Проверка DTC не завершена

    • Выполните поездку в проверочном режиме после создания условий регистрации DTC

    N/A
    • Невозможно выполнить проверку DTC

    • Количество кодов DTC, которые не соответствуют условиям регистрации DTC, достигло предела запоминающего устройства ЭБУ

    Tech Tips


    • Если результат проверки показывает NORMAL, система исправна.

    • Если результат проверки показывает ABNORMAL, система неисправна.

    • Если результат проверки показывает INCOMPLETE или N/A, выполните поездку в проверочном режиме и снова проверьте результат проверки DTC.

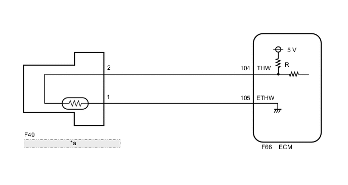
СХЕМА СОЕДИНЕНИЙ

A01R70BE49
*a Датчик температуры охлаждающей жидкости двигателя

ПРЕДОСТЕРЕЖЕНИЕ / ПРИМЕЧАНИЕ / УКАЗАНИЕ

Tech Tips


  • Если сохранен код DTC P011511, убедитесь в том, что двигатель не перегрет (код DTC P011511 может быть сохранен в результате перегрева двигателя).

  • С помощью GTS считайте данные фиксированного набора параметров. Одновременно с записью в память кода DTC ECM сохраняет параметры состояния автомобиля и условий движения как данные фиксированного набора параметров. При поиске неисправностей фиксированные параметры позволяют определить, двигался ли автомобиль в момент возникновения неисправности или нет, был ли прогрет двигатель, каким было соотношение воздух-топливо (обедненным или обогащенным) и пр.

ПОРЯДОК ВЫПОЛНЕНИЯ


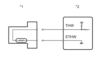
  1. СНИМИТЕ ПОКАЗАНИЯ GTS (ПРОВЕРЬТЕ ЖГУТ ПРОВОДОВ НА КОРОТКОЕ ЗАМЫКАНИЕ)

    A01R63BC40
    *1 Датчик температуры охлаждающей жидкости двигателя
    *2 ECM

    1. Отсоедините разъем датчика температуры охлаждающей жидкости двигателя.

    2. Подключите GTS к DLC3.

    3. Включите питание (IG).

    4. Включите GTS.

    5. Войдите в следующие меню: Powertrain / Engine / Data List / Coolant Temperature.


      Powertrain > Engine > Data List
      Информация на дисплее прибора
      Coolant Temperature
    6. Считайте значение, отображаемое на GTS.

      Номинальное значение
      -40°C (-40°F)

      Tech Tips

      После замены датчика температуры охлаждающей жидкости двигателя выполните процедуру "Проверка после ремонта".

      Нажмите здесь Click here

      Результат
      Перейти к
      OK
      NG

    OK
    NG
  2. ПРОВЕРЬТЕ ЖГУТ ПРОВОДОВ И РАЗЪЕМ (ДАТЧИК ТЕМПЕРАТУРЫ ОХЛАЖДАЮЩЕЙ ЖИДКОСТИ – ECM)


    1. Отсоедините разъем датчика температуры охлаждающей жидкости двигателя.

    2. Отсоедините разъем ЭБУ.

    3. Измерьте сопротивление в соответствии со значениями, приведенными в таблице ниже.

      Номинальное сопротивление
      Подключение диагностического прибора Условие Заданные условия
      F49-2 или F66-104 (THW) - масса и другие контакты Всегда 10 кОм или более
      Результат
      Перейти к
      OK
      NG

    OK
    NG