RELAY(w/ Headlight Cleaner System) ON-VEHICLE INSPECTION

PROCEDURE


  1. INSPECT HEADLIGHT CLEANER CONTROL RELAY


    1. Remove the headlight cleaner control relay.

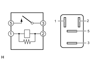
    2. A01CNCBE11

      Measure the resistance according to the value(s) in the table below.

      Standard Resistance
      Tester Connection Condition Specified Condition
      3 - 5 Voltage is not applied between terminals 1 and 2 10 kΩ or higher
      Voltage is applied between terminals 1 and 2 Below 1 Ω

      If the result is not as specified, replace the headlight cleaner control relay.

    3. Install the headlight cleaner control relay.