SEAT HEATER SYSTEM, Diagnostic DTC:B14C0

DTC Code DTC Name
B14C0 Front Right Seat Heat Sensor Circuit

DESCRIPTION

Output to the front seat cushion heater temperature sensor stops if one of the following occurs: 1) the temperature sensor is open or shorted; or 2) the temperature sensor is damaged and its output value does not change.

DTC No. Detection Item DTC Detection Condition Trouble Area
B14C0 Front Right Seat Heat Sensor Circuit Seat heater temperature sensor malfunction
  • Separate type front seat cushion cover RH*1

  • Seat Heater Control Sub-assembly RH*1

  • Front seat cushion pad with cover RH*2

  • Air conditioning amplifier assembly

  • Harness and connector


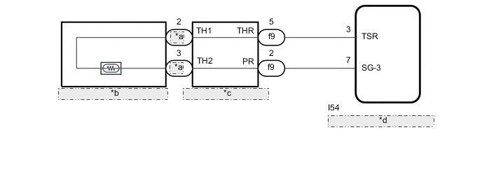
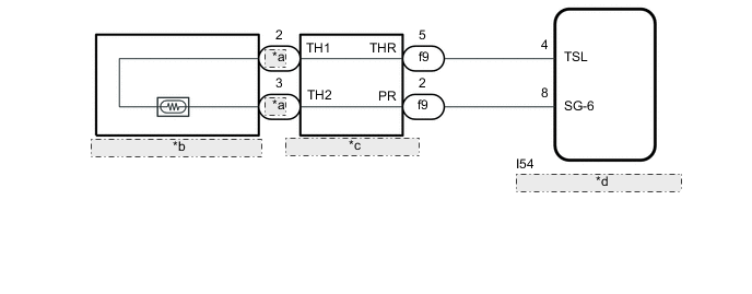
WIRING DIAGRAM


  1. for L-Sport Seat Type


    1. for LHD:

      B002J8KE05
      *a SHR
      *b Separate Type Front Seat Cushion Cover RH
      *c Seat Heater Control Sub-assembly RH
      *d Air Conditioning Amplifier Assembly
    2. for RHD:

      B002J8KE03
      *a SHR
      *b Separate Type Front Seat Cushion Cover RH
      *c Seat Heater Control Sub-assembly RH
      *d Air Conditioning Amplifier Assembly
  2. for F-Sport Seat Type


    1. for LHD:

      B002KJPE04
      *a TH
      *b Front Seat Cushion Pad with Cover RH
      *c Air Conditioning Amplifier Assembly
    2. for RHD:

      B002KJPE03
      *a TH
      *b Front Seat Cushion Pad with Cover RH
      *c Air Conditioning Amplifier Assembly

CAUTION / NOTICE / HINT

Note


  • If the auxiliary battery voltage is low, the seat heater system may not operate. When "High Power Consumption / Partial Limit On AC/Heater Operation" is displayed on the multi-information display in the combination meter assembly, inspect the auxiliary battery, referring to On-vehicle Inspection for the charging system.

    Click here

    Tech Tips

    If the auxiliary battery voltage is low, "Operation Limitation Control History Count (Level 1)" and "Operation Limitation Control History Count (Level 2) is counted.

    Click here

  • If the auxiliary battery voltage is low, the seat heater system may not operate. Refer to Data List for the power steering system.

    Click here

    Click here

PROCEDURE


  1. CLEAR DTC


    1. Clear the DTCs.

      Click here


      Body Electrical > Air Conditioner > Clear DTCs
      Result
      Proceed to
      NEXT

    NEXT
  2. CHECK FOR DTC


    1. Check for DTCs.

      Click here


      Body Electrical > Air Conditioner > Trouble Codes
      OK
      DTC B14C0 is not output.
      Result
      Proceed to
      OK
      NG

    OK
    NG
  3. READ VALUE USING GTS (FR Seat Heater Temperature)


    1. Connect the GTS to the DLC3.

    2. Turn the power switch on (IG).

    3. Turn the GTS on.

    4. Enter the following menus: Body Electrical / Air Conditioner / Data List.

    5. Read the Data List according to the display on the GTS.


      Body Electrical > Air Conditioner > Data List
      Tester Display Measurement Item Range Normal Condition Diagnostic Note
      FR Seat Heater Temperature Front seat RH heater temperature -29.7°C to 59.55°C Within range from 32 to 43°C (89 to 109°F) Front seat heater is on

      Body Electrical > Air Conditioner > Data List
      Tester Display
      FR Seat Heater Temperature
      OK
      On the GTS screen, the seat heater temperature is as specified in the normal condition column.
      Result
      Result Proceed to
      OK A
      NG (for L-Sports Seat Type) B
      NG (for F-Sports Seat Type) C

    A
    C
    B
  4. INSPECT SEPARATE TYPE FRONT SEAT CUSHION COVER RH


    1. Remove the separate type front seat cushion cover RH.


    2. Inspect the separate type front seat cushion cover RH.


      Result
      Proceed to
      OK
      NG

    NG
    OK
  5. INSPECT SEAT HEATER CONTROL SUB-ASSEMBLY RH


    1. B002KXBC10
      *a

      Seat Heater Control Sub-assembly RH

      (to Air Conditioning Amplifier Assembly)

      *b

      Seat Heater Control Sub-assembly RH

      (to Separate Type Front Seat Cushion Cover RH)

      Disconnect the f9 and SHR seat heater control sub-assembly RH connectors.

    2. Measure the resistance according to the value(s) in the table below.

      Standard Resistance
      Tester Connection Condition Specified Condition
      f9-5 (THR) - SHR-2 (TH1) Always Below 1 Ω
      f9-5 (THR) or SHR-2 (TH1) - Body ground Always 10 kΩ or higher
      f9-2 (PR) - SHR-3 (TH2) Always Below 1 Ω
      f9-2 (PR) or SHR-3 (TH2) - Body ground Always 10 kΩ or higher
      Result
      Proceed to
      OK
      NG

    NG
    OK
  6. CHECK HARNESS AND CONNECTOR (AIR CONDITIONING AMPLIFIER ASSEMBLY - SEAT HEATER CONTROL SUB-ASSEMBLY RH)


    1. Disconnect the I54 air conditioning amplifier assembly connector.

    2. Disconnect the f9 seat heater control sub-assembly RH connector.

    3. Measure the resistance according to the value(s) in the table below.

      Standard Resistance
      for LHD
      Tester Connection Condition Specified Condition
      I54-3 (TSR) - f9-5 (THR) Always Below 1 Ω
      I54-3 (TSR) or f9-5 (THR) - Body ground Always 10 kΩ or higher
      I54-7 (SG-3) - f9-2 (PR) Always Below 1 Ω
      I54-7 (SG-3) or f9-2 (PR) - Body ground Always 10 kΩ or higher
      for RHD
      Tester Connection Condition Specified Condition
      I54-4 (TSL) - f9-5 (THR) Always Below 1 Ω
      I54-4 (TSL) or f9-5 (THR) - Body ground Always 10 kΩ or higher
      I54-8 (SG-6) - f9-2 (PR) Always Below 1 Ω
      I54-8 (SG-6) or f9-2 (PR) - Body ground Always 10 kΩ or higher
      Result
      Proceed to
      OK
      NG

    OK
    NG
  7. INSPECT FRONT SEAT CUSHION PAD WITH COVER RH


    1. Remove the front seat cushion pad with cover RH.

      Click here

    2. Inspect the front seat cushion pad with cover RH.

      Click here

      Result
      Proceed to
      OK
      NG

    NG
    OK
  8. CHECK HARNESS AND CONNECTOR (AIR CONDITIONING AMPLIFIER ASSEMBLY - FRONT SEAT CUSHION PAD WITH COVER RH)


    1. Disconnect the I54 air conditioning amplifier assembly connector.

    2. Disconnect the f19 front seat cushion pad with cover RH connector.

    3. Measure the resistance according to the value(s) in the table below.

      Standard Resistance
      for LHD
      Tester Connection Condition Specified Condition
      I54-3 (TSR) - f19-5 (TH) Always Below 1 Ω
      I54-3 (TSR) or f19-5 (TH) - Body ground Always 10 kΩ or higher
      I54-7 (SG-3) - f19-2 (P) Always Below 1 Ω
      I54-7 (SG-3) or f19-2 (P) - Body ground Always 10 kΩ or higher
      for RHD
      Tester Connection Condition Specified Condition
      I54-4 (TSL) - f19-5 (TH) Always Below 1 Ω
      I54-4 (TSL) or f19-5 (TH) - Body ground Always 10 kΩ or higher
      I54-8 (SG-6) - f19-2 (P) Always Below 1 Ω
      I54-8 (SG-6) or f19-2 (P) - Body ground Always 10 kΩ or higher
      Result
      Proceed to
      OK
      NG

    OK
    NG