WIRELESS DOOR LOCK CONTROL SYSTEM Only Wireless Control Function is Inoperative

DESCRIPTION

When the wireless operation of the door lock functions do not operate, a malfunction or wave interference may be occurring in either of the following: 1) the signal communication line between the door control receiver and certification ECU (smart key ECU assembly) (the line used for wireless operations): or 2) the electrical key transmitter sub-assembly. If the wireless lock operations cannot be performed, there may be electrical key transmitter sub-assembly malfunctions, wave interference or problems in the communication which is used for the wireless function between the door control receiver and certification ECU (smart key ECU assembly).

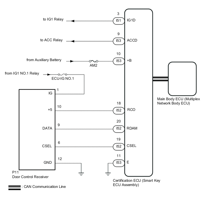
WIRING DIAGRAM

B002J02E01

CAUTION / NOTICE / HINT

Note


  • When using the GTS with the vehicle power switch off, connect the GTS to the vehicle and turn a courtesy light switch on and off at intervals of 1.5 seconds or less until communication between the GTS and the vehicle begins. Then select the Model Code "KEY REGIST" under manual mode and enter the following menus: Body Electrical / Entry&Start(CAN). While using the GTS, periodically turn a courtesy light switch on and off at intervals of 1.5 seconds or less to maintain communication between the GTS and the vehicle.

  • The wireless door lock control system uses the CAN communication system. Inspect the communication function by following How to Proceed with Troubleshooting. Troubleshoot the wireless door lock control system after confirming that the communication systems are functioning properly.

    Click here

  • Before replacing the certification ECU (smart key ECU assembly), main body ECU (multiplex network body eCU) or electrical key transmitter sub-assembly, refer to Service Bulletin.

  • Check that there are no electrical key transmitter sub-assemblies in the vehicle.

  • Before performing the inspection, check that DTC B1242 (wireless door lock tuner circuit malfunction) is not output

    Click here

  • Inspect the fuses for circuits related to this system before performing the following procedure.

  • After repair, confirm DTC does not reoccur by performing the "DTC Output Confirmation Operation".

  • Door control receiver has a constant voltage (5 V) supply circuit connected to terminal "+5".

  • When replacing the door control receiver, read the transmitter IDs (tire pressure warning system) stored in the old ECU using the GTS and write them down before removal (for 12 Pin Type).

    Click here

  • It is necessary to perform initialization ( ) after registration ( Click here) of the transmitter IDs into the door control receiver if the door control receiver has been replaced (for 12 Pin Type).

PROCEDURE


  1. INSPECT AUXILIARY BATTERY VOLTAGE


    1. Measure the voltage of the auxiliary battery.

      Standard voltage
      11 to 14 V (power switch off)

      Tech Tips

      It may be possible to tell whether the auxiliary battery is discharged by operating the horn.

      If the voltage is below 11 V, recharge or replace the auxiliary battery before proceeding to the next step.

      Result
      Proceed to
      NEXT

    NEXT
  2. CHECK FOR DTC


    1. Open the driver door using the mechanical key built into the electrical key transmitter sub-assembly.

    2. Connect the GTS to the DLC3.

    3. Turn the power switch on (IG).

    4. Turn the GTS on.

    5. Enter the following menus: Body Electrical / Entry&Start / Trouble Codes.


      Body Electrical > Entry&Start > Trouble Codes

      Tech Tips

      When using the GTS with the vehicle power switch off, connect the GTS to the vehicle and turn a courtesy light switch on and off at intervals of 1.5 seconds or less until communication between the GTS and the vehicle begins. Then select the Model Code "KEY REGIST" under manual mode and enter the following menus: Body Electrical / Entry&Start(CAN). While using the GTS, periodically turn a courtesy light switch on and off at intervals of 1.5 seconds or less to maintain communication between the GTS and the vehicle.

      OK
      DTC is not output.
      Result
      Proceed to
      OK
      NG

    NG
    OK
  3. SYSTEM CHECK


    1. Check the vehicle specification.

      Result
      Result Proceed to
      w/ Door Ajar Warning Function A
      w/o Door Ajar Warning Function B

    B
    A
  4. CHECK DOOR AJAR WARNING


    1. When the doors are locked by operating the wireless door lock function with all doors closed, check that the door ajar warning operates.

      Tech Tips

      Warning function (door ajar warning)

      Click here

      Result
      Result Proceed to
      The wireless buzzer does not sound A
      The wireless buzzer sounds B

    B
    A
  5. CHECK POWER DOOR LOCK CONTROL SYSTEM


    1. When the door control switch on the multiplex network master switch assembly on the driver door is operated, check that the doors unlock and lock according to the door control switch operation.

      Click here

      OK
      Door locks operate normally.
      Result
      Proceed to
      OK
      NG

    NG
    OK
  6. CHECK WAVE ENVIRONMENT


    1. Bring the electrical key transmitter sub-assembly that was checked first near the door control receiver and check the wireless door lock control funcstions.

      Click here

      Tech Tips


      • When the electrical key transmitter sub-assembly is brought near the door control receiver, the possibility of wave interference decreases, and it can be determined if wave interference is causing the problem symptom.

      • If the inspection result is that the problem only occurs in certain locations or at certain times of day, the possibility of wave interference is high. Also, added vehicle components may cause wave interference. If installed, remove them and perform the operation check.

      • There may be wave interference if the vehicle is near broadcasting antennas, large video displays, wireless garage door opener systems, wireless security cameras, home security systems, etc. In this case, move the vehicle to a different location and check if there is any improvement.

      • If a tool for checking radio waves, such as a signal strength meter, is available, move around the area while observing both the LF band (used by the vehicle antenna to form the detection area) and RF band (used by the electrical key transmitter sub-assembly for transmission) to check for locations where there is wave interference.

      Result
      Result Proceed to
      Wireless door lock functions do not operate normally. A
      Wireless door lock functions operate normally. B

    B
    A
  7. CHECK TRANSMITTER BATTERY


    1. Check the transmitter battery level of the electrical key transmitter sub-assembly that was checked first.


      1. Press and hold the lock switch of the transmitter for 5 seconds and check the number of times that the transmitter LED illuminates.

        Tech Tips


        • The electrical key transmitter sub-assembly sends voltage information to the certification ECU (smart key ECU assembly) when it is being used. The certification ECU (smart key ECU assembly) displays "Yes" for the "Key Low Battery" item of the Data List when this voltage information indicates 2.2 V or less.

          Click here

        • Even if the transmitter battery is depleted, it is still possible to start the hybrid control systemby holding the electrical key transmitter sub-assembly near the power switch, depressing the brake pedal and pressing the power switch.

      Result
      Result Proceed to
      Transmitter LED illuminates 3 times or more when switch is pressed and held A
      Transmitter LED does not illuminate when switch is pressed and held B
      Transmitter LED illuminates once or twice but not a third time C

    B
    C
    A
  8. CHECK ELECTRICAL KEY TRANSMITTER SUB-ASSEMBLY


    1. Check if there are any other registered electrical key transmitter sub-assemblies.

      Result
      Result Proceed to
      There are no other registered electrical key transmitter sub-assemblies A
      There is another registered electrical key transmitter sub-assemblies B

    B
    A
  9. ELECTRICAL KEY TRANSMITTER SUB-ASSEMBLY REGISTRATION (NEW ELECTRICAL KEY TRANSMITTER SUB-ASSEMBLY)


    1. Register a new electrical key transmitter sub-assembly.

      Tech Tips

      Refer to the Service Bulletin.

      Result
      Proceed to
      NEXT

    NEXT
  10. CHECK WIRELESS DOOR LOCK OPERATION


    1. Using another registered electrical key transmitter sub-assembly, check that the wireless door lock functions operate normally.

      Click here

      OK
      Wireless door lock functions operate normally.
      Result
      Proceed to
      OK
      NG

    OK
    NG
  11. PERFORM REGISTRATION


    1. Perform registration of the B code.

      Tech Tips

      Refer to the Service Bulletin.

      Result
      Proceed to
      NEXT

    NEXT
  12. CHECK WIRELESS DOOR LOCK OPERATION


    1. Using another registered electrical key transmitter sub-assembly, check that the wireless door lock functions operate normally.

      Click here

      OK
      Wireless door lock functions operate normally.
      Result
      Proceed to
      OK
      NG

    NG
    OK
  13. READ VALUE USING GTS (B CODE)


    1. Connect the GTS to the DLC3.

    2. Turn the power switch on (IG).

    3. Turn the GTS on.

    4. Enter the following menus: Body Electrical / Entry&Start / Data List.

    5. Read the Data List according to the display on the GTS.


      Body Electrical > Entry&Start > Data List
      Tester Display Measurement Item Range Normal Condition Diagnostic Note
      B Code B code registration status Regd or No Regd

      Regd: B code registered correctly

      No Regd: B code not registered correctly

      -

      Body Electrical > Entry&Start > Data List
      Tester Display
      B Code
      Result
      Result Proceed to
      "No Regd" is displayed on the GTS A
      "Regd" is displayed on the GTS B

    B
    A
  14. READ VALUE USING GTS (B CODE DIFFERENCE)


    1. Connect the GTS to the DLC3.

    2. Turn the power switch on (IG).

    3. Turn the GTS on.

    4. Enter the following menus: Body Electrical / Entry&Start / Data List.

    5. Read the Data List according to the display on the GTS.


      Body Electrical > Entry&Start > Data List
      Tester Display Measurement Item Range Normal Condition Diagnostic Note
      B Code Difference B code mismatch Yes or No

      Yes: Communication malfunction

      No: Communication normal

      -

      Body Electrical > Entry&Start > Data List
      Tester Display
      B Code Difference
      Result
      Result Proceed to
      "No" is displayed on the GTS A
      "Yes" is displayed on the GTS B

    B
    A
  15. CHECK CERTIFICATION ECU (SMART KEY ECU ASSEMBLY)


    1. Measure the voltage while checking the Data List on the GTS.


      1. Connect the GTS to the DLC3.

      2. Turn the power switch on (IG).

      3. Turn the GTS on.

      4. Enter the following menus: Body Electrical / Power Source Control / Data List.

      5. Read the Data List according to the display on the GTS.

        B002H7AC16
        *a

        Component with harness connected

        (Certification ECU [Smart Key ECU Assembly])

        - -

        Body Electrical > Power Source Control > Data List
        Tester Display Measurement Item Range Normal Condition Diagnostic Note
        Power Supply Condition Power supply state All OFF, ACC ON, IG ON or ST ON

        All OFF: Power switch off (ACC and IG)

        ACC ON: Power switch on (ACC)

        IG ON: Power switch on (IG)

        ST ON: Sending hubrid control system start request signal

        -

        Body Electrical > Power Source Control > Data List
        Tester Display
        Power Supply Condition
        Standard Voltage
        Tester Connection Switch Condition Specified Condition
        I51-3 (IG1D) - Body ground Power switch off Below 1 V
        Power switch on (ACC) Below 1 V
        Power switch on (IG) 9 V or higher
        I53-9 (ACCD) - Body ground Power switch off Below 1 V
        Power switch on (ACC) 9 V or higher
        Power switch on (IG) 9 V or higher
      Result
      Proceed to
      OK
      NG

    NG
    OK
  16. READ VALUE USING GTS (ACC SW, IG SW)


    1. Connect the GTS to the DLC3.

    2. Turn the power switch on (IG).

    3. Turn the GTS on.

    4. Enter the following menus: Body Electrical / Main Body / Data List.

    5. Read the Data List according to the display on the GTS.


      Body Electrical > Main Body > Data List
      Tester Display Measurement Item Range Normal Condition Diagnostic Note
      ACC SW Power switch on (ACC) signal ON or OFF

      ON: Power switch on (ACC)

      OFF: Power switch off

      "ON" is also displayed for this item when the power switch is on (IG).
      IG SW Power switch on (IG) signal ON or OFF

      ON: Power switch on (IG)

      OFF: Power switch off or on (ACC)

      OFF" is also displayed for this item when the power switch is on (ACC).

      Body Electrical > Main Body > Data List
      Tester Display
      ACC SW
      IG SW

      Tech Tips

      If the certification ECU (smart key ECU assembly) misjudges for any reason that the power switch is on (IG) even though the power switch is off, the wireless door lock and unlock functions stop.

      Result
      Result Proceed to
      The certification ECU (smart key ECU assembly) judges properly that the power source is off when the power switch is off A
      The main body ECU (multiplex network body ECU) does not judge properly that the power source is off when the power switch is off B

    B
    A
  17. CHECK HARNESS AND CONNECTOR (CERTIFICATION ECU [SMART KEY ECU ASSEMBLY] - DOOR CONTROL RECEIVER)


    1. Disconnect the I52 certification ECU (smart key ECU assembly) connector.

    2. Disconnect the P11 door control receiver connector.

    3. Measure the resistance according to the value(s) in the table below.

      Standard Resistance
      Tester Connection Condition Specified Condition
      I52-18 (RCO) - P11-10 (+5) Always Below 1 Ω
      I52-20 (RDAM) - P11-9 (DATA) Always Below 1 Ω
      I52-19 (CSEL) - P11-6 (CSEL) Always Below 1 Ω
      I52-18 (RCO) - Body ground Always 10 kΩ or higher
      P11-10 (+5) - Body ground Always 10 kΩ or higher
      I52-20 (RDAM) - Body ground Always 10 kΩ or higher
      P11-9 (DATA) - Body ground Always 10 kΩ or higher
      I52-19 (CSEL) - Body ground Always 10 kΩ or higher
      P11-6 (CSEL) - Body ground Always 10 kΩ or higher
      Result
      Proceed to
      OK
      NG

    NG
    OK
  18. CHECK WIRELESS DOOR LOCK OPERATION


    1. Connect all connectors and check that the wireless door lock functions operate normally.

      Click here

      OK
      Wireless door lock functions operate normally.
      Result
      Proceed to
      OK
      NG

    OK
    NG
  19. INSPECT TRANSMITTER BATTERY


    1. Inspect the transmitter battery.

      Click here

      Note

      Do not wrap the lead wire around a terminal, wedge it between terminals, or solder it. The terminal may be deformed or damaged, and the transmitter battery will not be able to be installed correctly.

      Result
      Proceed to
      OK
      NG

    OK
    NG
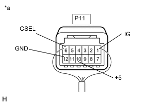
  20. CHECK DOOR CONTROL RECEIVER


    1. B002K4DC86
      *a

      Component with harness connected

      (Door Control Receiver)

      Measure the resistance according to the value(s) in the table below.

      Standard Resistance
      Tester Connection Condition Specified Condition
      P11-12 (GND) - Body ground Always Below 1 Ω
    2. Measure the voltage according to the value(s) in the table below.

      Standard Voltage
      Tester Connection Condition Specified Condition
      P11-9 (DATA) - P11-12 (GND)

        Procedure:

      1. Power switch off

      2. All doors closed

      3. All doors locked

      4. Lock or unlock switch of electrical key transmitter sub-assembly pressed

      Below 1 V → Pulse generation

      (See waveform 1)

      Result
      Proceed to
      OK
      NG
    3. B002KEJC12
      *a Before lock or unlock switch of electrical key transmitter sub-assembly pressed
      *b After lock or unlock switch of electrical key transmitter sub-assembly pressed

      Using an oscilloscope, check waveform 1.

      Note

      The oscilloscope waveform shown in the illustration is an example for reference only. Noise, chattering, etc. are not shown.

      Waveform 1 (Reference)
      Item Content
      Tester Connection P11-9 (DATA) - P11-12 (GND)
      Tool Setting 5 V/DIV., 500 ms/DIV.
      Condition

      Procedure:


      1. Power switch off

      2. All doors closed

      3. All doors locked

      4. Lock or unlock switch of electrical key transmitter sub-assembly pressed


    NG
    OK
  21. CHECK CERTIFICATION ECU (SMART KEY ECU ASSEMBLY)


    1. B002K4DC87
      *a

      Component with harness connected

      (Door Control Receiver)

      Measure the voltage according to the value(s) in the table below.

      Standard Voltage
      Tester Connection Condition Specified Condition
      P11-1 (IG) - P11-12 (GND) Power switch on (IG) 10 to 16 V
      P11-10 (+5) - P11-12 (GND)

      Procedure:


      1. Power switch off

      2. Electrical key transmitter sub-assembly switch not pressed → pressed

      Below 1 V → 4.5 to 6.0 V → Below 1 V
      P11-6 (CSEL) - P11-12 (GND)

      Procedure:


      1. Power switch off

      2. All doors closed

      Below 1 V → Pulse generation
      Result
      Proceed to
      OK
      NG

    NG
    OK
  22. CHECK WIRELESS DOOR LOCK OPERATION


    1. Connect all connectors and check that the wireless door lock functions operate normally.

      Click here

      OK
      Wireless door lock functions operate normally.
      Result
      Proceed to
      OK
      NG

    OK
    NG
  23. REPLACE CERTIFICATION ECU (SMART KEY ECU ASSEMBLY)


    1. Temporarily replace the certification ECU (smart key ECU assembly) with a new one.

      Tech Tips

      Refer to the Service Bulletin.

      Result
      Proceed to
      NEXT

    NEXT
  24. CHECK WIRELESS DOOR LOCK CONTROL SYSTEM


    1. Check that the wireless door lock functions operate normally.

      Click here

      OK
      Wireless door lock functions operate normally.
      Result
      Proceed to
      OK
      NG

    OK
    NG