WIRELESS DOOR LOCK CONTROL SYSTEM, Diagnostic DTC:B1242

DTC Code DTC Name
B1242 Wireless Door Lock Tuner Circuit Malfunction

DESCRIPTION

The door control receiver is used to receive radio waves related to the entry functions of the electrical key transmitter sub-assembly. The certification ECU (smart key ECU assembly) decodes the requested electrical key transmitter sub-assembly operation by identifying a key code based on the radio waves received via the door control receiver. The door control receiver receives a signal from the electrical key transmitter sub-assembly and sends signals to the main body ECU (multiplex network body ECU) through the certification ECU (smart key ECU assembly). (ex. if a door lock operation is requested, the certification ECU [smart key ECU assembly] sends a door lock command to the main body ECU [multiplex network body ECU]).

DTC No. Detection Item DTC Detection Condition Trouble Area
B1242 Wireless Door Lock Tuner Circuit Malfunction
  • Short in RDAM to ground between the certification ECU (smart key ECU assembly) and door control receiver.

  • Short in CSEL to ground between the certification ECU (smart key ECU assembly) and door control receiver.

  • Short in RDAM to ground when RCO (5 V) output from the ECU is off.


  • Harness or connector

  • Door control receiver

  • Certification ECU (smart key ECU assembly)

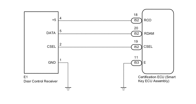
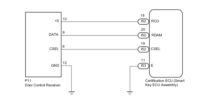
WIRING DIAGRAM


  1. for 12 Pin Type

    B002JE0E37
  2. for 5 Pin Type

    B002JE0E38

CAUTION / NOTICE / HINT

Note


  • When replacing or inspecting the door control receiver and wire harness, do not change the position or length of the wire harness. If the wire harness is too close to the door control receiver, entry (w/ Entry Function) and wireless function performance may be affected.

  • This DTC is not stored within 10 seconds of the power switch being turned from on (IG) to off.

  • The wireless door lock control system uses the CAN communication system. Inspect the communication function by following How to Proceed with Troubleshooting. Troubleshoot the wireless door lock control system after confirming that the communication system is functioning properly.

    Click here

  • When replacing the door control receiver, read the transmitter IDs (tire pressure warning system) stored in the old ECU using the GTS and write them down before removal (for 12 Pin Type).

    Click here

  • It is necessary to perform initialization ( ) after registration ( Click here) of the transmitter IDs into the door control receiver if the door control receiver has been replaced (for 12 Pin Type).

  • If the certification ECU (smart key ECU assembly) is replaced, refer to the Service Bulletin.

PROCEDURE


  1. CHECK CERTIFICATION ECU (SMART KEY ECU ASSEMBLY)


    1. B002L1BC10
      *A for 12 Pin Type
      *B for 5 Pin Type
      *a

      Front view of wire harness connector

      (to Door Control Receiver)

      Disconnect the P11*1 or E1*2 door control receiver connector.


      • *1: for 12 Pin Type

      • *2: for 5 Pin Type

    2. Check for pulses and voltage according to the value(s) in the table below.

      Standard Voltage
      for 12 Pin Type
      Tester Connection Condition Specified Condition
      P11-10 (+5) - Body ground

        Procedure:

      1. Power switch off

      2. Electrical key transmitter sub-assembly brought outside detection area but kept inside wireless function operational area

      3. Lock or unlock switch of electrical key transmitter sub-assembly not pressed → pressed

      Pulse generation
      P11-6 (CSEL) - Body ground

        Procedure:

      1. Power switch off

      2. All doors closed

      Below 1 V → Pulse generation
      P11-9 (DATA) - Body ground

        Procedure:

      1. Power switch off

      2. All doors locked

      3. Electrical key transmitter sub-assembly not inside vehicle

      4. Electrical key transmitter sub-assembly brought outside detection area but kept inside wireless function operational area

      5. Lock or unlock switch of electrical key transmitter sub-assembly not pressed → pressed

      Pulse generation
      for 5 Pin Type
      Tester Connection Condition Specified Condition
      E1-4 (+5) - Body ground

        Procedure:

      1. Power switch off

      2. Electrical key transmitter sub-assembly brought outside detection area but kept inside wireless function operational area

      3. Lock or unlock switch of electrical key transmitter sub-assembly not pressed → pressed

      Pulse generation
      E1-2 (CSEL) - Body ground

        Procedure:

      1. Power switch off

      2. All doors closed

      Below 1 V → Pulse generation
      E1-5 (DATA) - Body ground

        Procedure:

      1. Power switch off

      2. All doors locked

      3. Electrical key transmitter sub-assembly not inside vehicle

      4. Electrical key transmitter sub-assembly brought outside detection area but kept inside wireless function operational area

      5. Lock or unlock switch of electrical key transmitter sub-assembly not pressed → pressed

      Pulse generation
      Result
      Proceed to
      OK
      NG

    NG
    OK
  2. CHECK HARNESS AND CONNECTOR (DOOR CONTROL RECEIVER - CERTIFICATION ECU [SMART KEY ECU ASSEMBLY] AND BODY GROUND)


    1. Disconnect the I52 and I53 certification ECU (smart key ECU assembly) connectors.

    2. Disconnect the P11*1 or E1*2 door control receiver connector.


      • *1: for 12 Pin Type

      • *2: for 5 Pin Type

    3. Measure the resistance according to the value(s) in the table below.

      Standard Resistance
      for 12 Pin Type
      Tester Connection Condition Specified Condition
      I52-19 (CSEL) - P11-6 (CSEL) Always Below 1 Ω
      I52-20 (RDAM) - P11-9 (DATA) Always Below 1 Ω
      I52-18 (RCO) - P11-10 (+5) Always Below 1 Ω
      I53-11 (E) - Body ground Always Below 1 Ω
      P11-12 (GND) - Body ground Always Below 1 Ω
      I52-19 (CSEL) or P11-6 (CSEL) - Body ground Always 10 kΩ or higher
      I52-20 (RDAM) or P11-9 (DATA) - Body ground Always 10 kΩ or higher
      I52-18 (RCO) or P11-10 (+5) - Body ground Always 10 kΩ or higher
      for 5 Pin Type
      Tester Connection Condition Specified Condition
      I52-19 (CSEL) - E1-2 (CSEL) Always Below 1 Ω
      I52-20 (RDAM) - E1-5 (DATA) Always Below 1 Ω
      I52-18 (RCO) - E1-4 (+5) Always Below 1 Ω
      I53-11 (E) - Body ground Always Below 1 Ω
      E1-1 (GND) - Body ground Always Below 1 Ω
      I52-19 (CSEL) or E1-2 (CSEL) - Body ground Always 10 kΩ or higher
      I52-20 (RDAM) or E1-5 (DATA) - Body ground Always 10 kΩ or higher
      I52-18 (RCO) or E1-4 (+5) - Body ground Always 10 kΩ or higher
      Result
      Proceed to
      OK
      NG

    OK
    NG