TELEMATICS SYSTEM(w/ Telematics Transceiver for G-BOOK), Diagnostic DTC:B15C6

DTC Code DTC Name
B15C6 Ignition Switch Signal Malfunction

DESCRIPTION

If vehicle movement (10 km/h (6 mph) or more for 10 seconds) is detected based on the location data sent from the navigation ECU even when the telematics transceiver detects that the power switch is off, this DTC will be stored.

DTC No. Detection Item DTC Detection Condition Trouble Area
B15C6 Ignition Switch Signal Malfunction IG signal error
  • Harness or connector

  • Telematics transceiver

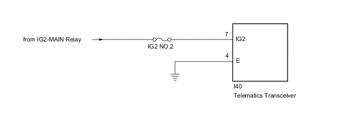
WIRING DIAGRAM

B002ITLE01

CAUTION / NOTICE / HINT

Note


  • Depending on the parts that are replaced during vehicle inspection or maintenance, performing initialization, registration or calibration may be needed. Refer to Precaution for G-BOOK.

    Click here

  • When replacing the telematics transceiver, make sure to replace it with a new one.

PROCEDURE


  1. CHECK DTC OUTPUT


    1. Clear the DTCs.

      Click here


      Body Electrical > Navigation System > Clear DTCs
    2. Recheck for DTCs and check if the same DTC is output again.

      Click here


      Body Electrical > Navigation System > Trouble Codes
      Result
      Result Proceed to
      B15C6 is not output. A
      B15C6 is output. B

    A
    B
  2. CHECK HARNESS AND CONNECTOR (TELEMATICS TRANSCEIVER - BATTERY AND BODY GROUND)


    1. B002JEFC42
      *a

      Front view of wire harness connector

      (to Telematics Transceiver)

      Disconnect the telematics transceiver connector.

    2. Measure the resistance according to the value(s) in the table below.

      Standard Resistance
      Tester Connection Condition Specified Condition
      I40-4 (E) - Body ground Always Below 1 Ω
    3. Measure the voltage according to the value(s) in the table below.

      Standard Voltage
      Tester Connection Switch Condition Specified Condition
      I40-7 (IG2) - Body ground Power switch on (IG) 11 to 14 V
      Result
      Proceed to
      OK
      NG

    OK
    NG