TIRE PRESSURE WARNING SYSTEM TC and CG Terminal Circuit

DESCRIPTION

Tire pressure warning system DTCs can be checked by connecting terminals 13 (TC) and 4 (CG) of the DLC3. The DTCs are indicated by blinking the tire pressure warning light.

WIRING DIAGRAM

B002HGYE13

PROCEDURE


  1. CHECK CAN COMMUNICATION SYSTEM


    1. Check for DTCs.

      Click here

      Result
      Result Proceed to
      DTCs are not output. A
      DTCs are output. B

    B
    A
  2. CHECK DTC (C2179/79)


    1. Check if DTC C2179/79 is output.

      Click here

      Result
      Result Proceed to
      DTC C2179/79 is not output. A
      DTC C2179/79 is output. B

    B
    A
  3. INSPECT DLC3


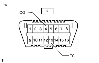
    1. B002K22C17
      *a Front view of DLC3

      Turn the power switch on (IG).

    2. Measure the voltage according to the value(s) in the table below.

      Standard Voltage
      Tester Connection Condition Specified Condition
      I7-13 (TC) - I7-4 (CG) Power switch on (IG) 11 to 14 V
      Result
      Proceed to
      OK
      NG

    NG
    OK
  4. REPLACE HYBRID VEHICLE CONTROL ECU


    1. B002K22C17
      *a Front view of DLC3

      Turn the power switch off.

    2. Replace the hybrid vehicle control ECU.

      Click here

    3. Using SST, connect terminals TC and CG of the DLC3.

      SST
      09843-18040
    4. Check that the tire pressure warning light is blinking.

      OK
      The tire pressure warning light is blinking.

      Tech Tips

      If troubleshooting has been carried out according to Problem Symptoms Table, refer back to the table and proceed to the next step before replacing the part.

      Click here

      Result
      Proceed to
      OK
      NG

    OK
    NG
  5. CHECK HARNESS AND CONNECTOR (TC of DLC3 - HYBRID VEHICLE CONTROL ECU)


    1. Disconnect the I116 hybrid vehicle control ECU connector.

    2. Measure the resistance according to the value(s) in the table below.

      Standard Resistance
      Tester Connection Condition Specified Condition
      I7-13 (TC) - I116-28 (TC) Always Below 1 Ω
      I7-13 (TC) or I116-28 (TC) - Body ground Always 10 kΩ or higher
      Result
      Proceed to
      OK
      NG

    NG
    OK
  6. CHECK HARNESS AND CONNECTOR (CG of DLC3 - BODY GROUND)


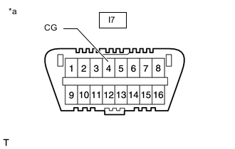
    1. B002K22C18
      *a Front view of DLC3

      Measure the resistance according to the value(s) in the table below.

      Standard Resistance
      Tester Connection Condition Specified Condition
      I7-4 (CG) - Body ground Always Below 1 Ω

      Tech Tips

      If troubleshooting has been carried out according to Problem Symptoms Table, refer back to the table and proceed to the next step before replacing the part.

      Click here

      Result
      Proceed to
      OK
      NG

    NG
    OK
  7. REPLACE HYBRID VEHICLE CONTROL ECU


    1. B002K22C17
      *a Front view of DLC3

      Replace the hybrid vehicle control ECU.

      Click here

    2. Using SST, connect terminals TC and CG of the DLC3.

      SST
      09843-18040
    3. Check that the tire pressure warning light is blinking.

      OK
      The tire pressure warning light is blinking.

      Tech Tips

      If troubleshooting has been carried out according to Problem Symptoms Table, refer back to the table and proceed to the next step before replacing the part.

      Click here

      Result
      Proceed to
      OK
      NG

    OK
    NG