OIL COOLER INSTALLATION

PROCEDURE


  1. INSTALL TRANSMISSION OIL COOLER ASSEMBLY


    1. B002JC4C01
      *a Torque Wrench Fulcrum Length

      Insert the stud bolts E through the transmission oil cooler assembly.

    2. Temporarily install the transmission oil cooler assembly and a new gasket with the flare nut B and union bolt C.

    3. Temporarily install the No. 1 oil cooler tube clamp with the bolt A.

    4. Tighten the 2 bolts, 2 nuts, union bolt and flare nut in the sequence shown in the illustration.

      Torque:
      Bolt A
      8.2 N*m  { 84 kgf*cm, 73 in.*lbf }
      Flare nut B
      34.3 N*m  { 350 kgf*cm, 25 ft.*lbf }
      Union bolt C
      35 N*m  { 357 kgf*cm, 26 ft.*lbf }
      Bolt D
      5.5 N*m  { 56 kgf*cm, 49 in.*lbf }
      Nut E
      5.5 N*m  { 56 kgf*cm, 49 in.*lbf }

      Tech Tips


      • Calculate the torque wrench reading when changing the fulcrum length of the torque wrench.

        Click here

      • When using a union nut wrench (fulcrum length of 30 mm (1.1811 in.)) + torque wrench (fulcrum length of 180 mm (7.0866 in.)): 29.4 N*m (300 kgf*cm, 22 ft.*lbf)

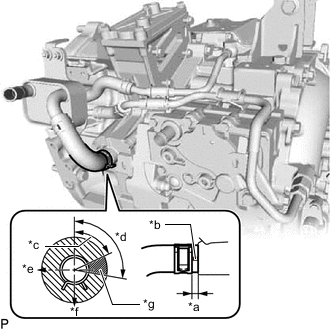
    5. B002HZQC01
      *a 2 to 4 mm (0.0788 to 0.1574 in.)
      *b Marking
      *c 65°
      *d 100°
      *e Right Side of the Vehicle
      *f Bottom of Vehicle
      *g No hose clamp claw in this region

      Connect the transmission oil cooler assembly to the hybrid vehicle transaxle assembly, and slide the hose clamp to secure it.

      Tech Tips

      Install the transmission oil cooler assembly with the marking toward the bottom of the vehicle.

  2. CONNECT NO. 5 INVERTER COOLING HOSE

    Click here

  3. CONNECT TRANSMISSION CONTROL CABLE ASSEMBLY

    Click here

  4. CONNECT WIRE HARNESS


    1. Connect the 4 clamps, 2 connectors and wire harness to the hybrid vehicle transaxle assembly.

  5. INSTALL INVERTER BRACKET ASSEMBLY

    Click here

  6. INSTALL INVERTER WATER PUMP WITH MOTOR ASSEMBLY

    Click here

  7. INSTALL INVERTER WITH CONVERTER ASSEMBLY

    Click here

  8. INSTALL NO. 1 ENGINE UNDER COVER ASSEMBLY

    Click here

  9. ADD HYBRID TRANSAXLE FLUID

    Click here

  10. INSPECT HYBRID TRANSAXLE FLUID

    Click here