ПРЕДАВАРИЙНАЯ СИСТЕМА БЕЗОПАСНОСТИ СХЕМА СИСТЕМЫ

A0029XGE05
A002AAME09
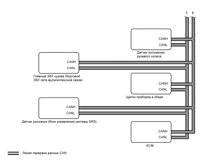
*1 ЭБУ центрального сетевого шлюза (ЭБУ сетевого шлюза)
*2 Линия передачи данных CAN
A00280XE09
A002AHFE11
Таблица обмена данными
Передатчик Приемник Сигнал Линия
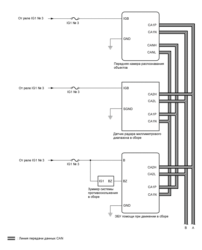
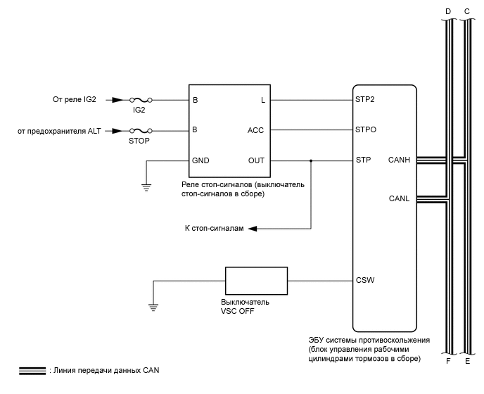
ЭБУ помощи при движении в сборе ЭБУ системы противоскольжения (блок управления рабочими цилиндрами тормозов в сборе)
  • Сигнал ожидания усилителя экстренного торможения

  • Сигнал управления предаварийным включением тормозов

CAN
ЭБУ помощи при движении в сборе Щиток приборов в сборе
  • Сигнал неисправности предаварийной системы безопасности

  • Сигнал предупреждения о расстоянии предаварийной системы безопасности

  • Сигнал предупреждения

  • Сигнал отмены предаварийной системы безопасности

CAN
ЭБУ помощи при движении в сборе Передняя камера распознавания объектов
  • Сигнал предаварийной сигнализации

  • Сигнал управления предаварийным включением тормозов

CAN
ЭБУ системы противоскольжения (блок управления рабочими цилиндрами тормозов в сборе) Щиток приборов в сборе
  • Сигнал скорости автомобиля

  • Сигнал выключателя стоп-сигналов

  • Сигнал датчика рысканья автомобиля

  • Сигнал работы системы курсовой устойчивости

  • Сигнал неисправности системы курсовой устойчивости

CAN
ЭБУ системы противоскольжения (блок управления рабочими цилиндрами тормозов в сборе) Передняя камера распознавания объектов
  • Сигнал скорости автомобиля

  • Сигнал датчика рысканья автомобиля

CAN
Датчик рысканья (блок управления системы SRS) ЭБУ помощи при движении в сборе Сигнал датчика рысканья автомобиля CAN
Датчик рысканья (блок управления системы SRS) Передняя камера распознавания объектов Сигнал датчика рысканья автомобиля CAN
Главный ЭБУ кузова (бортовой ЭБУ сети мультиплексной связи) ЭБУ помощи при движении в сборе Технические характеристики автомобиля (рынок сбыта) CAN
Главный ЭБУ кузова (бортовой ЭБУ сети мультиплексной связи) Передняя камера распознавания объектов Технические характеристики автомобиля (рынок сбыта) CAN
Датчик положения рулевого колеса ЭБУ помощи при движении в сборе
  • Сигнал датчика угла поворота рулевого колеса

  • Сигнал неисправности датчика угла поворота рулевого колеса

CAN
Датчик положения рулевого колеса Передняя камера распознавания объектов Сигнал неисправности датчика угла поворота рулевого колеса CAN
ECM ЭБУ помощи при движении в сборе
  • Сигнал положения рычага переключения передач (D, R)

  • Сигнал данных о типе двигателя

  • Технические характеристики автомобиля (привод на одну или две оси)

CAN
Датчик радара миллиметрового диапазона в сборе ЭБУ помощи при движении в сборе
  • Сигнал распознавания препятствия спереди

  • Сигнал дистанции

  • Сигнал относительной скорости автомобиля

CAN
Передняя камера распознавания объектов ЭБУ помощи при движении в сборе
  • Сигнал распознавания препятствия спереди

  • Сигнал дистанции

CAN