СИСТЕМА ДИСТАНЦИОННОЙ БЛОКИРОВКИ ДВЕРЕЙ (для моделей с интеллектуальной системой посадки и запуска) СХЕМА СИСТЕМЫ


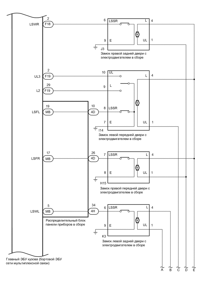
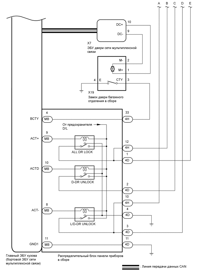
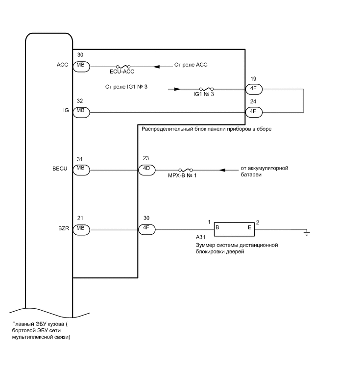
  1. Система дистанционной блокировки дверей (для моделей с левосторонним рулевым управлением)

    A002AG8E01
    A0027FYE01
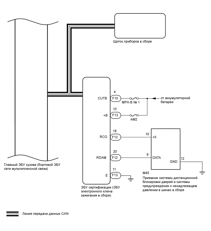
    A0029SEE05
    A0029LUE18
    A002BVSE09
    Таблица обмена данными
    Передатчик Приемник Сигнал Линия

    ЭБУ сертификации

    (ЭБУ электронного ключа зажигания в сборе)

    Главный ЭБУ кузова

    (бортовой ЭБУ сети мультиплексной связи)


    • Сигнал дистанционной блокировки/разблокировки двери

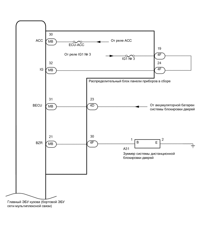
    • Сигнал запроса звучания зуммера системы дистанционной блокировки дверей

    CAN

    Главный ЭБУ кузова

    (бортовой ЭБУ сети мультиплексной связи)

    Щиток приборов в сборе Сигнал запроса включения ламп аварийной сигнализации системы дистанционной блокировки дверей CAN
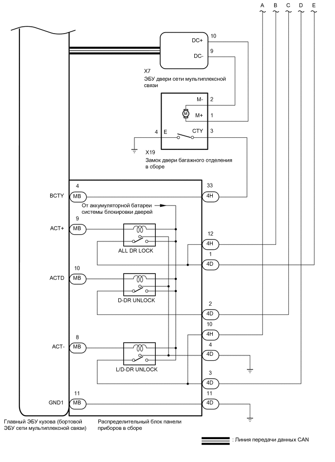
    ЭБУ двери сети мультиплексной связи Главный ЭБУ кузова (бортовой ЭБУ сети мультиплексной связи) Сигнал управления автоматизированной дверью багажного отделения CAN
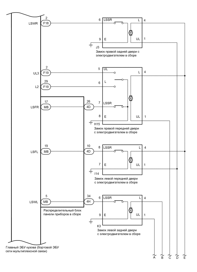
  2. Система дистанционной блокировки дверей (для моделей с правосторонним рулевым управлением)

    A002C91E09
    A0027FYE02
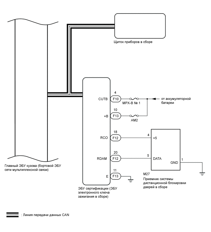
    A0029SEE01
    A0029LUE19
    A002BVSE21
    Таблица обмена данными
    Передатчик Приемник Сигнал Линия

    ЭБУ сертификации

    (ЭБУ электронного ключа зажигания в сборе)

    Главный ЭБУ кузова

    (бортовой ЭБУ сети мультиплексной связи)


    • Сигнал дистанционной блокировки/разблокировки двери

    • Сигнал запроса звучания зуммера системы дистанционной блокировки дверей

    CAN

    Главный ЭБУ кузова

    (бортовой ЭБУ сети мультиплексной связи)

    Щиток приборов в сборе Сигнал запроса включения ламп аварийной сигнализации системы дистанционной блокировки дверей CAN
    ЭБУ двери сети мультиплексной связи Главный ЭБУ кузова (бортовой ЭБУ сети мультиплексной связи) Сигнал управления автоматизированной дверью багажного отделения CAN