КОРПУС ДИФФЕРЕНЦИАЛА РАЗБОРКА

ПОРЯДОК ВЫПОЛНЕНИЯ


  1. СНИМИТЕ КОРОННУЮ ШЕСТЕРНЮ ПЕРЕДНЕГО ДИФФЕРЕНЦИАЛА


    1. A002A4ZC09
      *a Метка

      Нанесите метки на коронную шестерню переднего дифференциала и корпус дифференциала.

    2. B00400R

      Выверните 12 болтов из коронной шестерни переднего дифференциала.

    3. A018IGF

      Обстучав коронную шестерню переднего дифференциала пластмассовым молотком, снимите ее с корпуса дифференциала.

  2. СНИМИТЕ ПЕРЕДНИЙ КОНИЧЕСКИЙ РОЛИКОВЫЙ ПОДШИПНИК КОРПУСА ПЕРЕДНЕГО ДИФФЕРЕНЦИАЛА


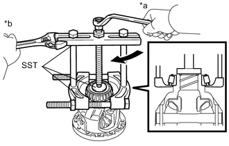
    1. A01GEOUC01
      *a Поверните
      *b Удерживайте

      С помощью SST снимите передний конический роликовый подшипник с корпуса переднего дифференциала.

      SST
      09950-00020
      09950-00030
      09950-60010   ( 09951-00480 )
    2. A01GEH4N03

      С помощью SST извлеките наружное кольцо переднего конического роликового подшипника корпуса переднего дифференциала и шайбу из кожуха трансмиссии.

      SST
      09308-00010
  3. СНИМИТЕ ЗАДНИЙ КОНИЧЕСКИЙ РОЛИКОВЫЙ ПОДШИПНИК КОРПУСА ПЕРЕДНЕГО ДИФФЕРЕНЦИАЛА


    1. A01GEUIC06
      *a Поверните
      *b Удерживайте

      С помощью SST снимите задний конический роликовый подшипник с корпуса переднего дифференциала.

      SST
      09950-00020
      09950-00030
      09950-60010   ( 09951-00480 )
    2. A002C5VN03

      С помощью SST извлеките наружное кольцо заднего конического роликового подшипника корпуса переднего дифференциала из картера трансмиссии.

      SST
      09308-00010
  4. ИЗВЛЕКИТЕ СТОПОРНЫЙ ШТИФТ ВАЛА САТЕЛЛИТОВ ПЕРЕДНЕГО ДИФФЕРЕНЦИАЛА


    1. A01GEVAN11

      С помощью SST и молотка ослабьте накерненную часть корпуса дифференциала.

      SST
      09930-00010
    2. A018KRD

      С помощью бородка с тонким цилиндрическим концом 3 мм и молотка выбейте стопорный штифт вала сателлитов переднего дифференциала из корпуса дифференциала.

      Tech Tips

      Перед извлечением стопорного штифта вала сателлитов переднего дифференциала освободите накерненную часть корпуса дифференциала с помощью бородка с тонким цилиндрическим концом.

  5. СНИМИТЕ ВАЛ САТЕЛЛИТОВ ПЕРЕДНЕГО ДИФФЕРЕНЦИАЛА № 1


    1. A01GF1F

      Снимите вал сателлитов переднего дифференциала № 1 с корпуса дифференциала.

  6. СНИМИТЕ ПОЛУОСЕВУЮ ШЕСТЕРНЮ ДИФФЕРЕНЦИАЛА


    1. B003ZXOC01
      *1 Сателлит переднего дифференциала
      *2 Упорная шайба сателлита переднего дифференциала
      *3 Полуосевая шестерня дифференциала
      *4 Упорная шайба полуосевой шестерни переднего дифференциала № 1

      Снимите 2 сателлита переднего дифференциала, 2 упорных шайбы сателлитов переднего дифференциала, 2 полуосевых шестерни переднего дифференциала и 2 упорных шайбы полуосевых шестерен переднего дифференциала № 1 с корпуса дифференциала.

  7. СНИМИТЕ САЛЬНИК ПРАВОГО ПЕРЕДНЕГО ПРИВОДНОГО ВАЛА


    1. A01GEWWN08

      С помощью SST и молотка снимите сальник правого переднего приводного вала с кожуха трансмиссии.

      SST
      09950-60010   ( 09951-00550 )
      09950-70010   ( 09951-07200 )
  8. СНИМИТЕ САЛЬНИК ЛЕВОГО ПЕРЕДНЕГО ПРИВОДНОГО ВАЛА


    1. A01GEI8N06

      С помощью SST и молотка снимите сальник левого переднего приводного вала с картера трансмиссии.

      SST
      09950-60010   ( 09951-00650 )
      09950-70010   ( 09951-07100 )