VEHICLE STABILITY CONTROL SYSTEM Brake Warning Light Remains ON

DESCRIPTION

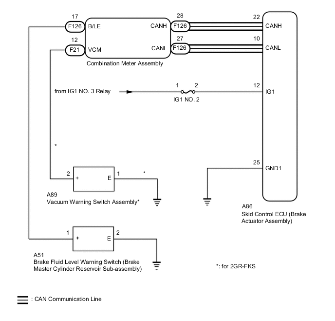
The skid control ECU (brake actuator assembly) is connected to the combination meter assembly via CAN communication.

If any of the following is detected, the brake warning light remains on:


WIRING DIAGRAM

A002CBME01

CAUTION / NOTICE / HINT

Note


  • When replacing the skid control ECU (brake actuator assembly), perform zero point calibration and store system information.

    Click here

  • Inspect the fuses for circuits related to this system before performing the following procedure.

  • If the main body ECU (multiplex network body ECU) is replaced, refer to Service Bulletin (w/ smart entry and start system).

PROCEDURE


  1. CHECK CAN COMMUNICATION SYSTEM


    1. Check if CAN communication system DTCs are output.

      Click here

      Result
      Result Proceed to
      DTCs are not output. A
      DTCs are output. B

    B
    A
  2. CHECK IF BRAKE ACTUATOR ASSEMBLY CONNECTOR IS SECURELY CONNECTED


    1. Check if the skid control ECU (brake actuator assembly) connector is securely connected.

      OK
      The connector is securely connected.
      Result
      Proceed to
      OK
      NG

    NG
    OK
  3. CHECK BATTERY


    1. Check the battery voltage.

      Standard Voltage
      Tester Connection Condition Specified Condition
      Battery Always 11 to 14 V
      Result
      Proceed to
      OK
      NG

    NG
    OK
  4. CHECK HARNESS AND CONNECTOR (IG1 TERMINAL)


    1. A002AHOC22
      *a

      Front view of wire harness connector

      (to Skid Control ECU (Brake Actuator Assembly))

      Disconnect the A86 skid control ECU (brake actuator assembly) connector.

    2. Measure the voltage according to the value(s) in the table below.

      Standard Voltage
      Tester Connection Condition Specified Condition
      A86-12 (IG1) - Body ground Ignition switch ON 11 to 14 V
      A86-12 (IG1) - A86-25 (GND1) Ignition switch ON 11 to 14 V
      Result
      Proceed to
      OK
      NG

    NG
    OK
  5. CHECK HARNESS AND CONNECTOR (GND1 TERMINAL)


    1. A002AHOC15
      *a

      Front view of wire harness connector

      (to Skid Control ECU (Brake Actuator Assembly))

      Turn the ignition switch off.

    2. Measure the resistance according to the value(s) in the table below.

      Standard Resistance
      Tester Connection Condition Specified Condition
      A86-25 (GND1) - Body ground Always Below 1 Ω
      Result
      Proceed to
      OK
      NG

    NG
    OK
  6. INSPECT BRAKE MASTER CYLINDER RESERVOIR SUB-ASSEMBLY


    1. A0026U4C10
      *a

      Component without harness connected

      (Brake Fluid Level Warning Switch (Brake Master Cylinder Reservoir Sub-assembly))

      Turn the ignition switch off.

    2. Remove the reservoir filler cap and strainer.

    3. Disconnect the A51 brake fluid level warning switch (brake master cylinder reservoir sub-assembly) connector.

    4. Measure the resistance according to the value(s) in the table below.

      Tech Tips

      A float is located inside the reservoir. Its position changes according to the brake fluid level.

      Standard Resistance
      Tester Connection Condition Specified Condition
      1 (+) - 2 (E) Brake fluid level warning switch off (Float up) 1.9 to 2.1 kΩ
      1 (+) - 2 (E) Brake fluid level warning switch on (Float down) Below 1 Ω

      Tech Tips

      If the switch condition is normal, adjust the brake fluid level to the MAX level.

      Result
      Result Proceed to
      OK (for 1AR-FE) A
      OK (for 2GR-FKS) B
      NG C

    B
    C
    A
  7. CHECK HARNESS AND CONNECTOR (COMBINATION METER ASSEMBLY - BRAKE MASTER CYLINDER RESERVOIR SUB-ASSEMBLY)


    1. Disconnect the F126 combination meter assembly connector.

    2. Measure the resistance according to the value(s) in the table below.

      Standard Resistance
      Tester Connection Condition Specified Condition
      F126-17 (B/LE) - A51-1 (+) Always Below 1 Ω
      F126-17 (B/LE) or A51-1 (+) - Body ground Always 10 kΩ or higher
      A51-2 (E) - Body ground Always Below 1 Ω
      Result
      Proceed to
      OK
      NG

    NG
    OK
  8. READ VALUE USING GTS (BRAKE WARNING LIGHT)


    1. Reconnect the A51 brake fluid level warning switch (brake master cylinder reservoir sub-assembly) connector.

    2. Reconnect the F126 combination meter assembly connector.

    3. Select the Data List on the GTS.

      Click here


      Chassis > ABS/VSC/TRC > Data List
      Tester Display Measurement Item Range Normal Condition Diagnostic Note
      Brake Warning Light Brake warning light ON or OFF

      ON: Warning light on

      OFF: Warning light off

      -

      Chassis > ABS/VSC/TRC > Data List
      Tester Display
      Brake Warning Light
    4. Check the GTS display condition of the brake warning light.

      Result
      Result Proceed to
      Display of the Data List remains ON. A
      Display of the Data List remains OFF. B

      Tech Tips

      If troubleshooting has been carried out according to Problem Symptoms Table, refer back to the table and proceed to the next step before replacing parts.

      Click here


    A
    B
  9. CHECK HARNESS AND CONNECTOR (COMBINATION METER ASSEMBLY - BRAKE MASTER CYLINDER RESERVOIR SUB-ASSEMBLY)


    1. Disconnect the F126 combination meter assembly connector.

    2. Measure the resistance according to the value(s) in the table below.

      Standard Resistance
      Tester Connection Condition Specified Condition
      F126-17 (B/LE) - A51-1 (+) Always Below 1 Ω
      F126-17 (B/LE) or A51-1 (+) - Body ground Always 10 kΩ or higher
      A51-2 (E) - Body ground Always Below 1 Ω
      Result
      Proceed to
      OK
      NG

    NG
    OK
  10. INSPECT VACUUM WARNING SWITCH ASSEMBLY


    1. Reconnect the A51 brake fluid level warning switch (brake master cylinder reservoir sub-assembly) connector.

    2. Reconnect the F126 combination meter assembly connector.

    3. Inspect the vacuum warning switch assembly.

      Click here

      OK
      The vacuum warning switch assembly is normal.
      Result
      Proceed to
      OK
      NG

    NG
    OK
  11. CHECK HARNESS AND CONNECTOR (COMBINATION METER ASSEMBLY - VACUUM WARNING SWITCH ASSEMBLY)


    1. Disconnect the A89 vacuum warning switch assembly connector.

    2. Disconnect the F21 combination meter assembly connector.

    3. Measure the resistance according to the value(s) in the table below.

      Standard Resistance
      Tester Connection Condition Specified Condition
      F21-12 (VCM) - A89-2 (+) Always Below 1 Ω
      F21-12 (VCM) or A89-2 (+) - Body ground Always 10 kΩ or higher
      A89-1 (E) - Body ground Always Below 1 Ω
      Result
      Proceed to
      OK
      NG

    NG
    OK
  12. READ VALUE USING GTS (BRAKE WARNING LIGHT)


    1. Reconnect the A89 vacuum warning switch assembly connector.

    2. Reconnect the F21 combination meter assembly connector.

    3. Select the Data List on the GTS.

      Click here


      Chassis > ABS/VSC/TRC > Data List
      Tester Display Measurement Item Range Normal Condition Diagnostic Note
      Brake Warning Light Brake warning light ON or OFF

      ON: Warning light on

      OFF: Warning light off

      -

      Chassis > ABS/VSC/TRC > Data List
      Tester Display
      Brake Warning Light
    4. Check the GTS display condition of the brake warning light.

      Result
      Result Proceed to
      Display of the Data List remains ON. A
      Display of the Data List remains OFF. B

      Tech Tips

      If troubleshooting has been carried out according to Problem Symptoms Table, refer back to the table and proceed to the next step before replacing parts.

      Click here


    A
    B