VEHICLE STABILITY CONTROL SYSTEM Brake Warning Light Remains ON

DESCRIPTION

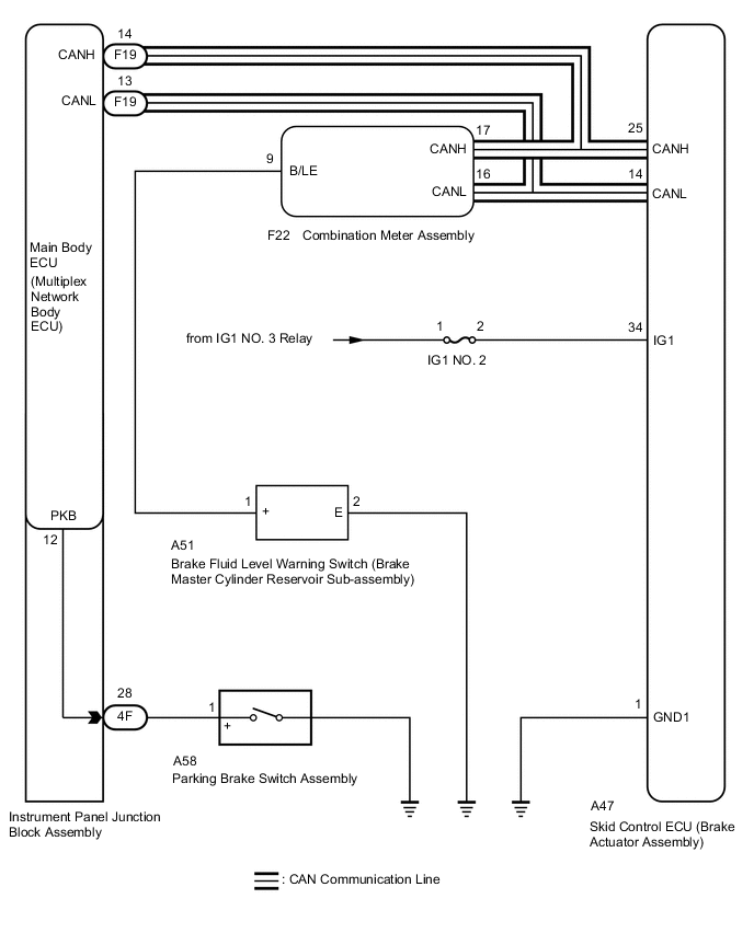
The skid control ECU (brake actuator assembly) is connected to the combination meter assembly via CAN communication.

If any of the following is detected, the brake warning light remains on:


WIRING DIAGRAM

A0027PDE07

CAUTION / NOTICE / HINT

Note


  • When replacing the skid control ECU (brake actuator assembly), perform zero point calibration and store system information.

    Click here

  • Inspect the fuses for circuits related to this system before performing the following procedure.

  • If the main body ECU (multiplex network body ECU) is replaced, refer to Service Bulletin (w/ smart entry and start system).

PROCEDURE


  1. CHECK CAN COMMUNICATION SYSTEM


    1. Check if CAN communication system DTCs are output.

      Click here

      Result
      Result Proceed to
      DTCs are not output. A
      DTCs are output. B

    B
    A
  2. CHECK IF BRAKE ACTUATOR ASSEMBLY CONNECTOR IS SECURELY CONNECTED


    1. Check if the skid control ECU (brake actuator assembly) connector is securely connected.

      OK
      The connector is securely connected.
      Result
      Proceed to
      OK
      NG

    NG
    OK
  3. CHECK BATTERY


    1. Check the battery voltage.

      Standard Voltage
      Tester Connection Condition Specified Condition
      Battery Always 11 to 14 V
      Result
      Proceed to
      OK
      NG

    NG
    OK
  4. CHECK HARNESS AND CONNECTOR (IG1 TERMINAL)


    1. A002C19C81
      *a

      Front view of wire harness connector

      (to Skid Control ECU (Brake Actuator Assembly))

      Disconnect the A47 skid control ECU (brake actuator assembly) connector.

    2. Measure the voltage according to the value(s) in the table below.

      Standard Voltage
      Tester Connection Condition Specified Condition
      A47-34 (IG1) - Body ground Ignition switch ON 11 to 14 V
      A47-34 (IG1) - A47-1 (GND1) Ignition switch ON 11 to 14 V
      Result
      Proceed to
      OK
      NG

    NG
    OK
  5. CHECK HARNESS AND CONNECTOR (GND1 TERMINAL)


    1. A002C19C82
      *a

      Front view of wire harness connector

      (to Skid Control ECU (Brake Actuator Assembly))

      Turn the ignition switch off.

    2. Measure the resistance according to the value(s) in the table below.

      Standard Resistance
      Tester Connection Condition Specified Condition
      A47-1 (GND1) - Body ground Always Below 1 Ω
      Result
      Proceed to
      OK
      NG

    NG
    OK
  6. READ VALUE USING GTS (PARKING BRAKE SWITCH ASSEMBLY)


    1. Reconnect the A47 skid control ECU (brake actuator assembly) connector.

    2. Connect the GTS to the DLC3.

    3. Turn the ignition switch to ON.

    4. Select the Data List using the GTS.

      Click here


      Chassis > ABS/VSC/TRC > Data List
      Tester Display Measurement Item Range Normal Condition Diagnostic Note
      Parking Brake SW Parking brake switch assembly ON or OFF

      ON: Parking brake depressed

      OFF: Parking brake released

      -

      Chassis > ABS/VSC/TRC > Data List
      Tester Display
      Parking Brake SW
    5. Using the GTS, check that the switch condition displayed on the GTS changes according to the parking brake operation.

      OK
      The GTS displays ON or OFF according to parking brake operation.
      Result
      Proceed to
      OK
      NG

    NG
    OK
  7. INSPECT BRAKE MASTER CYLINDER RESERVOIR SUB-ASSEMBLY


    1. A0026U4C10
      *a

      Component without harness connected

      (Brake Fluid Level Warning Switch (Brake Master Cylinder Reservoir Sub-assembly))

      Turn the ignition switch off.

    2. Remove the reservoir filler cap and strainer.

    3. Disconnect the A51 brake fluid level warning switch (brake master cylinder reservoir sub-assembly) connector.

    4. Measure the resistance according to the value(s) in the table below.

      Tech Tips

      A float is located inside the reservoir. Its position changes according to the brake fluid level.

      Standard Resistance
      Tester Connection Condition Specified Condition
      1 (+) - 2 (E) Switch OFF (Float up) 1.9 to 2.1 kΩ
      1 (+) - 2 (E) Switch ON (Float down) Below 1 Ω

      Tech Tips

      If the switch condition is normal, adjust the brake fluid level to the MAX level.

      Result
      Proceed to
      OK
      NG

    NG
    OK
  8. CHECK HARNESS AND CONNECTOR (COMBINATION METER ASSEMBLY - BRAKE MASTER CYLINDER RESERVOIR SUB-ASSEMBLY)


    1. Disconnect the F22 combination meter assembly connector.

    2. Measure the resistance according to the value(s) in the table below.

      Standard Resistance
      Tester Connection Condition Specified Condition
      F22-9 (B/LE) - A51-1 (+) Always Below 1 Ω
      F22-9 (B/LE) or A51-1 (+) - Body ground Always 10 kΩ or higher
      A51-2 (E) - Body ground Always Below 1 Ω
      Result
      Proceed to
      OK
      NG

    NG
    OK
  9. READ VALUE USING GTS (BRAKE WARNING LIGHT)


    1. Reconnect the A51 brake fluid level warning switch (brake master cylinder reservoir sub-assembly) connector.

    2. Reconnect the F22 combination meter assembly connector.

    3. Select the Data List on the GTS.

      Click here


      Chassis > ABS/VSC/TRC > Data List
      Tester Display Measurement Item Range Normal Condition Diagnostic Note
      Brake Warning Light Brake warning light ON or OFF

      ON: Warning light on

      OFF: Warning light off

      -

      Chassis > ABS/VSC/TRC > Data List
      Tester Display
      Brake Warning Light
    4. Check the GTS display condition of the brake warning light.

      Result
      Result Proceed to
      Display of the Data List remains ON. A
      Display of the Data List remains OFF. B

      Tech Tips

      If troubleshooting has been carried out according to Problem Symptoms Table, refer back to the table and proceed to the next step before replacing parts.

      Click here


    A
    B
  10. INSPECT PARKING BRAKE SWITCH ASSEMBLY


    1. A00294ZC09
      *a

      Component without harness connected

      (Parking Brake Switch Assembly)

      Turn the ignition switch off.

    2. Disconnect the A58 parking brake switch assembly connector.

    3. Measure the resistance according to the value(s) in the table below.

      Standard Resistance
      Tester Connection Condition Specified Condition
      1 (+) - Body ground

      Switch ON

      (Switch pin free)

      Below 1 Ω
      1 (+) - Body ground

      Switch OFF

      (Switch pin pushed in)

      10 kΩ or higher
      Result
      Proceed to
      OK
      NG

    NG
    OK
  11. CHECK HARNESS AND CONNECTOR (MAIN BODY ECU (MULTIPLEX NETWORK BODY ECU) - PARKING BRAKE SWITCH ASSEMBLY)


    1. Disconnect the 4F instrument panel junction block assembly connector.

    2. Measure the resistance according to the value(s) in the table below.

      Standard Resistance
      Tester Connection Condition Specified Condition
      4F-28 - A58-1 (+) Always Below 1 Ω
      4F-28 or A58-1 (+) - Body ground Always 10 kΩ or higher
      Result
      Proceed to
      OK
      NG

    NG
    OK
  12. INSPECT INSTRUMENT PANEL JUNCTION BLOCK ASSEMBLY


    1. Remove the main body ECU (multiplex network body ECU) from the instrument panel junction block assembly.

      A0028TZE01
    2. Measure the resistance according to the value(s) in the table below.

      Standard Resistance
      Tester Connection Condition Specified Condition
      4F-28 - 12 (PKB) Always Below 1 Ω
      4F-28 or 12 (PKB) - Body ground Always 10 kΩ or higher

      Tech Tips

      If troubleshooting has been carried out according to Problem Symptoms Table, refer back to the table and proceed to the next step before replacing the parts.

      Click here

      Result
      Proceed to
      OK
      NG

    OK
    NG