VEHICLE STABILITY CONTROL SYSTEM, Diagnostic DTC:C1415, C1416

DTC Code DTC Name
C1415 Rear Speed Sensor RH Output Malfunction
C1416 Rear Speed Sensor LH Output Malfunction

DESCRIPTION

Each speed sensor detects wheel speed and sends signals to the skid control ECU (brake actuator assembly). These signals are used by the ABS.

The speed sensor rotors have rows of alternating N and S magnetic poles.

Hall IC type speed sensors use the frequency of output pulses to detect the vehicle speed. Because the sensor outputs digital pulses, it can detect the vehicle speed even when the vehicle is nearly stationary.

A002C26E04

Tech Tips

Check the connection status between the sensor connector and the vehicle wire harness.

DTC No. Detection Item DTC Detection Condition Trouble Area
C1415 Rear Speed Sensor RH Output Malfunction

Any of the following is detected:


  1. An open in the sensor signal circuit of a malfunctioning area occurs 255 times or more.

  2. At a vehicle speed of 20 km/h (12 mph) or more, noise occurs in the sensor signals of a malfunctioning wheel 75 times or more within 5 seconds.

  3. At a vehicle speed of 10 km/h (6 mph) or more, noise occurs once per rotor rotation for 15 seconds or more.


  • Sensor installation

  • for 2WD: Rear speed sensor RH (rear axle hub and bearing assembly RH)

  • for AWD: Rear speed sensor RH

  • Rear speed sensor rotor RH (rear axle hub and bearing assembly RH)

  • Speed sensor circuit

  • Skid control ECU (brake actuator assembly)

C1416 Rear Speed Sensor LH Output Malfunction

Any of the following is detected:


  1. An open in the sensor signal circuit of a malfunctioning area occurs 255 times or more.

  2. At a vehicle speed of 20 km/h (12 mph) or more, noise occurs in the sensor signals of a malfunctioning wheel 75 times or more within 5 seconds.

  3. At a vehicle speed of 10 km/h (6 mph) or more, noise occurs once per rotor rotation for 15 seconds or more.


  • Sensor installation

  • for 2WD: Rear speed sensor LH (rear axle hub and bearing assembly LH)

  • for AWD: Rear speed sensor LH

  • Rear speed sensor rotor LH (rear axle hub and bearing assembly LH)

  • Speed sensor circuit

  • Skid control ECU (brake actuator assembly)

Tech Tips

for C1415 and C1416: Even after the trouble areas are repaired, the ABS warning light will not go off unless the following operations are performed.


  1. Drive the vehicle at 30 km/h (19 mph) for 30 seconds or more and check that the ABS warning light goes off.

  2. Clear the DTCs.

DTC C1415 is for the rear speed sensor RH.

DTC C1416 is for the rear speed sensor LH.

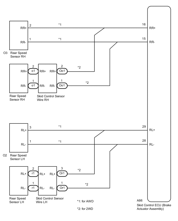
WIRING DIAGRAM

A00285CE20

CAUTION / NOTICE / HINT

Note

When replacing the skid control ECU (brake actuator assembly), perform zero point calibration and store system information.

Click here

PROCEDURE


  1. CHECK HARNESS AND CONNECTOR (MOMENTARY INTERRUPTION)


    1. Using the GTS, check for any momentary interruption in the wire harness and connector corresponding to a DTC.

      Click here


      Chassis > ABS/VSC/TRC > Data List
      Tester Display Measurement Item Range Normal Condition Diagnostic Note
      RR Speed Open Rear speed sensor RH open detection Error or Normal

      Error: Momentary interruption

      Normal: Normal

      -
      RL Speed Open Rear speed sensor LH open detection Error or Normal

      Error: Momentary interruption

      Normal: Normal

      -

      Chassis > ABS/VSC/TRC > Data List
      Tester Display
      RR Speed Open
      RL Speed Open
      OK
      There are no momentary interruptions.

      Tech Tips

      Perform the above inspection before removing the sensor and connector.

      Result
      Result Proceed to
      OK A
      NG (for 2WD) B
      NG (for AWD) C

    B
    C
    A
  2. READ VALUE USING GTS (REAR SPEED SENSOR)


    1. Turn the ignition switch off.

    2. Connect the GTS to the DLC3.

    3. Start the engine.

    4. Select the Data List using the GTS.

      Click here


      Chassis > ABS/VSC/TRC > Data List
      Tester Display Measurement Item Range Normal Condition Diagnostic Note
      RR Wheel Speed Rear wheel speed sensor RH reading Min.: 0 km/h (0 mph), Max.: 326 km/h (202 mph) Vehicle stopped: 0 km/h (0 mph) When driving at constant speed: No large fluctuations
      RL Wheel Speed Rear wheel speed sensor LH reading Min.: 0 km/h (0 mph), Max.: 326 km/h (202 mph) Vehicle stopped: 0 km/h (0 mph) When driving at constant speed: No large fluctuations

      Chassis > ABS/VSC/TRC > Data List
      Tester Display
      RR Wheel Speed
      RL Wheel Speed
    5. Check the speed value output from the speed sensor displayed on the GTS.

      Tech Tips

      Factors that affect the indicated vehicle speed include tire size, tire pressure, and tire wear. The speed indicated on the speedometer has an allowable margin of error. This can be tested using a speedometer tester (calibrated chassis dynamometer). For details about testing and the margin of error, see the reference chart.

      Click here

      OK
      The speed value output from the speed sensor displayed on the GTS is similar to the speed indicated on the speedometer.
      Result
      Result Proceed to
      OK A
      NG (for 2WD) B
      NG (for AWD) C

    B
    C
    A
  3. RECONFIRM DTC


    1. Turn the ignition switch off.

    2. Clear the DTCs.

      Click here


      Chassis > ABS/VSC/TRC > Clear DTCs
    3. Turn the ignition switch off.

    4. Start the engine.

    5. Perform a road test.

    6. Check if the same DTC is output.

      Click here


      Chassis > ABS/VSC/TRC > Trouble Codes
      Result
      Result Proceed to
      DTCs C1415 and C1416 are not output. A
      DTCs C1415 and/or C1416 are output. B

      Tech Tips

      If troubleshooting has been carried out according to Problem Symptoms Table, refer back to the table and proceed to the next step before replacing parts.

      Click here


    A
    B
  4. CHECK REAR SPEED SENSOR INSTALLATION


    1. A002CE3C07
      *1 Rear Speed Sensor
      *a Correct
      *b Incorrect
      *c No clearance

      Check the speed sensor installation.

      OK
      There is no clearance between the sensor and the rear axle carrier.
      Result
      Proceed to
      OK
      NG

    NG
    OK
  5. INSPECT SKID CONTROL SENSOR WIRE


    1. A002970C01
      *A RH
      *B LH
      *a Front view of Skid Control Sensor Wire
      *b

      Front view of wire harness connector

      (to Sensor Side Connector)

      *c

      Front view of wire harness connector

      (to Vehicle Side Connector)

      Turn the ignition switch off.

    2. Make sure that there is no looseness at the locking part and the connecting part of the connectors.

    3. Remove the skid control sensor wire.

    4. Measure the resistance according to the value(s) in the table below.

      Standard Resistance
      for RH
      Tester Connection Condition Specified Condition
      o1-2 (RR+) - Oo1-2 (RR+) Always Below 1 Ω
      o1-2 (RR+) - Oo1-1 (RR-) Always 10 kΩ or higher
      o1-2 (RR+) or Oo1-2 (RR+) - Body ground Always 10 kΩ or higher
      o1-1 (RR-) - Oo1-1 (RR-) Always Below 1 Ω
      o1-1 (RR-) - Oo1-2 (RR+) Always 10 kΩ or higher
      o1-1 (RR-) or Oo1-1 (RR-) - Body ground Always 10 kΩ or higher
      for LH
      Tester Connection Condition Specified Condition
      r1-2 (RL+) - Or1-3 (RL+) Always Below 1 Ω
      r1-2 (RL+) - Or1-1 (RL-) Always 10 kΩ or higher
      r1-2 (RL+) or Or1-3 (RL+) - Body ground Always 10 kΩ or higher
      r1-1 (RL-) - Or1-1 (RL-) Always Below 1 Ω
      r1-1 (RL-) - Or1-3 (RL+) Always 10 kΩ or higher
      r1-1 (RL-) or Or1-1 (RL-) - Body ground Always 10 kΩ or higher

      Note

      Check the speed sensor signal after replacement.

      Click here

      Result
      Proceed to
      OK
      NG

    NG
    OK
  6. CHECK HARNESS AND CONNECTOR (BRAKE ACTUATOR ASSEMBLY - SKID CONTROL SENSOR WIRE)


    1. Make sure that there is no looseness at the locking part and the connecting part of the connector.

    2. Disconnect the A86 skid control ECU (brake actuator assembly) connector.

    3. Measure the resistance according to the value(s) in the table below.

      Standard Resistance
      for RH
      Tester Connection Condition Specified Condition
      A86-16 (RR+) - Oo1-2 (RR+) Always Below 1 Ω
      A86-16 (RR+) or Oo1-2 (RR+) - Body ground Always 10 kΩ or higher
      A86-15 (RR-) - Oo1-1 (RR-) Always Below 1 Ω
      A86-15 (RR-) or Oo1-1 (RR-) - Body ground Always 10 kΩ or higher
      for LH
      Tester Connection Condition Specified Condition
      A86-29 (RL+) - Or1-3 (RL+) Always Below 1 Ω
      A86-29 (RL+) or Or1-3 (RL+) - Body ground Always 10 kΩ or higher
      A86-28 (RL-) - Or1-1 (RL-) Always Below 1 Ω
      A86-28 (RL-) or Or1-1 (RL-) - Body ground Always 10 kΩ or higher
      Result
      Proceed to
      OK
      NG

    NG
    OK
  7. INSPECT BRAKE ACTUATOR ASSEMBLY (SENSOR INPUT)


    1. A002BQ6C05
      *A RH
      *B LH
      *a

      Front view of wire harness connector

      (to Skid Control Sensor Wire)

      Reconnect the A86 skid control ECU (brake actuator assembly) connector.

    2. Turn the ignition switch to ON.

    3. Measure the voltage according to the value(s) in the table below.

      Standard Voltage
      for RH
      Tester Connection Condition Specified Condition
      Oo1-2 (RR+) - Body ground Ignition switch ON 5.7 to 14 V
      for LH
      Tester Connection Condition Specified Condition
      Or1-3 (RL+) - Body ground Ignition switch ON 5.7 to 14 V

      Note

      Check the speed sensor signal after replacement.

      Click here

      Tech Tips


      • for 2WD: The rear speed sensor rotor and rear speed sensor are incorporated into the rear axle hub and bearing assembly.

        If the rear speed sensor rotor needs to be replaced, replace the rear axle hub and bearing assembly with rear speed sensor.

      • If troubleshooting has been carried out according to Problem Symptoms Table, refer back to the table and proceed to the next step before replacing parts.

        Click here

      Result
      Proceed to
      OK
      NG

    OK
    NG
  8. CHECK REAR SPEED SENSOR INSTALLATION


    1. A002B8KC10
      *1 Rear Speed Sensor
      *a Correct
      *b Incorrect
      *c 8.5 N*m
      *d No clearance

      Check the speed sensor installation.

      OK
      There is no clearance between the sensor and the rear axle carrier.
      The installation bolt is tightened properly.
      Torque
      8.5 N*m (87 kgf*cm, 75 in.*lbf)
      Result
      Proceed to
      OK
      NG

    NG
    OK
  9. CHECK REAR SPEED SENSOR AND SENSOR ROTOR


    1. Remove the rear speed sensor and the component with the sensor rotor.

      for speed sensor: Click here

      for sensor rotor: Click here

    2. Check the speed sensor tip and speed sensor rotor.

      OK
      No scratches, oil, or foreign matter on the sensor tip and rotor.

      Note


      • If no damage to the speed sensor tip is found during this inspection, do not replace the speed sensor.

        If there are any ferrous metal filings stuck to the rotor, this will result in a malfunction, so confirm that the rotor is not contaminated with foreign matter before replacing the sensor.

      • Check the speed sensor signal after cleaning or replacement.

        Click here

      Result
      Proceed to
      OK
      NG

    NG
    OK
  10. CHECK HARNESS AND CONNECTOR (BRAKE ACTUATOR ASSEMBLY - REAR SPEED SENSOR)


    1. Install the rear speed sensor and the component with the sensor rotor.

    2. Make sure that there is no looseness at the locking part and the connecting part of the connectors.

    3. Disconnect the A86 skid control ECU (brake actuator assembly) connector.

    4. Disconnect the O3 or O2 rear speed sensor connector.

    5. Measure the resistance according to the value(s) in the table below.

      Standard Resistance
      for RH
      Tester Connection Condition Specified Condition
      A86-16 (RR+) - O3-2 (RR+) Always Below 1 Ω
      A86-16 (RR+) or O3-2 (RR+) - Body ground Always 10 kΩ or higher
      A86-15 (RR-) - O3-1 (RR-) Always Below 1 Ω
      A86-15 (RR-) or O3-1 (RR-) - Body ground Always 10 kΩ or higher
      for LH
      Tester Connection Condition Specified Condition
      A86-29 (RL+) - O2-3 (RL+) Always Below 1 Ω
      A86-29 (RL+) or O2-3 (RL+) - Body ground Always 10 kΩ or higher
      A86-28 (RL-) - O2-1 (RL-) Always Below 1 Ω
      A86-28 (RL-) or O2-1 (RL-) - Body ground Always 10 kΩ or higher
      Result
      Proceed to
      OK
      NG

    NG
    OK
  11. INSPECT BRAKE ACTUATOR ASSEMBLY (SENSOR INPUT)


    1. A002BQ6C04
      *A RH
      *B LH
      *a

      Front view of wire harness connector

      (to Rear Speed Sensor)

      Reconnect the A86 skid control ECU (brake actuator assembly) connector.

    2. Turn the ignition switch to ON.

    3. Measure the voltage according to the value(s) in the table below.

      Standard Voltage
      for RH
      Tester Connection Condition Specified Condition
      O3-2 (RR+) - Body ground Ignition switch ON 5.7 to 14 V
      for LH
      Tester Connection Condition Specified Condition
      O2-3 (RL+) - Body ground Ignition switch ON 5.7 to 14 V

      Note

      Check the speed sensor signal after replacement.

      Click here

      Tech Tips

      If troubleshooting has been carried out according to Problem Symptoms Table, refer back to the table and proceed to the next step before replacing parts.

      Click here

      Result
      Proceed to
      OK
      NG

    OK
    NG