DYNAMIC TORQUE CONTROL 4WD/AWD SYSTEM TEST MODE PROCEDURE


  1. DESCRIPTION

    Tech Tips

    When using a chassis dynamometer, brake tester, etc. to perform a vehicle test, activate test mode to avoid a "different tire diameter installed" incorrect judgment. Test mode does not have an AWD parameter. Test mode is activated because it will prohibit a different tire diameter judgment.

    Control Status AWD Control Status
    During test mode Different tire diameter malfunction judgment (detection that tire diameter of all wheels are not same) is not performed. Other than above item, normal control is performed.
  2. ACTIVATE TEST MODE

    Tech Tips

    Activate test mode before using a chassis dynamometer, brake tester, etc. to perform a vehicle test.


    1. Check that the ignition switch is off.

    2. Use the following method to change the 4WD ECU assembly to test mode.


      1. Test mode activation by shorting the TS terminal.


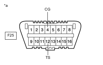
        1. B003YXPC01
          *a Front view of DLC3
        2. Turn the ignition switch off.

        3. Using SST, connect terminals TS and CG of the DLC3.

        4. Turn the ignition switch to ON to activate test mode.

        SST
        09843-18040

        Note


        • When the ignition switch is turned from off to ON, the master warning light and AWD lock mode indicator light will illuminate for 4 seconds. Then it will turn off.

        • If the dynamic torque control 4WD/AWD system is malfunctioning, "CHECK AWD SYSTEM" is displayed on the multi-information display.

    3. B003ZO4C01
      *A Multi-information Display (Color Type)
      *B Multi-information Display (Monochrome Type)

      Check that "AWD TEST MODE" is displayed on the multi-information display.

    4. Start the engine.

  3. END OF TEST MODE


    1. Turn the ignition switch off.

    2. Disconnect SST from terminals TS and CG of the DLC3 connector.

      SST
      09843-18040
    3. Turn the ignition switch to ON to cancel Test Mode.

      Tech Tips

      If the ignition switch is not turned off and back ON after SST is removed from the DLC3, the previous Test Mode will continue.