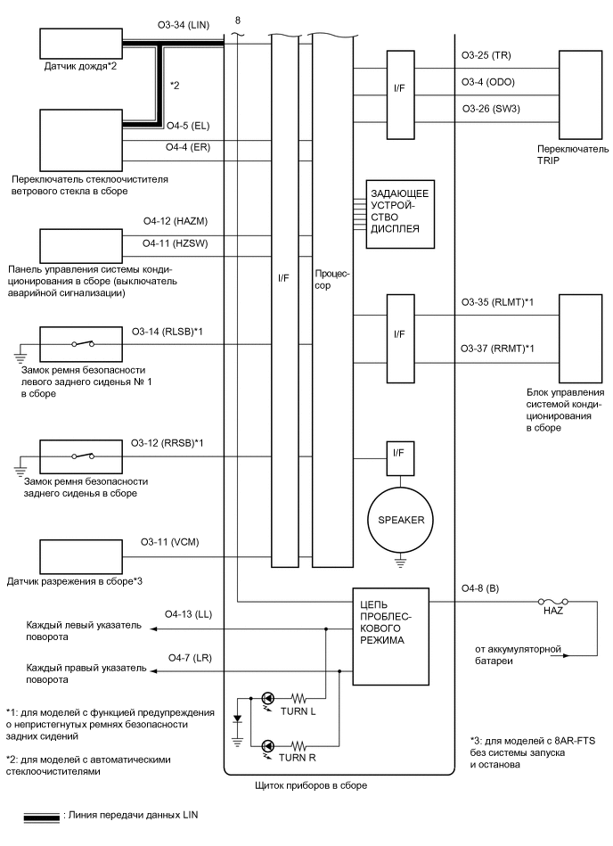
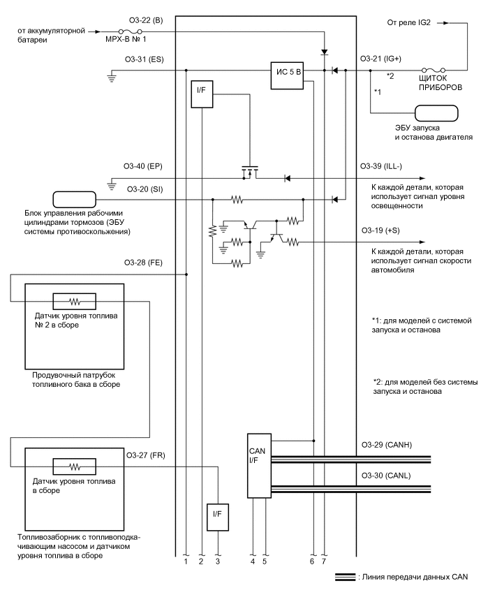
СИСТЕМА ИЗМЕРИТЕЛЬНЫХ ПРИБОРОВ И ИНДИКАТОРОВ СХЕМА СИСТЕМЫ


  1. A01VR5BE03
    A01VSX1E02
    A01VT17E02