СИСТЕМА НАВИГАЦИИ Цепь питания приемника системы навигации в сборе

ОПИСАНИЕ

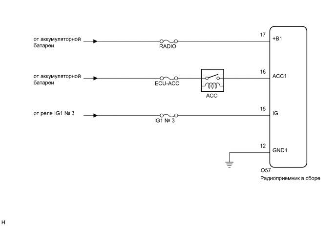
Эта цепь представляет собой цепь питания для радиоприемника в сборе.

СХЕМА ЭЛЕКТРИЧЕСКИХ СОЕДИНЕНИЙ

A01R6IBE04

ПРЕДОСТЕРЕЖЕНИЕ / ПРИМЕЧАНИЕ / УКАЗАНИЕ

Note

Перед выполнением последующей процедуры проверки проверьте плавкие предохранители цепей, относящихся к данной системе.

ПОРЯДОК ВЫПОЛНЕНИЯ


  1. ПРОВЕРЬТЕ ЖГУТ ПРОВОДОВ И РАЗЪЕМ (ЦЕПЬ ПИТАНИЯ РАДИОПРИЕМНИКА В СБОРЕ)


    1. Отсоедините разъем О57 радиоприемника в сборе.

    2. Измерьте сопротивление в соответствии со значениями, приведенными в таблице ниже.

      Номинальное сопротивление
      Подключение диагностического прибора Условие Заданные условия
      O57-12 (GND1) - масса Всегда Менее 1 Ом
    3. Измерьте напряжение в соответствии со значениями, приведенными в таблице.

      Номинальное напряжение
      Подключение диагностического прибора Условие Заданные условия
      O57-17 (+B1) - O57-12 (GND1) Всегда 11—14 В
      O57-16 (ACC1) - O57-12 (GND1) Выключатель зажигания в положении ACC 11—14 В
      O57-15 (IG) - O57-12 (GND1) Питание включено (IG) 11—14 В
      Результат
      Следующий шаг
      OK
      NG

    OK
    NG