АУДИОВИЗУАЛЬНАЯ СИСТЕМА (для моделей без сенсорного пульта дистанционного управления), Diagnostic DTC:B15D6

Код DTC Наименование DTC
B15D6 Дисплей отсоединен

ОПИСАНИЕ

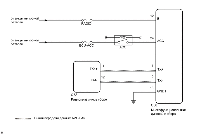
Многофункциональный дисплей в сборе и радиоприемник в сборе связаны друг с другом шиной передачи данных AVC-LAN.

Этот код DTC регистрируется при обнаружении ошибки передачи данных по линии AVC-LAN между многофункциональным дисплеем в сборе и радиоприемником в сборе.

№ DTC Неисправность Условие обнаружения DTC Неисправный участок
B15D6 Дисплей отсоединен Устройство, указанное в списке устройств, подключенных к шине AVC-LAN, для ведущего устройства, отсутствует.
  • Цепь питания многофункционального дисплея в сборе

  • Цепь AVC-LAN между радиоприемником в сборе и многофункциональным дисплеем в сборе

  • Многофункциональный дисплей в сборе

  • Радиоприемник в сборе

  • Жгут или разъем

Tech Tips

Радиоприемник в сборе является ведущим устройством.

СХЕМА ЭЛЕКТРИЧЕСКИХ СОЕДИНЕНИЙ

A01F83JE09

ПРЕДОСТЕРЕЖЕНИЕ / ПРИМЕЧАНИЕ / УКАЗАНИЕ

Note

Перед выполнением последующей процедуры проверки проверьте плавкие предохранители цепей, относящихся к данной системе.

ПОРЯДОК ВЫПОЛНЕНИЯ


  1. ПРОВЕРЬТЕ НАЛИЧИЕ ДОПОЛНИТЕЛЬНЫХ УСТРОЙСТВ (ВКЛЮЧАЯ СООТВЕТСТВУЮЩУЮ ПРОВОДКУ)


    1. Проверьте наличие дополнительных устройств.


      1. Убедитесь, что не установлены дополнительные устройства (включая соответствующую проводку), генерирующие радиосигналы.

        Результат
        Результат Перейти к
        Дополнительные устройства (включая соответствующую проводку) установлены. А
        Дополнительные устройства (включая соответствующую проводку) не установлены. B

        Tech Tips


        • Электрические помехи от радиосигналов, генерируемых дополнительными устройствами или проводкой, могут влиять на передачу данных AVC-LAN.

        • Данный DTC может регистрироваться в случае ошибки передачи данных AVC-LAN вследствие электрических помех.


    B
    А
  2. УДАЛИТЕ ДОПОЛНИТЕЛЬНЫЕ УСТРОЙСТВА (ВКЛЮЧАЯ СООТВЕТСТВУЮЩУЮ ПРОВОДКУ)


    1. Удалите дополнительные устройства (включая соответствующую проводку).

      Note

      Не удаляйте дополнительные устройства или соответствующую проводку без разрешения клиента.

      Результат
      Перейти к
      ДАЛЕЕ

    ДАЛЕЕ
  3. ПРОВЕРЬТЕ DTC


    1. Удалите коды DTC.

      Нажмите здесь Click here


      Body Electrical > Navigation System > Clear DTCs
    2. Повторно проверьте коды DTC и убедитесь, что они не выводятся.


      Body Electrical > Navigation System > Trouble Codes
      OK
      Коды DTC не выводятся.
      Результат
      Следующий шаг
      OK
      NG

    OK
    NG
  4. ПРОВЕРЬТЕ ЖГУТ ПРОВОДОВ И РАЗЪЕМ (ПИТАНИЕ МНОГОФУНКЦИОНАЛЬНОГО ДИСПЛЕЯ)


    1. Отсоедините разъем O60 многофункционального дисплея в сборе.

    2. Измерьте сопротивление в соответствии со значениями, приведенными в таблице ниже.

      Номинальное сопротивление
      Подключение диагностического прибора Условие Заданные условия
      O60-13 (GND1) - масса Всегда Менее 1 Ом
    3. Измерьте напряжение в соответствии со значениями, приведенными в таблице.

      Номинальное напряжение
      Подключение диагностического прибора Условие Заданные условия
      O60-12 (B) - O60-13 (GND1) Всегда 11 - 14 В
      O60-24 (ACC) - O60-13 (GND1) Зажигание включено (АСС) 11 - 14 В
      Результат
      Перейти К
      OK
      NG

    NG
    OK
  5. ПРОВЕРЬТЕ ЖГУТ ПРОВОДОВ И РАЗЪЕМ (РАДИОПРИЕМНИК В СБОРЕ - МНОГОФУНКЦИОНАЛЬНЫЙ ДИСПЛЕЙ В СБОРЕ)


    1. Отсоедините разъем O72 радиоприемника.

    2. Отсоедините разъем O60 многофункционального дисплея в сборе.

    3. Измерьте сопротивление в соответствии со значениями, приведенными в таблице ниже.

      Номинальное сопротивление
      Подключение диагностического прибора Условие Заданные условия
      O72-11 (TX4+) - O60-7 (TX+) Всегда Менее 1 Ом
      O72-12 (TX4-) - O60-19 (TX-) Всегда Менее 1 Ом
      O72-11 (TX4+) - масса Всегда 10 кОм или более
      O72-12 (TX4-) - масса Всегда 10 кОм или более
      Результат
      Перейти к
      OK
      NG

    NG
    OK
  6. ЗАМЕНИТЕ МНОГОФУНКЦИОНАЛЬНЫЙ ДИСПЛЕЙ В СБОРЕ


    1. Замените многофункциональный дисплей в сборе.

      Нажмите здесь Click here

    2. Сбросьте коды DTC.

      Нажмите здесь Click here


      Body Electrical > Navigation System > Clear DTCs
    3. Повторно проверьте коды DTC и убедитесь, что они не выводятся.


      Body Electrical > Navigation System > Trouble Codes
      OK
      Коды DTC не выводятся.
      Результат
      Следующий шаг
      OK
      NG

    OK
    NG