СИСТЕМА ПРЕДУПРЕЖДЕНИЯ О НЕНАДЛЕЖАЩЕМ ДАВЛЕНИИ В ШИНАХ СХЕМА СИСТЕМЫ

A01R748E01
A01R6SAE05

Tech Tips

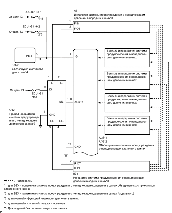
Каждый вентиль с передатчиком системы предупреждения о ненадлежащем давлении в шинах передает информацию о своем идентификаторе передатчика, давлении в шине и температуре в ЭБУ и приемник системы предупреждения о ненадлежащем давлении в шинах.

Передающий ЭБУ (передатчик) Принимающий ЭБУ Сигнал Метод передачи данных
Щиток приборов в сборе Главный ЭБУ кузова (бортовой ЭБУ сети мультиплексной связи) Сигнал скорости автомобиля Линия передачи данных CAN
Главный ЭБУ кузова (бортовой ЭБУ сети мультиплексной связи) Щиток приборов в сборе Сигнал контрольной лампы предупреждения о ненадлежащем давлении в шинах Линия передачи данных CAN