ДИНАМИЧЕСКАЯ РАДАРНАЯ СИСТЕМА КРУИЗ-КОНТРОЛЯ, Diagnostic DTC:U0235, U1104

Код DTC Наименование DTC
U0235 Нарушение связи с передним датчиком дистанции системы круиз-контроля
U1104 Нарушение связи с ЭБУ помощи при движении

ОПИСАНИЕ

ЭБУ помощи при движении передает на датчик радара миллиметрового диапазона информацию о скорости и состоянии автомобиля. В свою очередь, датчик радара миллиметрового диапазона передает информацию о расстоянии до движущихся впереди объектах и их относительной скорости на ЭБУ помощи при движении. ЭБУ помощи при движении передает эту информацию в ECM и осуществляет управление динамической радарной системой круиз-контроля.

№ DTC Неисправность Условие обнаружения DTC Неисправный участок
U0235 Нарушение связи с передним датчиком дистанции системы круиз-контроля Когда автомобиль находится в движении со скоростью не менее 36 км/час (22 мили в час) при включенном выключателе системы круиз-контроля, примерно в течение 1 с обнаруживается ошибка обмена данными между датчиком радара миллиметрового диапазона в сборе и ЭБУ помощи при движении в сборе.
  • Система передачи данных CAN

  • Датчик радара миллиметрового диапазона в сборе

  • ЭБУ помощи при движении в сборе

U1104 Нарушение связи с ЭБУ помощи при движении Когда автомобиль находится в движении со скоростью не менее 36 км/час (22 мили в час) при включенном выключателе системы круиз-контроля, примерно в течение 1 с обнаруживается ошибка обмена данными между ЭБУ помощи при движении в сборе и датчиком радара миллиметрового диапазона в сборе.
  • Система передачи данных CAN

  • Датчик радара миллиметрового диапазона в сборе

  • ЭБУ помощи при движении в сборе

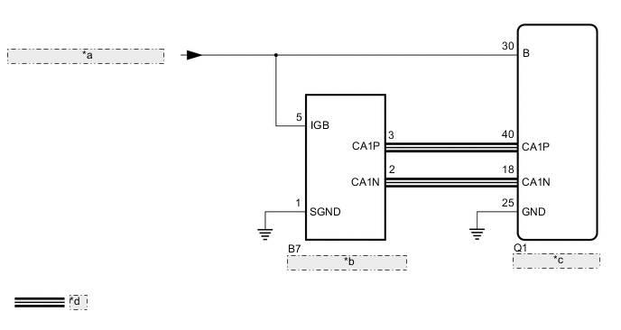
СХЕМА СОЕДИНЕНИЙ

A01VSEKE48
A01VRLNE12
для моделей с системой запуска и останова
*a от ЭБУ запуска и останова двигателя
*b Датчик радара миллиметрового диапазона в сборе
*c ЭБУ помощи при движении в сборе
*d Линия передачи данных CAN

ПРЕДОСТЕРЕЖЕНИЕ / ПРИМЕЧАНИЕ / УКАЗАНИЕ

Note

Перед выполнением последующей процедуры проверки проверьте плавкие предохранители цепей, относящихся к данной системе.

ПОРЯДОК ВЫПОЛНЕНИЯ


  1. ПРОВЕРЬТЕ ЖГУТ ПРОВОДОВ И РАЗЪЕМ (ЭБУ ПОМОЩИ ПРИ ДВИЖЕНИИ - ДАТЧИК РАДАРА МИЛЛИМЕТРОВОГО ДИАПАЗОНА В СБОРЕ)


    1. Отсоедините разъем Q1 ЭБУ помощи при движении.

    2. Отсоедините разъем B7 датчика радара миллиметрового диапазона в сборе.

    3. Измерьте сопротивление в соответствии со значениями, приведенными в таблице ниже.

      Номинальное сопротивление
      Подключение диагностического прибора Условие Заданные условия
      Q1-40 (CA1P) - B7-3 (CA1P) Всегда Менее 1 Ом
      Q1-18 (CA1N) - B7-2 (CA1N) Всегда Менее 1 Ом
      Q1-40 (CA1P) or B7-3 (CA1P) - масса Всегда 10 кОм или более
      Q1-18 (CA1N) or B7-2 (CA1N) - масса Всегда 10 кОм или более
      Результат
      Перейти к
      OK
      NG

    NG
    OK
  2. ПРОВЕРЬТЕ НАПРЯЖЕНИЕ НА КОНТАКТЕ (ПИТАНИЕ ЭБУ ПОМОЩИ ПРИ ДВИЖЕНИИ В СБОРЕ)


    1. A01VRZ1C14
      *a

      Вид спереди разъема со стороны жгута проводов:

      (к ЭБУ помощи при движении)

      Отсоедините разъем Q1 ЭБУ помощи при движении.

    2. Измерьте напряжение и сопротивление в соответствии со значениями, приведенными в таблице.

      Номинальное напряжение
      Подключение диагностического прибора Условие Заданные условия
      Q1-30 (B) - масса Зажигание включено (IG) 11-14 В
      Q1-30 (B) - масса Зажигание выключено Менее 1 В
      Номинальное сопротивление
      Подключение диагностического прибора Условие Заданные условия
      Q1-25 (GND) - масса Всегда Менее 1 Ом
      Результат
      Следующий шаг
      OK
      NG

    NG
    OK
  3. ПРОВЕРЬТЕ НАПРЯЖЕНИЕ НА КОНТАКТЕ (ПИТАНИЕ ДАТЧИКА РАДАРА МИЛЛИМЕТРОВОГО ДИАПАЗОНА В СБОРЕ)


    1. A01VTCQC63
      *a

      Вид спереди разъема со стороны жгута проводов:

      (к датчику радара миллиметрового диапазона в сборе)

      Отсоедините разъем B7 датчика радара миллиметрового диапазона в сборе.

    2. Измерьте напряжение и сопротивление в соответствии со значениями, приведенными в таблице.

      Номинальное напряжение
      Подключение диагностического прибора Условие Заданные условия
      B7-5 (IGB) - масса Зажигание включено (IG) 11 - 14 В
      B7-5 (IGB) - масса Зажигание выключено Менее 1 В
      Номинальное сопротивление
      Подключение диагностического прибора Условие Заданные условия
      B7-1 (SGND) - масса Всегда Менее 1 Ом
      Результат
      Следующий шаг
      OK
      NG

    NG
    OK
  4. ЗАМЕНИТЕ ДАТЧИК РАДАРА МИЛЛИМЕТРОВОГО ДИАПАЗОНА В СБОРЕ


    1. Замените датчик радара миллиметрового диапазона в сборе новым.

      Нажмите здесь Click here

    2. Отрегулируйте датчик радара миллиметрового диапазона в сборе.

      Нажмите здесь Click here

      Результат
      Следующий шаг
      ДАЛЕЕ

    ДАЛЕЕ
  5. ПРОВЕРЬТЕ НАЛИЧИЕ КОДОВ DTC (РАДАРНОЙ СИСТЕМЫ КРУИЗ-КОНТРОЛЯ)


    1. Удалите коды DTC.

      Нажмите здесь Click here


      Powertrain > Radar Cruise > Clear DTCs
    2. Убедитесь, что выполняются условия обнаружения DTC.

      Tech Tips

      Если условия регистрации не выполняются, система не может обнаружить неисправность.

    3. Проверьте наличие кодов DTC.

      Нажмите здесь Click here


      Powertrain > Radar Cruise > Trouble Codes

      Note

      ЭБУ помощи при движении в сборе следует заменять исключительно новым ЭБУ. Если используется ЭБУ помощи при движении в сборе с другого автомобиля, информация, хранящаяся в ЭБУ помощи при движении в сборе, не будет совпадать с информацией автомобиля. В результате может быть зарегистрирован код DTC.

      Результат
      Результат Следующий шаг
      Коды DTC U0235 и U1104 не выводятся А
      Коды DTC U0235 или U1104 выводится B

    А
    B