ИЛЛЮСТРАЦИЯ
| *1 | КОРПУС ВОЗДУШНОГО ФИЛЬТРА В СБОРЕ | *2 | КАТУШКА ЗАЖИГАНИЯ В СБОРЕ |
| *3 | ЭЛЕКТРОННЫЙ БЛОК ПРИВОДА ФОРСУНОК | *4 | КРЫШКА ДВИГАТЕЛЯ № 1 |
| *5 | ТРУБКА ЩУПА ПРОВЕРКИ УРОВНЯ МАСЛА № 2 | *6 | ТОПЛИВОПРОВОД № 2 В СБОРЕ |
| *7 | СВЕЧА ЗАЖИГАНИЯ | *8 | КОЛЬЦЕВОЕ УПЛОТНЕНИЕ |
| *9 | ЩУП ПРОВЕРКИ УРОВНЯ МАСЛА | *10 | ТОПЛИВОПРОВОД |
| *11 | ЗАЖИМ ТОПЛИВОПРОВОДА | - | - |
|
Н*м (кгс*см, фунт-сила-фут): Номинальный момент затяжки | ● | Деталь однократного применения |
ИЛЛЮСТРАЦИЯ
| *1 | КРЫШКА ГОЛОВКИ БЛОКА ЦИЛИНДРОВ В СБОРЕ | *2 | ЛЕВАЯ КРЫШКА ГОЛОВКИ БЛОКА ЦИЛИНДРОВ В СБОРЕ |
| *3 | МАСЛОПРОВОД № 1 | *4 | МАСЛОПРОВОД № 2 |
| *5 | ПРОКЛАДКА ТРУБКИ СВЕЧНОГО КОЛОДЦА | *6 | УПЛОТНИТЕЛЬНАЯ ШАЙБА КРЫШКИ ГОЛОВКИ БЛОКА ЦИЛИНДРОВ |
| *7 | ПРОКЛАДКА КРЫШКИ ГОЛОВКИ БЛОКА ЦИЛИНДРОВ | *8 | ПРОКЛАДКА |
| *9 | ПРАВЫЙ ФИЛЬТР ГИДРАВЛИЧЕСКОГО КЛАПАНА ИЗМЕНЕНИЯ ФАЗ | *10 | ЛЕВЫЙ ФИЛЬТР ГИДРАВЛИЧЕСКОГО КЛАПАНА ИЗМЕНЕНИЯ ФАЗ |
| *11 | ПРОКЛАДКА ЛЕВОЙ КРЫШКИ ГОЛОВКИ БЛОКА ЦИЛИНДРОВ | *12 | ШТУЦЕР МАСЛОПРОВОДА |
| *13 | БОЛТ ОБРАТНОГО МАСЛЯНОГО КЛАПАНА | - | - |
|
Н*м (кгс*см, фунт-сила-фут): Номинальный момент затяжки | ● | Деталь однократного применения |
|
Герметик 1324 | ★ | Деталь с предварительно нанесенным на нее покрытием |
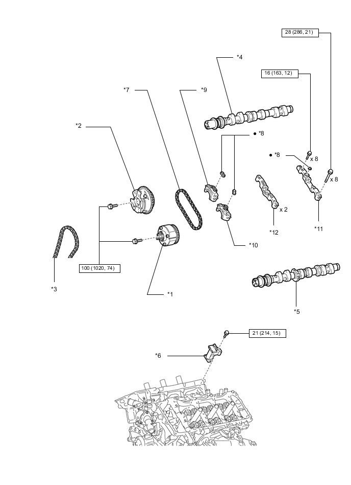
ИЛЛЮСТРАЦИЯ
| *1 | РАСПРЕДВАЛ | *2 | ПРАВОЕ ЗУБЧАТОЕ КОЛЕСО РАСПРЕДВАЛА ВЫПУСКНЫХ КЛАПАНОВ В СБОРЕ |
| *3 | ЗУБЧАТОЕ КОЛЕСО РАСПРЕДВАЛА В СБОРЕ | *4 | ЦЕПЬ ПРИВОДА ГАЗОРАСПРЕДЕЛИТЕЛЬНОГО МЕХАНИЗМА |
| *5 | НАТЯЖИТЕЛЬ ЦЕПИ № 1 В СБОРЕ | *6 | РАСПРЕДВАЛ № 2 |
| *7 | ПЛАСТИНА КРЫШКИ ЦЕПНОГО ПРИВОДА ГАЗОРАСПРЕДЕЛИТЕЛЬНОГО МЕХАНИЗМА | *8 | НАТЯЖИТЕЛЬ ЦЕПИ № 2 В СБОРЕ |
| *9 | ЦЕПЬ № 2 В СБОРЕ | *10 | ПРОКЛАДКА |
| *11 | КРЫШКА ПОДШИПНИКА РАСПРЕДВАЛА № 1 | *12 | КРЫШКА ПОДШИПНИКА РАСПРЕДВАЛА № 2 |
| *13 | КРЫШКА ПОДШИПНИКА РАСПРЕДЕЛИТЕЛЬНОГО ВАЛА № 5 | *14 | КРЫШКА ПОДШИПНИКА РАСПРЕДЕЛИТЕЛЬНОГО ВАЛА № 6 |
| *15 | КРЫШКА ПОДШИПНИКА РАСПРЕДЕЛИТЕЛЬНОГО ВАЛА № 7 | - | - |
|
Н*м (кгс*см, фунт-сила-фут): Номинальный момент затяжки | ● | Деталь однократного применения |
ИЛЛЮСТРАЦИЯ
| *1 | ЛЕВОЕ ЗУБЧАТОЕ КОЛЕСО РАСПРЕДВАЛА ВЫПУСКНЫХ КЛАПАНОВ В СБОРЕ | *2 | ЗУБЧАТОЕ КОЛЕСО РАСПРЕДВАЛА В СБОРЕ |
| *3 | ЦЕПЬ ПРИВОДА ГАЗОРАСПРЕДЕЛИТЕЛЬНОГО МЕХАНИЗМА | *4 | РАСПРЕДЕЛИТЕЛЬНЫЙ ВАЛ № 3 |
| *5 | РАСПРЕДЕЛИТЕЛЬНЫЙ ВАЛ № 4 | *6 | НАТЯЖИТЕЛЬ ЦЕПИ № 3 В СБОРЕ |
| *7 | ЦЕПЬ № 2 В СБОРЕ | *8 | ПРОКЛАДКА |
| *9 | КРЫШКА ПОДШИПНИКА РАСПРЕДВАЛА № 3 | *10 | КРЫШКА ПОДШИПНИКА РАСПРЕДЕЛИТЕЛЬНОГО ВАЛА № 4 |
| *11 | КРЫШКА ПОДШИПНИКА РАСПРЕДЕЛИТЕЛЬНОГО ВАЛА № 7 | *12 | КРЫШКА ПОДШИПНИКА РАСПРЕДЕЛИТЕЛЬНОГО ВАЛА № 8 |
|
Н*м (кгс*см, фунт-сила-фут): Номинальный момент затяжки | ● | Деталь однократного применения |