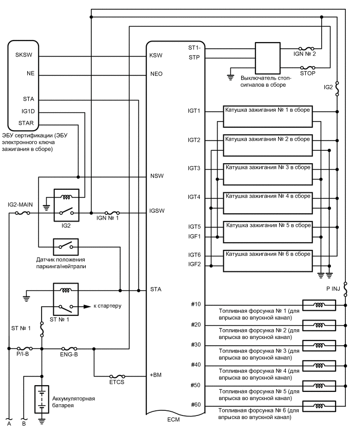
СИСТЕМА SFI (для моделей с модулем насоса адсорбера) СХЕМА СИСТЕМЫ

A01R7L8E05
A01R3FVE04
A01R4J7E05
A01R5TJE02
A01R5MUE02
A01R7EGE03