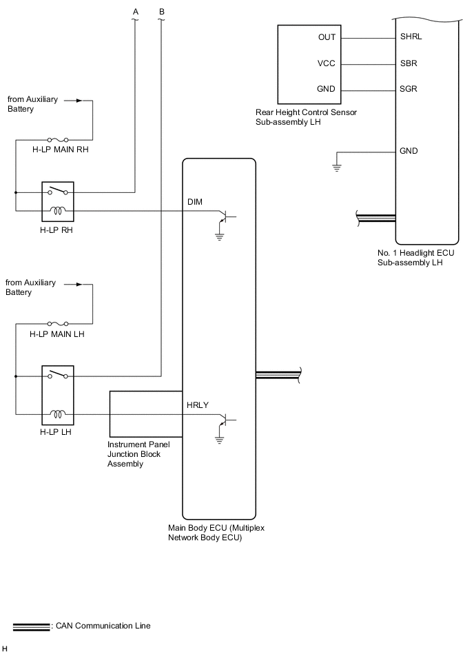
AUTOMATIC HEADLIGHT BEAM LEVEL CONTROL SYSTEM SYSTEM DIAGRAM

A0022X5E02
A0021D8E04

  1. HEADLIGHT ASSEMBLY CIRCUIT (for Bulb Type Turn Signal Light)

    A00217UE02
  2. HEADLIGHT ASSEMBLY CIRCUIT (for LED Type Turn Signal Light)

    A0020ASE01