LIGHTING SYSTEM Back-up Light Circuit

DESCRIPTION

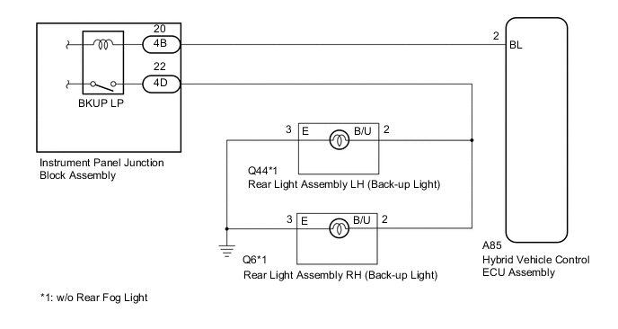
The hybrid vehicle control ECU assembly controls the back-up lights via the BKUP LP relay.

WIRING DIAGRAM

A0021GUE12

CAUTION / NOTICE / HINT

Note

Inspect the fuses and bulbs for circuits related to this system before performing the following inspection procedure.

PROCEDURE


  1. CHECK FOR DTC (HYBRID CONTROL SYSTEM)


    1. Clear the DTCs.

      Click here


      Powertrain > Hybrid Control > Clear DTCs
    2. Check for DTCs.

      Click here


      Powertrain > Hybrid Control > Trouble Codes
      Result
      Result Proceed to
      Hybrid control system DTCs are not output. A
      Hybrid control system DTCs are output. B

    B
    A
  2. CHECK HARNESS AND CONNECTOR (INSTRUMENT PANEL JUNCTION BLOCK ASSEMBLY - HYBRID VEHICLE CONTROL ECU ASSEMBLY)


    1. Disconnect the 4B instrument panel junction block assembly connector.

    2. Disconnect the A85 hybrid vehicle control ECU assembly connector.

    3. Measure the resistance according to the value(s) in the table below.

      Standard Resistance
      Tester Connection Condition Specified Condition
      4B-20 - A85-2 (BL) Always Below 1 Ω
      4B-20 - Body ground Always 10 kΩ or higher
      Result
      Proceed to
      OK
      NG

    NG
    OK
  3. CHECK HYBRID VEHICLE CONTROL ECU ASSEMBLY (OUTPUT VOLTAGE)


    1. Reconnect the A85 hybrid vehicle control ECU assembly connector.

    2. A0021KLC01
      *a

      Component with wire harness connected

      (Instrument Panel Junction Block Assembly)

      Reconnect the 4B instrument panel junction block assembly connector.

    3. Measure the voltage according to the value(s) in the table below.

      Standard Voltage
      Tester Connection Condition Specified Condition
      4B-20 - Body ground Power switch on (IG), shift lever not in R Below 1 V
      4B-20 - Body ground Power switch on (IG), shift lever in R 11 to 14 V
      Result
      Proceed to
      OK
      NG

    NG
    OK
  4. INSPECT INSTRUMENT PANEL JUNCTION BLOCK ASSEMBLY (OUTPUT VOLTAGE)


    1. A00236BC01
      *a

      Component with wire harness connected

      (Instrument Panel Junction Block Assembly)

      Measure the voltage according to the value(s) in the table below.

      Standard Voltage
      Tester Connection Condition Specified Condition
      4D-22 - Body ground Power switch on (IG), shift lever not in R Below 1 V
      4D-22 - Body ground Power switch on (IG), shift lever in R 11 to 14 V
      Result
      Proceed to
      OK
      NG

    OK
    NG