CAN COMMUNICATION SYSTEM Open in Bus 5 Main Bus Line

DESCRIPTION

There may be an open circuit in one of the CAN main bus lines when the resistance between terminals 15 (CA5H) and 16 (CA5L) of the central gateway ECU (network gateway ECU) is 70 Ω or higher.

Symptom Trouble Area
Resistance between terminals 15 (CA5H) and 16 (CA5L) of the central gateway ECU (network gateway ECU) is 70 Ω or higher.
  • CAN main bus lines or connector

  • Central gateway ECU (network gateway ECU)

  • Hybrid vehicle control ECU assembly

  • No. 9 CAN junction connector or No. 10 CAN junction connector

  • No. 12 CAN junction connector

  • No. 13 CAN junction connector

This malfunction is not related to the lines of a CAN branch or to ECUs or sensors connected to a CAN branch.

WIRING DIAGRAM

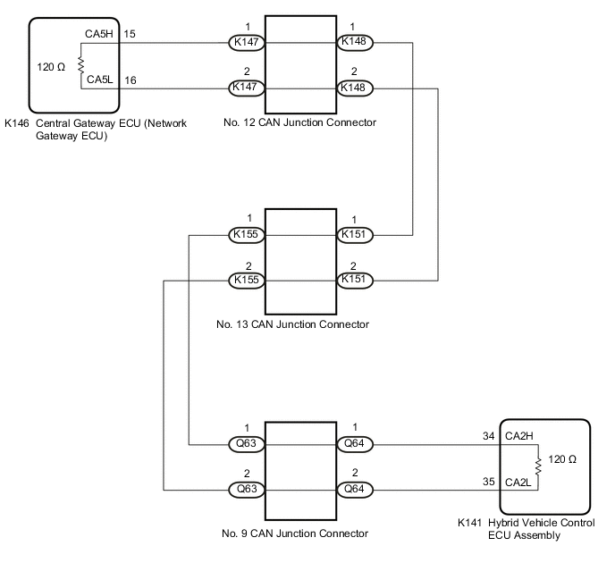
Figure 1. for LHD with No. 9 CAN Junction Connector

B003YKOE02

Figure 2. for LHD with No. 10 CAN Junction Connector

B003Y8SE01

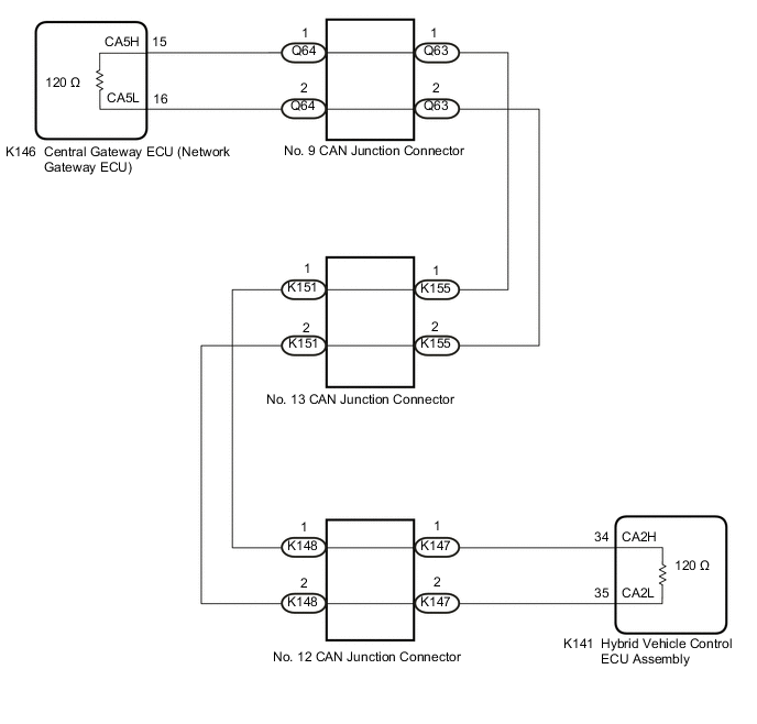
Figure 3. for RHD with No. 9 CAN Junction Connector

B003YKOE03

Figure 4. for RHD with No. 10 CAN Junction Connector

B003YATE01

CAUTION / NOTICE / HINT

Note


  • Before measuring the resistance of the CAN bus, turn the power switch off and leave the vehicle for 1 minute or more without operating the key or any switches, or opening or closing the doors. After that, disconnect the cable from the negative (-) auxiliary battery terminal and leave the vehicle for 1 minute or more before measuring the resistance.

  • After turning the power switch off, waiting time may be required before disconnecting the cable from the negative (-) auxiliary battery terminal. Therefore, make sure to read the disconnecting the cable from the negative (-) auxiliary battery terminal notices before proceeding with work.

    Click here

  • Because the order of diagnosis is important to allow correct diagnosis, make sure to begin troubleshooting using How to Proceed with Troubleshooting when CAN communication system related DTCs are output.

    Click here

  • After performing repairs, perform the DTC check procedure and confirm that the DTCs are not output again.

    DTC check procedure: Turn the power switch on (IG) and wait at least 36 seconds. Turn the cruise control main switch on, turn the lane departure alert main switch on and then drive the vehicle at a speed of 36 km/h (22 mph) or more for 52 seconds or more.

  • After the repair, perform the CAN bus check and check that all the ECUs and sensors connected to the CAN communication system are displayed as normal.

    Click here

Tech Tips


  • Before disconnecting related connectors for inspection, push in on each connector body to check that the connector is not loose or disconnected.

  • When a connector is disconnected, check that the terminals and connector body are not cracked, deformed or corroded.

PROCEDURE


  1. CHECK VEHICLE TYPE


    1. Check vehicle type.

      Result
      Result Proceed to
      for LHD A
      for RHD B

    B
    A
  2. CHECK FOR OPEN IN CAN MAIN BUS LINES (NO. 13 CAN JUNCTION CONNECTOR)


    1. Disconnect the cable from the negative (-) auxiliary battery terminal.

    2. Disconnect the K151 and K155 No. 13 CAN junction connectors.

    3. Measure the resistance according to the value(s) in the table below.

      B003XPVC01
      *a

      Rear view of wire harness connector

      (to No. 13 CAN Junction Connector)

      *b to No. 12 CAN Junction Connector
      *c to No. 9 CAN Junction Connector or No. 10 CAN Junction Connector - -
      Standard Resistance
      Tester Connection Condition Specified Condition Connected to
      K151-1 (CANH) - K151-2 (CANL) Cable disconnected from negative (-) auxiliary battery terminal 108 to 132 Ω No. 12 CAN junction connector
      K155-1 (CANH) - K155-2 (CANL) Cable disconnected from negative (-) auxiliary battery terminal 108 to 132 Ω No. 9 CAN junction connector or No. 10 CAN junction connector
      Result
      Result Proceed to
      OK A
      NG (Line to No. 9 CAN junction connector or No. 10 CAN junction connector) B
      NG (Line to No. 12 CAN junction connector) C

    A
    C
    B
  3. CHECK VEHICLE TYPE


    1. Reconnect the K151 and K155 No. 13 CAN junction connectors.

    2. Check whether the No. 9 CAN junction connector or No. 10 CAN junction connector is installed to the vehicle.

      Click here

      B003YGQC01
      *a

      Component with harness connected

      (No. 9 CAN Junction Connector)

      *b

      Front view of wire harness connector

      (to No. 10 CAN Junction Connector)

      Result
      Result Proceed to
      w/ No. 9 CAN Junction Connector A
      w/ No. 10 CAN Junction Connector B

    B
    A
  4. CHECK FOR OPEN IN CAN MAIN BUS LINES (NO. 9 CAN JUNCTION CONNECTOR)


    1. Disconnect the Q63 and Q64 No. 9 CAN junction connectors.

    2. Measure the resistance according to the value(s) in the table below.

      B003Y6AC01
      *a

      Rear view of wire harness connector

      (to No. 9 CAN Junction Connector)

      *b to No. 13 CAN Junction Connector
      *c to Central Gateway ECU (Network Gateway ECU) - -
      Standard Resistance
      Tester Connection Condition Specified Condition Connected to
      Q63-1 (CANH) - Q63-2 (CANL) Cable disconnected from negative (-) auxiliary battery terminal 108 to 132 Ω No. 13 CAN junction connector
      Q64-1 (CANH) - Q64-2 (CANL) Cable disconnected from negative (-) auxiliary battery terminal 108 to 132 Ω Central gateway ECU (network gateway ECU)
      Result
      Result Proceed to
      OK A
      NG (Line to central gateway ECU (network gateway ECU)) B
      NG (Line to No. 13 CAN junction connector) C

    A
    C
    B
  5. CHECK FOR OPEN IN CAN BUS LINES (CENTRAL GATEWAY ECU (NETWORK GATEWAY ECU))


    1. Reconnect the Q63 and Q64 No. 9 CAN junction connectors.

    2. Disconnect the K146 central gateway ECU (network gateway ECU) connector.

    3. B003YESC26
      *a

      Front view of wire harness connector

      (to Central Gateway ECU (Network Gateway ECU))

      Measure the resistance according to the value(s) in the table below.

      Standard Resistance
      Tester Connection Condition Specified Condition
      K146-15 (CA5H) - K146-16 (CA5L) Cable disconnected from negative (-) auxiliary battery terminal 108 to 132 Ω
      Result
      Result
      OK
      NG

    OK
    NG
  6. CHECK FOR OPEN IN CAN BUS LINES (NO. 10 CAN JUNCTION CONNECTOR)


    1. Disconnect the Q68 No. 10 CAN junction connector.

    2. B003YC9C09
      *a

      Front view of wire harness connector

      (to No. 10 CAN Junction Connector)

      *b to No. 13 CAN Junction Connector
      *c to Central Gateway ECU (Network Gateway ECU)

      Measure the resistance according to the value(s) in the table below.

      Standard Resistance
      Tester Connection Condition Specified Condition Connected to
      Q68-3 (CANH) - Q68-9 (CANL) Cable disconnected from negative (-) auxiliary battery terminal 108 to 132 Ω No. 13 CAN junction connector
      Q68-4 (CANH) - Q68-10 (CANL) Cable disconnected from negative (-) auxiliary battery terminal 108 to 132 Ω Central gateway ECU (network gateway ECU)
      Result
      Result Proceed to
      OK A
      NG (Line to central gateway ECU (network gateway ECU)) B
      NG (Line to No. 13 CAN junction connector) C

    A
    C
    B
  7. CHECK FOR OPEN IN CAN BUS LINES (CENTRAL GATEWAY ECU (NETWORK GATEWAY ECU))


    1. Reconnect the Q68 No. 10 CAN junction connector.

    2. Disconnect the K146 central gateway ECU (network gateway ECU) connector.

    3. B003YESC26
      *a

      Front view of wire harness connector

      (to Central Gateway ECU (Network Gateway ECU))

      Measure the resistance according to the value(s) in the table below.

      Standard Resistance
      Tester Connection Condition Specified Condition
      K146-15 (CA5H) - K146-16 (CA5L) Cable disconnected from negative (-) auxiliary battery terminal 108 to 132 Ω
      Result
      Result
      OK
      NG

    OK
    NG
  8. CHECK FOR OPEN IN CAN MAIN BUS LINES (NO. 12 CAN JUNCTION CONNECTOR)


    1. Reconnect the K151 and K155 No. 13 CAN junction connectors.

    2. Disconnect the K147 and K148 No. 12 CAN junction connectors.

    3. Measure the resistance according to the value(s) in the table below.

      B003Y6AC02
      *a

      Rear view of wire harness connector

      (to No. 12 CAN Junction Connector)

      *b to Hybrid Vehicle Control ECU Assembly
      *c to No. 13 CAN Junction Connector - -
      Standard Resistance
      Tester Connection Condition Specified Condition Connected to
      K147-1 (CANH) - K147-2 (CANL) Cable disconnected from negative (-) auxiliary battery terminal 108 to 132 Ω Hybrid vehicle control ECU assembly
      K148-1 (CANH) - K148-2 (CANL) Cable disconnected from negative (-) auxiliary battery terminal 108 to 132 Ω No. 13 CAN junction connector
      Result
      Result Proceed to
      OK A
      NG (Line to hybrid vehicle control ECU assembly) B
      NG (Line to No. 13 CAN junction connector) C

    A
    C
    B
  9. CHECK FOR OPEN IN CAN BUS LINES (HYBRID VEHICLE CONTROL ECU ASSEMBLY)


    1. Reconnect the K147 and K148 No. 12 CAN junction connectors.

    2. Disconnect the K141 hybrid vehicle control ECU assembly connector.

    3. B003YBPC29
      *a

      Front view of wire harness connector

      (to Hybrid Vehicle Control ECU Assembly)

      Measure the resistance according to the value(s) in the table below.

      Standard Resistance
      Tester Connection Condition Specified Condition
      K141-34 (CA2H) - K141-35 (CA2L) Cable disconnected from negative (-) auxiliary battery terminal 108 to 132 Ω
      Result
      Result
      OK
      NG

    OK
    NG
  10. CHECK FOR OPEN IN CAN MAIN BUS LINES (NO. 13 CAN JUNCTION CONNECTOR)


    1. Disconnect the cable from the negative (-) auxiliary battery terminal.

    2. Disconnect the K151 and K155 No. 13 CAN junction connectors.

    3. Measure the resistance according to the value(s) in the table below.

      B003Y8YC01
      *a

      Rear view of wire harness connector

      (to No. 13 CAN Junction Connector)

      *b to No. 12 CAN Junction Connector
      *c to No. 9 CAN Junction Connector or No. 10 CAN Junction Connector - -
      Standard Resistance
      Tester Connection Condition Specified Condition Connected to
      K151-1 (CANH) - K151-2 (CANL) Cable disconnected from negative (-) auxiliary battery terminal 108 to 132 Ω No. 12 CAN junction connector
      K155-1 (CANH) - K155-2 (CANL) Cable disconnected from negative (-) auxiliary battery terminal 108 to 132 Ω No. 9 CAN junction connector or No. 10 CAN junction connector
      Result
      Result Proceed to
      OK A
      NG (Line to No. 9 CAN junction connector or No. 10 CAN junction connector) B
      NG (Line to No. 12 CAN junction connector) C

    A
    C
    B
  11. CHECK VEHICLE TYPE


    1. Reconnect the K151 and K155 No. 13 CAN junction connectors.

    2. Check whether the No. 9 CAN junction connector or No. 10 CAN junction connector is installed to the vehicle.

      Click here

      B003YGQC01
      *a

      Component with harness connected

      (No. 9 CAN Junction Connector)

      *b

      Front view of wire harness connector

      (to No. 10 CAN Junction Connector)

      Result
      Result Proceed to
      w/ No. 9 CAN Junction Connector A
      w/ No. 10 CAN Junction Connector B

    B
    A
  12. CHECK FOR OPEN IN CAN MAIN BUS LINES (NO. 9 CAN JUNCTION CONNECTOR)


    1. Disconnect the Q63 and Q64 No. 9 CAN junction connectors.

    2. Measure the resistance according to the value(s) in the table below.

      B003Y6AC01
      *a

      Rear view of wire harness connector

      (to No. 9 CAN Junction Connector)

      *b to No. 13 CAN Junction Connector
      *c to Hybrid Vehicle Control ECU Assembly - -
      Standard Resistance
      Tester Connection Condition Specified Condition Connected to
      Q63-1 (CANH) - Q63-2 (CANL) Cable disconnected from negative (-) auxiliary battery terminal 108 to 132 Ω No. 13 CAN junction connector
      Q64-1 (CANH) - Q64-2 (CANL) Cable disconnected from negative (-) auxiliary battery terminal 108 to 132 Ω Hybrid vehicle control ECU assembly
      Result
      Result Proceed to
      OK A
      NG (Line to hybrid vehicle control ECU assembly) B
      NG (Line to No. 13 CAN junction connector) C

    A
    C
    B
  13. CHECK FOR OPEN IN CAN BUS LINES (HYBRID VEHICLE CONTROL ECU ASSEMBLY)


    1. Reconnect the Q63 and Q64 No. 9 CAN junction connectors.

    2. Disconnect the K141 hybrid vehicle control ECU assembly connector.

    3. B003YBPC29
      *a

      Front view of wire harness connector

      (to Hybrid Vehicle Control ECU Assembly)

      Measure the resistance according to the value(s) in the table below.

      Standard Resistance
      Tester Connection Condition Specified Condition
      K141-34 (CA2H) - K141-35 (CA2L) Cable disconnected from negative (-) auxiliary battery terminal 108 to 132 Ω
      Result
      Result
      OK
      NG

    OK
    NG
  14. CHECK FOR OPEN IN CAN BUS LINES (NO. 10 CAN JUNCTION CONNECTOR)


    1. Disconnect the Q68 No. 10 CAN junction connector.

    2. B003YC9C09
      *a

      Front view of wire harness connector

      (to No. 10 CAN Junction Connector)

      *b to No. 13 CAN Junction Connector
      *c to Hybrid Vehicle Control ECU Assembly

      Measure the resistance according to the value(s) in the table below.

      Standard Resistance
      Tester Connection Condition Specified Condition Connected to
      Q68-3 (CANH) - Q68-9 (CANL) Cable disconnected from negative (-) auxiliary battery terminal 108 to 132 Ω No. 13 CAN junction connector
      Q68-4 (CANH) - Q68-10 (CANL) Cable disconnected from negative (-) auxiliary battery terminal 108 to 132 Ω Hybrid vehicle control ECU assembly
      Result
      Result Proceed to
      OK A
      NG (Line to hybrid vehicle control ECU assembly) B
      NG (Line to No. 13 CAN junction connector) C

    A
    C
    B
  15. CHECK FOR OPEN IN CAN BUS LINES (HYBRID VEHICLE CONTROL ECU ASSEMBLY)


    1. Reconnect the Q68 No. 10 CAN junction connector.

    2. Disconnect the K141 hybrid vehicle control ECU assembly connector.

    3. B003YBPC29
      *a

      Front view of wire harness connector

      (to Hybrid Vehicle Control ECU Assembly)

      Measure the resistance according to the value(s) in the table below.

      Standard Resistance
      Tester Connection Condition Specified Condition
      K141-34 (CA2H) - K141-35 (CA2L) Cable disconnected from negative (-) auxiliary battery terminal 108 to 132 Ω
      Result
      Result
      OK
      NG

    OK
    NG
  16. CHECK FOR OPEN IN CAN MAIN BUS LINES (NO. 12 CAN JUNCTION CONNECTOR)


    1. Reconnect the K151 and K155 No. 13 CAN junction connectors.

    2. Disconnect the K147 and K148 No. 12 CAN junction connectors.

    3. Measure the resistance according to the value(s) in the table below.

      B003XWJC01
      *a

      Rear view of wire harness connector

      (to No. 12 CAN Junction Connector)

      *b to Central Gateway ECU (Network Gateway ECU)
      *c to No. 13 CAN Junction Connector - -
      Standard Resistance
      Tester Connection Condition Specified Condition Connected to
      K147-1 (CANH) - K147-2 (CANL) Cable disconnected from negative (-) auxiliary battery terminal 108 to 132 Ω Central gateway ECU (network gateway ECU)
      K148-1 (CANH) - K148-2 (CANL) Cable disconnected from negative (-) auxiliary battery terminal 108 to 132 Ω No. 13 CAN junction connector
      Result
      Result Proceed to
      OK A
      NG (Line to central gateway ECU (network gateway ECU)) B
      NG (Line to No. 13 CAN junction connector) C

    A
    C
    B
  17. CHECK FOR OPEN IN CAN BUS LINES (CENTRAL GATEWAY ECU (NETWORK GATEWAY ECU))


    1. Reconnect the K147 and K148 No. 12 CAN junction connectors.

    2. Disconnect the K146 central gateway ECU (network gateway ECU) connector.

    3. B003YESC26
      *a

      Front view of wire harness connector

      (to Central Gateway ECU (Network Gateway ECU))

      Measure the resistance according to the value(s) in the table below.

      Standard Resistance
      Tester Connection Condition Specified Condition
      K146-15 (CA5H) - K146-16 (CA5L) Cable disconnected from negative (-) auxiliary battery terminal 108 to 132 Ω
      Result
      Result
      OK
      NG

    OK
    NG