CAN COMMUNICATION SYSTEM Main Body ECU Communication Stop Mode

DESCRIPTION

Detection Item Symptom Trouble Area
Main Body ECU Communication Stop Mode

Either condition is met:


  • "Main Body" is not displayed on the CAN Bus Check screen of the GTS

    Click here

  • Communication system DTCs (DTCs that start with U) that correspond to "Main Body ECU Communication Stop Mode" in "DTC Combination Table" are output

    Click here


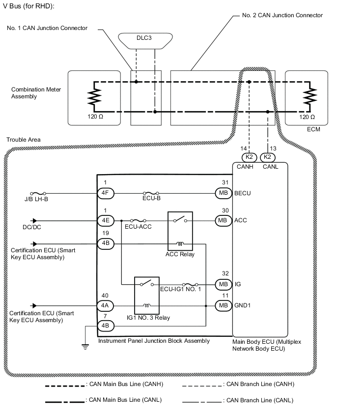
  • Main body ECU (multiplex network body ECU) branch line or connector

  • Power source circuit of main body ECU (multiplex network body ECU) or instrument panel junction block assembly

  • Main body ECU (multiplex network body ECU) or instrument panel junction block assembly ground circuit

  • Main body ECU (multiplex network body ECU) or instrument panel junction block assembly

WIRING DIAGRAM

B003XU2E15
B003Y63E11

CAUTION / NOTICE / HINT

Note


  • Before measuring the resistance of the CAN bus, turn the power switch off and leave the vehicle for 1 minute or more without operating the key or any switches, or opening or closing the doors. After that, disconnect the cable from the negative (-) auxiliary battery terminal and leave the vehicle for 1 minute or more before measuring the resistance.

  • After turning the power switch off, waiting time may be required before disconnecting the cable from the negative (-) auxiliary battery terminal. Therefore, make sure to read the disconnecting the cable from the negative (-) auxiliary battery terminal notices before proceeding with work.

    Click here

  • Because the order of diagnosis is important to allow correct diagnosis, make sure to begin troubleshooting using How to Proceed with Troubleshooting when CAN communication system related DTCs are output.

    Click here

  • After performing repairs, perform the DTC check procedure and confirm that the DTCs are not output again.

  • DTC check procedure: Turn the power switch on (IG), turn the blind spot monitor main switch on and wait at least 20 seconds.

  • After the repair, perform the CAN bus check and check that all the ECUs and sensors connected to the CAN communication system are displayed.

    Click here

  • Inspect the fuses for circuits related to this system before performing the following procedure.

  • If the main body ECU (multiplex network body ECU) is replaced, refer to Service Bulletin.

Tech Tips


  • Operating the power switch, any other switches or a door triggers related ECU and sensor communication on the CAN. This communication will cause the resistance value to change.

  • Even after DTCs are cleared, if a DTC is stored again after driving the vehicle for a while, the malfunction may be occurring due to vibration of the vehicle. In such a case, wiggling the ECUs or wire harness while performing the inspection below may help determine the cause of the malfunction.

PROCEDURE


  1. CHECK FOR OPEN IN CAN BUS LINES (MAIN BODY ECU (MULTIPLEX NETWORK BODY ECU) BRANCH LINE)


    1. Disconnect the cable from the negative (-) auxiliary battery terminal.

    2. B003YOZC03
      *a

      Front view of wire harness connector

      (to Main Body ECU (Multiplex Network Body ECU))

      Disconnect the K2 main body ECU (multiplex network body ECU) connector.

    3. Measure the resistance according to the value(s) in the table below.

      Standard Resistance
      Tester Connection Condition Specified Condition
      K2-14 (CANH) - K2-13 (CANL) Cable disconnected from negative (-) auxiliary battery terminal 54 to 69 Ω
      Result
      Result
      OK
      NG

    NG
    OK
  2. CHECK HARNESS AND CONNECTOR (POWER SOURCE CIRCUIT)


    1. Remove main body ECU (multiplex network body ECU).

      Click here

    2. B003YL3C07
      *a

      Front view of wire harness connector

      (to Main Body ECU (Multiplex Network Body ECU))

      Measure the resistance according to the value(s) in the table below.

      Standard Resistance
      Tester Connection Condition Specified Condition
      MB-11 (GND1) - Body ground Cable disconnected from negative (-) auxiliary battery terminal Below 1 Ω
    3. Reconnect the cable to the negative (-) auxiliary battery terminal.

    4. B003YL3C08
      *a

      Front view of wire harness connector

      (to Main Body ECU (Multiplex Network Body ECU))

      Measure the voltage according to the value(s) in the table below.

      Standard Voltage
      Tester Connection Condition Specified Condition
      MB-30 (ACC) - Body ground Power switch ON (ACC) 11 to 14 V
      MB-31 (BECU) - Body ground Power switch off 11 to 14 V
      MB-32 (IG) - Body ground Power switch ON (IG) 11 to 14 V
      Result
      Result
      OK
      NG

    OK
    NG
  3. CHECK HARNESS AND CONNECTOR (POWER SOURCE CIRCUIT)


    1. Disconnect the cable from the negative (-) auxiliary battery terminal.

    2. Disconnect the 4B instrument panel junction block assembly connector.

    3. B003YSVC02
      *a

      Front view of wire harness connector

      (to Instrument Panel Junction Block Assembly)

      Measure the resistance according to the value(s) in the table below.

      Standard Resistance
      Tester Connection Condition Specified Condition
      4B-7 (GND1) - Body ground Cable disconnected from negative (-) auxiliary battery terminal Below 1 Ω
    4. Disconnect the 4A, 4E and 4F instrument panel junction block assembly connectors.

    5. Reconnect the cable to the negative (-) auxiliary battery terminal.

    6. B003Y7FC01
      *a

      Front view of wire harness connector

      (to Instrument Panel Junction Block Assembly)

      Measure the voltage according to the value(s) in the table below.

      Standard Voltage
      Tester Connection Condition Specified Condition
      4B-19 - Body ground Power switch on (ACC) 11 to 14 V
      4A-40 - Body ground Power switch on (IG) 11 to 14 V
      4E-1 - Body ground Power switch off 11 to 14 V
      4F-1 - Body ground Power switch off 11 to 14 V
      Result
      Result
      OK
      NG

    OK
    NG