CAN COMMUNICATION SYSTEM, Diagnostic DTC:U1133

DTC Code DTC Name
U1133 Lost Communication with Power Management Module

DESCRIPTION

DTC No. Detection Item DTC Detection Condition Trouble Area Note
U1133 Lost Communication with Power Management Module No communication from the power management control ECU continues.
  • Power management control ECU branch line or connector

  • Power source circuit of power management control ECU

  • Power management control ECU ground circuit

  • Power management control ECU

Tech Tips

The network gateway ECU stores DTCs when it detects a communication stop or network communication error for ECUs connected to sub bus 2.

Tech Tips

This diagnosis procedure is for when DTC U1133 is output by the network gateway ECU (GTS display: Gateway).

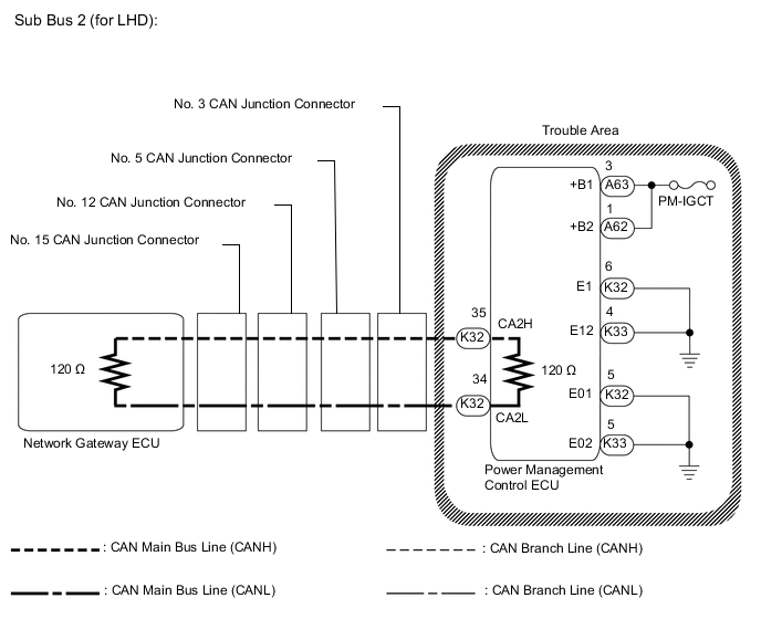
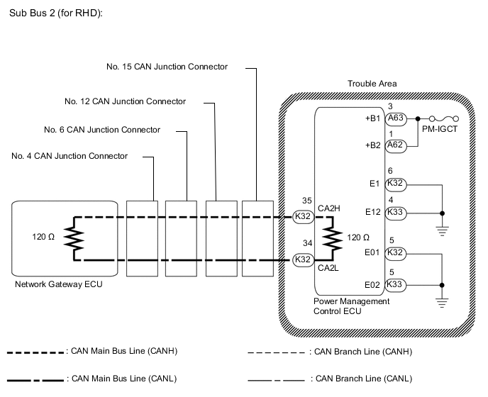
WIRING DIAGRAM

A01MS67E06
A01MS67E07

CAUTION / NOTICE / HINT

Note


  • Before measuring the resistance of the CAN bus, turn the power switch off and leave the vehicle for 1 minute or more without operating the key or any switches, or opening or closing the doors. After that, disconnect the cable from the negative (-) auxiliary battery terminal and leave the vehicle for 1 minute or more before measuring the resistance.

  • After turning the power switch off, waiting time may be required before disconnecting the cable from the negative (-) auxiliary battery terminal. Therefore, make sure to read the disconnecting the cable from the negative (-) auxiliary battery terminal notices before proceeding with work.

    Click here

  • Because the order of diagnosis is important to allow correct diagnosis, make sure to begin troubleshooting using How to Proceed with Troubleshooting when CAN communication system related DTCs are output.

    Click here

  • After performing repairs, perform the DTC check procedure and confirm that the DTCs are not output again.

  • DTC check procedure: Turn the power switch on (IG) and wait at least 21 seconds, and then drive the vehicle at a speed of 36 km/h (22 mph) or more for 3 seconds or more.

  • After the repair, perform the CAN bus check and check that all the ECUs and sensors connected to the CAN communication system are displayed.

    Click here

  • Inspect the fuses for circuits related to this system before performing the following procedure.

Tech Tips


  • Operating the power switch, any other switches or a door triggers related ECU and sensor communication on the CAN. This communication will cause the resistance value to change.

  • Even after DTCs are cleared, if a DTC is stored again after driving the vehicle for a while, the malfunction may be occurring due to vibration of the vehicle. In such a case, wiggling the ECUs or wire harness while performing the inspection below may help determine the cause of the malfunction.

PROCEDURE


  1. RECONFIRM DTC OUTPUT


    Body Electrical > Gateway > Trouble Codes
    1. Reconfirm DTCs.

      Tech Tips

      If DTC U1002 is output from Gateway of the network gateway ECU, this indicates a sub bus 2 malfunction. Troubleshoot for DTC U1002 and check for malfunctions in sub bus 2.

      Result
      Result Proceed to
      U1002 is not output from network gateway ECU (GTS display: Gateway) A
      U1002 is output from network gateway ECU (GTS display: Gateway) B

    B
    A
  2. CHECK FOR OPEN IN SUB BUS 2 LINES (POWER MANAGEMENT CONTROL ECU MAIN LINE)


    1. Disconnect the cable from the negative (-) auxiliary battery terminal.

    2. Disconnect the K32 power management control ECU connector.

    3. A01MTDAC04
      *a

      Front view of wire harness connector

      (to Power Management Control ECU)

      Measure the resistance according to the value(s) in the table below.

      Standard Resistance
      Tester Connection Condition Specified Condition
      K32-35 (CA2H) - K32-34 (CA2L) Cable disconnected from negative (-) auxiliary battery terminal 108 to 132 Ω
      Result
      Result
      OK
      NG

    NG
    OK
  3. CHECK HARNESS AND CONNECTOR (POWER SOURCE CIRCUIT)


    1. Disconnect the K33 power management control ECU connector.

    2. B003YJ4C13
      *a

      Rear view of wire harness connector

      (to Power Management Control ECU)

      Measure the resistance according to the value(s) in the table below.

      Standard Resistance
      Tester Connection Condition Specified Condition
      K32-5 (E01) - Body ground Cable disconnected from negative (-) auxiliary battery terminal Below 1 Ω
      K32-6 (E1) - Body ground Cable disconnected from negative (-) auxiliary battery terminal Below 1 Ω
      K33-4 (E12) - Body ground Cable disconnected from negative (-) auxiliary battery terminal Below 1 Ω
      K33-5 (E02) - Body ground Cable disconnected from negative (-) auxiliary battery terminal Below 1 Ω
    3. Reconnect the K32 and K33 power management control ECU connectors.

    4. Reconnect the cable to the negative (-) auxiliary battery terminal.

    5. A01MSYIC90
      *a

      Component with harness connected

      (Power Management Control ECU)

      Measure the voltage according to the value(s) in the table below.

      Standard Voltage
      Tester Connection Condition Specified Condition
      A62-1 (+B2) - Body ground Power switch on (IG) 11 to 14 V
      A63-3 (+B1) - Body ground Power switch on (IG) 11 to 14 V
      Result
      Result
      OK
      NG

    OK
    NG