CAN COMMUNICATION SYSTEM, Diagnostic DTC:U0208

DTC Code DTC Name
U0208 Lost Communication with "Seat Control Module A"

DESCRIPTION

DTC No. Detection Item DTC Detection Condition Trouble Area Note
U0208 Lost Communication with "Seat Control Module A"
  • No communication from the front power seat switch LH (for LHD) continues.

  • No communication from the front power seat switch RH (for RHD) continues.


  • Front power seat switch LH branch line or connector (for LHD)

  • Power source circuit of front power seat switch LH (for LHD)

  • Front power seat switch LH ground circuit (for LHD)

  • Front power seat switch LH (for LHD)

  • Front power seat switch RH branch line or connector (for RHD)

  • Power source circuit of front power seat switch RH (for RHD)

  • Front power seat switch RH ground circuit (for RHD)

  • Front power seat switch RH (for RHD)

Tech Tips

The main body ECU (multiplex network body ECU) stores DTCs when it detects a communication stop or network communication error for ECUs connected to sub bus 1.

Tech Tips

This diagnostic procedure is for when DTC U0208 is output by the main body ECU (multiplex network body ECU) (GTS display: Main Body).

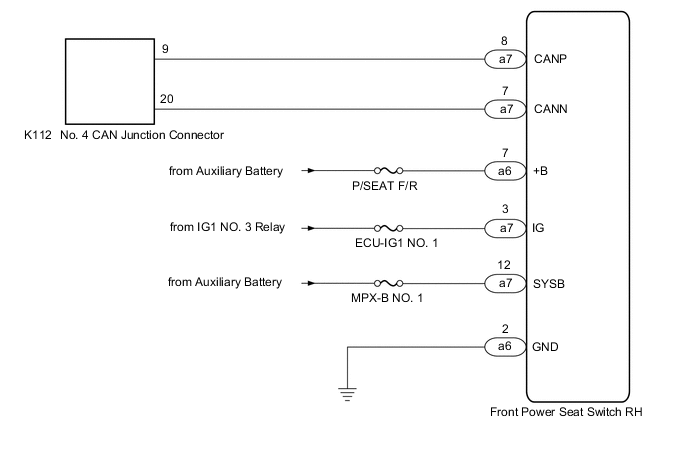
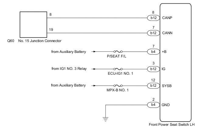
WIRING DIAGRAM

Figure 1. for LHD

B003YPLE06

Figure 2. for RHD

B003YPLE07

CAUTION / NOTICE / HINT

Note


  • Before measuring the resistance of the CAN bus, turn the power switch off and leave the vehicle for 1 minute or more without operating the key or any switches, or opening or closing the doors. After that, disconnect the cable from the negative (-) auxiliary battery terminal and leave the vehicle for 1 minute or more before measuring the resistance.

  • After turning the power switch off, waiting time may be required before disconnecting the cable from the negative (-) auxiliary battery terminal. Therefore, make sure to read the disconnecting the cable from the negative (-) auxiliary battery terminal notices before proceeding with work.

    Click here

  • Because the order of diagnosis is important to allow correct diagnosis, make sure to begin troubleshooting using How to Proceed with Troubleshooting when CAN communication system related DTCs are output.

    Click here

  • After performing repairs, perform the DTC check procedure and confirm that the DTCs are not output again.

    DTC check procedure: Turn the power switch on (IG) and wait at least 20 seconds.

  • After the repair, perform the CAN bus check and check that all the ECUs and sensors connected to the CAN communication system are displayed as normal.

    Click here

  • Inspect the fuses for circuits related to this system before performing the following procedure.

Tech Tips


  • Before disconnecting related connectors for inspection, push in on each connector body to check that the connector is not loose or disconnected.

  • When a connector is disconnected, check that the terminals and connector body are not cracked, deformed or corroded.

PROCEDURE


  1. RECONFIRM DTC OUTPUT


    1. Reconfirm DTCs.


      Body Electrical > Main Body > Trouble Codes

      Tech Tips

      If DTC U1002 is output from Main Body of the main body ECU (multiplex network body ECU), this indicates a sub bus 1 malfunction. Troubleshoot for DTC U1002 and check for malfunctions in sub bus 1.

      Result
      Result Proceed to

      DTC U1002 is not output from the main body ECU (multiplex network body ECU)

      (GTS display: Main Body)

      A

      DTC U1002 is output from the main body ECU (multiplex network body ECU)

      (GTS display: Main Body)

      B

    B
    A
  2. CHECK VEHICLE TYPE


    1. Check vehicle type.

      Result
      Result Proceed to
      for LHD A
      for RHD B

    B
    A
  3. CHECK FOR OPEN IN SUB BUS 1 LINES (FRONT POWER SEAT SWITCH LH BRANCH LINE)


    1. Disconnect the cable from the negative (-) auxiliary battery terminal.

    2. Disconnect the b12 front power seat switch LH connector.

    3. B003YKZC15
      *a

      Front view of wire harness connector

      (to Front Power Seat Switch LH)

      Measure the resistance according to the value(s) in the table below.

      Standard Resistance
      Tester Connection Condition Specified Condition
      b12-8 (CANP) - b12-7 (CANN) Cable disconnected from negative (-) auxiliary battery terminal 54 to 69 Ω
      Result
      Result
      OK
      NG

    NG
    OK
  4. CHECK HARNESS AND CONNECTOR (POWER SOURCE CIRCUIT)


    1. Disconnect the b4 front power seat switch LH connector.

    2. B003YOLC03
      *a

      Front view of wire harness connector

      (to Front Power Seat Switch LH)

      Measure the resistance according to the value(s) in the table below.

      Standard Resistance
      Tester Connection Condition Specified Condition
      b4-2 (GND) - Body ground Cable disconnected from negative (-) auxiliary battery terminal Below 1 Ω
    3. Reconnect the cable to the negative (-) auxiliary battery terminal.

    4. B003Y5CC05
      *a

      Front view of wire harness connector

      (to Front Power Seat Switch LH)

      Measure the voltage according to the value(s) in the table below.

      Standard Voltage
      Tester Connection Condition Specified Condition
      b4-7 (+B) - Body ground Power switch off 11 to 14 V
      b12-3 (IG) - Body ground Power switch on (IG) 11 to 14 V
      b12-12 (SYSB) - Body ground Power switch off 11 to 14 V
      Result
      Result
      OK
      NG

    OK
    NG
  5. CHECK FOR OPEN IN SUB BUS 1 LINES (FRONT POWER SEAT SWITCH RH BRANCH LINE)


    1. Disconnect the cable from the negative (-) auxiliary battery terminal.

    2. Disconnect the a7 front power seat switch RH connector.

    3. B003YKZC16
      *a

      Front view of wire harness connector

      (to Front Power Seat Switch RH)

      Measure the resistance according to the value(s) in the table below.

      Standard Resistance
      Tester Connection Condition Specified Condition
      a7-8 (CANP) - a7-7 (CANN) Cable disconnected from negative (-) auxiliary battery terminal 54 to 69 Ω
      Result
      Result
      OK
      NG

    NG
    OK
  6. CHECK HARNESS AND CONNECTOR (POWER SOURCE CIRCUIT)


    1. Disconnect the a6 front power seat switch RH connector.

    2. B003YOLC02
      *a

      Front view of wire harness connector

      (to Front Power Seat Switch RH)

      Measure the resistance according to the value(s) in the table below.

      Standard Resistance
      Tester Connection Condition Specified Condition
      a6-2 (GND) - Body ground Cable disconnected from negative (-) auxiliary battery terminal Below 1 Ω
    3. Reconnect the cable to the negative (-) auxiliary battery terminal.

    4. B003Y5CC04
      *a

      Front view of wire harness connector

      (to Front Power Seat Switch RH)

      Measure the voltage according to the value(s) in the table below.

      Standard Voltage
      Tester Connection Condition Specified Condition
      a6-7 (+B) - Body ground Power switch off 11 to 14 V
      a7-3 (IG) - Body ground Power switch on (IG) 11 to 14 V
      a7-12 (SYSB) - Body ground Power switch off 11 to 14 V
      Result
      Result
      OK
      NG

    OK
    NG