CAN COMMUNICATION SYSTEM Suspension Control ECU Communication Stop Mode

DESCRIPTION

Detection Item Symptom Trouble Area
Suspension Control ECU Communication Stop Mode

Either condition is met:


  • Communication stop for "Suspension Control (Air Suspension)" is indicated on the "Communication Bus Check" screen of the GTS.

    Click here

  • Communication system DTCs (DTCs that start with U) that correspond to "Suspension Control ECU Communication Stop Mode" in "DTC Combination Table" are output.

    Click here


  • Absorber control ECU branch line or connector

  • Power source circuit of absorber control ECU

  • Absorber control ECU ground circuit

  • Absorber control ECU

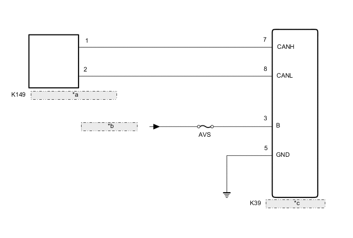
WIRING DIAGRAM

B003YLYE27
*a No. 12 CAN Junction Connector
*b from IG1 MAIN Relay
*c Absorber Control ECU

CAUTION / NOTICE / HINT

Note


  • Before measuring the resistance of the CAN bus, turn the power switch off and leave the vehicle for 1 minute or more without operating the key or any switches, or opening or closing the doors. After that, disconnect the cable from the negative (-) auxiliary battery terminal and leave the vehicle for 1 minute or more before measuring the resistance.

  • After turning the power switch off, waiting time may be required before disconnecting the cable from the negative (-) auxiliary battery terminal. Therefore, make sure to read the disconnecting the cable from the negative (-) auxiliary battery terminal notices before proceeding with work.

    Click here

  • Because the order of diagnosis is important to allow correct diagnosis, make sure to begin troubleshooting using How to Proceed with Troubleshooting when CAN communication system related DTCs are output.

    Click here

  • After performing repairs, perform the DTC check procedure and confirm that the DTCs are not output again.

    DTC check procedure: Turn the power switch on (IG), wait at least 8.1 seconds, and then drive the vehicle at a speed of 30 km/h (19 mph) or more for 7 seconds or more.

  • After the repair, perform the CAN bus check and check that all the ECUs and sensors connected to the CAN communication system are displayed as normal.

    Click here

  • Inspect the fuses for circuits related to this system before performing the following procedure.

Tech Tips


  • Before disconnecting related connectors for inspection, push in on each connector body to check that the connector is not loose or disconnected.

  • When a connector is disconnected, check that the terminals and connector body are not cracked, deformed or corroded.

PROCEDURE


  1. CHECK FOR OPEN IN SUB BUS LINES (ABSORBER CONTROL ECU BRANCH LINE)


    1. Disconnect the cable from the negative (-) auxiliary battery terminal.

    2. Disconnect the K39 absorber control ECU connector.

    3. B003YQ3C12
      *a

      Front view of wire harness connector

      (to Absorber Control ECU)

      Measure the resistance according to the value(s) in the table below.

      Standard Resistance
      Tester Connection Condition Specified Condition
      K39-7 (CANH) -K39-8 (CANL) Cable disconnected from negative (-) auxiliary battery terminal 54 to 69 Ω
      Result
      Result
      OK
      NG

    NG
    OK
  2. CHECK HARNESS AND CONNECTOR (POWER SOURCE CIRCUIT)


    1. B003YQ3C10
      *a

      Front view of wire harness connector

      (to Absorber Control ECU)

      Measure the resistance according to the value(s) in the table below.

      Standard Resistance
      Tester Connection Condition Specified Condition
      K39-5 (GND) - Body ground Cable disconnected from negative (-) auxiliary battery terminal Below 1 Ω
    2. Reconnect the cable to the negative (-) auxiliary battery terminal.

    3. B003YQ3C11
      *a

      Front view of wire harness connector

      (to Absorber Control ECU)

      Measure the voltage according to the value(s) in the table below.

      Standard Voltage
      Tester Connection Condition Specified Condition
      K39-3 (B) - Body ground Power switch on (IG) 11 to 14 V
      Result
      Result
      OK
      NG

    OK
    NG