CAN COMMUNICATION SYSTEM, Diagnostic DTC:U1002

DTC Code DTC Name
U1002 Lost Communication with Gateway Module (Main Body ECU)

DESCRIPTION


DTC No. Detection Item DTC Detection Condition Trouble Area Note
U1002 Lost Communication with Gateway Module (Main Body ECU) The main body ECU (multiplex network body ECU) cannot receive signals from all ECUs that have been memorized as those connected to sub bus 1.
  • Open or short in sub bus 1 main line or connector

  • Open or short in sub bus 1 branch line or connector

  • Main body ECU (multiplex network body ECU)

  • Outer mirror control ECU assembly (for driver side)

    (w/ seat position memory system)

  • Outer mirror control ECU assembly (for front passenger side)

    (w/ seat position memory system)

  • Front power seat switch LH (for LHD)

    (w/ seat position memory system)

  • Front power seat switch RH (for RHD)

    (w/ seat position memory system)

  • Multiplex tilt and telescopic ECU

    (w/ power tilt and power telescopic system)

  • Open or short in No. 3 CAN junction connector (for LHD)

  • Open or short in No. 4 CAN junction connector (for RHD)

  • Open or short in No. 5 CAN junction connector (for LHD)

  • Open or short in No. 6 CAN junction connector (for RHD)

  • Open or short in junction terminal

Tech Tips

The main body ECU (multiplex network body ECU) stores DTCs when it detects a communication stop or network communication error for ECUs connected to sub bus 1.

Tech Tips

This diagnosis procedure is for when DTC U1002 is output by the main body ECU (multiplex network body ECU) (GTS display: Main Body).

WIRING DIAGRAM

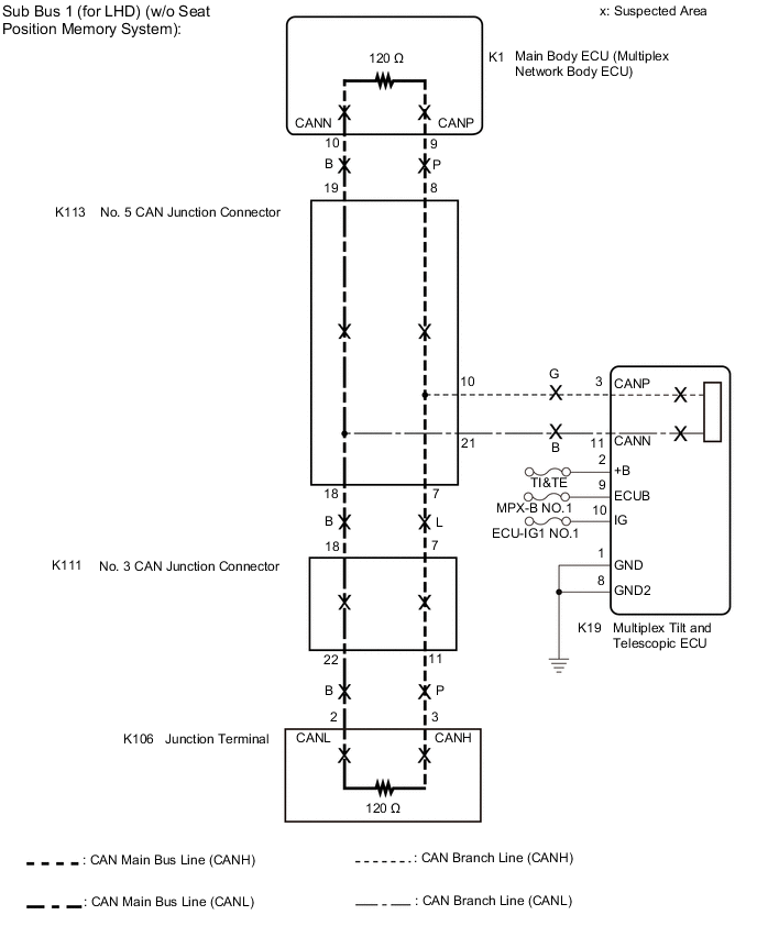
B003XRWE03
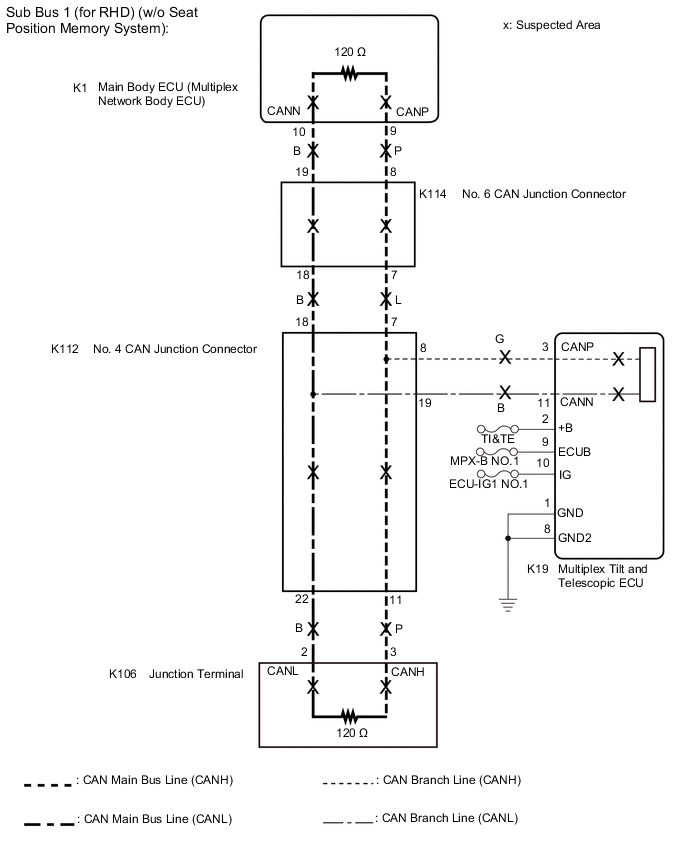
B003YAME03
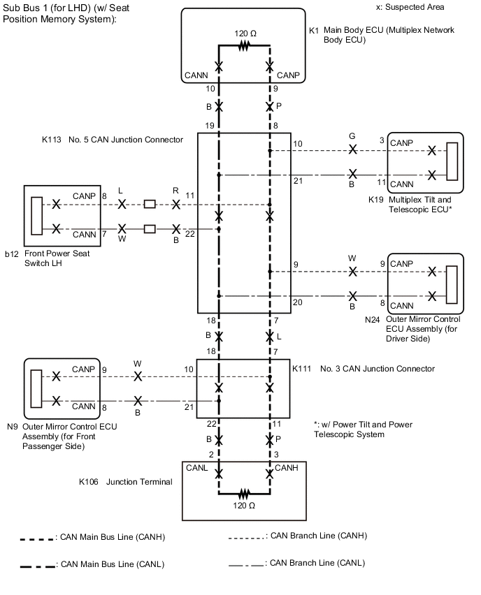
B003YPYE02
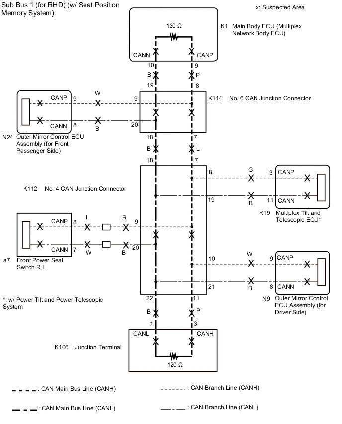
B003Y1YE05

CAUTION / NOTICE / HINT

Note


  • Before measuring the resistance of the CAN bus, turn the power switch off and leave the vehicle for 1 minute or more without operating the key, switches or opening or closing the doors. After that, disconnect the cable from the negative (-) auxiliary battery terminal and leave the vehicle for 1 minute or more before measuring the resistance.

  • After turning the power switch off, waiting time may be required before disconnecting the cable from the negative (-) auxiliary battery terminal. Therefore, make sure to read the disconnecting the cable from the negative (-) auxiliary battery terminal notices before proceeding with work.

    Click here

  • Because the order of diagnosis is important to allow correct diagnosis, make sure to begin troubleshooting using How to Proceed with Troubleshooting when CAN communication system related DTCs are output.

    Click here

  • After performing repairs, perform the DTC check procedure and confirm that the DTCs are not output again.

  • DTC check procedure: Turn the power switch on (IG) and wait at least 20 seconds.

  • After the repair, perform the CAN bus check and check that all the ECUs and sensors connected to the CAN communication system are displayed.

    Click here

  • Inspect the fuses for circuits related to this system before performing the following procedure.

  • If the main body ECU (multiplex network body ECU) is replaced, refer to Service Bulletin.

Tech Tips


  • Operating the power switch, any other switches or a door triggers related ECU and sensor communication on the CAN. This communication will cause the resistance value to change.

  • Even after DTCs are cleared, if a DTC is stored again after driving the vehicle for a while, the malfunction may be occurring due to vibration of the vehicle. In such a case, wiggling the ECUs or wire harness while performing the inspection below may help determine the cause of the malfunction.

PROCEDURE


  1. CHECK VEHICLE TYPE


    1. Check vehicle type.

      Result
      Result Proceed to
      for LHD A
      for RHD B

    B
    A
  2. CHECK SUB BUS 1


    1. Disconnect the cable from the negative (-) auxiliary battery terminal.

    2. B003YM5C01
      *1 DLC3
      *a

      Component with harness connected

      (Main Body ECU (Multiplex Network Body ECU))

      Measure the resistance according to the value(s) in the table below.

      Standard Resistance
      Tester Connection Condition Specified Condition Result
      K1-9 (CANP) - K1-10 (CANN) Cable disconnected from negative (-) auxiliary battery terminal 54 to 69 Ω Below 54 Ω: Short circuit between bus lines
      70 Ω or more: Open circuit in main bus line
      K1-9 (CANP) - K9-4 (CG) Cable disconnected from negative (-) auxiliary battery terminal 200 Ω or higher Below 200 Ω: CANH ground short
      K1-10 (CANN) - K9-4 (CG) Cable disconnected from negative (-) auxiliary battery terminal 200 Ω or higher Below 200 Ω: CANL ground short
      K1-9 (CANP) - K9-16 (BAT) Cable disconnected from negative (-) auxiliary battery terminal 6 kΩ or higher Below 6 kΩ: CANH +B short
      K1-10 (CANN) - K9-16 (BAT) Cable disconnected from negative (-) auxiliary battery terminal 6 kΩ or higher Below 6 kΩ: CANL +B short
      Result
      Result Proceed to
      OK (w/ Seat position memory system) A
      OK (w/o Seat position memory system) B
      Open circuit in CAN main bus line C
      Short circuit between bus lines D

      • Ground short

      • +B short

      E

    B
    C
    D
    E
    A
  3. CHECK FOR DTC OUTPUT


    1. Reconnect the cable to the negative (-) auxiliary battery terminal.

    2. Connect the GTS to the DLC3.

    3. Turn the power switch on (IG).

    4. Turn the GTS on.

    5. Clear the DTCs.


      Body Electrical > Main Body > Clear DTCs
    6. Turn the power switch off.

    7. Turn the power switch on (IG).

    8. Check for DTCs.


      Body Electrical > Main Body > Trouble Codes
      Result
      Result Proceed to
      U1002 is not output from main body ECU (multiplex network body ECU) (GTS display: Main Body) A
      U1002 is output from main body ECU (multiplex network body ECU) (GTS display: Main Body) B

    A
    B
  4. CHECK FOR OPEN IN SUB BUS 1 LINES (MULTIPLEX TILT AND TELESCOPIC ECU BRANCH LINE)


    1. Disconnect the K19 multiplex tilt and telescopic ECU connector.

    2. B003YD1C06
      *a

      Front view of wire harness connector

      (to Multiplex Tilt and Telescopic ECU)

      Measure the resistance according to the value(s) in the table below.

      Standard Resistance
      Tester Connection Condition Specified Condition
      K19-3 (CANP) - K19-11 (CANN) Cable disconnected from negative (-) auxiliary battery terminal 54 to 69 Ω
      Result
      Result
      OK
      NG

    NG
    OK
  5. CHECK HARNESS AND CONNECTOR (POWER SOURCE CIRCUIT)


    1. B003YD1C14
      *a

      Front view of wire harness connector

      (to Multiplex Tilt and Telescopic ECU)

      Measure the resistance according to the value(s) in the table below.

      Standard Resistance
      Tester Connection Condition Specified Condition
      K19-1 (GND) - Body ground Cable disconnected from negative (-) auxiliary battery terminal Below 1 Ω
      K19-8 (GND2) - Body ground Cable disconnected from negative (-) auxiliary battery terminal Below 1 Ω
    2. Reconnect the cable to the negative (-) auxiliary battery terminal.

    3. B003YD1C08
      *a

      Front view of wire harness connector

      (to Multiplex Tilt and Telescopic ECU)

      Measure the voltage according to the value(s) in the table below.

      Standard Voltage
      Tester Connection Condition Specified Condition
      K19-2 (+B) - Body ground Power switch off 11 to 14 V
      K19-9 (ECUB) - Body ground Power switch off 11 to 14 V
      K19-10 (IG) - Body ground Power switch on (IG) 11 to 14 V
      Result
      Result
      OK
      NG

    NG
    OK
  6. REPLACE MAIN BODY ECU (MULTIPLEX NETWORK BODY ECU)


    1. Replace the main body ECU (multiplex network body ECU).

      Click here

      Result
      Result
      NEXT

    NEXT
  7. CHECK FOR DTC OUTPUT


    1. Reconnect the cable to the negative (-) auxiliary battery terminal.

    2. Turn the power switch on (IG).

    3. Check for DTCs.


      Body Electrical > Main Body > Trouble Codes
      Result
      Result Proceed to
      U1002 is output from main body ECU (multiplex network body ECU) (GTS display: Main Body) A
      U1002 is not output from main body ECU (multiplex network body ECU) (GTS display: Main Body) B

    A
    B
  8. CHECK FOR OPEN IN SUB BUS 1 LINES (MAIN BODY ECU (MULTIPLEX NETWORK BODY ECU))


    1. Disconnect the K1 main body ECU (multiplex network body ECU) connector.

    2. B003XUDC05
      *a

      Front view of wire harness connector

      (to Main Body ECU (Multiplex Network Body ECU))

      Measure the resistance according to the value(s) in the table below.

      Standard Resistance
      Tester Connection Condition Specified Condition
      K1-9 (CANP) - K1-10 (CANN) Cable disconnected from negative (-) auxiliary battery terminal 108 to 132 Ω
      Result
      Result
      OK
      NG

    OK
    NG
  9. CHECK FOR OPEN IN SUB BUS 1 LINES (JUNCTION TERMINAL)


    1. Reconnect the K1 main body ECU (multiplex network body ECU) connector.

    2. Disconnect the K106 junction terminal.

    3. B003YIVC09
      *a

      Front view of wire harness connector

      (to Junction Terminal)

      Measure the resistance according to the value(s) in the table below.

      Standard Resistance
      Tester Connection Condition Specified Condition
      K106-3 (CANH) - K106-2 (CANL) Cable disconnected from negative (-) auxiliary battery terminal 108 to 132 Ω
      Result
      Result
      OK
      NG

    OK
    NG
  10. CHECK FOR OPEN IN SUB BUS 1 LINES (NO. 5 CAN JUNCTION CONNECTOR - MULTIPLEX TILT AND TELESCOPIC ECU)


    1. Reconnect the K19 multiplex tilt and telescopic ECU connector.

    2. B003YH2C07
      *a

      Front view of wire harness connector

      (CAN No. 5 Junction Connector)

      Disconnect the K113 No. 5 CAN junction connector.

    3. Measure the resistance according to the value(s) in the table below.

      Standard Resistance
      Tester Connection Condition Specified Condition
      K113-10 (CANH) - K113-21 (CANL) Cable disconnected from negative (-) auxiliary battery terminal 200 Ω or higher
      Result
      Result
      OK
      NG

    OK
    NG
  11. CHECK FOR OPEN IN SUB BUS 1 LINES (NO. 5 CAN JUNCTION CONNECTOR)


    1. Reconnect the K106 junction terminal.

    2. Disconnect the K113 No. 5 CAN junction connector.

    3. B003YH2C08
      *a

      Front view of wire harness connector

      (to No. 5 CAN Junction Connector)

      *b to No. 3 CAN Junction Connector
      *c to Main Body ECU (Multiplex Network Body ECU)

      Measure the resistance according to the value(s) in the table below.

      Standard Resistance
      Tester Connection Condition Specified Condition Connected to
      K113-7 (CANH) - K113-18 (CANL) Cable disconnected from negative (-) auxiliary battery terminal 108 to 132 Ω No. 3 CAN junction connector
      K113-8 (CANH) - K113-19 (CANL) Cable disconnected from negative (-) auxiliary battery terminal 108 to 132 Ω Main body ECU (multiplex network body ECU)
      Result
      Result Proceed to
      OK A
      NG (Main body ECU (multiplex network body ECU) main line) B
      NG (No. 3 CAN junction connector main line) C

    A
    B
    C
  12. CHECK FOR SHORT IN SUB BUS 1 LINES (MAIN BODY ECU (MULTIPLEX NETWORK BODY ECU))


    1. Disconnect the K1 main body ECU (multiplex network body ECU) connector.

    2. B003XUDC06
      *a

      Front view of wire harness connector

      (to Main Body ECU (Multiplex Network Body ECU))

      Measure the resistance according to the value(s) in the table below.

      Standard Resistance
      Tester Connection Condition Specified Condition
      K1-9 (CANP) - K1-10 (CANN) Cable disconnected from negative (-) auxiliary battery terminal 108 to 132 Ω
      Result
      Result
      OK
      NG

    OK
    NG
  13. CHECK FOR SHORT IN SUB BUS 1 LINES (JUNCTION TERMINAL)


    1. Reconnect the K1 main body ECU (multiplex network body ECU) connector.

    2. Disconnect the K106 junction terminal.

    3. B003YIVC10
      *a

      Front view of wire harness connector

      (to Junction Terminal)

      Measure the resistance according to the value(s) in the table below.

      Standard Resistance
      Tester Connection Condition Specified Condition
      K106-3 (CANH) - K106-2 (CANL) Cable disconnected from negative (-) auxiliary battery terminal 108 to 132 Ω
      Result
      Result
      OK
      NG

    OK
    NG
  14. CHECK FOR OPEN IN SUB BUS 1 LINES (NO. 3 CAN JUNCTION CONNECTOR)


    1. Reconnect the K113 No. 5 CAN junction connector.

    2. Disconnect the K111 No. 3 CAN junction connector.

    3. B003YH2C09
      *a

      Front view of wire harness connector

      (to CAN No. 3 Junction Connector)

      *b to No. 5 CAN Junction Connector
      *c to Junction terminal

      Measure the resistance according to the value(s) in the table below.

      Standard Resistance
      Tester Connection Condition Specified Condition Connected to
      K111-7 (CANH) - K111-18 (CANL) Cable disconnected from negative (-) auxiliary battery terminal 108 to 132 Ω No. 5 CAN junction connector
      K111-11 (CANH) - K111-22 (CANL) Cable disconnected from negative (-) auxiliary battery terminal 108 to 132 Ω Junction terminal
      Result
      Result Proceed to
      OK A
      NG (No. 5 CAN junction connector main line) B
      NG (Junction terminal main line) C

    A
    B
    C
  15. CHECK FOR SHORT IN SUB BUS 1 LINES (NO. 5 CAN JUNCTION CONNECTOR)


    1. Reconnect the K106 junction terminal.

    2. Disconnect the K113 No. 5 CAN junction connector.

    3. B003YH2C10
      *a

      Front view of wire harness connector

      (to No. 5 CAN Junction Connector)

      *b to No. 3 CAN Junction Connector
      *c to Main Body ECU (Multiplex Network Body ECU)
      *d

      to Outer Mirror Control ECU Assembly (for Driver Side)

      (w/ Seat Position Memory System)

      *e

      to Multiplex Tilt and Telescopic ECU

      (w/ Power Tilt and Power Telescopic System)

      *f

      to Front Power Seat Switch LH

      (w/ Seat Position Memory System)

      Measure the resistance according to the value(s) in the table below.

      Standard Resistance
      Tester Connection Condition Specified Condition Connected to
      K113-7 (CANH) - K113-18 (CANL) Cable disconnected from negative (-) auxiliary battery terminal 108 to 132 Ω No. 3 CAN junction connector
      K113-8 (CANH) - K113-19 (CANL) Cable disconnected from negative (-) auxiliary battery terminal 108 to 132 Ω Main body ECU (multiplex network body ECU)
      K113-9 (CANH) - K113-20 (CANL) Cable disconnected from negative (-) auxiliary battery terminal 200 Ω or higher Outer mirror control ECU assembly (for driver side) *1
      K113-10 (CANH) - K113-21 (CANL) Cable disconnected from negative (-) auxiliary battery terminal 200 Ω or higher Multiplex tilt and telescopic ECU*2
      K113-11 (CANH) - K113-22 (CANL) Cable disconnected from negative (-) auxiliary battery terminal 200 Ω or higher Front power seat switch LH*1

      • *1: w/ Seat position memory system

      • *2: w/ Power tilt and Power telescopic system

      Result
      Result Proceed to
      OK A
      NG (Main body ECU (multiplex network body ECU) main line) B
      NG (ECU or sensor branch line) C
      NG (No. 3 CAN junction connector main line) D

    A
    B
    C
    D
  16. CHECK FOR SHORT IN SUB BUS 1 LINE (NO. 5 CAN JUNCTION CONNECTOR)


    1. Disconnect the K113 No. 5 CAN junction connector.

    2. Measure the resistance according to the value(s) in the table below.

      B003YGHC40
      *1 DLC3 - -
      *a

      Front view of wire harness connector

      (to No. 5 CAN Junction Connector)

      *b to No. 3 CAN Junction Connector
      *c to Main Body ECU (Multiplex Network Body ECU) *d

      to Outer Mirror Control ECU Assembly (for Driver Side)

      (w/ Seat Position Memory System)

      *e

      to Multiplex Tilt and Telescopic ECU

      (w/ Power Tilt and Power Telescopic System)

      *f

      to Front Power Seat Switch LH

      (w/ Seat Position Memory System)

      Standard Resistance
      Tester Connection Condition Specified Condition Purpose Connected to
      K113-7 (CANH) - K9-4 (CG) Cable disconnected from negative (-) auxiliary battery terminal 200 Ω or higher Below 200 Ω: CANH ground short No. 3 CAN junction connector
      K113-18 (CANL) - K9-4 (CG) Cable disconnected from negative (-) auxiliary battery terminal 200 Ω or higher Below 200 Ω: CANL ground short
      K113-8 (CANH) - K9-4 (CG) Cable disconnected from negative (-) auxiliary battery terminal 200 Ω or higher Below 200 Ω: CANH ground short Main body ECU (Multiplex network body ECU)
      K113-19 (CANL) - K9-4 (CG) Cable disconnected from negative (-) auxiliary battery terminal 200 Ω or higher Below 200 Ω: CANL ground short
      K113-9 (CANH) - K9-4 (CG) Cable disconnected from negative (-) auxiliary battery terminal 200 Ω or higher Below 200 Ω: CANH ground short Outer mirror control ECU assembly (for driver side)*1
      K113-20 (CANL) - K9-4 (CG) Cable disconnected from negative (-) auxiliary battery terminal 200 Ω or higher Below 200 Ω: CANL ground short
      K113-10 (CANH) - K9-4 (CG) Cable disconnected from negative (-) auxiliary battery terminal 200 Ω or higher Below 200 Ω: CANH ground short Multiplex tilt and telescopic ECU*2
      K113-21 (CANL) - K9-4 (CG) Cable disconnected from negative (-) auxiliary battery terminal 200 Ω or higher Below 200 Ω: CANL ground short
      K113-11 (CANH) - K9-4 (CG) Cable disconnected from negative (-) auxiliary battery terminal 200 Ω or higher Below 200 Ω: CANH ground short Front power seat switch LH*1
      K113-22 (CANL) - K9-4 (CG) Cable disconnected from negative (-) auxiliary battery terminal 200 Ω or higher Below 200 Ω: CANL ground short
      K113-7 (CANH) - K9-16 (BAT) Cable disconnected from negative (-) auxiliary battery terminal 6 kΩ or higher Below 6 kΩ: CANH +B short No. 3 CAN junction connector
      K113-18 (CANL) - K9-16 (BAT) Cable disconnected from negative (-) auxiliary battery terminal 6 kΩ or higher Below 6 kΩ: CANL +B short
      K113-8 (CANH) - K9-16 (BAT) Cable disconnected from negative (-) auxiliary battery terminal 6 kΩ or higher Below 6 kΩ: CANH +B short Main body ECU (Multiplex network body ECU)
      K113-19 (CANL) - K9-16 (BAT) Cable disconnected from negative (-) auxiliary battery terminal 6 kΩ or higher Below 6 kΩ: CANL +B short
      K113-9 (CANH) - K9-16 (BAT) Cable disconnected from negative (-) auxiliary battery terminal 6 kΩ or higher Below 6 kΩ: CANH +B short Outer mirror control ECU assembly (for driver side)*1
      K113-20 (CANL) - K9-16 (BAT) Cable disconnected from negative (-) auxiliary battery terminal 6 kΩ or higher Below 6 kΩ: CANL +B short
      K113-10 (CANH) - K9-16 (BAT) Cable disconnected from negative (-) auxiliary battery terminal 6 kΩ or higher Below 6 kΩ: CANH +B short Multiplex tilt and telescopic ECU*2
      K113-21 (CANL) - K9-16 (BAT) Cable disconnected from negative (-) auxiliary battery terminal 6 kΩ or higher Below 6 kΩ: CANL +B short
      K113-11 (CANH) - K9-16 (BAT) Cable disconnected from negative (-) auxiliary battery terminal 6 kΩ or higher Below 6 kΩ: CANH +B short Front power seat switch LH*1
      K113-22 (CANL) - K9-16 (BAT) Cable disconnected from negative (-) auxiliary battery terminal 6 kΩ or higher Below 6 kΩ: CANL +B short

      • *1: w/ Seat position memory system

      • *2: w/ Power tilt and power telescopic system

      Tech Tips


      • It is only necessary to perform the inspection in the above table for the result (short circuit) that was obtained in the Check Sub Bus 1 inspection.

      • Find the necessary inspection from the Purpose column that matches the result in the Result column from the Check Sub Bus 1 inspection.

      Result
      Result Proceed to
      OK A
      NG (Main body ECU (multiplex network body ECU) main line) B
      NG (ECU or sensor branch line) C
      NG (No. 3 CAN junction connector main line) D

    A
    C
    D
    B
  17. CHECK FOR SHORT IN SUB BUS 1 LINE (MAIN BODY ECU (MULTIPLEX NETWORK BODY ECU))


    1. Reconnect the K113 No. 5 CAN junction connector.

    2. Disconnect the K1 main body ECU (multiplex network body ECU).

    3. B003XSQC01
      *1 DLC3
      *a

      Front view of wire harness connector

      (to Main Body ECU (Multiplex Network Body ECU))

      Measure the resistance according to the value(s) in the table below.

      Standard Resistance
      Tester Connection Condition Specified Condition Purpose
      K1-9 (CANP) - K9-4 (CG) Cable disconnected from negative (-) auxiliary battery terminal 200 Ω or higher Below 200 Ω: CANH ground short
      K1-10 (CANN) - K9-4 (CG) Cable disconnected from negative (-) auxiliary battery terminal 200 Ω or higher Below 200 Ω: CANL ground short
      K1-9 (CANP) - K9-16 (BAT) Cable disconnected from negative (-) auxiliary battery terminal 6 kΩ or higher Below 6 kΩ: CANH +B short
      K1-10 (CANN) - K9-16 (BAT) Cable disconnected from negative (-) auxiliary battery terminal 6 kΩ or higher Below 6 kΩ: CANL +B short

      Tech Tips


      • It is only necessary to perform the inspection in the above table for the result (short circuit) that was obtained in the Check Sub Bus 1 inspection.

      • Find the necessary inspection from the Purpose column that matches the result in the Result column from the Check Sub Bus 1 inspection.

      Result
      Result
      OK
      NG

    OK
    NG
  18. CHECK SUB BUS 1


    1. Disconnect the cable from the negative (-) auxiliary battery terminal.

    2. B003YM5C01
      *1 DLC3
      *a

      Component with harness connected

      (Main Body ECU (Multiplex Network Body ECU))

      Measure the resistance according to the value(s) in the table below.

      Standard Resistance
      Tester Connection Condition Specified Condition Result
      K1-9 (CANP) - K1-10 (CANN) Cable disconnected from negative (-) auxiliary battery terminal 54 to 69 Ω Below 54 Ω: Short circuit between bus lines
      70 Ω or more: Open circuit in main bus line
      K1-9 (CANP) - K9-4 (CG) Cable disconnected from negative (-) auxiliary battery terminal 200 Ω or higher Below 200 Ω: CANH ground short
      K1-10 (CANN) - K9-4 (CG) Cable disconnected from negative (-) auxiliary battery terminal 200 Ω or higher Below 200 Ω: CANL ground short
      K1-9 (CANP) - K9-16 (BAT) Cable disconnected from negative (-) auxiliary battery terminal 6 kΩ or higher Below 6 kΩ: CANH +B short
      K1-10 (CANN) - K9-16 (BAT) Cable disconnected from negative (-) auxiliary battery terminal 6 kΩ or higher Below 6 kΩ: CANL +B short
      Result
      Result Proceed to
      OK (w/ Seat position memory system) A
      OK (w/o Seat position memory system) B
      Open circuit in CAN main bus line C
      Short circuit between bus lines D

      • Ground short

      • +B short

      E

    B
    C
    D
    E
    A
  19. CHECK FOR DTC OUTPUT


    1. Reconnect the cable to the negative (-) auxiliary battery terminal.

    2. Connect the GTS to the DLC3.

    3. Turn the power switch on (IG).

    4. Turn the GTS on.

    5. Clear the DTCs.


      Body Electrical > Main Body > Clear DTCs
    6. Turn the power switch off.

    7. Turn the power switch on (IG).

    8. Check for DTCs.


      Body Electrical > Main Body > Trouble Codes
      Result
      Result Proceed to
      U1002 is not output from main body ECU (multiplex network body ECU) (GTS display: Main Body) A
      U1002 is output from main body ECU (multiplex network body ECU) (GTS display: Main Body) B

    A
    B
  20. CHECK FOR SHORT IN SUB BUS 1 LINES (NO. 3 CAN JUNCTION CONNECTOR)


    1. Reconnect the K113 No. 5 CAN junction connector.

    2. Disconnect the K111 No. 3 CAN junction connector.

    3. B003YH2C11
      *a

      Front view of wire harness connector

      (to No. 3 CAN Junction Connector)

      *b to No. 5 CAN Junction Connector
      *c

      to Outer Mirror Control ECU Assembly (for Front Passenger Side)

      (w/ Seat Position Memory System)

      *d to Junction Terminal

      Measure the resistance according to the value(s) in the table below.

      Standard Resistance
      Tester Connection Condition Specified Condition Connected to
      K111-7 (CANH) - K111-18 (CANL) Cable disconnected from negative (-) auxiliary battery terminal 108 to 132 Ω No. 5 CAN junction connector
      K111-10 (CANH) - K111-21 (CANL) Cable disconnected from negative (-) auxiliary battery terminal 200 Ω or higher Outer mirror control ECU assembly (for front passenger side) *
      K111-11 (CANH) - K111-22 (CANL) Cable disconnected from negative (-) auxiliary battery terminal 108 to 132 Ω Junction terminal

      *: w/ Seat position memory system

      Result
      Result Proceed to
      OK A
      NG (No. 5 CAN junction connector main line) B
      NG (ECU or sensor branch line) C
      NG (Junction terminal main line) D

    A
    B
    C
    D
  21. CHECK FOR SHORT IN SUB BUS 1 LINE (NO. 3 CAN JUNCTION CONNECTOR)


    1. Reconnect the K113 No. 5 CAN junction connector.

    2. Disconnect the K111 No. 3 CAN junction connector.

    3. Measure the resistance according to the value(s) in the table below.

      B003YGHC41
      *1 DLC3 - -
      *a

      Front view of wire harness connector

      (to No. 3 CAN Junction Connector)

      *b to No. 5 CAN Junction Connector
      *c

      to Outer Mirror Control ECU Assembly (for Front Passenger Side)

      (w/ Seat Position Memory System)

      *d to Junction Terminal
      Standard Resistance
      Tester Connection Condition Specified Condition Purpose Connected to
      K111-7 (CANH) - K9-4 (CG) Cable disconnected from negative (-) auxiliary battery terminal 200 Ω or higher Below 200 Ω: CANH ground short No. 5 CAN junction connector
      K111-18 (CANL) - K9-4 (CG) Cable disconnected from negative (-) auxiliary battery terminal 200 Ω or higher Below 200 Ω: CANL ground short
      K111-10 (CANH) - K9-4 (CG) Cable disconnected from negative (-) auxiliary battery terminal 200 Ω or higher Below 200 Ω: CANH ground short Outer mirror control ECU assembly (for front passenger side)*
      K111-21 (CANL) - K9-4 (CG) Cable disconnected from negative (-) auxiliary battery terminal 200 Ω or higher Below 200 Ω: CANL ground short
      K111-11 (CANH) - K9-4 (CG) Cable disconnected from negative (-) auxiliary battery terminal 200 Ω or higher Below 200 Ω: CANH ground short Junction terminal
      K111-22 (CANL) - K9-4 (CG) Cable disconnected from negative (-) auxiliary battery terminal 200 Ω or higher Below 200 Ω: CANL ground short
      K111-7 (CANH) - K9-16 (BAT) Cable disconnected from negative (-) auxiliary battery terminal 6 kΩ or higher Below 6 kΩ: CANH +B short No. 5 CAN junction connector
      K111-18 (CANL) - K9-16 (BAT) Cable disconnected from negative (-) auxiliary battery terminal 6 kΩ or higher Below 6 kΩ: CANL +B short
      K111-10 (CANH) - K9-16 (BAT) Cable disconnected from negative (-) auxiliary battery terminal 6 kΩ or higher Below 6 kΩ: CANH +B short Outer mirror control ECU assembly (for front passenger side)*
      K111-21 (CANL) - K9-16 (BAT) Cable disconnected from negative (-) auxiliary battery terminal 6 kΩ or higher Below 6 kΩ: CANL +B short
      K111-11 (CANH) - K9-16 (BAT) Cable disconnected from negative (-) auxiliary battery terminal 6 kΩ or higher Below 6 kΩ: CANH +B short Junction terminal
      K111-22 (CANL) - K9-16 (BAT) Cable disconnected from negative (-) auxiliary battery terminal 6 kΩ or higher Below 6 kΩ: CANL +B short

      *: w/ Seat position memory system

      Tech Tips


      • It is only necessary to perform the inspection in the above table for the result (short circuit) that was obtained in the Check Sub Bus 1 inspection.

      • Find the necessary inspection from the Purpose column that matches the result in the Result column from the Check Sub Bus 1 inspection.

      Result
      Result Proceed to
      OK A
      NG (No. 5 junction connector main line) B
      NG (ECU or sensor branch line) C
      NG (Junction terminal main line) D

    A
    B
    C
    D
  22. CHECK FOR OPEN IN SUB BUS 1 LINES (MULTIPLEX TILT AND TELESCOPIC ECU BRANCH LINE)


    1. Disconnect the K19 multiplex tilt and telescopic ECU connector.

    2. B003YD1C06
      *a

      Front view of wire harness connector

      (to Multiplex Tilt and Telescopic ECU)

      Measure the resistance according to the value(s) in the table below.

      Standard Resistance
      Tester Connection Condition Specified Condition
      K19-3 (CANP) - K19-11 (CANN) Cable disconnected from negative (-) auxiliary battery terminal 54 to 69 Ω
      Result
      Result
      OK
      NG

    NG
    OK
  23. CHECK HARNESS AND CONNECTOR (POWER SOURCE CIRCUIT)


    1. B003YD1C15
      *a

      Front view of wire harness connector

      (to Multiplex Tilt and Telescopic ECU)

      Measure the resistance according to the value(s) in the table below.

      Standard Resistance
      Tester Connection Condition Specified Condition
      K19-1 (GND) - Body ground Cable disconnected from negative (-) auxiliary battery terminal Below 1 Ω
      K19-8 (GND2) - Body ground Cable disconnected from negative (-) auxiliary battery terminal Below 1 Ω
    2. Reconnect the cable to the negative (-) auxiliary battery terminal.

    3. B003YD1C08
      *a

      Front view of wire harness connector

      (to Multiplex Tilt and Telescopic ECU)

      Measure the voltage according to the value(s) in the table below.

      Standard Voltage
      Tester Connection Condition Specified Condition
      K19-2 (+B) - Body ground Power switch off 11 to 14 V
      K19-9 (ECUB) - Body ground Power switch off 11 to 14 V
      K19-10 (IG) - Body ground Power switch on (IG) 11 to 14 V
      Result
      Result
      OK
      NG

    NG
    OK
  24. REPLACE MAIN BODY ECU (MULTIPLEX NETWORK BODY ECU)


    1. Replace the main body ECU (multiplex network body ECU).

      Click here

      Result
      Result
      NEXT

    NEXT
  25. CHECK FOR DTC OUTPUT


    1. Reconnect the cable to the negative (-) auxiliary battery terminal.

    2. Turn the power switch on (IG).

    3. Check for DTCs.


      Body Electrical > Main Body > Trouble Codes
      Result
      Result Proceed to
      U1002 is output from main body ECU (multiplex network body ECU) (GTS display: Main Body) A
      U1002 is not output from main body ECU (multiplex network body ECU) (GTS display: Main Body) B

    A
    B
  26. CHECK FOR SHORT IN SUB BUS 1 LINES (ECU, SENSOR)


    1. Reconnect all wire harness connectors.

    2. Disconnect the connector that includes terminals CANH and CANL from the ECU (or sensor) to which the short circuited branch line is connected.

      Click here

    3. B003XR7C05
      *a

      Component with harness connected

      (Main Body ECU (Multiplex Network Body ECU))

      Measure the resistance according to the value(s) in the table below.

      Standard Resistance
      Tester Connection Condition Specified Condition
      K1-9 (CANP) - K1-10 (CANN) Cable disconnected from negative (-) auxiliary battery terminal 54 to 69 Ω

      Tech Tips

      If the resistance becomes normal (between 54 and 69 Ω) when the connector is disconnected from the ECU (or sensor), there may be a short in the ECU (or sensor).

      Result
      Result
      OK
      NG

    OK
    NG
  27. CHECK FOR SHORT IN SUB BUS 1 LINE (ECU, SENSOR)


    1. Reconnect all wire harness connectors.

    2. Disconnect the connector that includes terminals CANH and CANL from the ECU (or sensor) to which the bus line shorted to +B or shorted to GND is connected.

      Click here

    3. B003YM5C02
      *1 DLC3
      *a

      Component with harness connected

      (Main Body ECU (Multiplex Network Body ECU))

      Measure the resistance according to the value(s) in the table below.

      Standard Resistance
      Tester Connection Condition Specified Condition Purpose
      K1-9 (CANP) - K9-4 (CG) Cable disconnected from negative (-) auxiliary battery terminal 200 Ω or higher Below 200 Ω: CANH ground short
      K1-10 (CANN) - K9-4 (CG) Cable disconnected from negative (-) auxiliary battery terminal 200 Ω or higher Below 200 Ω: CANL ground short
      K1-9 (CANP) - K9-16 (BAT) Cable disconnected from negative (-) auxiliary battery terminal 6 kΩ or higher Below 6 kΩ: CANH +B short
      K1-10 (CANN) - K9-16 (BAT) Cable disconnected from negative (-) auxiliary battery terminal 6 kΩ or higher Below 6 kΩ: CANH +B short

      Tech Tips


      • It is only necessary to perform the inspection in the above table for the result (short circuit) that was obtained in the Check Sub Bus 1 inspection.

      • If the resistance becomes normal when the connector is disconnected from the ECU, there may be a short in the ECU.

      • Find the necessary inspection from the Purpose column that matches the result in the Result column from the Check Sub Bus 1 inspection.

      Result
      Result
      OK
      NG

    OK
    NG
  28. CHECK FOR OPEN IN SUB BUS 1 LINES (NO. 4 CAN JUNCTION CONNECTOR - MULTIPLEX TILT AND TELESCOPIC ECU)


    1. Reconnect the K19 multiplex tilt and telescopic ECU connector.

    2. B003YH2C12
      *a

      Front view of wire harness connector

      (CAN No. 4 Junction Connector)

      Disconnect the K112 No. 4 CAN junction connector.

    3. Measure the resistance according to the value(s) in the table below.

      Standard Resistance
      Tester Connection Condition Specified Condition
      K112-8 (CANH) - K112-19 (CANL) Cable disconnected from negative (-) auxiliary battery terminal 200 Ω or higher
      Result
      Result
      OK
      NG

    OK
    NG
  29. CHECK FOR SHORT IN SUB BUS 1 LINE (JUNCTION TERMINAL)


    1. Reconnect the K111 No. 3 CAN junction connector.

    2. Disconnect the K106 junction terminal.

    3. B003XZRC02
      *1 DLC3
      *a

      Front view of wire harness connector

      (to Junction Terminal)

      Measure the resistance according to the value(s) in the table below.

      Standard Resistance
      Tester Connection Condition Specified Condition Purpose
      K106-3 (CANH) - K9-4 (CG) Cable disconnected from negative (-) auxiliary battery terminal 200 Ω or higher Below 200 Ω: CANH ground short
      K106-2 (CANL) - K9-4 (CG) Cable disconnected from negative (-) auxiliary battery terminal 200 Ω or higher Below 200 Ω: CANL ground short
      K106-3 (CANH) - K9-16 (BAT) Cable disconnected from negative (-) auxiliary battery terminal 6 kΩ or higher Below 6 kΩ: CANH +B short
      K106-2 (CANL) - K9-16 (BAT) Cable disconnected from negative (-) auxiliary battery terminal 6 kΩ or higher Below 6 kΩ: CANL +B short

      Tech Tips


      • It is only necessary to perform the inspection in the above table for the result (short circuit) that was obtained in the Check Sub Bus 1 inspection.

      • Find the necessary inspection from the Purpose column that matches the result in the Result column from the Check Sub Bus 1 inspection.

      Result
      Result
      OK
      NG

    OK
    NG
  30. CHECK FOR OPEN IN SUB BUS 1 LINES (MAIN BODY ECU (MULTIPLEX NETWORK BODY ECU))


    1. Disconnect the K1 main body ECU (multiplex network body ECU) connector.

    2. B003XUDC05
      *a

      Front view of wire harness connector

      (to Main Body ECU (Multiplex Network Body ECU))

      Measure the resistance according to the value(s) in the table below.

      Standard Resistance
      Tester Connection Condition Specified Condition
      K1-9 (CANP) - K1-10 (CANN) Cable disconnected from negative (-) auxiliary battery terminal 108 to 132 Ω
      Result
      Result
      OK
      NG

    OK
    NG
  31. CHECK FOR OPEN IN SUB BUS 1 LINES (JUNCTION TERMINAL)


    1. Reconnect the K1 main body ECU (multiplex network body ECU) connector.

    2. Disconnect the K106 junction terminal.

    3. B003YIVC09
      *a

      Front view of wire harness connector

      (to Junction Terminal)

      Measure the resistance according to the value(s) in the table below.

      Standard Resistance
      Tester Connection Condition Specified Condition
      K106-3 (CANH) - K106-2 (CANL) Cable disconnected from negative (-) auxiliary battery terminal 108 to 132 Ω
      Result
      Result
      OK
      NG

    OK
    NG
  32. CHECK FOR OPEN IN SUB BUS 1 LINES (NO. 6 CAN JUNCTION CONNECTOR)


    1. Reconnect the K106 junction terminal.

    2. Disconnect the K114 No. 6 CAN junction connector.

    3. B003YH2C13
      *a

      Front view of wire harness connector

      (to No. 6 CAN Junction Connector)

      *b to No. 4 CAN Junction Connector
      *c to Main Body ECU (Multiplex Network Body ECU)

      Measure the resistance according to the value(s) in the table below.

      Standard Resistance
      Tester Connection Condition Specified Condition Connected to
      K114-7 (CANH) - K114-18 (CANL) Cable disconnected from negative (-) auxiliary battery terminal 108 to 132 Ω No. 4 CAN junction connector
      K114-8 (CANH) - K114-19 (CANL) Cable disconnected from negative (-) auxiliary battery terminal 108 to 132 Ω Main body ECU (multiplex network body ECU)
      Result
      Result Proceed to
      OK A
      NG (Main body ECU (multiplex network body ECU) main line) B
      NG (No. 4 CAN junction connector main line) C

    A
    B
    C
  33. CHECK FOR SHORT IN SUB BUS 1 LINES (MAIN BODY ECU (MULTIPLEX NETWORK BODY ECU))


    1. Disconnect the K1 main body ECU (multiplex network body ECU) connector.

    2. B003XUDC06
      *a

      Front view of wire harness connector

      (to Main Body ECU (Multiplex Network Body ECU))

      Measure the resistance according to the value(s) in the table below.

      Standard Resistance
      Tester Connection Condition Specified Condition
      K1-9 (CANP) - K1-10 (CANN) Cable disconnected from negative (-) auxiliary battery terminal 108 to 132 Ω
      Result
      Result
      OK
      NG

    OK
    NG
  34. CHECK FOR SHORT IN SUB BUS 1 LINES (JUNCTION TERMINAL)


    1. Reconnect the K1 main body ECU (multiplex network body ECU) connector.

    2. Disconnect the K106 junction terminal.

    3. B003YIVC10
      *a

      Front view of wire harness connector

      (to Junction Terminal)

      Measure the resistance according to the value(s) in the table below.

      Standard Resistance
      Tester Connection Condition Specified Condition
      K106-3 (CANH) - K106-2 (CANL) Cable disconnected from negative (-) auxiliary battery terminal 108 to 132 Ω
      Result
      Result
      OK
      NG

    OK
    NG
  35. CHECK FOR OPEN IN SUB BUS 1 LINES (NO. 4 CAN JUNCTION CONNECTOR)


    1. Reconnect the K114 No. 6 CAN junction connector.

    2. Disconnect the K112 No. 4 CAN junction connector.

    3. B003YH2C14
      *a

      Front view of wire harness connector

      (to CAN No. 4 Junction Connector)

      *b to No. 6 CAN Junction Connector
      *c to Junction Terminal

      Measure the resistance according to the value(s) in the table below.

      Standard Resistance
      Tester Connection Condition Specified Condition Connected to
      K112-7 (CANH) - K112-18 (CANL) Cable disconnected from negative (-) auxiliary battery terminal 108 to 132 Ω No. 6 CAN junction connector
      K112-11 (CANH) - K112-22 (CANL) Cable disconnected from negative (-) auxiliary battery terminal 108 to 132 Ω Junction terminal
      Result
      Result Proceed to
      OK A
      NG (No. 6 CAN junction connector main line) B
      NG (Junction terminal main line) C

    A
    B
    C
  36. CHECK FOR SHORT IN SUB BUS 1 LINES (NO. 4 CAN JUNCTION CONNECTOR)


    1. Reconnect the K106 junction terminal.

    2. Disconnect the K112 No. 4 CAN junction connector.

    3. B003YH2C17
      *a

      Front view of wire harness connector

      (to No. 4 CAN Junction Connector)

      *b to No. 6 CAN Junction Connector
      *c

      to Multiplex Tilt and Telescopic ECU

      (w/ Power Tilt and Power Telescopic System)

      *d

      to Front Power Seat Switch RH

      (w/ Seat Position Memory System)

      *e

      to Outer Mirror Control ECU Assembly (for Driver Side)

      (w/ Seat Position Memory System)

      *f to Junction Terminal

      Measure the resistance according to the value(s) in the table below.

      Standard Resistance
      Tester Connection Condition Specified Condition Connected to
      K112-7 (CANH) - K112-18 (CANL) Cable disconnected from negative (-) auxiliary battery terminal 108 to 132 Ω No. 6 CAN junction connector
      K112-8 (CANH) - K112-19 (CANL) Cable disconnected from negative (-) auxiliary battery terminal 200 Ω or higher Multiplex tilt and telescopic ECU*1
      K112-9 (CANH) - K112-20 (CANL) Cable disconnected from negative (-) auxiliary battery terminal 200 Ω or higher Front power seat switch RH*2
      K112-10 (CANH) - K112-21 (CANL) Cable disconnected from negative (-) auxiliary battery terminal 200 Ω or higher Outer mirror control ECU assembly (for driver side) *2
      K112-11 (CANH) - K112-22 (CANL) Cable disconnected from negative (-) auxiliary battery terminal 108 to 132 Ω junction terminal

      • *1: w/ Power tilt and power telescopic system

      • *2: w/ Seat position memory system

      Result
      Result Proceed to
      OK A
      NG (Junction terminal) B
      NG (ECU or sensor branch line) C
      NG (No. 6 CAN junction connector main line) D

    A
    B
    C
    D
  37. CHECK FOR SHORT IN SUB BUS 1 LINE (NO. 4 CAN JUNCTION CONNECTOR)


    1. Disconnect the K112 No. 4 CAN junction connector.

    2. Measure the resistance according to the value(s) in the table below.

      B003YGHC43
      *1 DLC3 - -
      *a

      Front view of wire harness connector

      (to No. 4 CAN Junction Connector)

      *b to No. 6 CAN Junction Connector
      *c

      to Multiplex Tilt and Telescopic ECU

      (w/ Power Tilt and Power Telescopic System)

      *d

      to Front Power Seat Switch RH

      (w/ Seat Position Memory System)

      *e

      to Outer Mirror Control ECU Assembly (for Driver Side)

      (w/ Seat Position Memory System)

      *f to Junction Terminal
      Standard Resistance
      Tester Connection Condition Specified Condition Purpose Connected to
      K112-7 (CANH) - K9-4 (CG) Cable disconnected from negative (-) auxiliary battery terminal 200 Ω or higher Below 200 Ω: CANH ground short No. 6 CAN junction connector
      K112-18 (CANL) - K9-4 (CG) Cable disconnected from negative (-) auxiliary battery terminal 200 Ω or higher Below 200 Ω: CANL ground short
      K112-8 (CANH) - K9-4 (CG) Cable disconnected from negative (-) auxiliary battery terminal 200 Ω or higher Below 200 Ω: CANH ground short Multiplex tilt and telescopic ECU*1
      K112-19 (CANL) - K9-4 (CG) Cable disconnected from negative (-) auxiliary battery terminal 200 Ω or higher Below 200 Ω: CANL ground short
      K112-9 (CANH) - K9-4 (CG) Cable disconnected from negative (-) auxiliary battery terminal 200 Ω or higher Below 200 Ω: CANH ground short Front power seat switch RH*2
      K112-20 (CANL) - K9-4 (CG) Cable disconnected from negative (-) auxiliary battery terminal 200 Ω or higher Below 200 Ω: CANL ground short
      K112-10 (CANH) - K9-4 (CG) Cable disconnected from negative (-) auxiliary battery terminal 200 Ω or higher Below 200 Ω: CANH ground short Outer mirror control ECU assembly (for driver side)*2
      K112-21 (CANL) - K9-4 (CG) Cable disconnected from negative (-) auxiliary battery terminal 200 Ω or higher Below 200 Ω: CANL ground short
      K112-11 (CANH) - K9-4 (CG) Cable disconnected from negative (-) auxiliary battery terminal 200 Ω or higher Below 200 Ω: CANH ground short Junction terminal
      K112-22 (CANL) - K9-4 (CG) Cable disconnected from negative (-) auxiliary battery terminal 200 Ω or higher Below 200 Ω: CANL ground short
      K112-7 (CANH) - K9-16 (BAT) Cable disconnected from negative (-) auxiliary battery terminal 6 kΩ or higher Below 6 kΩ: CANH +B short No. 6 CAN junction connector
      K112-18 (CANL) - K9-16 (BAT) Cable disconnected from negative (-) auxiliary battery terminal 6 kΩ or higher Below 6 kΩ: CANL +B short
      K112-8 (CANH) - K9-16 (BAT) Cable disconnected from negative (-) auxiliary battery terminal 6 kΩ or higher Below 6 kΩ: CANH +B short Multiplex tilt and telescopic ECU*1
      K112-19 (CANL) - K9-16 (BAT) Cable disconnected from negative (-) auxiliary battery terminal 6 kΩ or higher Below 6 kΩ: CANL +B short
      K112-9 (CANH) - K9-16 (BAT) Cable disconnected from negative (-) auxiliary battery terminal 6 kΩ or higher Below 6 kΩ: CANH +B short Front power seat switch RH*2
      K112-20 (CANL) - K9-16 (BAT) Cable disconnected from negative (-) auxiliary battery terminal 6 kΩ or higher Below 6 kΩ: CANL +B short
      K112-10 (CANH) - K9-16 (BAT) Cable disconnected from negative (-) auxiliary battery terminal 6 kΩ or higher Below 6 kΩ: CANH +B short Outer mirror control ECU assembly (for driver side)*2
      K112-21 (CANL) - K9-16 (BAT) Cable disconnected from negative (-) auxiliary battery terminal 6 kΩ or higher Below 6 kΩ: CANL +B short
      K112-11 (CANH) - K9-16 (BAT) Cable disconnected from negative (-) auxiliary battery terminal 6 kΩ or higher Below 6 kΩ: CANH +B short Junction terminal
      K112-22 (CANL) - K9-16 (BAT) Cable disconnected from negative (-) auxiliary battery terminal 6 kΩ or higher Below 6 kΩ: CANL +B short

      • *1: w/ Power tilt and power telescopic system

      • *2: w/ Seat position memory system

      Tech Tips


      • It is only necessary to perform the inspection in the above table for the result (short circuit) that was obtained in the Check Sub Bus 1 inspection.

      • Find the necessary inspection from the Purpose column that matches the result in the Result column from the Check Sub Bus 1 inspection.

      Result
      Result Proceed to
      OK A
      NG (Junction terminal main line) B
      NG (ECU or sensor branch line) C
      NG (No. 6 CAN junction connector main line) D

    A
    B
    C
    D
  38. CHECK FOR SHORT IN SUB BUS 1 LINES (NO. 6 CAN JUNCTION CONNECTOR)


    1. Reconnect the K112 No. 4 CAN junction connector.

    2. Disconnect the K114 No. 6 CAN junction connector.

    3. B003YH2C18
      *a

      Front view of wire harness connector

      (to No. 6 CAN Junction Connector)

      *b to No. 4 CAN Junction Connector
      *c to Main Body ECU (Multiplex Network Body ECU)
      *d

      to Outer Mirror Control ECU Assembly (for Front Passenger Side)

      (w/ Seat Position Memory System)

      Measure the resistance according to the value(s) in the table below.

      Standard Resistance
      Tester Connection Condition Specified Condition Connected to
      K114-7 (CANH) - K114-18 (CANL) Cable disconnected from negative (-) auxiliary battery terminal 108 to 132 Ω No. 4 CAN junction connector
      K114-8 (CANH) - K114-19 (CANL) Cable disconnected from negative (-) auxiliary battery terminal 108 to 132 Ω Main body ECU (multiplex network body ECU)
      K114-9 (CANH) - K114-20 (CANL) Cable disconnected from negative (-) auxiliary battery terminal 200 Ω or higher Outer mirror control ECU assembly (for front passenger side)*

      *: w/ Seat position memory system

      Result
      Result Proceed to
      OK A
      NG (No. 4 CAN junction connector main line) B
      NG (ECU or sensor branch line) C
      NG (Main body ECU (multiplex network body ECU) main line) D

    A
    B
    C
    D
  39. CHECK FOR SHORT IN SUB BUS 1 LINE (JUNCTION TERMINAL)


    1. Reconnect the K112 No. 4 CAN junction connector.

    2. Disconnect the K106 junction terminal.

    3. B003XZRC02
      *1 DLC3
      *a

      Front view of wire harness connector

      (to Junction Terminal)

      Measure the resistance according to the value(s) in the table below.

      Standard Resistance
      Tester Connection Condition Specified Condition Purpose
      K106-3 (CANH) - K9-4 (CG) Cable disconnected from negative (-) auxiliary battery terminal 200 Ω or higher Below 200 Ω: CANH ground short
      K106-2 (CANL) - K9-4 (CG) Cable disconnected from negative (-) auxiliary battery terminal 200 Ω or higher Below 200 Ω: CANL ground short
      K106-3 (CANH) - K9-16 (BAT) Cable disconnected from negative (-) auxiliary battery terminal 6 kΩ or higher Below 6 kΩ: CANH +B short
      K106-2 (CANL) - K9-16 (BAT) Cable disconnected from negative (-) auxiliary battery terminal 6 kΩ or higher Below 6 kΩ: CANL +B short

      Tech Tips


      • It is only necessary to perform the inspection in the above table for the result (short circuit) that was obtained in the Check Sub Bus 1 inspection.

      • Find the necessary inspection from the Purpose column that matches the result in the Result column from the Check Sub Bus 1 inspection.

      Result
      Result
      OK
      NG

    OK
    NG
  40. CHECK FOR SHORT IN SUB BUS 1 LINES (ECU, SENSOR)


    1. Reconnect all wire harness connectors.

    2. Disconnect the connector that includes terminals CANH and CANL from the ECU (or sensor) to which the short circuited branch line is connected.

      Click here

    3. B003XR7C05
      *a

      Component with harness connected

      (Main Body ECU (Multiplex Network Body ECU))

      Measure the resistance according to the value(s) in the table below.

      Standard Resistance
      Tester Connection Condition Specified Condition
      K1-9 (CANP) - K1-10 (CANN) Cable disconnected from negative (-) auxiliary battery terminal 54 to 69 Ω

      Tech Tips

      If the resistance becomes normal (between 54 and 69 Ω) when the connector is disconnected from the ECU (or sensor), there may be a short in the ECU (or sensor).

      Result
      Result
      OK
      NG

    OK
    NG
  41. CHECK FOR SHORT IN SUB BUS 1 LINE (NO. 6 CAN JUNCTION CONNECTOR)


    1. Reconnect the K112 No. 4 CAN junction connector.

    2. Disconnect the K114 No. 6 CAN junction connector.

    3. Measure the resistance according to the value(s) in the table below.

      B003YGHC44
      *1 DLC3 - -
      *a

      Front view of wire harness connector

      (to No. 6 CAN Junction Connector)

      *b to No. 4 CAN Junction Connector
      *c to Main Body ECU (Multiplex Network Body ECU) *d

      to Outer Mirror Control ECU Assembly (for Front Passenger Side)

      (w/ Seat Position Memory System)

      Standard Resistance
      Tester Connection Condition Specified Condition Purpose Connected to
      K114-7 (CANH) - K9-4 (CG) Cable disconnected from negative (-) auxiliary battery terminal 200 Ω or higher Below 200 Ω: CANH ground short No. 4 CAN junction connector
      K114-18 (CANL) - K9-4 (CG) Cable disconnected from negative (-) auxiliary battery terminal 200 Ω or higher Below 200 Ω: CANL ground short
      K114-8 (CANH) - K9-4 (CG) Cable disconnected from negative (-) auxiliary battery terminal 200 Ω or higher Below 200 Ω: CANH ground short Main body ECU (multiplex network body ECU)
      K114-19 (CANL) - K9-4 (CG) Cable disconnected from negative (-) auxiliary battery terminal 200 Ω or higher Below 200 Ω: CANL ground short
      K114-9 (CANH) - K9-4 (CG) Cable disconnected from negative (-) auxiliary battery terminal 200 Ω or higher Below 200 Ω: CANH ground short Outer mirror control ECU assembly (for front passenger side)*
      K114-20 (CANL) - K9-4 (CG) Cable disconnected from negative (-) auxiliary battery terminal 200 Ω or higher Below 200 Ω: CANL ground short
      K114-7 (CANH) - K9-16 (BAT) Cable disconnected from negative (-) auxiliary battery terminal 6 kΩ or higher Below 6 kΩ: CANH +B short No. 4 CAN junction connector
      K114-18 (CANL) - K9-16 (BAT) Cable disconnected from negative (-) auxiliary battery terminal 6 kΩ or higher Below 6 kΩ: CANL +B short
      K114-8 (CANH) - K9-16 (BAT) Cable disconnected from negative (-) auxiliary battery terminal 6 kΩ or higher Below 6 kΩ: CANH +B short Main body ECU (multiplex network body ECU)
      K114-19 (CANL) - K9-16 (BAT) Cable disconnected from negative (-) auxiliary battery terminal 6 kΩ or higher Below 6 kΩ: CANL +B short
      K114-9 (CANH) - K9-16 (BAT) Cable disconnected from negative (-) auxiliary battery terminal 6 kΩ or higher Below 6 kΩ: CANH +B short Outer mirror control ECU assembly (for front passenger side)*
      K114-20 (CANL) - K9-16 (BAT) Cable disconnected from negative (-) auxiliary battery terminal 6 kΩ or higher Below 6 kΩ: CANL +B short

      *: w/ Seat position memory system

      Tech Tips


      • It is only necessary to perform the inspection in the above table for the result (short circuit) that was obtained in the Check Sub Bus 1 inspection.

      • Find the necessary inspection from the Purpose column that matches the result in the Result column from the Check Sub Bus 1 inspection.

      Result
      Result Proceed to
      OK A
      NG (No. 4 CAN junction connector main line) B
      NG (ECU or sensor branch line) C
      NG (Main body ECU (multiplex network body ECU) main line) D

    A
    B
    D
    C
  42. CHECK FOR SHORT IN SUB BUS 1 LINE (ECU, SENSOR)


    1. Reconnect all wire harness connectors.

    2. Disconnect the connector that includes terminals CANH and CANL from the ECU (or sensor) to which the bus line shorted to +B or shorted to GND is connected.

      Click here

    3. B003YM5C02
      *1 DLC3
      *a

      Component with harness connected

      (Main Body ECU (Multiplex Network Body ECU))

      Measure the resistance according to the value(s) in the table below.

      Standard Resistance
      Tester Connection Condition Specified Condition Purpose
      K1-9 (CANP) - K9-4 (CG) Cable disconnected from negative (-) auxiliary battery terminal 200 Ω or higher Below 200 Ω: CANH ground short
      K1-10 (CANN) - K9-4 (CG) Cable disconnected from negative (-) auxiliary battery terminal 200 Ω or higher Below 200 Ω: CANL ground short
      K1-9 (CANP) - K9-16 (BAT) Cable disconnected from negative (-) auxiliary battery terminal 6 kΩ or higher Below 6 kΩ: CANH +B short
      K1-10 (CANN) - K9-16 (BAT) Cable disconnected from negative (-) auxiliary battery terminal 6 kΩ or higher Below 6 kΩ: CANL +B short

      Tech Tips


      • It is only necessary to perform the inspection in the above table for the result (short circuit) that was obtained in the Check Sub Bus 1 inspection.

      • If the resistance becomes normal when the connector is disconnected from the ECU, there may be a short in the ECU.

      • Find the necessary inspection from the Purpose column that matches the result in the Result column from the Check Sub Bus 1 inspection.

      Result
      Result
      OK
      NG

    OK
    NG
  43. CHECK FOR SHORT IN SUB BUS 1 LINE (MAIN BODY ECU (MULTIPLEX NETWORK BODY ECU))


    1. Reconnect the K114 No. 6 CAN junction connector.

    2. Disconnect the K1 main body ECU (multiplex network body ECU).

    3. B003XSQC01
      *1 DLC3
      *a

      Front view of wire harness connector

      (to Main Body ECU (Multiplex Network Body ECU))

      Measure the resistance according to the value(s) in the table below.

      Standard Resistance
      Tester Connection Condition Specified Condition Purpose
      K1-9 (CANP) - K9-4 (CG) Cable disconnected from negative (-) auxiliary battery terminal 200 Ω or higher Below 200 Ω: CANH ground short
      K1-10 (CANN) - K9-4 (CG) Cable disconnected from negative (-) auxiliary battery terminal 200 Ω or higher Below 200 Ω: CANL ground short
      K1-9 (CANP) - K9-16 (BAT) Cable disconnected from negative (-) auxiliary battery terminal 6 kΩ or higher Below 6 kΩ: CANH +B short
      K1-10 (CANN) - K9-16 (BAT) Cable disconnected from negative (-) auxiliary battery terminal 6 kΩ or higher Below 6 kΩ: CANL +B short

      Tech Tips


      • It is only necessary to perform the inspection in the above table for the result (short circuit) that was obtained in the Check Sub Bus 1 inspection.

      • Find the necessary inspection from the Purpose column that matches the result in the Result column from the Check Sub Bus 1 inspection.

      Result
      Result
      OK
      NG

    OK
    NG