HEATED STEERING WHEEL SYSTEM(w/o Pre-collision System) Steering Wheel does not Heat Up When Heated Steering Wheel Switch is Pressed

DESCRIPTION

Click here

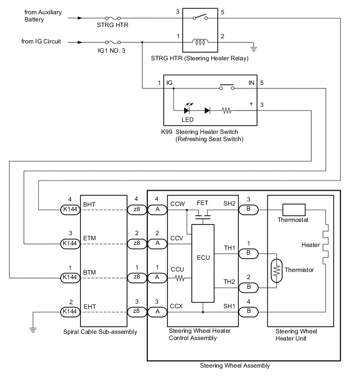
WIRING DIAGRAM

B003XY3E17

CAUTION / NOTICE / HINT

Tech Tips


  • Inspect the fuses for circuits related to this system before performing the following procedure.

  • The steering wheel heater unit is built into the steering wheel assembly which cannot be disassembled. Therefore, when the steering wheel heater unit has a malfunction, replace the steering wheel assembly.

PROCEDURE


  1. INSPECT STEERING WHEEL HEATER UNIT (THERMISTOR/HEATER/THERMOSTAT)


    1. B003Y8MC03
      *a Front view of wire harness connector (to Steering Wheel Heater Control Assembly)

      Disconnect the B steering wheel heater control assembly connector.

    2. Measure the resistance according to the value(s) in the table below.

      Standard Resistance
      Tester Connection Condition Specified Condition
      B-1 (TH1) - B-2 (TH2) 10 to 30°C (50 to 86°F) 8.132 to 18.43 kΩ
      B-4 (SH1) - B-3 (SH2) 20°C (68°F) 1.89 to 2.25 Ω
      Result
      Proceed to
      OK
      NG

    NG
    OK
  2. INSPECT SPIRAL CABLE SUB-ASSEMBLY


    1. Check the connectors and cables of the spiral cable sub-assembly.

      OK
      There are no defects such as scratches, cracks, dents or damage on the connectors or cables.
    2. Disconnect the K144 and z8 spiral cable sub-assembly connectors.

    3. Measure the resistance according to the value(s) in the table below.

      B003XP8C04
      *a

      Component without harness connected

      (Spiral Cable Sub-assembly)

      - -
      Standard Resistance
      Tester Connection Condition Specified Condition
      z8-1 (BTM) - K144-1 (BTM) Always 3 Ω or less
      z8-2 (ETM) - K144-3 (ETM) Always 3 Ω or less
      z8-3 (EHT) - K144-2 (EHT) Always Below 0.1 Ω
      z8-4 (BHT) - K144-4 (BHT) Always Below 0.1 Ω
      Result
      Proceed to
      OK
      NG

    NG
    OK
  3. CHECK STEERING HEATER SWITCH (REFRESHING SEAT SWITCH)


    1. B003YO4C05
      *a Component without harness connected (Steering Heater Switch (Refreshing Seat Switch))

      Disconnect the K99 steering heater switch (refreshing seat switch) connector.

    2. Measure the resistance according to the value(s) in the table below.

      Standard Resistance
      Tester Connection Condition Specified Condition
      1 (IG) - 5 (IN) Steering heater switch (refreshing seat switch) is pushed Below 200 Ω
      Steering heater switch (refreshing seat switch) is not pushed 10 kΩ or higher
      Result
      Proceed to
      OK
      NG

    NG
    OK
  4. CHECK STRG HTR RELAY (STEERING HEATER RELAY)


    1. B003XYLC01
      *1 STRG HTR Relay (Steering Heater Relay)

      Remove the STRG HTR relay (steering heater relay) from the No. 1 engine room relay block and No. 1 junction block assembly.

    2. Measure the resistance according to the value(s) in the table below.

      Standard Resistance
      Tester Connection Condition Specified Condition
      3 - 5 Voltage is not applied between terminals 1 and 2 10 kΩ or higher
      Voltage is applied between terminals 1 and 2 Below 1 Ω
      Result
      Proceed to
      OK
      NG

    NG
    OK
  5. CHECK HARNESS AND CONNECTOR (STEERING HEATER SWITCH (REFRESHING SEAT SWITCH) - SPIRAL CABLE SUB-ASSEMBLY)


    1. Disconnect the K99 steering heater switch (refreshing seat switch) connector.

    2. Disconnect the K144 spiral cable sub-assembly.

    3. Measure the resistance according to the value(s) in the table below.

      Standard Resistance
      Tester Connection Condition Specified Condition
      K99-3 (+) - K144-1 (BTM) Always Below 1 Ω
      K99-5 (IN) - K144-3 (ETM) Always Below 1 Ω
      K99-3 (+) or K144-1 (BTM) - Body ground Always 10 kΩ or higher
      K99-5 (IN) or K144-3 (ETM) - Body ground Always 10 kΩ or higher
      Result
      Proceed to
      OK
      NG

    NG
    OK
  6. CHECK HARNESS AND CONNECTOR (STRG HTR RELAY (STEERING HEATER RELAY) - SPIRAL CABLE SUB-ASSEMBLY)


    1. Remove the STRG HTR relay (steering heater relay) from the No. 1 engine room relay block and No. 1 junction block assembly.

    2. Disconnect the K144 spiral cable sub-assembly connector.

    3. Measure the resistance according to the value(s) in the table below.

      Standard Resistance
      Tester Connection Condition Specified Condition
      5 (STRG HTR relay) - K144-4 (BHT) Always Below 1 Ω
      5 (STRG HTR relay) or K144-4 (BHT) - Body ground Always 10 kΩ or higher
      Result
      Proceed to
      OK
      NG

    NG
    OK
  7. CHECK HARNESS AND CONNECTOR (STEERING HEATER SWITCH (REFRESHING SEAT SWITCH) POWER SOURCE)


    1. Disconnect the K99 steering heater switch (refreshing seat switch) connector.

    2. B003YJPC01
      *a

      Front view of wire harness connector

      (to Steering Heater Switch (Refreshing Seat Switch))

      Measure the voltage according to the value(s) in the table below.

      Standard Voltage
      Tester Connection Condition Specified Condition
      K99-1 (IG) - Body ground Power switch on (IG) 11 to 14 V
      Result
      Proceed to
      OK
      NG

    NG
    OK
  8. CHECK HARNESS AND CONNECTOR (STRG HTR RELAY (STEERING HEATER RELAY) POWER SOURCE)


    1. Remove the STRG HTR relay (steering heater relay) from the No. 1 engine room relay block and No. 1 junction block assembly.

    2. B003XRIC01
      *1 No. 1 Engine Room Relay Block and No. 1 Junction Block Assembly
      *2 STRG HTR Relay

      Measure the voltage according to the value(s) in the table below.

      Standard Voltage
      Tester Connection Condition Specified Condition
      3 (STRG HTR relay) - Body ground Always 11 to 14 V
      1 (STRG HTR relay) - Body ground Power switch on (IG) 11 to 14 V
    3. Measure the resistance according to the value(s) in the table below.

      Standard Resistance
      Tester Connection Condition Specified Condition
      2 (STRG HTR relay) - Body ground Always Below 1 Ω
      Result
      Proceed to
      OK
      NG

    NG
    OK
  9. CHECK HARNESS AND CONNECTOR (SPIRAL CABLE SUB-ASSEMBLY - BODY GROUND)


    1. Disconnect the K144 spiral cable sub-assembly.

    2. Measure the resistance according to the value(s) in the table below.

      Standard Resistance
      Tester Connection Condition Specified Condition
      K144-2 (EHT) - Body ground Always Below 1 Ω
      Result
      Proceed to
      OK
      NG

    OK
    NG