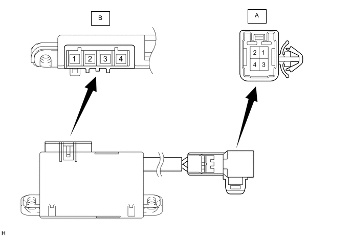
HEATED STEERING WHEEL SYSTEM(w/o Pre-collision System) TERMINALS OF ECU


  1. STEERING WHEEL HEATER CONTROL ASSEMBLY

    Tech Tips

    Perform the inspection from the harness side with the connectors connected.

    B003YA7N01

    1. Measure the voltage or resistance according to the value(s) in the table below.

      Terminal No. (Symbol) Terminal Description Condition Specified Condition
      A-1 (CCU) - Body ground LED output signal Power switch on (IG), Steering heater switch (refreshing seat switch) on Below 3 V
      A-2 (CCV) - Body ground Steering heater switch (refreshing seat switch) input signal Power switch on (IG), Steering heater switch (refreshing seat switch) pressed and held 11 to 14 V
      A-3 (CCX) - Body ground Ground Always Below 1 Ω
      A-4 (CCW) - Body ground IG power supply Power switch on (IG) 11 to 14 V
      B-1 (TH1) - Body ground Thermistor input signal Power switch on (IG), Steering heater switch (refreshing seat switch) on at 0 to 40°C (32 to 104°F) 1.5 to 4.5 V*1
      B-2 (TH2) - Body ground Thermistor ground Power switch on (IG), Steering heater switch (refreshing seat switch) on Below 1 V
      B-3 (SH2) - Body ground Heater output signal Power switch on (IG), Steering heater switch (refreshing seat switch) on 11 to 14 V*2
      B-4 (SH1) - Body ground Heater ground Power switch on (IG), Steering heater switch (refreshing seat switch) on Below 1 V

      Tech Tips


      • *1: When ambient temperature is 0 to 40°C (32 to 104°F).

      • *2: The current to the heater turns ON/OFF depending on the temperature of the thermistor. As a result, it may take several minutes before a voltage value is output.