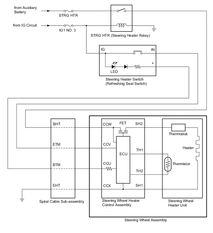
HEATED STEERING WHEEL SYSTEM(w/o Pre-collision System) SYSTEM DIAGRAM


  1. SYSTEM DIAGRAM

    A0021AXE07