ELECTRONICALLY CONTROLLED BRAKE SYSTEM, Diagnostic DTC:C1252/52, C1253/53

DTC Code DTC Name
C1252/52 Brake Booster Pump Motor on Time Abnormally Long
C1253/53 Pump Motor Relay Malfunction

DESCRIPTION

The skid control ECU assembly detects decreases in the accumulator pressure according to the data from the accumulator pressure sensor, and then starts and stops the pump motor by operating the ABS motor relay.

The skid control ECU assembly usually drives the ABS motor relay 1 for electronically controlled brake system control, and the ABS motor relay 2 for ABS control. If either of them is malfunctioning, the other will substitute.

DTC No. Detection Item INF Code DTC Detection Condition Trouble Area Note
C1252/52 Brake Booster Pump Motor on Time Abnormally Long 130 ABS motor relay is on for at least 3 minutes.
  • Short in pump motor circuit or pump motor monitor circuit

  • ABS motor relay stuck

  • Accumulator pressure sensor malfunction in brake actuator assembly

  • Brake fluid leaks

Electronically controlled brake system DTC
C1253/53 Pump Motor Relay Malfunction

134

138

140


  • INF Code: 134


    • MTT input is less than 3.5 V for at least 1 second or more when linear solenoid power source voltage 1 (BS1) is 9.5 V or more, either of +BI1 or +BI2 voltage is 7 V or more, and ABS motor relay 1 is on.

  • INF Code: 138


    • MTT input is less than 3.5 V for at least 1 second or more when linear solenoid power source voltage 2 (BS2) is 9.5 V or more, either of +BI1 or +BI2 voltage is 7 V or more, and ABS motor relay 2 is on.

  • INF Code: 140


    • MTT input is 3.5 V or more for at least 2 seconds when ABS motor relay 1 and 2 are off.


  • INF Code: 134


    • Improperly connected connector, deformation or corrosion of terminals

    • Open in ABS motor relay 1 internal circuit

    • Open or short in ABS motor relay 1 circuit

    • Open in pump motor circuit or pump motor monitor circuit

  • INF Code: 138


    • Improperly connected connector, deformation or corrosion of terminals

    • Open in ABS motor relay 2 internal circuit

    • Open or short in ABS motor relay 1 circuit

    • Open in pump motor circuit or pump motor monitor circuit

  • INF Code: 140


    • Short in ABS motor relay 1 circuit and ABS motor relay 2 circuit

    • Short in pump motor circuit or pump motor monitor circuit

Electronically controlled brake system DTC

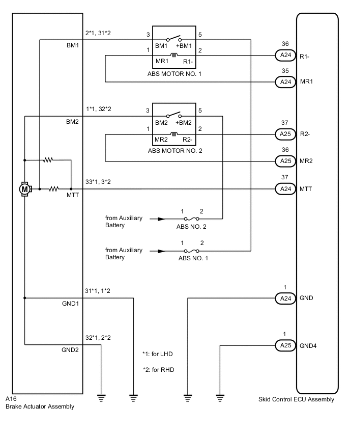
WIRING DIAGRAM

A0020FWE06

CAUTION / NOTICE / HINT

Note


  • When replacing the skid control ECU assembly or brake actuator assembly, perform initialization and calibration of the linear solenoid valve.

    Click here

  • Inspect the fuses for circuits related to this system before performing the following procedure.

PROCEDURE


  1. PERFORM ACTIVE TEST USING GTS (ABS MOTOR RELAY)


    1. Connect the GTS to the DLC3.

    2. Turn the power switch on (IG).

    3. Select the Active Test on the GTS.

      Click here


      Chassis > ABS/VSC/TRC > Active Test
      Tester Display Measurement Item Control Range Diagnostic Note
      ECB Motor Relay ABS motor relay 1 Relay ON/OFF
      • Operation sound of relay (clicking sound) and pump motor can be heard

      • ECB: Electronically Controlled Brake System

      ECB Motor Relay2 ABS motor relay 2 Relay ON/OFF
      • Operation sound of relay (clicking sound) and pump motor can be heard

      • ECB: Electronically Controlled Brake System


      Chassis > ABS/VSC/TRC > Active Test
      Tester Display
      ECB Motor Relay

      Chassis > ABS/VSC/TRC > Active Test
      Tester Display
      ECB Motor Relay2
    4. Check the operation sound of the ABS motor relay and motor when operating it using the GTS.

      OK
      The operation sound of the ABS motor relay and motor should be heard.
      Result
      Proceed to
      OK
      NG

    NG
    OK
  2. INSPECT BRAKE ACTUATOR ASSEMBLY


    1. Make sure that there is no looseness at the locking part and the connecting part of the connector.

      A0022C2C01
      *A for LHD *B for RHD
      *a

      Component without harness connected

      (Brake Actuator Assembly)

      - -
    2. Disconnect the A16 brake actuator assembly connector.

    3. Measure the resistance according to the value(s) in the table below.

      Standard Resistance
      for LHD
      Tester Connection Condition Specified Condition
      2 (BM1) - 31 (GND1) Always Below 1 Ω
      1 (BM2) - 32 (GND2) Always Below 1 Ω
      2 (BM1) - 33 (MTT) Always 950 to 1050 Ω
      1 (BM2) - 33 (MTT) Always 950 to 1050 Ω
      for RHD
      Tester Connection Condition Specified Condition
      31 (BM1) - 1 (GND1) Always Below 1 Ω
      32 (BM2) - 2 (GND2) Always Below 1 Ω
      31 (BM1) - 3 (MTT) Always 950 to 1050 Ω
      32 (BM2) - 3 (MTT) Always 950 to 1050 Ω
      Result
      Proceed to
      OK
      NG

    NG
    OK
  3. CHECK HARNESS AND CONNECTOR (SKID CONTROL ECU ASSEMBLY - BRAKE ACTUATOR ASSEMBLY)


    1. Make sure that there is no looseness at the locking part and the connecting part of the connector.

    2. Disconnect the A24 skid control ECU assembly connector.

    3. Measure the resistance according to the value(s) in the table below.

      Standard Resistance
      for LHD
      Tester Connection Condition Specified Condition
      A24-37 (MTT) - A16-33 (MTT) Always Below 1 Ω
      A24-37 (MTT) or A16-33 (MTT) - Body ground Always 10 kΩ or higher
      A16-31 (GND1) - Body ground Always Below 1 Ω
      A16-32 (GND2) - Body ground Always Below 1 Ω
      for RHD
      Tester Connection Condition Specified Condition
      A24-37 (MTT) - A16-3 (MTT) Always Below 1 Ω
      A24-37 (MTT) or A16-3 (MTT) - Body ground Always 10 kΩ or higher
      A16-1 (GND1) - Body ground Always Below 1 Ω
      A16-2(GND2) - Body ground Always Below 1 Ω
      Result
      Proceed to
      OK
      NG

    NG
    OK
  4. READ VALUE USING GTS (ACCUMULATOR PRESSURE SENSOR)


    1. Reconnect the A24 skid control ECU assembly connector.

    2. Reconnect the A16 brake actuator assembly connector.

    3. Connect the GTS to the DLC3.

    4. Turn the power switch on (IG).

    5. Select the Data List on the GTS.

      Click here


      Chassis > ABS/VSC/TRC > Data List
      Tester Display Measurement Item Range Normal Condition Diagnostic Note
      Accumulator Sensor Accumulator pressure sensor Min.: 0.00 V, Max.: 5.00 V Specified value: 2.60 to 3.80 V When brake fluid is stored in the accumulator: Accumulator pressure changes in accordance with volume of fluid stored in the accumulator

      Chassis > ABS/VSC/TRC > Data List
      Tester Display
      Accumulator Sensor
    6. Depress the brake pedal 4 or 5 times and operate the pump motor.

    7. Wait for 30 seconds without depressing the brake pedal.

    8. Check that the accumulator pressure sensor output value change is within the specified range.

      OK
      Accumulator pressure sensor output value change is less than 0.20 V.
      Result
      Proceed to
      OK
      NG

    NG
    OK
  5. RECONFIRM DTC


    1. Turn the power switch off.

    2. Clear the DTCs.

      Click here


      Chassis > ABS/VSC/TRC > Clear DTCs
    3. Turn the power switch off.

    4. Turn the power switch on (IG).

    5. Check if the same DTC is output.

      Click here


      Chassis > ABS/VSC/TRC > Trouble Codes
      Result
      Result Proceed to
      DTCs C1252/52 and C1253/53 are not output. A
      DTCs C1252/52 and/or C1253/53 are output. B

    A
    B
  6. INSPECT ABS MOTOR RELAY


    1. A0020AKC10
      *1 ABS Motor Relay (ABS MOTOR NO. 1 or ABS MOTOR NO. 2 relay)
      *a MR1 or MR2 Terminal
      *b R1- or R2- Terminal
      *c BM1 or BM2 Terminal
      *d +BM1 or +BM2 Terminal

      Remove the ABS motor relay (ABS MOTOR NO. 1 and ABS MOTOR NO. 2 relays).

    2. Measure the resistance according to the value(s) in the table below.

      Standard Resistance
      for ABS MOTOR NO. 1 relay
      Tester Connection Condition Specified Condition
      3 (BM1) - 5 (+BM1) Voltage is not applied between terminals 1 (MR1) and 2 (R1-) 10 kΩ or higher
      3 (BM1) - 5 (+BM1) Voltage is applied between terminals 1 (MR1) and 2 (R1-) Below 1 Ω
      for ABS MOTOR NO. 2 relay
      Tester Connection Condition Specified Condition
      3 (BM2) - 5 (+BM2) Voltage is not applied between terminals 1 (MR2)and 2 (R2-) 10 kΩ or higher
      3 (BM2) - 5 (+BM2) Voltage is applied between terminals 1 (MR2) and 2 (R2-) Below 1 Ω
      Result
      Proceed to
      OK
      NG

    NG
    OK
  7. INSPECT NO. 3 ENGINE ROOM RELAY BLOCK (POWER SOURCE TERMINAL)


    1. A0020X7C04
      *1 No. 3 Engine Room Relay Block
      *2 ABS MOTOR NO. 1 Relay
      *3 ABS MOTOR NO. 2 Relay

      Measure the voltage according to the value(s) in the table below.

      Standard Voltage
      Tester Connection Condition Specified Condition
      5 (ABS MOTOR NO. 1 relay +BM1 terminal) - Body ground Always 11 to 14 V
      5 (ABS MOTOR NO. 2 relay +BM2 terminal) - Body ground Always 11 to 14 V
      Result
      Proceed to
      OK
      NG

    NG
    OK
  8. CHECK HARNESS AND CONNECTOR (BRAKE ACTUATOR ASSEMBLY - NO. 3 ENGINE ROOM RELAY BLOCK)


    1. Make sure that there is no looseness at the locking part and the connecting part of the connector.

    2. Disconnect the A16 brake actuator assembly connector.

    3. Measure the resistance according to the value(s) in the table below.

      Standard Resistance
      for LHD
      Tester Connection Condition Specified Condition
      A16-2 (BM1) - 3 (ABS MOTOR NO. 1 relay BM1 terminal) Always Below 1 Ω
      A16-2 (BM1) or 3 (ABS MOTOR NO. 1 relay BM1 terminal) - Body ground Always 10 kΩ or higher
      A16-1 (BM2) - 3 (ABS MOTOR NO. 2 relay BM2 terminal) Always Below 1 Ω
      A16-1 (BM2) or 3 (ABS MOTOR NO. 2 relay BM2 terminal) - Body ground Always 10 kΩ or higher
      for RHD
      Tester Connection Condition Specified Condition
      A16-31 (BM1) - 3 (ABS MOTOR NO. 1 relay BM1 terminal) Always Below 1 Ω
      A16-31 (BM1) or 3 (ABS MOTOR NO. 1 relay BM1 terminal) - Body ground Always 10 kΩ or higher
      A16-32 (BM2) - 3 (ABS MOTOR NO. 2 relay BM2 terminal) Always Below 1 Ω
      A16-32 (BM2) or 3 (ABS MOTOR NO. 2 relay BM2 terminal) - Body ground Always 10 kΩ or higher
      Result
      Proceed to
      OK
      NG

    NG
    OK
  9. CHECK HARNESS AND CONNECTOR (SKID CONTROL ECU ASSEMBLY - NO. 3 ENGINE ROOM RELAY BLOCK)


    1. Make sure that there is no looseness at the locking part and the connecting part of the connectors.

    2. Disconnect the A24 and A25 skid control ECU assembly connectors.

    3. Measure the resistance according to the value(s) in the table below.

      Standard Resistance
      Tester Connection Condition Specified Condition
      A24-36 (R1-) - 2 (ABS MOTOR NO. 1 Relay R1- terminal) Always Below 1 Ω
      A24-36 (R1-) or 2 (ABS MOTOR NO. 1 Relay R1- terminal) - Body ground Always 10 kΩ or higher
      A24-35 (MR1) - 1 (ABS MOTOR NO. 1 Relay MR1 terminal) Always Below 1 Ω
      A24-35 (MR1) or 1 (ABS MOTOR NO. 1 Relay MR1 terminal) - Body ground Always 10 kΩ or higher
      A25-37 (R2-) - 2 (ABS MOTOR NO. 2 Relay R2- terminal) Always Below 1 Ω
      A25-37 (R2-) or 2 (ABS MOTOR NO. 2 Relay R2- terminal) - Body ground Always 10 kΩ or higher
      A25-36 (MR2) - 1 (ABS MOTOR NO. 2 Relay MR2 terminal) Always Below 1 Ω
      A25-36 (MR2) or 1 (ABS MOTOR NO. 2 Relay MR2 terminal) - Body ground Always 10 kΩ or higher
      Result
      Proceed to
      OK
      NG

    OK
    NG