ELECTRONICALLY CONTROLLED BRAKE SYSTEM SYSTEM DIAGRAM

A0022WTE04
A0020X4E03
A00208HE03
A0022S5E03
A0021O4E01
A0020CAE03
A0020F9E03
A0020Z1E03
A0022GWE11
A0021WPE02
Transmitting ECU (Transmitter) Receiving ECU Signal Communication Method
Skid control ECU assembly Power steering ECU assembly
  • Target steering angle signal

  • Target relative angle signal

CAN communication line
Power steering ECU assembly Skid control ECU assembly Sensor check (TS terminal) signal CAN communication line
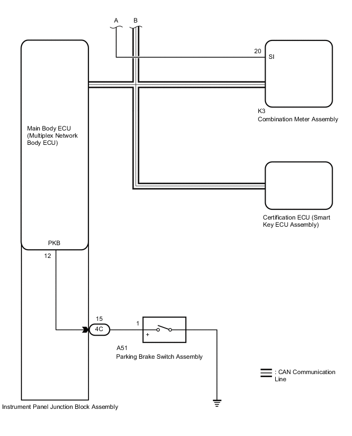
Main body ECU (Multiplex network body ECU) Skid control ECU assembly Parking brake switch assembly signal CAN communication line
Skid control ECU assembly Hybrid vehicle control ECU assembly
  • Wheel speed signal

  • Electronically controlled brake system data signal

CAN communication line
Hybrid vehicle control ECU assembly Skid control ECU assembly
  • Shift lever position signal

  • Driving torque request signal

  • Accelerator pedal position signal

CAN communication line
Skid control ECU assembly Steering angle sensor Steering angle sensor request signal CAN communication line
Steering angle sensor Skid control ECU assembly Steering angle sensor signal CAN communication line
Skid control ECU assembly Yaw rate and acceleration sensor Yaw rate and acceleration request signal CAN communication line
Yaw rate and acceleration sensor Skid control ECU assembly Yaw rate and acceleration signal CAN communication line
Skid control ECU assembly Combination meter assembly
  • ABS warning light signal

  • Brake warning light / red (malfunction) signal

  • Brake warning light / yellow (minor malfunction) signal

  • Slip indicator light signal

  • VSC OFF indicator light signal

  • Multi-information display (TRC OFF message) signal

  • Meter buzzer signal

CAN communication line
Skid control ECU assembly Certification ECU (Smart key ECU assembly) Stop light switch assembly signal CAN communication line
Certification ECU (Smart key ECU assembly) Skid control ECU assembly Push start switch signal CAN communication line