MILLIMETER WAVE RADAR SENSOR ADJUSTMENT

PROCEDURE


  1. PREPARATION FOR MILLIMETER WAVE RADAR SENSOR ASSEMBLY ADJUSTMENT


    1. A0020HBC01
      *a 5 m (16.4 ft.)
      *b 6 m (19.7 ft.)
      *c 4 m (13.1 ft.)
      *d 2 m (6.56 ft.)
      B003Y0W Do not place any metal objects in this area
      B003YLR Do not place metal objects with a height of more than 50 mm (1.97 in.) in this area

      Park the vehicle on a level surface where the area in front of the vehicle shown in the illustration is free of metal objects.

      Tech Tips

      Metal objects with a height of 50 mm (1.97 in.) or less placed within the area shown in the illustration will not affect the adjustment.

    2. Check the levelness of the ground.


      1. A0023A0C01
        *a 3 m (9.84 ft.)
        B003YLR Levelness Check Point

        Check the levelness of the ground at the 3 points shown in the illustration.

      2. Place the level on each levelness check point and check that the air bubble of the level is centered.

        A00228Q
    3. Adjust the tire inflation pressure to the specified pressure.

      Click here

    4. Clean the front emblem or millimeter wave radar sensor assembly.

    5. Visually inspect the front of the vehicle.

      Tech Tips

      Confirm that there is no damage or deformation.

    6. Visually inspect the front bumper assembly, radiator grill and stays.

      Tech Tips

      Confirm that there is no damage or deformation.

  2. MILLIMETER WAVE RADAR SENSOR ASSEMBLY VERTICALLY AND HORIZONTALLY


    1. A0022YDC03
      *a SST (reflector)

      Adjust SST (reflector) height.


      1. Adjust SST (reflector) so that the center of SST (reflector) is the same height as the millimeter wave radar sensor.

        Tech Tips

        Make sure to align the center of SST (reflector) with the millimeter wave radar sensor (the center of the emblem).

        Reference Value
        589 mm (1.93 ft.)
        SST
        09870-60000   ( 09870-60010 )
        09870-60040
    2. Place SST (reflector).


      1. Hang a weight with a pointed tip from the center of the rear emblem, and mark the rear center point of the vehicle (point A) on the ground.

        A00238BC01
        *a String *b Weight
        *c Center *d Bilateral Symmetry

        Tech Tips

        Lightly flick the string with your fingers several times to confirm that the string is perpendicular to the ground.

      2. Hang a weight with a pointed tip from the center of the front emblem, and mark the front center point of the vehicle (point B) on the ground.

        A0022UOC01
        *a String *b Weight
        *c Center *d Bilateral Symmetry

        Tech Tips

        Lightly flick the string with your fingers several times to confirm that the string is perpendicular to the ground.

      3. Using tape and a string, create a line that connects point B to point A and extends at least 3000 mm (9.84 ft.) beyond the front center point of the vehicle.

        A0021L9C01
        *a String *b Tape
        *c 3000 mm (9.84 ft.) - -

        Tech Tips


        • Make sure the string is taut when securing it with tape.

        • Lightly flick the string with your fingers several times to confirm that the string is aligned with point B.

      4. Mark point C (SST (reflector) placement position) at a position 3000 mm (9.84 ft.) from point B.

      5. Place SST (reflector) at point C.

    3. Front Beam Axis Adjustment:

      Note


      • Ensure that nobody enters the adjustment area during the adjustment.

      • Do not turn off the GTS or power switch.

      • Do not move or shake the vehicle during adjustment (do not get in or out of the vehicle).

      • Close all of the doors.


      1. Connect the GTS to the DLC3.

      2. Turn the power switch on (IG).

      3. Turn the GTS on.

      4. Enter the following menus: Body Electrical / Pre-Crash 2 / Utility / Front Beam Axis Adjustment.


        Body Electrical > Pre-Crash 2 > Utility
        Tester Display
        Front Beam Axis Adjustment
      5. Press "Next".

      6. Perform the adjustment according to the display on the GTS.

        Note

        If an error code is displayed, perform troubleshooting according to the following table, then perform the adjustment again.

        Error No. Error Description Cause of Error Action to be Taken
        1 No target abnormality
        • SST (reflector) is placed incorrectly.

        • The front emblem or millimeter wave radar sensor assembly is covered by dirt or snow.

        Place SST (reflector) in the correct position. (See page 2. MILLIMETER WAVE RADAR SENSOR ASSEMBLY VERTICALLY AND HORIZONTALLY (b) Place SST (reflector))
        Clean the front emblem or millimeter wave radar sensor assembly.
        Check the installation condition of the front bumper assembly and radiator grill.
        2 Target distance abnormality
        • SST (reflector) is placed incorrectly.

        Place SST (reflector) in the correct position. (See page 2. MILLIMETER WAVE RADAR SENSOR ASSEMBLY VERTICALLY AND HORIZONTALLY (b) Place SST (reflector))
        3 Plural targets abnormality
        • There is a reflective object near SST (reflector).

        • A person entered the adjustment area.

        Remove any reflective objects.
        Ensure that nobody enters the adjustment area during the adjustment. (See page 1. PREPARATION FOR MILLIMETER WAVE RADAR SENSOR ASSEMBLY ADJUSTMENT)
        4 Target move abnormality
        • SST (reflector) was moved out of position or shaking during the adjustment due to wind.

        • A person entered the adjustment area.

        Place SST (reflector) in the correct position. (See page 2. MILLIMETER WAVE RADAR SENSOR ASSEMBLY VERTICALLY AND HORIZONTALLY (b)Place SST (reflector))
        Perform adjustment in an area with no wind.
        Ensure that nobody enters the adjustment area during the adjustment. (See page 1. PREPARATION FOR MILLIMETER WAVE RADAR SENSOR ASSEMBLY ADJUSTMENT)
        5 Motor stop
        • Operation of the millimeter wave radar sensor assembly (motor) is abnormal.

        Turn the power switch off then on (IG). (See page 2. MILLIMETER WAVE RADAR SENSOR ASSEMBLY VERTICALLY AND HORIZONTALLY (c)Front Beam Axis Adjustment)

        Check for DTCs.

        Click here

        6 Target angle abnormality
        • SST (reflector) is placed incorrectly.

        • The beam axis of the millimeter wave radar sensor assembly is outside the automatic correction range.

        Place SST (reflector) in the correct position. (See page 2. MILLIMETER WAVE RADAR SENSOR ASSEMBLY VERTICALLY AND HORIZONTALLY (b)Place SST (reflector))
        Check the condition of the sensor, radiator grill and front bumper assembly.
        7 Radar abnormality
        • Operation of the millimeter wave radar sensor assembly is abnormal.

        Check for DTCs.

        Click here

        8 Radar dirtiness
        • There is dirt on the front emblem or millimeter wave radar sensor assembly.

        Clean the front emblem or millimeter wave radar sensor assembly.
        9 Temperature abnormality
        • The temperature around the millimeter wave radar sensor assembly is too high.

        Wait until the temperature drops to the operable range (-30 to 50°C).
        10 Voltage abnormality
        • IG power source voltage is outside the operable range of the millimeter wave radar sensor assembly.

        Check the battery voltage (specified condition: 10 to 16 V).

        Click here

        11 External communication abnormality
        • CAN communication between DSS and the millimeter wave radar sensor assembly is abnormal.

        Check the condition of the connectors.
        12 Radar axis aiming failure upward
        • The beam axis of the millimeter wave radar sensor assembly is outside the automatic correction range (upward).

        Check the installation condition of the front bumper assembly and radiator grill.
        Manually change the beam axis. (See page 3. MANUALLY CHANGE BEAM AXIS OF MILLIMETER WAVE RADAR SENSOR ASSEMBLY)
        13 Radar axis aiming failure downward
        • The beam axis of the millimeter wave radar sensor assembly is outside the automatic correction range (downward).

        Check the installation condition of the front bumper assembly and radiator grill.
        Manually change the beam axis. (See page 3. MANUALLY CHANGE BEAM AXIS OF MILLIMETER WAVE RADAR SENSOR ASSEMBLY)
        14 Vehicle speed abnormality
        • The vehicle is not stationary.

        Ensure that the vehicle remains stationary.
        15 Other
        • A mode change error occurred.

        • Operation of the yaw rate sensor is abnormal.

        • The vehicle is shaking.

        Perform adjustment again. (See page 2. MILLIMETER WAVE RADAR SENSOR ASSEMBLY VERTICALLY AND HORIZONTALLY (c) Front Beam Axis Adjustment)

        Check for DTCs.

        Click here

        Ensure that the vehicle remains stationary.
      7. Press "Exit" to finish front beam axis adjustment.

    4. Front Beam Axis Misalignment Reading:

      Note


      • Ensure that nobody enters the adjustment area during the adjustment.

      • Do not turn off the GTS or power switch.

      • Do not move or shake the vehicle during adjustment (do not get in or out of the vehicle).

      • Close all of the doors.


      1. Enter the following menus: Body Electrical / Pre-Crash 2 / Utility / Front Beam Axis Misalignment Reading.


        Body Electrical > Pre-Crash 2 > Utility
        Tester Display
        Front Beam Axis Misalignment Reading
      2. Press "Next".

      3. Perform the adjustment according to the display on the GTS.

        Specified Condition
        Vertical -0.5 to 0.5 deg
        Horizontal -0.5 to 0.5 deg

        Note

        If the result is not as specified, perform beam axis adjustment again.

    5. Front Beam Axis Offset Reading:


      1. Enter the following menus: Body Electrical / Pre-Crash 2 / Utility / Front Beam Axis Offset Reading.


        Body Electrical > Pre-Crash 2 > Utility
        Tester Display
        Front Beam Axis Offset Reading
      2. Press "Next".

      3. Perform the adjustment according to the display on the GTS.

        Specified Condition
        Vertical learning value 0 deg
        Horizontal learning value 0 deg

        Note

        If the result is not as specified, perform beam axis adjustment again.

      4. Turn the power switch off.

      5. Disconnect the GTS from the DLC3.

  3. MANUALLY CHANGE BEAM AXIS OF MILLIMETER WAVE RADAR SENSOR ASSEMBLY

    Note


    • Manually change the beam axis when error code 12 (radar axis aiming failure upward), 13 (radar axis aiming failure downward) or 1 (no target abnormality) is displayed.

    • If the beam axis change mechanism is in the most upward or downward position, check for DTCs.

    • If no DTCs are output, repair or correctly install the front bumper assembly.

    Tech Tips

    The millimeter wave radar sensor assembly is installed to the front bumper assembly. If the front bumper is misaligned, the beam axis will be misaligned. Therefore, if the front bumper assembly is deformed or damaged, unless the front bumper assembly is replaced, Front Beam Axis Adjustment may not be able to be completed, even if the millimeter wave radar sensor assembly is replaced or its beam axis is adjusted manually.


    1. Remove the cool air intake duct seal.

      Click here

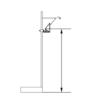
    2. Turn the bolt to change the beam axis of the millimeter wave radar sensor assembly.

      A0020VKC01
      *a Standard Position *b Most Downward Position
      *c Most Upward Position - -
      Vertical axis change Upward direction: Turn screwdriver to negative (-) side
      Downward direction: Turn screwdriver to positive (+) side
      Torque:
      1.5 N*m  { 15 kgf*cm, 13 in.*lbf }

      Tech Tips


      • Make sure to set the beam axis to the most upward or downward position.

      • Manually change the beam axis to the position *b (most downward position) when error code 12 (radar axis aiming failure upward) is displayed.

      • Manually change the beam axis to the position *c (most upward position) when error code 13 (radar axis aiming failure downward) is displayed.

    3. Perform Front Beam Axis Adjustment. (See page 2. MILLIMETER WAVE RADAR SENSOR ASSEMBLY VERTICALLY AND HORIZONTALLY (c) Front Beam Axis Adjustment)

    4. Install the cool air intake duct seal.

      Click here