DYNAMIC RADAR CRUISE CONTROL SYSTEM, Diagnostic DTC:C1A4A

DTC Code DTC Name
C1A4A Skid Control Buzzer Circuit

DESCRIPTION

Based on dynamic radar cruise control system operation, the driving support ECU assembly provides warnings to the driver by sounding the skid control buzzer.

DTC C1A4A is stored when a malfunction is detected in the skid control buzzer circuit.

DTC No. Detection Item DTC Detection Condition Trouble Area
C1A4A Skid Control Buzzer Circuit While the vehicle speed is 36 km/h (22 mph) or more and the dynamic radar cruise control system is operating, the driving support ECU assembly detects a malfunction in the skid control buzzer circuit for approximately 0.3 seconds or more.
  • Skid control buzzer

  • Harness or connector

  • Driving support ECU assembly

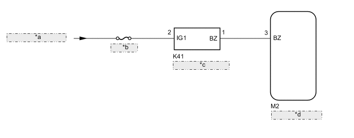
WIRING DIAGRAM

B003YIKE24
*a from IG1 NO. 3 Relay
*b IG1 NO. 3
*c Skid Control Buzzer
*d Driving Support ECU Assembly

CAUTION / NOTICE / HINT

Note


  • Inspect the fuses for circuits related to this system before performing the following procedure.

  • When replacing the driving support ECU assembly, make sure to replace it with a new one. If a device which was installed to another vehicle is used, the information stored in the driving support ECU assembly will not match the information from the vehicle, and as a result, a DTC may be stored.

  • First check the CAN communication system by following How to Proceed with Troubleshooting. After checking that there are no malfunctions in the CAN communication system, proceed with troubleshooting.

    Click here

PROCEDURE


  1. CHECK FOR DTCs (PRE-COLLISION SYSTEM)


    1. Check for DTCs of the pre-collision system.

      Click here


      Body Electrical > Pre-Collision 2 > Trouble Codes

      Tech Tips

      The dynamic radar cruise control system only stores DTC C1A4A when the vehicle speed reaches 36 km/h (22 mph), however the pre-collision system stores this DTC at any vehicle speed. If DTC C1A4A is stored by the pre-collision system, perform troubleshooting of the pre-collision system first.

      Result
      Result Proceed to
      DTC C1A4A is not output A
      DTC C1A4A is output B

    B
    A
  2. CHECK FOR DTCs (RADAR CRUISE)


    1. Clear the DTCs.

      Click here


      Powertrain > Radar Cruise > Clear DTCs
    2. Perform the following to make sure that the DTC detection conditions are met.

      Tech Tips

      If the following conditions are not met, the system cannot detect the malfunction.


      1. Turn the power switch on (IG).

      2. Turn the dynamic radar cruise control system on using the cruise control main switch (ON/OFF button).

      3. Drive the vehicle at 36 km/h (22 mph) or more for 1 second or more.

    3. Check for DTCs.

      Click here


      Powertrain > Radar Cruise > Trouble Codes
      Result
      Result Proceed to
      DTC C1A4A is not output A
      DTC C1A4A is output B

    A
    B
  3. INSPECT SKID CONTROL BUZZER (CONFIRM BUZZER OPERATION)


    1. Turn the power switch on (IG).

    2. Check that the skid control buzzer sounds.

      Result
      Result Proceed to
      The skid control buzzer does not sound when the power switch is on (IG). A
      The skid control buzzer sounds continuously when the power switch is on (IG). B

    B
    A
  4. CHECK HARNESS AND CONNECTOR (SKID CONTROL BUZZER - AUXILIARY BATTERY)


    1. B003YEMC18
      *a

      Front view of wire harness connector

      (to Skid Control Buzzer)

      Disconnect the K41 skid control buzzer connector.

    2. Measure the voltage according to the value(s) in the table below.

      Standard Voltage
      Tester Connection Switch Condition Specified Condition
      K41-2 (IG1) - Body ground Power switch on (IG) 11 to 14 V
      K41-2 (IG1) - Body ground Power switch off Below 1 V
      Result
      Proceed to
      OK
      NG

    NG
    OK
  5. CHECK HARNESS AND CONNECTOR (SKID CONTROL BUZZER - DRIVING SUPPORT ECU ASSEMBLY)


    1. Disconnect the K41 skid control buzzer connector.

    2. Disconnect the M2 driving support ECU assembly connector.

    3. Measure the resistance according to the value(s) in the table below.

      Standard Resistance
      Tester Connection Condition Specified Condition
      K41-1 (BZ) - M2-3 (BZ) Always Below 1 Ω
      K41-1 (BZ) or M2-3 (BZ) - Body ground Always 10 kΩ or higher
      Result
      Proceed to
      OK
      NG

    NG
    OK
  6. INSPECT SKID CONTROL BUZZER


    1. Remove the skid control buzzer.

      Click here

    2. Inspect the skid control buzzer.

      Click here

      Result
      Proceed to
      OK
      NG

    OK
    NG
  7. CHECK HARNESS AND CONNECTOR (SKID CONTROL BUZZER - DRIVING SUPPORT ECU ASSEMBLY)


    1. Disconnect the K41 skid control buzzer connector.

    2. Disconnect the M2 driving support ECU assembly connector.

    3. Measure the resistance according to the value(s) in the table below.

      Standard Resistance
      Tester Connection Condition Specified Condition
      K41-1 (BZ) - M2-3 (BZ) Always Below 1 Ω
      K41-1 (BZ) or M2-3 (BZ) - Body ground Always 10 kΩ or higher
      Result
      Proceed to
      OK
      NG

    OK
    NG