HYBRID BATTERY SYSTEM, Diagnostic DTC:U029A-123

DTC Code DTC Name
U029A-123 Lost Communication with Hybrid Battery Pack Sensor Module

DESCRIPTION

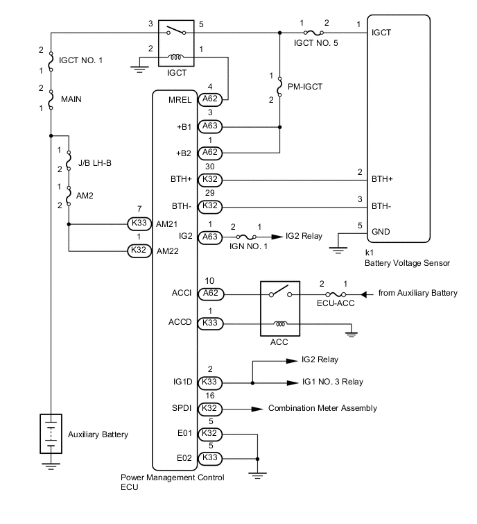
The battery voltage sensor detects the HV battery conditions (voltage, current, and temperature) and the battery cooling fan frequency, and sends the detected signals to the power management control ECU via serial communication. (The power management control ECU does not send signals to the battery voltage sensor.)

DTC No. Detection Item DTC Detection Condition Trouble Area MIL Warning Indicate
U029A-123 Lost Communication with Hybrid Battery Pack Sensor Module

Serial communication error between the power management control ECU and battery voltage sensor: The power management control ECU cannot receive signals from the battery voltage sensor correctly.

(1 trip detection logic)


  • Wire harness or connector

  • Power management control ECU

  • Battery voltage sensor

Comes on

Master Warning Light:

Comes on

WIRING DIAGRAM

A002304E02

INSPECTION PROCEDURE

CAUTION:


  • Before inspecting the high-voltage system, take safety precautions to prevent electrical shocks, such as wearing insulated gloves and removing the service plug grip. After removing the service plug grip, put it in your pocket to prevent other technicians from accidentally reconnecting it while you are working on the high-voltage system.

  • After removing the service plug grip, wait for at least 10 minutes before touching any of the high-voltage connectors or terminals. After waiting for 10 minutes, check the voltage at the terminals in the inspection point in the inverter with converter assembly. The voltage should be 0 V before beginning work.

    Click here

    Tech Tips

    At least 10 minutes is required to discharge the high-voltage capacitor inside the inverter with converter assembly.

Note

After turning the power switch off, waiting time may be required before disconnecting the cable from the negative (-) auxiliary battery terminal. Therefore, make sure to read the disconnecting the cable from the negative (-) auxiliary battery terminal notices before proceeding with work.

Click here

Tech Tips

After the repair, clear the DTCs and perform the following procedure to check that DTCs are not output.


  1. Turn the power switch on (IG) and wait for 2 minutes or more.

PROCEDURE


  1. CHECK DTC OUTPUT (HYBRID CONTROL)


    1. Connect the GTS to the DLC3.

    2. Turn the power switch on (IG).

    3. Enter the following menus: Powertrain / Hybrid Control / Trouble Codes.

    4. Read output DTCs.


      Powertrain > Hybrid Control > Trouble Codes
      Result
      Result Proceed to
      Only U029A-123 is output. A
      DTCs except U029A-123 are also output. B
    5. Turn the power switch off.


    B
    A
  2. CHECK BATTERY VOLTAGE SENSOR (IGCT VOLTAGE)

    CAUTION:

    Be sure to wear insulated gloves.


    1. Check that the service plug grip is not installed.

      Note

      After removing the service plug grip, do not turn the power switch on (READY), unless instructed by the repair manual because this may cause a malfunction.

    2. Remove the upper No. 5 HV battery carrier bracket.

      Click here

    3. Connect the cable to the negative (-) auxiliary battery terminal.

    4. Turn the power switch on (IG).

    5. A00237QC15
      *a

      Component with harness connected

      (Battery Voltage Sensor)

      Measure the voltage according to the value(s) in the table below.

      Standard Voltage
      Tester Connection Condition Specified Condition
      k1-1 (IGCT) - k1-5 (GND) Power switch on (IG) 11 to 14 V

      Note

      Turning the power switch on (IG) with the service grip removed causes other DTCs to be stored. Clear the DTCs after performing this inspection.

      Tech Tips

      As there might be an intermittent malfunction in the battery voltage sensor power source circuit, inspect the following even if the measured voltage is as specified:


      • Installation condition of fuse(s) (before removing fuse(s)) (IGCT circuit)

      • Fuse condition (before and after removing fuse(s)) (IGCT circuit)

      • Connection condition of connectors (IGCT circuit)

      • Wire harness condition (IGCT circuit)

      • Wire harness condition (GND circuit)

    6. Turn the power switch off.

    7. Disconnect the cable from the negative (-) auxiliary battery terminal.

    8. Install the upper No. 5 HV battery carrier bracket.

      Result
      Proceed to
      OK
      NG

    NG
    OK
  3. CHECK HARNESS AND CONNECTOR (POWER MANAGEMENT CONTROL ECU - BATTERY VOLTAGE SENSOR)

    CAUTION:

    Be sure to wear insulated gloves.


    1. Check that the service plug grip is not installed.

      Note

      After removing the service plug grip, do not turn the power switch on (READY), unless instructed by the repair manual because this may cause a malfunction.

    2. Remove the upper hybrid battery cover sub-assembly.

      Click here

    3. Disconnect the K32 power management control ECU connector.

      Note

      Before disconnecting the connector, push in on the connector body to check that the connector is not loose or disconnected.

    4. Disconnect the k1 battery voltage sensor connector.

      Note

      Before disconnecting the connector, push in on the connector body to check that the connector is not loose or disconnected.

    5. A0020AWC03
      *a

      Rear view of wire harness connector

      (to Power Management Control ECU)

      *b

      Rear view of wire harness connector

      (to Battery Voltage Sensor)

      Measure the resistance according to the value(s) in the table below.

      Standard Resistance
      Tester Connection Condition Specified Condition
      K32-30 (BTH+) - k1-2 (BTH+) Power switch off Below 1 Ω
      K32-29 (BTH-) - k1-3 (BTH-) Power switch off Below 1 Ω
      k1-2 (BTH+) - k1-5 (GND) and Body ground Power switch off 10 kΩ or higher
      k1-3 (BTH-) - k1-5 (GND) and Body ground Power switch off 10 kΩ or higher
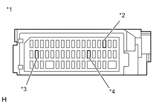
    6. A00234GC02
      *1 No. 1 Engine Room Relay Block and No. 1 Junction Block Assembly
      *2 PM-IGCT Fuse

      Remove the PM-IGCT fuse from the No. 1 engine room relay block and No. 1 junction block assembly.

    7. A00211KC09
      *1 Instrument Panel Junction Block Assembly
      *2 AM2 Fuse
      *3 IGN NO. 1 Fuse
      *4 ECU-ACC Fuse

      Remove the AM2 fuse, IGN No. 1 fuse and ECU-ACC fuse from the instrument panel junction block assembly.

    8. Disconnect the A62, A63 and K33 power management control ECU connectors.

    9. A002158C80
      *a

      Rear view of wire harness connector

      (to Power Management Control ECU)

      Measure the resistance according to the value(s) in the table below.

      Standard Resistance
      Tester Connection Condition Specified Condition
      K32-30 (BTH+) - K33-7 (AM21) Power switch off 10 kΩ or higher
      K32-30 (BTH+) - K32-1 (AM22) Power switch off 10 kΩ or higher
      K32-30 (BTH+) - A62-1 (+B2) Power switch off 10 kΩ or higher
      K32-30 (BTH+) - A63-3 (+B1) Power switch off 10 kΩ or higher
      K32-30 (BTH+) - A62-4 (MREL) Power switch off 10 kΩ or higher
      K32-30 (BTH+) - A63-1 (IG2) Power switch off 10 kΩ or higher
      K32-30 (BTH+) - A62-10 (ACCI) Power switch off 10 kΩ or higher
      K32-30 (BTH+) K33-2 (IG1D) Power switch off 10 kΩ or higher
      K32-30 (BTH+) - K32-16 (SPDI) Power switch off 10 kΩ or higher
      K32-29 (BTH-) - K33-7 (AM21) Power switch off 10 kΩ or higher
      K32-29 (BTH-) - K32-1 (AM22) Power switch off 10 kΩ or higher
      K32-29 (BTH-) - A62-1 (+B2) Power switch off 10 kΩ or higher
      K32-29 (BTH-) - A63-3 (+B1) Power switch off 10 kΩ or higher
      K32-29 (BTH-) - A62-4 (MREL) Power switch off 10 kΩ or higher
      K32-29 (BTH-) - A63-1 (IG2) Power switch off 10 kΩ or higher
      K32-29 (BTH-) - A62-10 (ACCI) Power switch off 10 kΩ or higher
      K32-29 (BTH-) - K33-2 (IG1D) Power switch off 10 kΩ or higher
      K32-29 (BTH-) - K32-16 (SPDI) Power switch off 10 kΩ or higher
    10. Install the AM2 fuse, IGN No. 1 fuse and ECU-ACC fuse to the instrument panel junction block assembly.

    11. Install the PM-IGCT fuse to the No. 1 engine room relay block and No. 1 junction block assembly.

    12. Reconnect the A62, A63, K32 and K33 power management control ECU connectors.

    13. Reconnect the k1 battery voltage sensor connector.

    14. Install the upper hybrid battery cover sub-assembly.

      Result
      Proceed to
      OK
      NG

    NG
    OK
  4. CHECK POWER MANAGEMENT CONTROL ECU

    CAUTION:

    Be sure to wear insulated gloves.


    1. Check that the service plug grip is not installed.

      Note

      After removing the service plug grip, do not turn the power switch on (READY), unless instructed by the repair manual because this may cause a malfunction.

    2. Remove the upper hybrid battery cover sub-assembly.

      Click here

    3. Disconnect the k1 battery voltage sensor connector.

    4. Connect the cable to the negative (-) auxiliary battery terminal.

    5. Turn the power switch on (IG).

    6. A002320C05
      *a

      Rear view of wire harness connector

      (to Battery Voltage Sensor)

      Measure the voltage according to the value(s) in the table below.

      Standard Voltage
      Tester Connection Condition Specified Condition
      k1-2 (BTH+) - k1-5 (GND) Power switch on (IG) 2.3 to 2.7 V
      k1-3 (BTH-) - k1-5 (GND) Power switch on (IG) 2.3 to 2.7 V

      Note

      If the power switch is turned on (IG) with the connectors disconnected, other DTCs will be stored. Be sure to clear the DTCs after the inspection.

    7. Turn the power switch off.

    8. Disconnect the cable from the negative (-) auxiliary battery terminal.

    9. Measure the resistance according to the value(s) in the table below.

      Standard Resistance
      Tester Connection Condition Specified Condition
      k1-2 (BTH+) - k1-3 (BTH-) Power switch off 4.4 to 5.4 kΩ

      Tech Tips

      Resistance becomes 2.0 kΩ or less when there is a short circuit in the power management control ECU.

    10. Reconnect the k1 battery voltage sensor connector.

    11. Install the upper hybrid battery cover sub-assembly.

      Result
      Proceed to
      OK
      NG

    OK
    NG