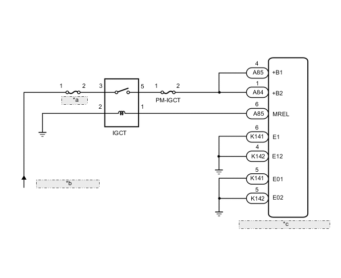
HYBRID CONTROL SYSTEM ECU Power Source Circuit

DESCRIPTION

If the power switch is on (IG), the hybrid vehicle control ECU assembly applies current to the MREL terminal to turn the IGCT relay on. This supplies power to the +B1 and +B2 terminals.

WIRING DIAGRAM

Refer to the wiring diagram for DTC P0A08-264.

Click here

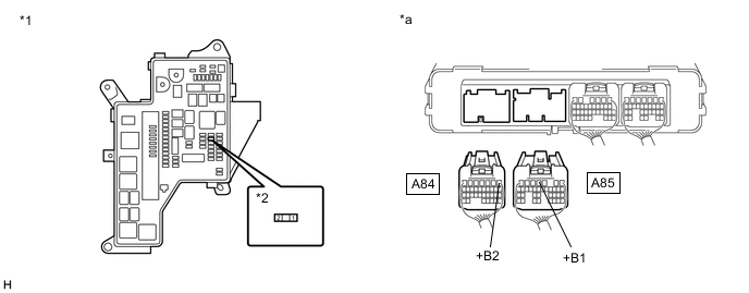
B003XVOC01
*a IGCT NO.1
*b from Auxiliary Battery
*c Hybrid Vehicle Control ECU Assembly

PROCEDURE


  1. CHECK HYBRID VEHICLE CONTROL ECU ASSEMBLY (+B1, +B2 VOLTAGE)


    1. Turn the power switch on (IG).

    2. B003YOXC78
      *a

      Component with harness connected

      (Hybrid Vehicle Control ECU Assembly)

      Measure the voltage according to the value(s) in the table below.

      Standard Voltage
      Tester Connection Condition Specified Condition
      A85-4 (+B1) - Body ground Power switch on (IG) 11 to 14 V
      A84-1 (+B2) - Body ground Power switch on (IG) 11 to 14 V
    3. Turn the power switch off.

      Result
      Proceed to
      OK
      NG

    NG
    OK
  2. CHECK HARNESS AND CONNECTOR (HYBRID VEHICLE CONTROL ECU ASSEMBLY - BODY GROUND)


    1. Disconnect the K141 and K142 hybrid vehicle control ECU assembly connectors.

    2. B003YJ4C55
      *a

      Rear view of wire harness connector

      (to Hybrid Vehicle Control ECU Assembly)

      Measure the resistance according to the value(s) in the table below.

      Standard Resistance
      Tester Connection Condition Specified Condition
      K141-5 (E01) - Body ground Always Below 1 Ω
      K141-6 (E1) - Body ground Always Below 1 Ω
      K142-4 (E12) - Body ground Always Below 1 Ω
      K142-5 (E02) - Body ground Always Below 1 Ω
    3. Reconnect the K141 and K142 hybrid vehicle control ECU assembly connectors.

      Result
      Proceed to
      OK
      NG

    OK
    NG
  3. CHECK HYBRID VEHICLE CONTROL ECU ASSEMBLY (MREL VOLTAGE)


    1. Turn the power switch on (IG).

    2. B003YOXC79
      *a

      Component with harness connected

      (Hybrid Vehicle Control ECU Assembly)

      Measure the voltage according to the value(s) in the table below.

      Standard Voltage
      Tester Connection Condition Specified Condition
      A85-6 (MREL) - Body ground Power switch on (IG) 11 to 14 V
    3. Turn the power switch off.

      Result
      Proceed to
      OK
      NG

    NG
    OK
  4. CHECK FUSE (PM-IGCT)


    1. B003YLNC09
      *1 No. 1 Engine Room Relay Block and No. 1 Junction Block Assembly
      *2 PM-IGCT Fuse

      Remove the PM-IGCT fuse from the No. 1 engine room relay block and No. 1 junction block assembly.

    2. Measure the resistance according to the value(s) in the table below.

      Standard Resistance
      Tester Connection Condition Specified Condition
      PM-IGCT fuse terminals Always Below 1 Ω
    3. B003YLNC09
      *1 No. 1 Engine Room Relay Block and No. 1 Junction Block Assembly
      *2 PM-IGCT Fuse

      Install the PM-IGCT fuse.

      Result
      Proceed to
      OK
      NG

    NG
    OK
  5. CHECK FUSE (IGCT NO. 1)


    1. B003XY2C03
      *1 No. 1 Engine Room Relay Block and No. 1 Junction Block Assembly
      *2 IGCT NO. 1 Fuse

      Remove the IGCT NO. 1 fuse from the No. 1 engine room relay block and No. 1 junction block assembly.

    2. Measure the resistance according to the value(s) in the table below.

      Standard Resistance
      Tester Connection Condition Specified Condition
      IGCT NO. 1 fuse terminals Always Below 1 Ω
    3. Install the IGCT NO. 1 fuse.

      Result
      Proceed to
      OK
      NG

    NG
    OK
  6. INSPECT RELAY (IGCT)


    1. Remove the IGCT relay from the No. 1 engine room relay block and No. 1 junction block assembly.

    2. B003Y8NC01
      *1 IGCT Relay

      Measure the resistance according to the value(s) in the table below.

      Standard Resistance
      Tester Connection Condition Specified Condition
      3 - 5 Auxiliary battery voltage is not applied between terminals 1 and 2 10 kΩ or higher
      Auxiliary battery voltage is applied between terminals 1 and 2 Below 1 Ω
    3. Install the IGCT relay.

      Result
      Proceed to
      OK
      NG

    NG
    OK
  7. CHECK HARNESS AND CONNECTOR (NO. 1 ENGINE ROOM RELAY BLOCK AND NO. 1 JUNCTION BLOCK ASSEMBLY - HYBRID VEHICLE CONTROL ECU ASSEMBLY)


    1. B003YLNC10
      *1 No. 1 Engine Room Relay Block and No. 1 Junction Block Assembly
      *2 PM-IGCT Fuse

      Remove the PM-IGCT fuse from the No. 1 engine room relay block and No. 1 junction block assembly.

    2. Disconnect the A84 and A85 hybrid vehicle control ECU assembly connectors.

    3. Measure the resistance according to the value(s) in the table below.

      B003Y1GC15
      *1 No. 1 Engine Room Relay Block and No. 1 Junction Block Assembly *2 PM-IGCT Fuse
      *a

      Rear view of wire harness connector

      (to Hybrid Vehicle Control ECU Assembly)

      - -
      Standard Resistance
      Tester Connection Condition Specified Condition
      2 (PM-IGCT fuse) - A85-3 (+B1) Always Below 1 Ω
      2 (PM IGCT fuse) - A84-1 (+B2) Always Below 1 Ω
    4. Reconnect the A84 and A85 hybrid vehicle control ECU assembly connectors.

    5. Install the PM-IGCT fuse.

      Result
      Proceed to
      OK
      NG

    NG
    OK
  8. CHECK HARNESS AND CONNECTOR (NO. 1 ENGINE ROOM RELAY BLOCK AND NO. 1 JUNCTION BLOCK ASSEMBLY)


    1. B003YHLC04
      *1 No. 1 Engine Room Relay Block and No. 1 Junction Block Assembly
      *2 IGCT NO. 1 Fuse
      *3 PM-IGCT Fuse
      *4 IGCT Relay

      Remove the IGCT NO. 1 fuse, PM-IGCT fuse and IGCT relay from the No. 1 engine room relay block and No. 1 junction block assembly.

    2. B003XZUC04
      *1 No. 1 Engine Room Relay Block and No. 1 Junction Block Assembly
      *2 IGCT NO. 1 Fuse
      *3 PM IGCT Fuse
      *4 IGCT Relay

      Measure the resistance according to the value(s) in the table below.

      Standard Resistance
      Tester Connection Condition Specified Condition
      3 (IGCT relay) - 2 (IGCT NO. 1 fuse) Always Below 1 Ω
      5 (IGCT relay) - 1 (PM-IGCT fuse) Always Below 1 Ω
    3. Install the IGCT NO. 1 fuse, PM-IGCT fuse and IGCT relay.

      Result
      Proceed to
      OK
      NG

    NG
    OK
  9. CHECK HARNESS AND CONNECTOR (HYBRID VEHICLE CONTROL ECU ASSEMBLY - NO. 1 ENGINE ROOM RELAY BLOCK AND NO. 1 JUNCTION BLOCK ASSEMBLY)


    1. Disconnect the A85 hybrid vehicle control ECU assembly connector.

    2. Remove the IGCT relay from the No. 1 engine room relay block and No. 1 junction block assembly.

    3. Measure the resistance according to the value(s) in the table below.

      B003YSPC02
      *1 No. 1 Engine Room Relay Block and No. 1 Junction Block Assembly *2 IGCT Relay
      *a

      Rear view of wire harness connector

      (to Hybrid Vehicle Control ECU Assembly)

      - -
      Standard Resistance
      Tester Connection Condition Specified Condition
      A85-6 (MREL) - 1 (IGCT relay) Always Below 1 Ω
      A85-6 (MREL) or 1 (IGCT relay) - Body ground and other terminals Always 10 kΩ or higher
    4. Install the IGCT relay.

    5. Reconnect the A85 hybrid vehicle control ECU assembly connector.

      Result
      Proceed to
      OK
      NG

    NG
    OK
  10. CHECK HARNESS AND CONNECTOR (NO. 1 ENGINE ROOM RELAY BLOCK AND NO. 1 JUNCTION BLOCK ASSEMBLY - BODY GROUND)


    1. Remove the IGCT relay from the No. 1 engine room relay block and No. 1 junction block assembly.

    2. B003XR9C05
      *1 No. 1 Engine Room Relay Block and No. 1 Junction Block Assembly
      *2 IGCT Relay

      Measure the resistance according to the value(s) in the table below.

      Standard Resistance
      Tester Connection Condition Specified Condition
      2 (IGCT relay) - Body ground Always Below 1 Ω
    3. Install the IGCT relay.

      Result
      Proceed to
      OK
      NG

    NG
    OK
  11. CHECK HARNESS AND CONNECTOR (NO. 1 ENGINE ROOM RELAY BLOCK AND NO. 1 JUNCTION BLOCK ASSEMBLY)


    1. Disconnect the inverter bus-bar plate sub-assembly from the AMD terminal (No. 1 engine room relay block and No. 1 junction block assembly side).

    2. B003Y56C03
      *1 No. 1 Engine Room Relay Block and No. 1 Junction Block Assembly
      *2 AMD Terminal
      *3 IGCT NO. 1 Fuse

      Remove the IGCT NO. 1 fuse and PM IGCT fuse from the No. 1 engine room relay block and No. 1 junction block assembly.

    3. B003Y9QC05
      *1 No. 1 Engine Room Relay Block and No. 1 Junction Block Assembly
      *2 IGCT NO. 1 Fuse
      *3 AMD Terminal

      Measure the resistance according to the value(s) in the table below.

      Standard Resistance
      Tester Connection Condition Specified Condition
      1K-1 (AMD terminal) - 1 (IGCT No. 1 fuse) Always Below 1 Ω
    4. Install the IGCT No. 1 fuse.

    5. Reconnect the inverter bus-bar plate sub-assembly from the AMD terminal (No. 1 engine room relay block and No. 1 junction block assembly side).

      Result
      Proceed to
      OK
      NG

    OK
    NG
  12. CHECK FUSE (DC/DC)

    Result
    Proceed to
    OK
    NG

    1. Check the DC/DC fuse in the No. 1 engine room relay block and No. 1 junction block assembly for improper installation.

      OK
      The DC/DC fuse is installed securely.
    2. Remove the DC/DC fuse from the No. 1 engine room relay block and No. 1 junction block assembly.

    3. B003YENC02
      *1 No. 1 Engine Room Relay Block and No. 1 Junction Block Assembly
      *2 DC/DC Fuse

      Measure the resistance according to the value(s) in the table below.

      Standard Resistance
      Tester Connection Condition Specified Condition
      DC/DC fuse terminals Always Below 1 Ω
    4. Install the DC/DC fuse.

      Result
      Proceed to
      OK
      NG

    OK
    NG
  13. CHECK HARNESS AND CONNECTOR (NO. 1 ENGINE ROOM RELAY BLOCK AND NO. 1 JUNCTION BLOCK ASSEMBLY)


    1. B003XR9C06
      *1 No. 1 Engine Room Relay Block and No. 1 Junction Block Assembly
      *2 IGCT Relay

      Remove the IGCT NO. 1 fuse, PM-IGCT fuse and IGCT relay from the No. 1 engine room relay block and No. 1 junction block assembly.

    2. B003XZUC05
      *1 No. 1 Engine Room Relay Block and No. 1 Junction Block Assembly
      *2 IGCT NO. 1 Fuse
      *3 PM-IGCT Fuse
      *4 IGCT Relay

      Measure the resistance according to the value(s) in the table below.

      Standard Resistance
      Tester Connection Condition Specified Condition
      3 (IGCT relay) or 2 (IGCT NO. 1 fuse) - Body ground and other terminals Always 10 kΩ or higher
      5 (IGCT relay) or 2 (PM-IGCT fuse) - Body ground and other terminals Always 10 kΩ or higher
    3. Install the IGCT NO. 1 fuse, PM-IGCT fuse and IGCT relay.

      Result
      Proceed to
      OK
      NG

    OK
    NG
  14. REPAIR OR REPLACE HARNESS OR CONNECTOR

    Result
    Proceed to
    NEXT

    NEXT
  15. CHECK HARNESS AND CONNECTOR (NO. 1 ENGINE ROOM RELAY BLOCK AND NO. 1 JUNCTION BLOCK ASSEMBLY - HYBRID VEHICLE CONTROL ECU ASSEMBLY)


    1. B003YLNC11
      *1 No. 1 Engine Room Relay Block and No. 1 Junction Block Assembly
      *2 PM-IGCT Fuse

      Remove the PM-IGCT fuse from the No. 1 engine room relay block and No. 1 junction block assembly.

    2. Disconnect the A84 and A85 hybrid vehicle control ECU assembly connectors.

    3. Measure the resistance according to the value(s) in the table below.

      B003Y1GC16
      *1 No. 1 Engine Room Relay Block and No. 1 Junction Block Assembly *2 PM-IGCT Fuse
      *a

      Rear view of wire harness connector

      (to Hybrid Vehicle Control ECU Assembly)

      - -
      Standard Resistance
      Tester Connection Condition Specified Condition
      2 (PM-IGCT fuse) or A85-4 (+B1) - Body ground and other terminals Always 10 kΩ or higher
      2 (PM-IGCT fuse) or A84-1 (+B2) - Body ground and other terminals Always 10 kΩ or higher
    4. Reconnect the A84 and A85 hybrid vehicle control ECU assembly connectors.

    5. Install the PM-IGCT fuse.

      Result
      Proceed to
      OK
      NG

    OK
    NG
  16. REPAIR OR REPLACE HARNESS OR CONNECTOR

    Result
    Proceed to
    NEXT

    NEXT