HYBRID CONTROL SYSTEM, Diagnostic DTC:P0AE6-225

DTC Code DTC Name
P0AE6-225 Hybrid Battery Precharge Contactor Control Circuit Low

DESCRIPTION

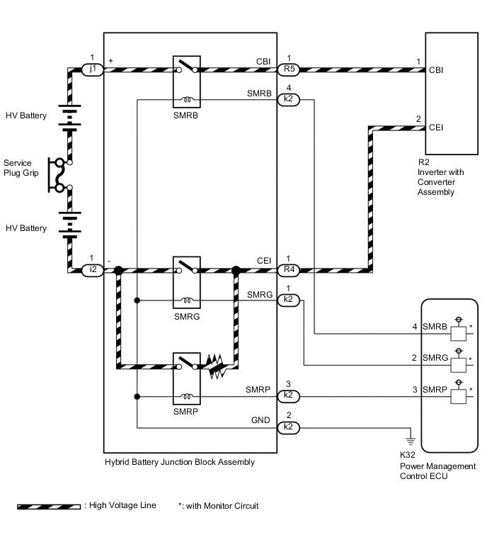
The SMRs (System Main Relays) are the relays that connect or disconnect the high voltage power system in accordance with commands from the power management control ECU.

There are 3 SMRs and 1 system main resistor. SMRB, SMRP, SMRG, and the system main resistor are located in the hybrid battery junction block assembly in the HV battery.

To connect to the high voltage power system, the vehicle will first turn on SMRP and SMRB to charge the vehicle through the system main resistor. Then, SMRP will be turned off after SMRG is turned on. To shut off the high voltage power system, SMRB and SMRG are turned off.

DTC No. Detection Item DTC Detection Condition Trouble Area MIL Warning Indicate
P0AE6-225 Hybrid Battery Precharge Contactor Control Circuit Low

Short to GND in the SMRP circuit

Primary circuit of SMRP is malfunctioning.

(2 trip detection logic)


  • Wire harness or connector

  • Hybrid battery junction block assembly

  • Power management control ECU

Does not come on

Master Warning Light:

Comes on

Related Data List
DTC No. Data List
P0AE6-225
  • VL-Voltage before Boosting

  • VH-Voltage after Boosting

  • Power Resource VB

  • SMRP Status

  • SMRB Status

  • SMRG Status

  • SMRP Control Status

  • SMRB Control Status

  • SMRG Control Status

  • Conv Shutdown

  • MG2 Inverter Shutdown

  • MG1 Inverter Shutdown

WIRING DIAGRAM

A01MS1NE04
A01MTCGE01

CAUTION / NOTICE / HINT

CAUTION:


  • Before inspecting the high-voltage system or disconnecting the low voltage connector of the inverter with converter assembly, take safety precautions such as wearing insulated gloves and removing the service plug grip to prevent electrical shocks. After removing the service plug grip, put it in your pocket to prevent other technicians from accidentally reconnecting it while you are working on the high-voltage system.

  • After removing the service plug grip, wait for at least 10 minutes before touching any of the high-voltage connectors or terminals. After waiting for 10 minutes, check the voltage at the terminals in the inspection point in the inverter with converter assembly. The voltage should be 0 V before beginning work.

    Click here

    Tech Tips

    Waiting for at least 10 minutes is required to discharge the high-voltage capacitor inside the inverter with converter assembly.

Note

After turning the power switch off, waiting time may be required before disconnecting the cable from the negative (-) auxiliary battery terminal. Therefore, make sure to read the disconnecting the cable from the negative (-) auxiliary battery terminal notices before proceeding with work.

Click here

Tech Tips


  • If DTC P0AE6-225 is output, the power switch cannot be turned on (READY).

  • After the repair, clear the DTCs, perform the following procedure and check that the same DTC (including pending DTC) is not output.


    1. Turn the power switch off and wait for 30 seconds or more.

    2. Turn the power switch on (READY) and wait for 30 seconds or more.

    3. Turn the power switch off and wait for 60 seconds or more.

PROCEDURE


  1. CHECK HARNESS AND CONNECTOR (POWER MANAGEMENT CONTROL ECU - BODY GROUND)


    1. Disconnect the K32 power management control ECU connector.

    2. A0021RBC13
      *a

      Rear view of wire harness connector

      (to Power Management Control ECU)

      Measure the resistance according to the value(s) in the table below.

      Standard Resistance
      Tester Connection Condition Specified Condition
      K32-3 (SMRP) - Body ground Power switch off 112 to 274 Ω
    3. Reconnect the K32 power management control ECU connector.

      Result
      Proceed to
      OK
      NG

    OK
    NG
  2. CHECK HARNESS AND CONNECTOR (POWER MANAGEMENT CONTROL ECU - HYBRID BATTERY JUNCTION BLOCK ASSEMBLY)

    CAUTION:

    Be sure to wear insulated gloves.


    1. Check that the service plug grip is not installed.

      Note

      After removing the service plug grip, do not turn the power switch on (READY), unless instructed by the repair manual because this may cause a malfunction.

    2. Remove the upper hybrid battery cover sub-assembly.

      Click here

    3. Disconnect the k2 hybrid battery junction block assembly connector.

    4. Disconnect the K32 power management control ECU connector.

    5. A01MSV1C57
      *a

      Rear view of wire harness connector

      (to Power Management Control ECU)

      *b

      Rear view of wire harness connector

      (to Hybrid Battery Junction Block Assembly)

      Measure the resistance according to the value(s) in the table below.

      Standard Resistance
      Tester Connection Condition Specified Condition
      K32-3 (SMRP) or k2-3 (SMRP) - Body ground and other terminals Power switch off 10 kΩ or higher
    6. Reconnect the K32 power management control ECU connector.

    7. Reconnect the k2 hybrid battery junction block assembly connector.

    8. Install the upper hybrid battery cover sub-assembly.

      Result
      Proceed to
      OK
      NG

    OK
    NG