POWER WINDOW CONTROL SYSTEM Rear Power Window LH does not Operate with Rear Power Window Switch LH

DESCRIPTION

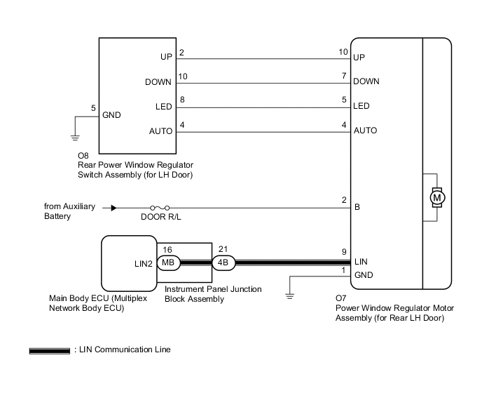
When the power switch is on (IG), the power window regulator motor assembly (for rear LH door) is operated by the rear power window regulator switch assembly (for LH door). The power window regulator motor assembly (for rear LH door) has motor, regulator, and ECU functions.

WIRING DIAGRAM

A01MTYPE15

CAUTION / NOTICE / HINT

Note


  • The power window control system uses the LIN communication system. Inspect the communication function by following How to Proceed with Troubleshooting. Troubleshoot the power window control system after confirming that the communication system is functioning properly.

    Click here

  • If the power window regulator motor assembly (for rear LH door) has been replaced with a new one, initialize the power window control system.

    Click here

  • Check that the window lock switch is off before performing the following procedure.

  • Inspect the fuses for circuits related to this system before performing the following procedure.

  • If the main body ECU (multiplex network body ECU) is replaced, refer to Service Bulletin.

PROCEDURE


  1. READ VALUE USING GTS (MAIN BODY)


    1. Connect the GTS to the DLC3.

    2. Turn the power switch on (IG).

    3. Turn the GTS on.

    4. Enter the following menus: Body Electrical / Main Body / Data List.

    5. Read the Data List according to the display on the GTS.


      Body Electrical > Main Body > Data List
      Tester Display Measurement Item Range Normal Condition Diagnostic Note
      Communication RL-Door Motor Connection status between power window regulator motor assembly (for rear LH door) and main body ECU (multiplex network body ECU) STOP or OK

      STOP: Communication stopped

      OK: Normal communication

      -

      Body Electrical > Main Body > Data List
      Tester Display
      Communication RL-Door Motor
      OK
      On the GTS screen, OK is displayed.
      Result
      Proceed to
      OK
      NG

    NG
    OK
  2. READ VALUE USING GTS (RL-DOOR MOTOR)


    1. Enter the following menus: Body Electrical / RL-Door Motor / Data List.

    2. Read the Data List according to the display on the GTS.


      Body Electrical > RL-Door Motor > Data List
      Tester Display Measurement Item Range Normal Condition Diagnostic Note
      RL Door P/W Up SW Rear LH door power window manual up switch signal OFF or ON

      OFF: Rear LH door power window manual up switch not being operated

      ON: Rear LH door power window manual up switch being operated

      -
      RL Door P/W Down SW Rear LH door power window manual down switch signal OFF or ON

      OFF: Rear LH door power window manual down switch not being operated

      ON: Rear LH door power window manual down switch being operated

      -

      Body Electrical > RL-Door Motor > Data List
      Tester Display
      RL Door P/W Up SW
      RL Door P/W Down SW
      OK
      On the GTS screen, ON or OFF is displayed accordingly.
      Result
      Proceed to
      OK
      NG

    NG
    OK
  3. PERFORM ACTIVE TEST USING GTS (RL-DOOR MOTOR)


    1. Enter the following menus: Body Electrical / RL-Door Motor / Active Test.

    2. Perform the Active Test according to the display on the GTS.

      CAUTION:

      Be careful to avoid injuries as this test causes vehicle parts to move. During the Active Test, the jam protection function will not operate.


      Body Electrical > RL-Door Motor > Active Test
      Tester Display Measurement Item Control Range Diagnostic Note
      Power Window Power window OFF / DOWN / UP -

      Body Electrical > RL-Door Motor > Active Test
      Tester Display
      Power Window
      OK
      Rear LH power window operates normally.
      Result
      Proceed to
      OK
      NG

    OK
    NG
  4. INSPECT REAR POWER WINDOW REGULATOR SWITCH ASSEMBLY (FOR LH DOOR)


    1. Remove the rear power window regulator switch assembly (for LH door).

      Click here

    2. Inspect the rear power window regulator switch assembly (for LH door).

      Click here

      Result
      Proceed to
      OK
      NG

    NG
    OK
  5. CHECK HARNESS AND CONNECTOR (REAR POWER WINDOW REGULATOR SWITCH (FOR LH DOOR) - POWER WINDOW REGULATOR MOTOR (FOR REAR LH DOOR) AND BODY GROUND)


    1. Disconnect the O7 power window regulator motor assembly (for rear LH door) connector.

    2. Measure the resistance according to the value(s) in the table below.

      Standard Resistance
      Tester Connection Condition Specified Condition
      O8-2 (UP) - O7-10 (UP) Always Below 1 Ω
      O8-2 (UP) - Body ground Always 10 kΩ or higher
      O7-10 (UP) - Body ground Always 10 kΩ or higher
      O8-10 (DOWN) - O7-7 (DOWN) Always Below 1 Ω
      O8-10 (DOWN) - Body ground Always 10 kΩ or higher
      O7-7 (DOWN) - Body ground Always 10 kΩ or higher
      O8-5 (GND) - Body ground Always Below 1 Ω
      Result
      Proceed to
      OK
      NG

    OK
    NG