BLIND SPOT MONITOR SYSTEM SYSTEM DIAGRAM


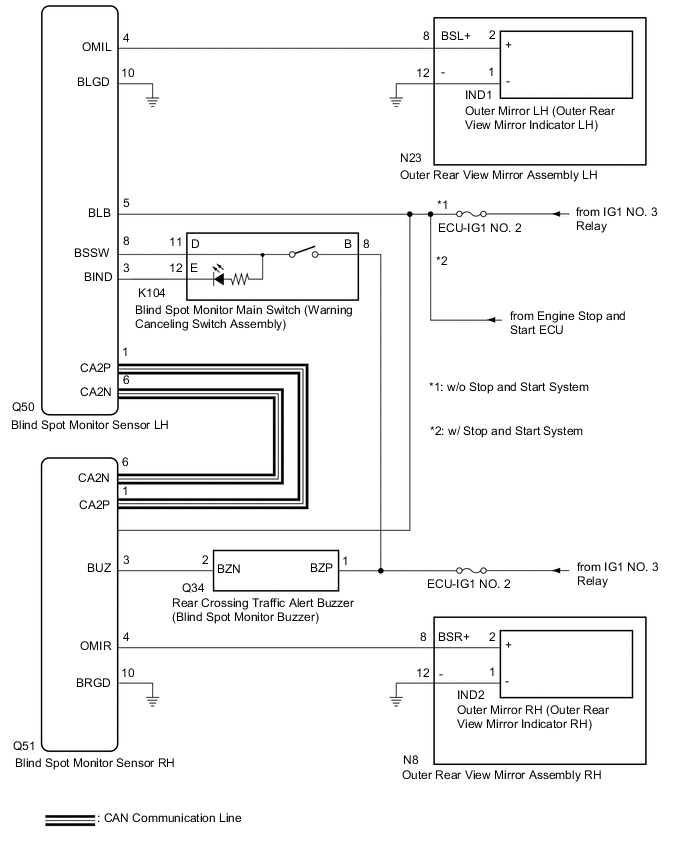
  1. w/ Seat Memory

    A001JMIE04
    A001J5KE04
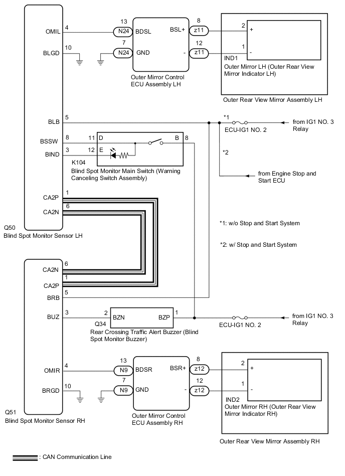
  2. w/o Seat Memory

    A001LGBE05
    A001J5KE04