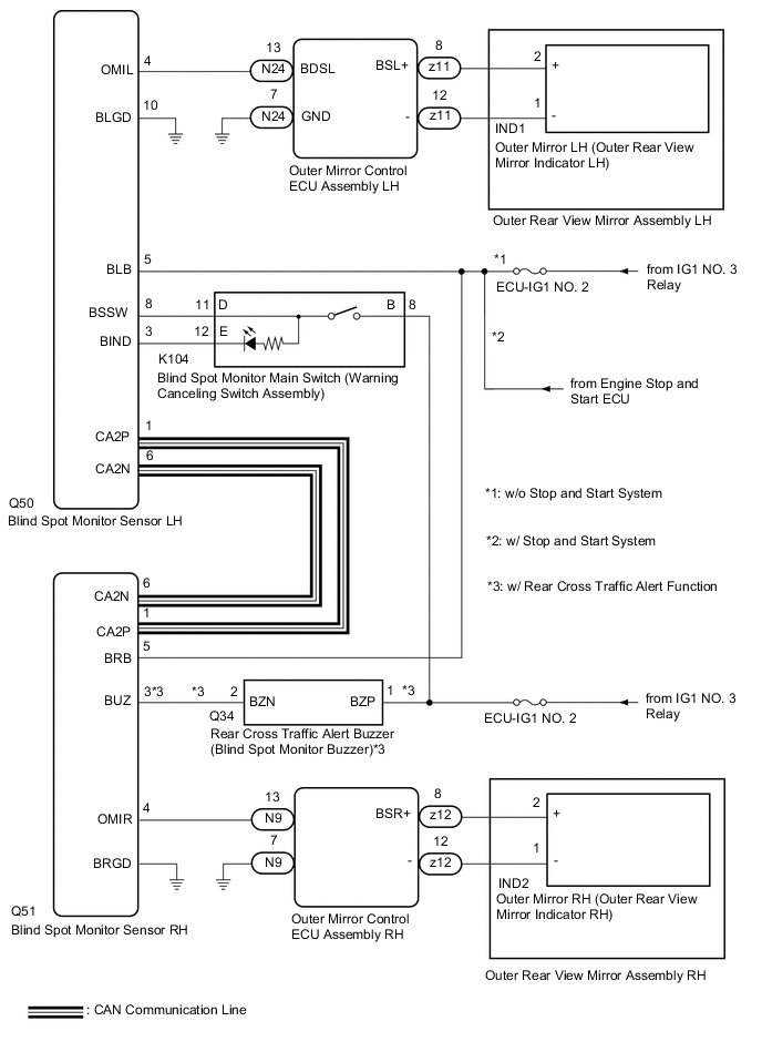
BLIND SPOT MONITOR SYSTEM SYSTEM DIAGRAM


  1. w/ Seat Memory

    A001JMIE01
    A01MZ1NE04
  2. w/o Seat Memory

    A01MV4FE01
    A01MZ1NE04