LANE DEPARTURE ALERT SYSTEM Power Source Circuit

DESCRIPTION

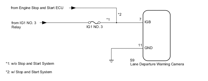
This circuit provides power to operate the lane departure warning camera.

WIRING DIAGRAM

A01MUN4E02

CAUTION / NOTICE / HINT

Note

Inspect the fuses for circuits related to this system before performing the following procedure.

PROCEDURE


  1. CHECK TERMINAL VOLTAGE (POWER SOURCE OF LANE DEPARTURE WARNING CAMERA)


    1. A01MYU4C03
      *a

      Front view of wire harness connector

      (to Lane Departure Warning Camera)

      Disconnect the S9 lane departure warning camera connector.

    2. Measure the voltage and resistance according to the value(s) in the table below.

      Standard Voltage
      Tester Connection Condition Specified Condition
      S9-7 (IGB) - Body ground Engine switch on (IG)

      11 to 14 V*1

      10.5 to 16 V*2

      S9-7 (IGB) - Body ground Engine switch off Below 1 V

      • *1: w/o Stop and Start System

      • *2: w/ Stop and Start System

      Standard Resistance:
      Tester Connection Condition Specified Condition
      S9-11 (GND) - Body ground Always Below 1 Ω
      Result
      Result Proceed to
      OK A
      NG (w/o Stop and Start System) B
      NG (w/ Stop and Start System) C

    A
    B
    C