SFI SYSTEM(w/o Canister Pump Module), Diagnostic DTC:P019511

DTC Code DTC Name
P019511 Engine Oil Temperature Sensor Circuit Short to Ground

DESCRIPTION

A thermistor, whose resistance changes in accordance with the engine oil temperature, is built into the engine oil temperature sensor. As the engine oil temperature decreases, the thermistor resistance increases and as the engine oil temperature increases, the thermistor resistance decreases. The engine oil temperature sensor is connected to the ECM. A voltage of 5 V is supplied from terminal THEO via resistor R of the ECM. Since resistor R and the engine oil temperature sensor are connected in series, both the resistance and the electrical potential of THEO are subjected to change in accordance with a change in the engine oil temperature.

DTC No. Detection Item DTC Detection Condition Trouble Area MIL Memory Note
P019511 Engine Oil Temperature Sensor Circuit Short to Ground The engine oil temperature sensor output voltage is less than 0.12 V for 5 seconds or more (1 trip detection logic).
  • Short in engine oil temperature sensor circuit

  • Engine oil temperature sensor

  • ECM

Does not come on DTC stored

SAE Code:

P0197

Tech Tips

When this DTC is output, check the Engine Oil Temperature Sensor in the Data List. Enter the following menus: Powertrain / Engine / Data List / Engine Oil Temperature Sensor.

DTC No. Engine Oil Temperature Sensor Malfunction
P019511 164°C (327°F) or higher Short to ground in THEO circuit

If the Data List values is normal it may be due to a temporary recovery from the malfunction condition. Check for intermittent problems.

MONITOR DESCRIPTION

The ECM monitors the engine oil temperature sensor and uses the sensor voltage to calculate the engine oil temperature. If the engine oil temperature sensor output voltage deviates from the normal operating range, the ECM determines that the engine oil temperature sensor circuit is malfunctioning and stores this DTC.

Example:

If the engine oil temperature sensor output voltage is less than 0.12 V for 5 seconds or more, the ECM store this DTC.

MONITOR STRATEGY

Frequency of Operation Continuous

CONFIRMATION DRIVING PATTERN


  1. Connect the GTS to the DLC3.

  2. Turn the engine switch on (IG) and turn the GTS on.

  3. Clear the DTCs (even if no DTCs are stored, perform the clear DTC procedure).

  4. Turn the engine switch off and wait for at least 30 seconds.

  5. Turn the engine switch on (IG) and turn the GTS on.

  6. Wait 10 seconds or more.

  7. Enter the following menus: Powertrain / Engine / Trouble Codes.

  8. Read the pending DTCs.

    Tech Tips


    • If a pending DTC is output, the system is malfunctioning.

    • If a pending DTC is not output, perform the following procedure.

  9. Enter the following menus: Powertrain / Engine / Utility / All Readiness.

  10. Input the DTC: P019511.

  11. Check the DTC judgment result.

    GTS Display Description
    NORMAL
    • DTC judgment completed

    • System normal

    ABNORMAL
    • DTC judgment completed

    • System abnormal

    INCOMPLETE
    • DTC judgment not completed

    • Perform driving pattern after confirming DTC enabling conditions

    N/A
    • Unable to perform DTC judgment

    • Number of DTCs which do not fulfill DTC preconditions has reached ECU memory limit

    Tech Tips


    • If the judgment result shows NORMAL, the system is normal.

    • If the judgment result shows ABNORMAL, the system has a malfunction.

    • If the judgment result shows INCOMPLETE or N/A, perform the Confirmation Driving Pattern and check the DTC judgment result again.

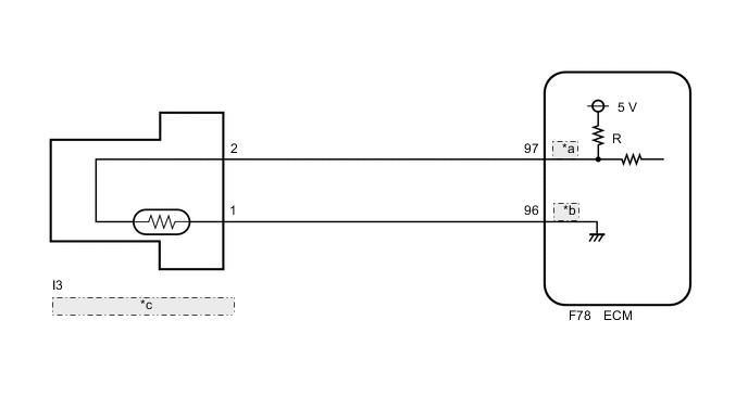
WIRING DIAGRAM

A01MV70E41
*a THEO
*b ETHE
*c Engine Oil Temperature Sensor

CAUTION / NOTICE / HINT

Tech Tips

Read freeze frame data using the GTS. The ECM records vehicle and driving condition information as freeze frame data the moment a DTC is stored. When troubleshooting, freeze frame data can help determine if the vehicle was moving or stationary, if the engine was warmed up or not, if the air fuel ratio was lean or rich, and other data from the time the malfunction occurred.

PROCEDURE


  1. READ VALUE USING GTS (CHECK FOR SHORT IN WIRE HARNESS)

    B003VD4C30
    *1 Engine Oil Temperature Sensor
    *2 ECM

    1. Disconnect the engine oil temperature sensor connector.

    2. Connect the GTS to the DLC3.

    3. Turn the engine switch on (IG).

    4. Turn the GTS on.

    5. Enter the following menus: Powertrain / Engine / Data List / Engine Oil Temperature Sensor.


      Powertrain > Engine > Data List
      Tester Display
      Engine Oil Temperature Sensor
    6. Read the value displayed on the GTS.

      Standard Value
      -40°C (-40°F)
      Result
      Proceed to
      OK
      NG

    OK
    NG
  2. CHECK HARNESS AND CONNECTOR (ENGINE OIL TEMPERATURE SENSOR - ECM)


    1. Disconnect the engine oil temperature sensor connector.

    2. Disconnect the ECM connector.

    3. Measure the resistance according to the value(s) in the table below.

      Standard Resistance
      Tester Connection Condition Specified Condition
      I3-2 or F78-97 (THEO) - Body ground and other terminals Always 10 kΩ or higher
      Result
      Proceed to
      OK
      NG

    OK
    NG