СИСТЕМА УПРАВЛЕНИЯ ЭЛЕКТРИЧЕСКИМИ СТЕКЛОПОДЪЕМНИКАМИ Невозможно управлять электрическим стеклоподъемником левой задней двери с помощью переключателя электрического стеклоподъемника левой задней двери

ОПИСАНИЕ

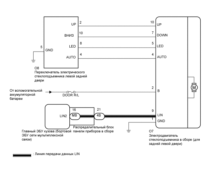
Когда включено питание (IG), электродвигатель стеклоподъемника в сборе (левой задней двери) приводится в действие посредством переключателя электрического стеклоподъемника левой задней двери. Электродвигатель стеклоподъемника в сборе (левой задней двери) содержит электродвигатель, приводной механизм и элементы ЭБУ.

СХЕМА ЭЛЕКТРИЧЕСКИХ СОЕДИНЕНИЙ

A01MTYPE15

ПРЕДОСТЕРЕЖЕНИЕ / ПРИМЕЧАНИЕ / УКАЗАНИЕ

Note


  • Система управления электрическими стеклоподъемниками использует систему передачи данных LIN. Проверьте работоспособность системы передачи данных, следуя указаниям из раздела "Порядок поиска неисправностей". Приступать к диагностике системы управления электрическими стеклоподъемниками следует только после подтверждения нормальной работы системы передачи данных.

    Нажмите здесь Click here

  • В случае замены электродвигателя стеклоподъемника в сборе (для левой задней двери) новым выполните инициализацию системы управления электрическими стеклоподъемниками.

    Нажмите здесь Click here

  • Перед выполнением следующей процедуры убедитесь, что выключатель блокировки стеклоподъемников выключен.

  • Перед выполнением последующей процедуры проверки проверьте плавкие предохранители цепей, относящихся к данной системе.

  • В случае замены главного ЭБУ кузова (бортового ЭБУ сети мультиплексной связи) обратитесь к бюллетеню технического обслуживания.

ПОРЯДОК ВЫПОЛНЕНИЯ


  1. СНИМИТЕ ПОКАЗАНИЯ GTS (КУЗОВ)


    1. Подключите GTS к DLC3.

    2. Включите питание (IG).

    3. Включите GTS.

    4. Войдите в следующие меню: Body Electrical / Main Body / Data List.

    5. Снимите показания с дисплея GTS в режиме DATA LIST.


      Body Electrical > Main Body > Data List
      Информация на дисплее прибора Измеряемая величина Диапазон Нормальное состояние Замечание по диагностике
      Communication RL-Door Motor Состояние соединения между электродвигателем стеклоподъемника в сборе (левой задней двери) и главным ЭБУ кузова (бортовым ЭБУ сети мультиплексной связи) STOP или OK

      STOP: Связь прекращена

      ОК: Связь в норме

      -

      Body Electrical > Main Body > Data List
      Информация на дисплее прибора
      Communication RL-Door Motor
      OK
      На экране GTS отображается OK.
      Результат
      Следующий шаг
      OK
      NG

    NG
    OK
  2. СНИМИТЕ ПОКАЗАНИЯ GTS (ЭЛЕКТРОДВИГАТЕЛЬ ЛЕВОЙ ЗАДНЕЙ ДВЕРИ)


    1. Войдите в следующие меню: Body Electrical / RL-Door Motor / Data List.

    2. Снимите показания с дисплея GTS в режиме DATA LIST.


      Body Electrical > RL-Door Motor > Data List
      Информация на дисплее прибора Измеряемая величина Диапазон Нормальное состояние Замечание по диагностике
      RL Door P/W Up SW Сигнал переключателя ручного подъема электрического стеклоподъемника левой задней двери OFF (ВЫКЛ) или ON (ВКЛ)

      OFF (ВЫКЛ): Переключатель ручного подъема электрического стеклоподъемника левой задней двери не включен

      ON (ВКЛ): Переключатель ручного подъема электрического стеклоподъемника левой задней двери включен

      -
      RL Door P/W Down SW Сигнал переключателя ручного опускания электрического стеклоподъемника левой задней двери OFF (ВЫКЛ) или ON (ВКЛ)

      OFF (ВЫКЛ): Переключатель ручного опускания электрического стеклоподъемника левой задней двери не включен

      ON (ВКЛ): Переключатель ручного опускания электрического стеклоподъемника левой задней двери включен

      -

      Body Electrical > RL-Door Motor > Data List
      Информация на дисплее прибора
      RL Door P/W Up SW
      RL Door P/W Down SW
      OK
      На экране GTS соответственно отображается ON (ВКЛ) или OFF (ВЫКЛ).
      Результат
      Следующий шаг
      OK
      NG

    NG
    OK
  3. ВЫПОЛНИТЕ АКТИВНУЮ ДИАГНОСТИКУ С ПОМОЩЬЮ GTS (RL-DOOR MOTOR)


    1. Войдите в следующие меню: Body Electrical / RL-Door Motor / Active Test.

    2. Выполните диагностику в режиме ACTIVE TEST в соответствии с указаниями на дисплее GTS.

      CAUTION:

      Так как в данном испытании приводятся в движение отдельные узлы и деталия автомобиля, будьте осторожны и остерегайтесь получения травм. В режиме Active Test функция травмобезопасности не работает.


      Body Electrical > RL-Door Motor > Active Test
      Информация на дисплее прибора Измеряемая величина Диапазон регулирования Замечание по диагностике
      Power Window Электрический стеклоподъемник OFF / DOWN / UP -

      Body Electrical > RL-Door Motor > Active Test
      Информация на дисплее прибора
      Power Window
      OK
      Электрический стеклоподъемник левой задней двери работает нормально.
      Результат
      Перейти К
      OK
      NG

    OK
    NG
  4. ПРОВЕРИТЬ ПЕРЕКЛЮЧАТЕЛЬ ЭЛЕКТРИЧЕСКОГО СТЕКЛОПОДЪЕМНИКА В СБОРЕ (ДЛЯ ЛЕВОЙ ЗАДНЕЙ ДВЕРИ)


    1. Снимите переключатель электрического стеклоподъемника в сборе (левой задней двери).

      Нажмите здесь Click here

    2. Проверьте переключатель электрического стеклоподъемника задней двери в сборе (для левой двери).

      Нажмите здесь Click here

      Результат
      Перейти К
      OK
      NG

    NG
    OK
  5. ПРОВЕРЬТЕ ЖГУТ ПРОВОДОВ И РАЗЪЕМ (ПЕРЕКЛЮЧАТЕЛЬ ЭЛЕКТРИЧЕСКОГО СТЕКЛОПОДЪЕМНИКА ЗАДНЕЙ ДВЕРИ (ДЛЯ ЛЕВОЙ ДВЕРИ) – ЭЛЕКТРОДВИГАТЕЛЬ СТЕКЛОПОДЪЕМНИКА (ДЛЯ ЛЕВОЙ ЗАДНЕЙ ДВЕРИ) И МАССА)


    1. Отсоедините разъем O7 электродвигателя стеклоподъемника в сборе (для левой задней двери).

    2. Измерьте сопротивление в соответствии со значениями, приведенными в таблице ниже.

      Номинальное сопротивление
      Подключение диагностического прибора Условие Заданные условия
      O8-2 (UP) - O7-10 (UP) Всегда Менее 1 Ом
      O8-2 (UP) - масса Всегда 10 кОм или более
      O7-10 (UP) - масса Всегда 10 кОм или более
      O8-10 (DOWN) - O7-7 (DOWN) Всегда Менее 1 Ом
      O8-10 (DOWN) - масса Всегда 10 кОм или более
      O7-7 (DOWN) - масса Всегда 10 кОм или более
      O8-5 (GND) - масса Всегда Менее 1 Ом
      Результат
      Перейти К
      OK
      NG

    OK
    NG