СИСТЕМА ПЕРЕДАЧИ ДАННЫХ CAN, Diagnostic DTC:U1002

Код DTC Наименование DTC
U1002 Нарушение связи с блоком сетевого шлюза (главный ЭБУ кузова)

ОПИСАНИЕ


№ DTC Неисправность Условие обнаружения DTC Неисправный участок Примечание
U1002 Нарушение связи с блоком сетевого шлюза (главный ЭБУ кузова) Главный ЭБУ кузова (бортовой ЭБУ сети мультиплексной связи) не получает сигналы от всех ЭБУ, которые были сохранены в памяти как блоки, подключенные к вспомогательной шине 1.
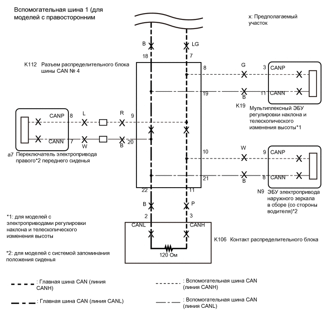
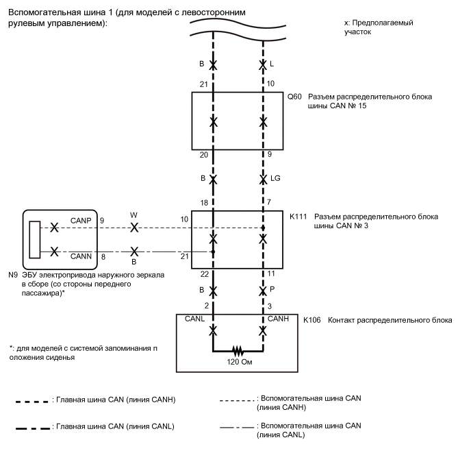
  • Обрыв или короткое замыкание в главных линиях или разъеме вспомогательной шины 1

  • Короткое замыкание во вспомогательных линиях или разъеме вспомогательной шины 1

  • Главный ЭБУ кузова (бортовой ЭБУ сети мультиплексной связи)

  • ЭБУ электропривода наружного зеркала

    (со стороны водителя, для моделей с системой запоминания положений сидений)

  • ЭБУ электропривода наружного зеркала

    (со стороны переднего пассажира, для моделей с системой запоминания положений сидений)

  • Переключатель электропривода левого переднего сиденья

    (для моделей с левосторонним рулевым управлением, с системой запоминания положений сидений)

  • Переключатель электропривода правого переднего сиденья

    (для моделей с правосторонним рулевым управлением, с системой запоминания положений сидений)

  • Мультиплексный ЭБУ регулировки наклона и телескопического изменения высоты

    (для моделей с системой наклонной телескопической рулевой колонки с электроприводом)

  • Обрыв или короткое замыкание в разъеме распределительного блока шины CAN № 3 (для моделей с левосторонним рулевым управлением)

  • Обрыв или короткое замыкание в разъеме распределительного блока шины CAN № 4 (для моделей с правосторонним рулевым управлением)

  • Обрыв или короткое замыкание в разъеме распределительного блока шины CAN № 5 (для моделей с левосторонним рулевым управлением)

  • Обрыв или короткое замыкание в разъеме распределительного блока шины CAN № 6 (для моделей с правосторонним рулевым управлением)

  • Обрыв или короткое замыкание в разъеме распределительного блока шины CAN № 15

  • Обрыв или короткое замыкание в контакте распределительного блока

Tech Tips

Главный ЭБУ кузова (бортовой ЭБУ сети мультиплексной связи) сохраняет коды DTC, когда он регистрирует прекращение обмена данными или ошибку связи по сети для ЭБУ, подключенных к вспомогательной шине 1.

Tech Tips

Эта диагностическая процедура предназначена для случаев, когда главный ЭБУ кузова (бортовой ЭБУ сети мультиплексной связи) выводит код DTC U1002 (информация на экране GTS: Main Body).

СХЕМА ЭЛЕКТРИЧЕСКИХ СОЕДИНЕНИЙ

A01MT4ZE01
A01MU1PE01
A01MS2KE02
A01MU33E02

ПРЕДОСТЕРЕЖЕНИЕ / ПРИМЕЧАНИЕ / УКАЗАНИЕ

Note


  • Перед измерением сопротивления шины CAN, выключите питание и оставьте автомобиль в покое на 1 минуту или более, не приводя в действие ключ, любые другие переключатели и не открывая/закрывая двери. После этого отсоедините провод от отрицательного (-) вывода вспомогательной аккумуляторной батареи и перед измерением сопротивления оставьте автомобиль в покое на 1 минуту или более.

  • После выключения питания следует подождать некоторое время, прежде чем отсоединять провод от отрицательного (-) вывода вспомогательной аккумуляторной батареи. Поэтому, прежде чем приступать к этой работе, обязательно ознакомьтесь с примечанием относительно отсоединения провода от отрицательного (-) вывода вспомогательной аккумуляторной батареи.

    Нажмите здесь Click here

  • Так как порядок проведения диагностики важен для получения корректных результатов, начните поиск неисправностей с раздела "Порядок поиска неисправностей", если выводятся коды DTC, связанные с системой передачей данных CAN.

    Нажмите здесь Click here

  • После ремонта выполните процедуру проверки кодов DTC и убедитесь, что коды DTC не выводятся снова.

  • Процедура проверки кодов DTC: Включите питание (IG) и подождите не менее 20 с.

  • После ремонта выполните проверку шины CAN и убедитесь, что отображаются все ЭБУ и датчики, подсоединенные к системе передачи данных CAN.

    Нажмите здесь Click here

  • Перед выполнением последующей процедуры проверки проверьте плавкие предохранители цепей, относящихся к данной системе.

  • В случае замены главного ЭБУ кузова (бортового ЭБУ сети мультиплексной связи) обратитесь к бюллетеню технического обслуживания.

Tech Tips


  • Управление выключателем питания, какими-либо выключателями или дверями приводит к обмену данными между ЭБУ и датчиками по шине CAN. При осуществлении обмена данными сопротивление изменяется.

  • Если DTC регистрируется при непродолжительном движении на автомобиле даже после удаления кодов DTC, неисправность может возникать вследствие вибрации автомобиля. В подобных случаях необходимо пошевелить разъемы ЭБУ или жгутов проводов во время проверки, чтобы установить причину неисправности.

ПОРЯДОК ВЫПОЛНЕНИЯ


  1. ПРОВЕРЬТЕ ТИП АВТОМОБИЛЯ


    1. Проверьте тип автомобиля.

      Результат
      Результат Перейти к
      Для моделей с левосторонним рулевым управлением А
      Для моделей с правосторонним рулевым управлением B

    B
    А
  2. ПРОВЕРЬТЕ ВСПОМОГАТЕЛЬНУЮ ШИНУ 1


    1. Отсоедините провод от отрицательного (-) вывода вспомогательной аккумуляторной батареи.

    2. A01MS66C01
      *1 DLC3
      *a

      Устройство с подсоединенным жгутом проводов

      (главный ЭБУ кузова (бортовой ЭБУ сети мультиплексной связи))

      Измерьте сопротивление в соответствии со значениями, приведенными в таблице ниже.

      Номинальное сопротивление
      Подключение диагностического прибора Значение Заданные условия Результат
      K1-9 (CANP) - K1-10 (CANN) Провод отсоединен от отрицательного (-) вывода вспомогательной аккумуляторной батареи 54 - 69 Ом Менее 54 Ом: Короткое замыкание между шинами
      70 Ом или более: Обрыв в линиях главной шины
      K1-9 (CANP) - K9-4 (CG) Провод отсоединен от отрицательного (-) вывода вспомогательной аккумуляторной батареи 200 Ом или более Менее 200 Ом: Короткое замыкание CANH на массу
      K1-10 (CANN) - K9-4 (CG) Провод отсоединен от отрицательного (-) вывода вспомогательной аккумуляторной батареи 200 Ом или более Менее 200 Ом: Короткое замыкание CANL на массу
      K1-9 (CANP) - K9-16 (BAT) Провод отсоединен от отрицательного (-) вывода вспомогательной аккумуляторной батареи 6 кОм или более Менее 6 кОм: Короткое замыкание CANH на +B
      K1-10 (CANN) - K9-16 (BAT) Провод отсоединен от отрицательного (-) вывода вспомогательной аккумуляторной батареи 6 кОм или более Менее 6 кОм: Короткое замыкание CANL на +B
      Результат
      Результат Следующий шаг
      OK А
      NG (обрыв в линиях главной шины CAN) B
      NG (Короткое замыкание между шинами) C

      • NG (Короткое замыкание на массу)

      • NG (Короткое замыкание на +B)

      D

    B
    C
    D
    А
  3. ПРОВЕРЬТЕ, ВЫВОДЯТСЯ ЛИ DTC


    1. Подсоедините провод к отрицательному (-) выводу вспомогательной аккумуляторной батареи.

    2. Подключите GTS к DLC3.

    3. Включите питание (IG).

    4. Включите GTS.

    5. Сбросьте коды DTC.


      Body Electrical > Main Body > Clear DTCs
    6. Выключите питание.

    7. Включите питание (IG).

    8. Проверьте наличие кодов DTC.


      Body Electrical > Main Body > Trouble Codes
      Результат
      Результат Следующий шаг
      Главный ЭБУ кузова (бортовой ЭБУ сети мультиплексной связи) не выводит код DTC U1002 (информация на экране GTS: Main Body) А
      Главный ЭБУ кузова (бортовой ЭБУ сети мультиплексной связи) выводит код DTC U1002 (информация на экране GTS: Main Body) B

    А
    B
  4. ПРОВЕРЬТЕ ГЛАВНЫЕ ЛИНИИ ВСПОМОГАТЕЛЬНОЙ ШИНЫ 1 НА ОБРЫВ (ГЛАВНЫЙ ЭБУ КУЗОВА (БОРТОВОЙ ЭБУ СЕТИ МУЛЬТИПЛЕКСНОЙ СВЯЗИ))


    1. A01MSYAC05
      *a

      Вид спереди разъема со стороны жгута проводов:

      (к главному ЭБУ кузова (бортовому ЭБУ сети мультиплексной связи))

      Отсоедините разъем K1 главного ЭБУ кузова (бортового ЭБУ сети мультиплексной связи).

    2. Измерьте сопротивление в соответствии со значениями, приведенными в таблице ниже.

      Номинальное сопротивление
      Подключение диагностического прибора Условие Заданные условия
      K1-9 (CANP) - K1-10 (CANN) Провод отсоединен от отрицательного (-) вывода вспомогательной аккумуляторной батареи 108 - 132 Ом
      Результат
      Результат
      OK
      NG

    OK
    NG
  5. ПРОВЕРЬТЕ ГЛАВНЫЕ ЛИНИИ ВСПОМОГАТЕЛЬНОЙ ШИНЫ 1 НА ОБРЫВ (РАЗЪЕМ РАСПРЕДЕЛИТЕЛЬНОГО БЛОКА)


    1. Подсоедините разъем K1 главного ЭБУ кузова (бортового ЭБУ сети мультиплексной связи).

    2. A01MTIAC09
      *a

      Вид спереди разъема со стороны жгута проводов:

      (к контакту распределительного блока)

      Отсоедините разъем K106 контакта распределительного блока.

    3. Измерьте сопротивление в соответствии со значениями, приведенными в таблице ниже.

      Номинальное сопротивление
      Подключение диагностического прибора Условие Заданные условия
      K106-3 (CANH) - K106-2 (CANL) Провод отсоединен от отрицательного (-) вывода вспомогательной аккумуляторной батареи 108 - 132 Ом
      Результат
      Результат
      OK
      NG

    OK
    NG
  6. ПРОВЕРЬТЕ ГЛАВНЫЕ ЛИНИИ ВСПОМОГАТЕЛЬНОЙ ШИНЫ 1 НА ОБРЫВ (РАЗЪЕМ РАСПРЕДЕЛИТЕЛЬНОГО БЛОКА ШИНЫ CAN № 5)


    1. Подсоедините разъем K106 контакта распределительного блока.

    2. A01MSJAC08
      *a

      Вид спереди разъема со стороны жгута проводов:

      (к разъему распределительного блока шины CAN № 5)

      *b к разъему № 15 распределительного блока шины CAN
      *c К главному ЭБУ кузова (бортовому ЭБУ сети мультиплексной связи)

      Отсоедините разъем K113 распределительного блока шины CAN № 5.

    3. Измерьте сопротивление в соответствии со значениями, приведенными в таблице ниже.

      Номинальное сопротивление
      Подключение диагностического прибора Условие Заданные условия Куда подсоединить
      K113-7 (CANH) - K113-18 (CANL) Провод отсоединен от отрицательного (-) вывода вспомогательной аккумуляторной батареи 108 - 132 Ом Разъем распределительного блока шины CAN № 15
      K113-8 (CANH) - K113-19 (CANL) Провод отсоединен от отрицательного (-) вывода вспомогательной аккумуляторной батареи 108 - 132 Ом Главный ЭБУ кузова (бортовой ЭБУ сети мультиплексной связи)
      Результат
      Результат Перейти к
      OK А
      NG (главные линии главного ЭБУ кузова (бортового ЭБУ сети мультиплексной связи)) B
      NG (главные линии распределительного блока шины CAN № 15) C

    А
    B
    C
  7. ПРОВЕРЬТЕ ГЛАВНЫЕ ЛИНИИ ВСПОМОГАТЕЛЬНОЙ ШИНЫ 1 НА ОБРЫВ (РАЗЪЕМ РАСПРЕДЕЛИТЕЛЬНОГО БЛОКА ШИНЫ CAN № 15)


    1. Подсоедините разъем K113 распределительного блока шины CAN № 5.

    2. A01MSJAC40
      *a

      Вид спереди разъема со стороны жгута проводов:

      (к разъему распределительного блока шины CAN № 15)

      *b к разъему № 3 распределительного блока шины CAN
      *c к разъему № 5 распределительного блока шины CAN

      Отсоедините разъем Q60 распределительного блока шины CAN № 15.

    3. Измерьте сопротивление в соответствии со значениями, приведенными в таблице ниже.

      Номинальное сопротивление
      Подключение диагностического прибора Условие Заданные условия Куда подсоединить
      Q60-9 (CANH) - Q60-20 (CANL) Провод отсоединен от отрицательного (-) вывода вспомогательной аккумуляторной батареи 108 - 132 Ом Разъем распределительного блока шины CAN № 3
      Q60-10 (CANH) - Q60-21 (CANL) Провод отсоединен от отрицательного (-) вывода вспомогательной аккумуляторной батареи 108 - 132 Ом Разъем распределительного блока шины CAN № 5
      Результат
      Результат Перейти к
      OK А
      NG (главные линии распределительного блока шины CAN № 5) B
      NG (главные линии распределительного блока шины CAN № 3) C

    А
    B
    C
  8. ПРОВЕРЬТЕ ГЛАВНЫЕ ЛИНИИ ВСПОМОГАТЕЛЬНОЙ ШИНЫ 1 НА ОБРЫВ (РАЗЪЕМ РАСПРЕДЕЛИТЕЛЬНОГО БЛОКА ШИНЫ CAN № 3)


    1. Подсоедините разъем Q60 распределительного блока шины CAN № 15.

    2. A01MSJAC09
      *a

      Вид спереди разъема со стороны жгута проводов:

      (к разъему распределительного блока шины CAN № 3)

      *b к разъему № 15 распределительного блока шины CAN
      *c к контакту распределительного блока

      Отсоедините разъем K111 распределительного блока шины CAN № 3.

    3. Измерьте сопротивление в соответствии со значениями, приведенными в таблице ниже.

      Номинальное сопротивление
      Подключение диагностического прибора Условие Заданные условия Куда подсоединить
      K111-7 (CANH) - K111-18 (CANL) Провод отсоединен от отрицательного (-) вывода вспомогательной аккумуляторной батареи 108 - 132 Ом Разъем распределительного блока шины CAN № 15
      K111-11 (CANH) - K111-22 (CANL) Провод отсоединен от отрицательного (-) вывода вспомогательной аккумуляторной батареи 108 - 132 Ом Контакт распределительного блока
      Результат
      Результат Следующий шаг
      OK А
      NG (главные линии распределительного блока шины CAN № 15) B
      NG (главные линии разъема распределительного блока) C

    А
    B
    C
  9. ПРОВЕРЬТЕ ЛИНИИ ВСПОМОГАТЕЛЬНОЙ ШИНЫ 1 НА КОРОТКОЕ ЗАМЫКАНИЕ (ГЛАВНЫЙ ЭБУ КУЗОВА (БОРТОВОЙ ЭБУ СЕТИ МУЛЬТИПЛЕКСНОЙ СВЯЗИ))


    1. A01MSYAC06
      *a

      Вид спереди разъема со стороны жгута проводов:

      (к главному ЭБУ кузова (бортовому ЭБУ сети мультиплексной связи))

      Отсоедините разъем K1 главного ЭБУ кузова (бортового ЭБУ сети мультиплексной связи).

    2. Измерьте сопротивление в соответствии со значениями, приведенными в таблице ниже.

      Номинальное сопротивление
      Подключение диагностического прибора Условие Заданные условия
      K1-9 (CANP) - K1-10 (CANN) Провод отсоединен от отрицательного (-) вывода вспомогательной аккумуляторной батареи 108 - 132 Ом
      Результат
      Результат
      OK
      NG

    OK
    NG
  10. ПРОВЕРЬТЕ ЛИНИИ ВСПОМОГАТЕЛЬНОЙ ШИНЫ 1 НА КОРОТКОЕ ЗАМЫКАНИЕ (КОНТАКТ РАСПРЕДЕЛИТЕЛЬНОГО БЛОКА)


    1. Подсоедините разъем K1 главного ЭБУ кузова (бортового ЭБУ сети мультиплексной связи).

    2. A01MTIAC10
      *a

      Вид спереди разъема со стороны жгута проводов:

      (к контакту распределительного блока)

      Отсоедините разъем K106 контакта распределительного блока.

    3. Измерьте сопротивление в соответствии со значениями, приведенными в таблице ниже.

      Номинальное сопротивление
      Подключение диагностического прибора Условие Заданные условия
      K106-3 (CANH) - K106-2 (CANL) Провод отсоединен от отрицательного (-) вывода вспомогательной аккумуляторной батареи 108 - 132 Ом
      Результат
      Результат
      OK
      NG

    OK
    NG
  11. ПРОВЕРЬТЕ ЛИНИИ ВСПОМОГАТЕЛЬНОЙ ШИНЫ 1 НА КОРОТКОЕ ЗАМЫКАНИЕ (РАЗЪЕМ РАСПРЕДЕЛИТЕЛЬНОГО БЛОКА ШИНЫ CAN № 5)


    1. Подсоедините разъем K106 контакта распределительного блока.

    2. A01MSJAC10
      *a

      Вид спереди разъема со стороны жгута проводов:

      (к разъему распределительного блока шины CAN № 5)

      *b к разъему № 15 распределительного блока шины CAN
      *c К главному ЭБУ кузова (бортовому ЭБУ сети мультиплексной связи)
      *d

      К ЭБУ электропривода наружного зеркала в сборе (со стороны водителя)

      (для моделей с системой запоминания положения сиденья)

      *e

      к мультиплексному ЭБУ регулировки наклона и телескопического изменения высоты

      (для моделей с электроприводами регулировки наклона и телескопического изменения высоты)

      *f

      к переключателю электропривода левого переднего сиденья

      (для моделей с системой запоминания положения сиденья)

      Отсоедините разъем K113 распределительного блока шины CAN № 5.

    3. Измерьте сопротивление в соответствии со значениями, приведенными в таблице ниже.

      Номинальное сопротивление
      Контакты для подключения диагностического прибора Условие Заданные условия Куда подсоединить
      K113-7 (CANH) - K113-18 (CANL) Провод отсоединен от отрицательного (-) вывода вспомогательной аккумуляторной батареи 108 - 132 Ом Разъем распределительного блока шины CAN № 15
      K113-8 (CANH) - K113-19 (CANL) Провод отсоединен от отрицательного (-) вывода вспомогательной аккумуляторной батареи 108 - 132 Ом Главный ЭБУ кузова (бортовой ЭБУ сети мультиплексной связи)
      K113-9 (CANH) - K113-20 (CANL) Провод отсоединен от отрицательного (-) вывода вспомогательной аккумуляторной батареи 200 Ом или более ЭБУ электропривода наружного зеркала в сборе (со стороны водителя)*1
      K113-10 (CANH) - K113-21 (CANL) Провод отсоединен от отрицательного (-) вывода вспомогательной аккумуляторной батареи 200 Ом или более Мультиплексный ЭБУ регулировки наклона и телескопического изменения высоты*2
      K113-11 (CANH) - K113-22 (CANL) Провод отсоединен от отрицательного (-) вывода вспомогательной аккумуляторной батареи 200 Ом или более Переключатель электропривода левого переднего сиденья*1

      • *1: для моделей с системой запоминания положения сиденья

      • *2: для моделей с электроприводами регулировки наклона и телескопического изменения высоты

      Результат
      Результат Перейти к
      OK А
      NG (главные линии главного ЭБУ кузова (бортового ЭБУ сети мультиплексной связи)) B
      NG (вспомогательные линии ЭБУ или датчика) C
      NG (главные линии распределительного блока шины CAN № 15) D

    А
    B
    C
    D
  12. ПРОВЕРЬТЕ ЛИНИИ ВСПОМОГАТЕЛЬНОЙ ШИНЫ 1 НА КОРОТКОЕ ЗАМЫКАНИЕ (РАЗЪЕМ РАСПРЕДЕЛИТЕЛЬНОГО БЛОКА ШИНЫ CAN № 15)


    1. Подсоедините разъем K113 распределительного блока шины CAN № 5.

    2. A01MSJAC41
      *a

      Вид спереди разъема со стороны жгута проводов:

      (к разъему распределительного блока шины CAN № 15)

      *b к разъему № 3 распределительного блока шины CAN
      *c к разъему № 5 распределительного блока шины CAN

      Отсоедините разъем Q60 распределительного блока шины CAN № 15.

    3. Измерьте сопротивление в соответствии со значениями, приведенными в таблице ниже.

      Номинальное сопротивление
      Подключение диагностического прибора Условие Заданные условия Куда подсоединить
      Q60-9 (CANH) - Q60-20 (CANL) Провод отсоединен от отрицательного (-) вывода вспомогательной аккумуляторной батареи 108 - 132 Ом Разъем распределительного блока шины CAN № 3
      Q60-10 (CANH) - Q60-21 (CANL) Провод отсоединен от отрицательного (-) вывода вспомогательной аккумуляторной батареи 108 - 132 Ом Разъем распределительного блока шины CAN № 5
      Результат
      Результат Перейти к
      OK А
      NG (главные линии распределительного блока шины CAN № 5) B
      NG (главные линии распределительного блока шины CAN № 3) C

    А
    B
    C
  13. ПРОВЕРЬТЕ ЛИНИИ ВСПОМОГАТЕЛЬНОЙ ШИНЫ 1 НА КОРОТКОЕ ЗАМЫКАНИЕ (РАЗЪЕМ РАСПРЕДЕЛИТЕЛЬНОГО БЛОКА ШИНЫ CAN № 3)


    1. Подсоедините разъем Q60 распределительного блока шины CAN № 15.

    2. A01MSJAC11
      *a

      Вид спереди разъема со стороны жгута проводов:

      (к разъему распределительного блока шины CAN № 3)

      *b к разъему № 15 распределительного блока шины CAN
      *c

      К ЭБУ электропривода наружного зеркала в сборе (со стороны переднего пассажира)

      (для моделей с системой запоминания положения сиденья)

      *d к контакту распределительного блока

      Отсоедините разъем K111 распределительного блока шины CAN № 3.

    3. Измерьте сопротивление в соответствии со значениями, приведенными в таблице ниже.

      Номинальное сопротивление
      Подключение диагностического прибора Условие Заданные условия Куда подсоединить
      K111-7 (CANH) - K111-18 (CANL) Провод отсоединен от отрицательного (-) вывода вспомогательной аккумуляторной батареи 108 - 132 Ом Разъем распределительного блока шины CAN № 15
      K111-10 (CANH) - K111-21 (CANL) Провод отсоединен от отрицательного (-) вывода вспомогательной аккумуляторной батареи 200 Ом или более ЭБУ электропривода наружного зеркала в сборе (со стороны переднего пассажира)*
      K111-11 (CANH) - K111-22 (CANL) Провод отсоединен от отрицательного (-) вывода вспомогательной аккумуляторной батареи 108 - 132 Ом Контакт распределительного блока

      • *: для моделей с системой запоминания положения сиденья

      Результат
      Результат Перейти к
      OK А
      NG (главные линии распределительного блока шины CAN № 15) B
      NG (вспомогательные линии ЭБУ или датчика) C
      NG (главные линии разъема распределительного блока) D

    А
    B
    D
    C
  14. ПРОВЕРЬТЕ ЛИНИИ ВСПОМОГАТЕЛЬНОЙ ШИНЫ 1 CAN НА КОРОТКОЕ ЗАМЫКАНИЕ (ЭБУ, ДАТЧИК)


    1. Подсоедините все жгуты проводов.

    2. Отсоедините разъем, содержащий контакты CANH и CANL, от ЭБУ (или датчика), к которому подсоединена замкнутая накоротко вспомогательная шина.

      Нажмите здесь Click here

    3. A01MSDAC05
      *a

      Устройство с подсоединенным жгутом проводов

      (главный ЭБУ кузова (бортовой ЭБУ сети мультиплексной связи))

      Измерьте сопротивление в соответствии со значениями, приведенными в таблице ниже.

      Номинальное сопротивление
      Подключение диагностического прибора Условие Заданные условия
      K1-9 (CANP) - K1-10 (CANN) Провод отсоединен от отрицательного (-) вывода вспомогательной аккумуляторной батареи 54 - 69 Ом

      Tech Tips

      Если при отсоединении разъема от ЭБУ (или датчика) сопротивление стало нормальным (54–69 Ом), возможно короткое замыкание в ЭБУ (или датчике).

      Результат
      Результат
      OK
      NG

    OK
    NG
  15. ПРОВЕРЬТЕ ЛИНИИ ВСПОМОГАТЕЛЬНОЙ ШИНЫ 1 НА КОРОТКОЕ ЗАМЫКАНИЕ (РАЗЪЕМ РАСПРЕДЕЛИТЕЛЬНОГО БЛОКА ШИНЫ CAN № 5)


    1. Отсоедините разъем K113 распределительного блока шины CAN № 5.

      A01MTP6C40
      *1 DLC3 - -
      *a

      Вид спереди разъема со стороны жгута проводов:

      (к разъему распределительного блока шины CAN № 5)

      *b к разъему № 15 распределительного блока шины CAN
      *c К главному ЭБУ кузова (бортовому ЭБУ сети мультиплексной связи) *d

      К ЭБУ электропривода наружного зеркала в сборе (со стороны водителя)

      (для моделей с системой запоминания положения сиденья)

      *e

      к мультиплексному ЭБУ регулировки наклона и телескопического изменения высоты

      (для моделей с электроприводами регулировки наклона и телескопического изменения высоты)

      *f

      к переключателю электропривода левого переднего сиденья

      (для моделей с системой запоминания положения сиденья)

    2. Измерьте сопротивление в соответствии со значениями, приведенными в таблице ниже.

      Номинальное сопротивление
      Подключение диагностического прибора Условие Заданные условия Результат Куда подсоединить
      K113-7 (CANH) - K9-4 (CG) Провод отсоединен от отрицательного (-) вывода вспомогательной аккумуляторной батареи 200 Ом или более Менее 200 Ом: Короткое замыкание CANH на массу Разъем распределительного блока шины CAN № 15
      K113-18 (CANL) - K9-4 (CG) Провод отсоединен от отрицательного (-) вывода вспомогательной аккумуляторной батареи 200 Ом или более Менее 200 Ом: Короткое замыкание CANL на массу
      K113-8 (CANH) - K9-4 (CG) Провод отсоединен от отрицательного (-) вывода вспомогательной аккумуляторной батареи 200 Ом или более Менее 200 Ом: Короткое замыкание CANH на массу Главный ЭБУ кузова (бортовой ЭБУ сети мультиплексной связи)
      K113-19 (CANL) - K9-4 (CG) Провод отсоединен от отрицательного (-) вывода вспомогательной аккумуляторной батареи 200 Ом или более Менее 200 Ом: Короткое замыкание CANL на массу
      K113-9 (CANH) - K9-4 (CG) Провод отсоединен от отрицательного (-) вывода вспомогательной аккумуляторной батареи 200 Ом или более Менее 200 Ом: Короткое замыкание CANH на массу ЭБУ электропривода наружного зеркала в сборе (со стороны водителя)*1
      K113-20 (CANL) - K9-4 (CG) Провод отсоединен от отрицательного (-) вывода вспомогательной аккумуляторной батареи 200 Ом или более Менее 200 Ом: Короткое замыкание CANL на массу
      K113-10 (CANH) - K9-4 (CG) Провод отсоединен от отрицательного (-) вывода вспомогательной аккумуляторной батареи 200 Ом или более Менее 200 Ом: Короткое замыкание CANH на массу Мультиплексный ЭБУ регулировки наклона и телескопического изменения высоты*2
      K113-21 (CANL) - K9-4 (CG) Провод отсоединен от отрицательного (-) вывода вспомогательной аккумуляторной батареи 200 Ом или более Менее 200 Ом: Короткое замыкание CANL на массу
      K113-11 (CANH) - K9-4 (CG) Провод отсоединен от отрицательного (-) вывода вспомогательной аккумуляторной батареи 200 Ом или более Менее 200 Ом: Короткое замыкание CANH на массу Переключатель электропривода левого переднего сиденья*1
      K113-22 (CANL) - K9-4 (CG) Провод отсоединен от отрицательного (-) вывода вспомогательной аккумуляторной батареи 200 Ом или более Менее 200 Ом: Короткое замыкание CANL на массу
      K113-7 (CANH) - K9-16 (BAT) Провод отсоединен от отрицательного (-) вывода вспомогательной аккумуляторной батареи 6 кОм или более Менее 6 кОм: Короткое замыкание CANH на +B Разъем распределительного блока шины CAN № 15
      K113-18 (CANL) - K9-16 (BAT) Провод отсоединен от отрицательного (-) вывода вспомогательной аккумуляторной батареи 6 кОм или более Менее 6 кОм: Короткое замыкание CANL на +B
      K113-8 (CANH) - K9-16 (BAT) Провод отсоединен от отрицательного (-) вывода вспомогательной аккумуляторной батареи 6 кОм или более Менее 6 кОм: Короткое замыкание CANH на +B Главный ЭБУ кузова (бортовой ЭБУ сети мультиплексной связи)
      K113-19 (CANL) - K9-16 (BAT) Провод отсоединен от отрицательного (-) вывода вспомогательной аккумуляторной батареи 6 кОм или более Менее 6 кОм: Короткое замыкание CANL на +B
      K113-9 (CANH) - K9-16 (BAT) Провод отсоединен от отрицательного (-) вывода вспомогательной аккумуляторной батареи 6 кОм или более Менее 6 кОм: Короткое замыкание CANH на +B ЭБУ электропривода наружного зеркала в сборе (со стороны водителя)*1
      K113-20 (CANL) - K9-16 (BAT) Провод отсоединен от отрицательного (-) вывода вспомогательной аккумуляторной батареи 6 кОм или более Менее 6 кОм: Короткое замыкание CANL на +B
      K113-10 (CANH) - K9-16 (BAT) Провод отсоединен от отрицательного (-) вывода вспомогательной аккумуляторной батареи 6 кОм или более Менее 6 кОм: Короткое замыкание CANH на +B Мультиплексный ЭБУ регулировки наклона и телескопического изменения высоты*2
      K113-21 (CANL) - K9-16 (BAT) Провод отсоединен от отрицательного (-) вывода вспомогательной аккумуляторной батареи 6 кОм или более Менее 6 кОм: Короткое замыкание CANL на +B
      K113-11 (CANH) - K9-16 (BAT) Провод отсоединен от отрицательного (-) вывода вспомогательной аккумуляторной батареи 6 кОм или более Менее 6 кОм: Короткое замыкание CANH на +B Переключатель электропривода левого переднего сиденья*1
      K113-22 (CANL) - K9-16 (BAT) Провод отсоединен от отрицательного (-) вывода вспомогательной аккумуляторной батареи 6 кОм или более Менее 6 кОм: Короткое замыкание CANL на +B

      • *1: для моделей с системой запоминания положения сиденья

      • *2: для моделей с электроприводами регулировки наклона и телескопического изменения высоты

      Tech Tips


      • Для достижения результата (короткое замыкание), полученного при проверке вспомогательной шины 1, необходимо лишь выполнить проверку, указанную в приведенной выше таблице.

      • Найдите в столбце "Результат" необходимую проверку, которая соответствует результату в столбце "Результат" для проверки вспомогательной шины 1.

      Результат
      Результат Перейти к
      OK А
      NG (главная линия главного ЭБУ кузова (бортовой ЭБУ сети мультиплексной связи)) B
      NG (отводная линия ЭБУ или датчика) C
      NG (главная шина распределительного блока шины CAN № 15) D

    А
    C
    D
    B
  16. ПРОВЕРЬТЕ ЛИНИЮ ВСПОМОГАТЕЛЬНОЙ ШИНЫ 1 НА КОРОТКОЕ ЗАМЫКАНИЕ (ГЛАВНЫЙ ЭБУ КУЗОВА (БОРТОВОЙ ЭБУ СЕТИ МУЛЬТИПЛЕКСНОЙ СВЯЗИ))


    1. Подсоедините разъем K113 распределительного блока шины CAN № 5.

    2. A01MS9DC01
      *1 DLC3
      *a

      Вид спереди разъема со стороны жгута проводов:

      (к главному ЭБУ кузова (бортовому ЭБУ сети мультиплексной связи))

      Отсоедините разъем K1 главного ЭБУ кузова (бортового ЭБУ сети мультиплексной связи).

    3. Измерьте сопротивление в соответствии со значениями, приведенными в таблице ниже.

      Номинальное сопротивление
      Подключение диагностического прибора Условие Заданные условия Результат
      K1-9 (CANP) - K9-4 (CG) Провод отсоединен от отрицательного (-) вывода вспомогательной аккумуляторной батареи 200 Ом или более Менее 200 Ом: Короткое замыкание CANH на массу
      K1-10 (CANN) - K9-4 (CG) Провод отсоединен от отрицательного (-) вывода вспомогательной аккумуляторной батареи 200 Ом или более Менее 200 Ом: Короткое замыкание CANL на массу
      K1-9 (CANP) - K9-16 (BAT) Провод отсоединен от отрицательного (-) вывода вспомогательной аккумуляторной батареи 6 кОм или более Менее 6 кОм: Короткое замыкание CANH на +B
      K1-10 (CANN) - K9-16 (BAT) Провод отсоединен от отрицательного (-) вывода вспомогательной аккумуляторной батареи 6 кОм или более Менее 6 кОм: Короткое замыкание CANL на +B

      Tech Tips


      • Для достижения результата (короткое замыкание), полученного при проверке вспомогательной шины 1, необходимо лишь выполнить проверку, указанную в приведенной выше таблице.

      • Найдите в столбце "Результат" необходимую проверку, которая соответствует результату в столбце "Результат" для проверки вспомогательной шины 1.

      Результат
      Результат
      OK
      NG

    OK
    NG
  17. ПРОВЕРЬТЕ ЛИНИИ ВСПОМОГАТЕЛЬНОЙ ШИНЫ 1 НА КОРОТКОЕ ЗАМЫКАНИЕ (РАЗЪЕМ РАСПРЕДЕЛИТЕЛЬНОГО БЛОКА ШИНЫ CAN № 15)


    1. Подсоедините разъем K113 распределительного блока шины CAN № 5.

    2. Отсоедините разъем Q60 распределительного блока шины CAN № 15.

      A01MTP6C83
      *1 DLC3 - -
      *a

      Вид спереди разъема со стороны жгута проводов:

      (к разъему распределительного блока шины CAN № 15)

      *b к разъему № 3 распределительного блока шины CAN
      *c к разъему № 5 распределительного блока шины CAN - -
    3. Измерьте сопротивление в соответствии со значениями, приведенными в таблице ниже.

      Номинальное сопротивление
      Подключение диагностического прибора Условие Заданные условия Результат Куда подсоединить
      Q60-9 (CANH) - K9-4 (CG) Провод отсоединен от отрицательного (-) вывода вспомогательной аккумуляторной батареи 200 Ом или более Менее 200 Ом: Короткое замыкание CANH на массу Разъем распределительного блока шины CAN № 3
      Q60-20 (CANL) - K9-4 (CG) Провод отсоединен от отрицательного (-) вывода вспомогательной аккумуляторной батареи 200 Ом или более Менее 200 Ом: Короткое замыкание CANL на массу
      Q60-10 (CANH) - K9-4 (CG) Провод отсоединен от отрицательного (-) вывода вспомогательной аккумуляторной батареи 200 Ом или более Менее 200 Ом: Короткое замыкание CANH на массу Разъем распределительного блока шины CAN № 5
      Q60-21 (CANL) - K9-4 (CG) Провод отсоединен от отрицательного (-) вывода вспомогательной аккумуляторной батареи 200 Ом или более Менее 200 Ом: Короткое замыкание CANL на массу
      Q60-9 (CANH) - K9-16 (BAT) Провод отсоединен от отрицательного (-) вывода вспомогательной аккумуляторной батареи 6 кОм или более Менее 6 кОм: Короткое замыкание CANH на +B Разъем распределительного блока шины CAN № 3
      Q60-20 (CANL) - K9-16 (BAT) Провод отсоединен от отрицательного (-) вывода вспомогательной аккумуляторной батареи 6 кОм или более Менее 6 кОм: Короткое замыкание CANL на +B
      Q60-10 (CANH) - K9-16 (BAT) Провод отсоединен от отрицательного (-) вывода вспомогательной аккумуляторной батареи 6 кОм или более Менее 6 кОм: Короткое замыкание CANH на +B Разъем распределительного блока шины CAN № 5
      Q60-21 (CANL) - K9-16 (BAT) Провод отсоединен от отрицательного (-) вывода вспомогательной аккумуляторной батареи 6 кОм или более Менее 6 кОм: Короткое замыкание CANL на +B

      Tech Tips


      • Для достижения результата (короткое замыкание), полученного при проверке вспомогательной шины 1, необходимо лишь выполнить проверку, указанную в приведенной выше таблице.

      • Найдите в столбце "Результат" необходимую проверку, которая соответствует результату в столбце "Результат" для проверки вспомогательной шины 1.

      Результат
      Результат Перейти к
      OK А
      NG (главная шина распределительного блока шины CAN № 5) B
      NG (главная шина распределительного блока шины CAN № 3) C

    А
    B
    C
  18. ПРОВЕРЬТЕ ЛИНИИ ВСПОМОГАТЕЛЬНОЙ ШИНЫ 1 НА КОРОТКОЕ ЗАМЫКАНИЕ (РАЗЪЕМ РАСПРЕДЕЛИТЕЛЬНОГО БЛОКА ШИНЫ CAN № 3)


    1. Подсоедините разъем Q60 распределительного блока шины CAN № 15.

    2. Отсоедините разъем K111 распределительного блока шины CAN № 3.

      A01MTP6C41
      *1 DLC3 - -
      *a

      Вид спереди разъема со стороны жгута проводов:

      (к разъему распределительного блока шины CAN № 3)

      *b к разъему № 15 распределительного блока шины CAN
      *c

      К ЭБУ электропривода наружного зеркала в сборе (со стороны переднего пассажира)

      (для моделей с системой запоминания положения сиденья)

      *d к контакту распределительного блока
    3. Измерьте сопротивление в соответствии со значениями, приведенными в таблице ниже.

      Номинальное сопротивление
      Подключение диагностического прибора Условие Заданные условия Результат Куда подсоединить
      K111-7 (CANH) - K9-4 (CG) Провод отсоединен от отрицательного (-) вывода вспомогательной аккумуляторной батареи 200 Ом или более Менее 200 Ом: Короткое замыкание CANH на массу Разъем распределительного блока шины CAN № 15
      K111-18 (CANL) - K9-4 (CG) Провод отсоединен от отрицательного (-) вывода вспомогательной аккумуляторной батареи 200 Ом или более Менее 200 Ом: Короткое замыкание CANL на массу
      K111-10 (CANH) - K9-4 (CG) Провод отсоединен от отрицательного (-) вывода вспомогательной аккумуляторной батареи 200 Ом или более Менее 200 Ом: Короткое замыкание CANH на массу ЭБУ электропривода наружного зеркала в сборе (со стороны переднего пассажира)*
      K111-21 (CANL) - K9-4 (CG) Провод отсоединен от отрицательного (-) вывода вспомогательной аккумуляторной батареи 200 Ом или более Менее 200 Ом: Короткое замыкание CANL на массу
      K111-11 (CANH) - K9-4 (CG) Провод отсоединен от отрицательного (-) вывода вспомогательной аккумуляторной батареи 200 Ом или более Менее 200 Ом: Короткое замыкание CANH на массу Контакт распределительного блока
      K111-22 (CANL) - K9-4 (CG) Провод отсоединен от отрицательного (-) вывода вспомогательной аккумуляторной батареи 200 Ом или более Менее 200 Ом: Короткое замыкание CANL на массу
      K111-7 (CANH) - K9-16 (BAT) Провод отсоединен от отрицательного (-) вывода вспомогательной аккумуляторной батареи 6 кОм или более Менее 6 кОм: Короткое замыкание CANH на +B Разъем распределительного блока шины CAN № 15
      K111-18 (CANL) - K9-16 (BAT) Провод отсоединен от отрицательного (-) вывода вспомогательной аккумуляторной батареи 6 кОм или более Менее 6 кОм: Короткое замыкание CANL на +B
      K111-10 (CANH) - K9-16 (BAT) Провод отсоединен от отрицательного (-) вывода вспомогательной аккумуляторной батареи 6 кОм или более Менее 6 кОм: Короткое замыкание CANH на +B ЭБУ электропривода наружного зеркала в сборе (со стороны переднего пассажира)*
      K111-21 (CANL) - K9-16 (BAT) Провод отсоединен от отрицательного (-) вывода вспомогательной аккумуляторной батареи 6 кОм или более Менее 6 кОм: Короткое замыкание CANL на +B
      K111-11 (CANH) - K9-16 (BAT) Провод отсоединен от отрицательного (-) вывода вспомогательной аккумуляторной батареи 6 кОм или более Менее 6 кОм: Короткое замыкание CANH на +B Контакт распределительного блока
      K111-22 (CANL) - K9-16 (BAT) Провод отсоединен от отрицательного (-) вывода вспомогательной аккумуляторной батареи 6 кОм или более Менее 6 кОм: Короткое замыкание CANL на +B

      • *: для моделей с системой запоминания положения сиденья

      Tech Tips


      • Для достижения результата (короткое замыкание), полученного при проверке вспомогательной шины 1, необходимо лишь выполнить проверку, указанную в приведенной выше таблице.

      • Найдите в столбце "Результат" необходимую проверку, которая соответствует результату в столбце "Результат" для проверки вспомогательной шины 1.

      Результат
      Результат Перейти к
      OK А
      NG (главная линия разъема распределительного блока CAN № 15) B
      NG (отводная линия ЭБУ или датчика) C
      NG (главная линия контакта распределительного блока) D

    А
    B
    D
    C
  19. ПРОВЕРЬТЕ ВСПОМОГАТЕЛЬНУЮ ШИНУ 1 НА КОРОТКОЕ ЗАМЫКАНИЕ (ЭБУ, ДАТЧИК)


    1. Подсоедините все жгуты проводов.

    2. Отсоедините разъем, содержащий контакты CANH и CANL, от ЭБУ (или датчика), к которому подсоединена линия шины, коротко замкнутая на +В или массу.

      Нажмите здесь Click here

    3. A01MS66C02
      *1 DLC3
      *a

      Устройство с подсоединенным жгутом проводов

      (главный ЭБУ кузова (бортовой ЭБУ сети мультиплексной связи))

      Измерьте сопротивление в соответствии со значениями, приведенными в таблице ниже.

      Номинальное сопротивление
      Подключение диагностического прибора Условие Заданные условия Результат
      K1-9 (CANP) - K9-4 (CG) Провод отсоединен от отрицательного (-) вывода вспомогательной аккумуляторной батареи 200 Ом или более Менее 200 Ом: Короткое замыкание CANH на массу
      K1-10 (CANN) - K9-4 (CG) Провод отсоединен от отрицательного (-) вывода вспомогательной аккумуляторной батареи 200 Ом или более Менее 200 Ом: Короткое замыкание CANL на массу
      K1-9 (CANP) - K9-16 (BAT) Провод отсоединен от отрицательного (-) вывода вспомогательной аккумуляторной батареи 6 кОм или более Менее 6 кОм: Короткое замыкание CANH на +B
      K1-10 (CANN) - K9-16 (BAT) Провод отсоединен от отрицательного (-) вывода вспомогательной аккумуляторной батареи 6 кОм или более Менее 6 кОм: Короткое замыкание CANL на +B

      Tech Tips


      • Для достижения результата (короткое замыкание), полученного при проверке вспомогательной шины 1, необходимо лишь выполнить проверку, указанную в приведенной выше таблице.

      • Если при отсоединении разъема от ЭБУ или датчика сопротивление стало нормальным, возможно короткое замыкание в ЭБУ или датчике.

      • Найдите в столбце "Результат" необходимую проверку, которая соответствует результату в столбце "Результат" для проверки вспомогательной шины 1.

      Результат
      Результат
      OK
      NG

    OK
    NG
  20. ПРОВЕРЬТЕ ЛИНИЮ ВСПОМОГАТЕЛЬНОЙ ШИНЫ 1 НА КОРОТКОЕ ЗАМЫКАНИЕ (КОНТАКТ РАСПРЕДЕЛИТЕЛЬНОГО БЛОКА)


    1. Подсоедините разъем K111 распределительного блока шины CAN № 3.

    2. A01MRNMC02
      *1 DLC3
      *a

      Вид спереди разъема со стороны жгута проводов:

      (к контакту распределительного блока)

      Отсоедините разъем K106 контакта распределительного блока.

    3. Измерьте сопротивление в соответствии со значениями, приведенными в таблице ниже.

      Номинальное сопротивление
      Подключение диагностического прибора Условие Заданные условия Результат
      K106-3 (CANH) - K9-4 (CG) Провод отсоединен от отрицательного (-) вывода вспомогательной аккумуляторной батареи 200 Ом или более Менее 200 Ом: Короткое замыкание CANH на массу
      K106-2 (CANL) - K9-4 (CG) Провод отсоединен от отрицательного (-) вывода вспомогательной аккумуляторной батареи 200 Ом или более Менее 200 Ом: Короткое замыкание CANL на массу
      K106-3 (CANH) - K9-16 (BAT) Провод отсоединен от отрицательного (-) вывода вспомогательной аккумуляторной батареи 6 кОм или более Менее 6 кОм: Короткое замыкание CANH на +B
      K106-2 (CANL) - K9-16 (BAT) Провод отсоединен от отрицательного (-) вывода вспомогательной аккумуляторной батареи 6 кОм или более Менее 6 кОм: Короткое замыкание CANL на +B

      Tech Tips


      • Для достижения результата (короткое замыкание), полученного при проверке вспомогательной шины 1, необходимо лишь выполнить проверку, указанную в приведенной выше таблице.

      • Найдите в столбце "Результат" необходимую проверку, которая соответствует результату в столбце "Результат" для проверки вспомогательной шины 1.

      Результат
      Результат
      OK
      NG

    OK
    NG
  21. ПРОВЕРЬТЕ ВСПОМОГАТЕЛЬНУЮ ШИНУ 1


    1. Отсоедините провод от отрицательного (-) вывода вспомогательной аккумуляторной батареи.

    2. A01MS66C01
      *1 DLC3
      *a

      Устройство с подсоединенным жгутом проводов

      (главный ЭБУ кузова (бортовой ЭБУ сети мультиплексной связи))

      Измерьте сопротивление в соответствии со значениями, приведенными в таблице ниже.

      Номинальное сопротивление
      Подключение диагностического прибора Условие Заданные условия Результат
      K1-9 (CANP) - K1-10 (CANN) Провод отсоединен от отрицательного (-) вывода вспомогательной аккумуляторной батареи 54-69 Ом Менее 54 Ом: Короткое замыкание между шинами
      70 Ом или более: Обрыв в линиях главной шины
      K1-9 (CANP) - K9-4 (CG) Провод отсоединен от отрицательного (-) вывода вспомогательной аккумуляторной батареи 200 Ом или более Менее 200 Ом: Короткое замыкание CANH на массу
      K1-10 (CANN) - K9-4 (CG) Провод отсоединен от отрицательного (-) вывода вспомогательной аккумуляторной батареи 200 Ом или более Менее 200 Ом: Короткое замыкание CANL на массу
      K1-9 (CANP) - K9-16 (BAT) Провод отсоединен от отрицательного (-) вывода вспомогательной аккумуляторной батареи 6 кОм или более Менее 6 кОм: Короткое замыкание CANH на +B
      K1-10 (CANN) - K9-16 (BAT) Провод отсоединен от отрицательного (-) вывода вспомогательной аккумуляторной батареи 6 кОм или более Менее 6 кОм: Короткое замыкание CANL на +B
      Результат
      Результат Следующий шаг
      OK А
      NG (обрыв в линиях главной шины CAN) B
      NG (Короткое замыкание между шинами) C

      • NG (Короткое замыкание на массу)

      • NG (Короткое замыкание на +B)

      D

    B
    C
    D
    А
  22. ПРОВЕРЬТЕ, ВЫВОДЯТСЯ ЛИ DTC


    1. Подсоедините провод к отрицательному (-) выводу вспомогательной аккумуляторной батареи.

    2. Подключите GTS к DLC3.

    3. Включите питание (IG).

    4. Включите GTS.

    5. Удалите коды DTC.


      Body Electrical > Main Body > Clear DTCs
    6. Выключите питание.

    7. Включите питание (IG).

    8. Проверьте наличие кодов DTC.


      Body Electrical > Main Body > Trouble Codes
      Результат
      Результат Перейти к
      Главный ЭБУ кузова (бортовой ЭБУ сети мультиплексной связи) не выводит код DTC U1002 (информация на экране GTS: Main Body) А
      Главный ЭБУ кузова (бортовой ЭБУ сети мультиплексной связи) выводит код DTC U1002 (информация на экране GTS: Main Body) B

    А
    B
  23. ПРОВЕРЬТЕ ГЛАВНЫЕ ЛИНИИ ВСПОМОГАТЕЛЬНОЙ ШИНЫ 1 НА ОБРЫВ (ГЛАВНЫЙ ЭБУ КУЗОВА (БОРТОВОЙ ЭБУ СЕТИ МУЛЬТИПЛЕКСНОЙ СВЯЗИ))


    1. A01MSYAC05
      *a

      Вид спереди разъема со стороны жгута проводов:

      (к главному ЭБУ кузова (бортовому ЭБУ сети мультиплексной связи))

      Отсоедините разъем K1 главного ЭБУ кузова (бортового ЭБУ сети мультиплексной связи).

    2. Измерьте сопротивление в соответствии со значениями, приведенными в таблице ниже.

      Номинальное сопротивление
      Подключение диагностического прибора Условие Заданные условия
      K1-9 (CANP) - K1-10 (CANN) Провод отсоединен от отрицательного (-) вывода вспомогательной аккумуляторной батареи 108 - 132 Ом
      Результат
      Результат
      OK
      NG

    OK
    NG
  24. ПРОВЕРЬТЕ ГЛАВНЫЕ ЛИНИИ ВСПОМОГАТЕЛЬНОЙ ШИНЫ 1 НА ОБРЫВ (РАЗЪЕМ РАСПРЕДЕЛИТЕЛЬНОГО БЛОКА)


    1. Подсоедините разъем K1 главного ЭБУ кузова (бортового ЭБУ сети мультиплексной связи).

    2. A01MTIAC09
      *a

      Вид спереди разъема со стороны жгута проводов:

      (к контакту распределительного блока)

      Отсоедините разъем K106 контакта распределительного блока.

    3. Измерьте сопротивление в соответствии со значениями, приведенными в таблице ниже.

      Номинальное сопротивление
      Подключение диагностического прибора Условие Заданные условия
      K106-3 (CANH) - K106-2 (CANL) Провод отсоединен от отрицательного (-) вывода вспомогательной аккумуляторной батареи 108 - 132 Ом
      Результат
      Результат
      OK
      NG

    OK
    NG
  25. ПРОВЕРЬТЕ ГЛАВНЫЕ ЛИНИИ ВСПОМОГАТЕЛЬНОЙ ШИНЫ 1 НА ОБРЫВ (РАЗЪЕМ РАСПРЕДЕЛИТЕЛЬНОГО БЛОКА ШИНЫ CAN № 6)


    1. Подсоедините разъем K106 контакта распределительного блока.

    2. A01MSJAC13
      *a

      Вид спереди разъема со стороны жгута проводов:

      (к разъему распределительного блока шины CAN № 6)

      *b к разъему № 15 распределительного блока шины CAN
      *c К главному ЭБУ кузова (бортовому ЭБУ сети мультиплексной связи)

      Отсоедините разъем K114 распределительного блока шины CAN № 6.

    3. Измерьте сопротивление в соответствии со значениями, приведенными в таблице ниже.

      Номинальное сопротивление
      Подключение диагностического прибора Условие Заданные условия Куда подсоединить
      K114-7 (CANH) - K114-18 (CANL) Провод отсоединен от отрицательного (-) вывода вспомогательной аккумуляторной батареи 108-132 Ом Разъем распределительного блока шины CAN № 15
      K114-8 (CANH) - K114-19 (CANL) Провод отсоединен от отрицательного (-) вывода вспомогательной аккумуляторной батареи 108-132 Ом Главный ЭБУ кузова (бортовой ЭБУ сети мультиплексной связи)
      Результат
      Результат Перейти к
      OK А
      NG (главные линии главного ЭБУ кузова (бортового ЭБУ сети мультиплексной связи)) B
      NG (главные линии распределительного блока шины CAN № 15) C

    А
    B
    C
  26. ПРОВЕРЬТЕ ГЛАВНЫЕ ЛИНИИ ВСПОМОГАТЕЛЬНОЙ ШИНЫ 1 НА ОБРЫВ (РАЗЪЕМ РАСПРЕДЕЛИТЕЛЬНОГО БЛОКА ШИНЫ CAN № 15)


    1. Подсоедините разъем K114 распределительного блока шины CAN № 6.

    2. A01MSJAC42
      *a

      Вид спереди разъема со стороны жгута проводов:

      (к разъему распределительного блока шины CAN № 15)

      *b к разъему № 4 распределительного блока шины CAN
      *c к разъему № 6 распределительного блока шины CAN

      Отсоедините разъем Q60 распределительного блока шины CAN № 15.

    3. Измерьте сопротивление в соответствии со значениями, приведенными в таблице ниже.

      Номинальное сопротивление
      Подключение диагностического прибора Условие Заданные условия Куда подсоединить
      Q60-9 (CANH) - Q60-20 (CANL) Провод отсоединен от отрицательного (-) вывода вспомогательной аккумуляторной батареи 108-132 Ом Разъем распределительного блока шины CAN № 4
      Q60-10 (CANH) - Q60-21 (CANL) Провод отсоединен от отрицательного (-) вывода вспомогательной аккумуляторной батареи 108-132 Ом Разъем распределительного блока шины CAN № 6
      Результат
      Результат Перейти к
      OK А
      NG (главные линии распределительного блока шины CAN № 6) B
      NG (главные линии распределительного блока шины CAN № 4) C

    А
    B
    C
  27. ПРОВЕРЬТЕ ГЛАВНЫЕ ЛИНИИ ВСПОМОГАТЕЛЬНОЙ ШИНЫ 1 НА ОБРЫВ (РАЗЪЕМ РАСПРЕДЕЛИТЕЛЬНОГО БЛОКА ШИНЫ CAN № 4)


    1. Подсоедините разъем Q60 распределительного блока шины CAN № 15.

    2. A01MSJAC14
      *a

      Вид спереди разъема со стороны жгута проводов:

      (к разъему распределительного блока шины CAN № 4)

      *b к разъему № 15 распределительного блока шины CAN
      *c к контакту распределительного блока

      Отсоедините разъем K112 распределительного блока шины CAN № 4.

    3. Измерьте сопротивление в соответствии со значениями, приведенными в таблице ниже.

      Номинальное сопротивление
      Подключение диагностического прибора Условие Заданные условия Куда подсоединить
      K112-7 (CANH) - K112-18 (CANL) Провод отсоединен от отрицательного (-) вывода вспомогательной аккумуляторной батареи 108 - 132 Ом Разъем распределительного блока шины CAN № 15
      K112-11 (CANH) - K112-22 (CANL) Провод отсоединен от отрицательного (-) вывода вспомогательной аккумуляторной батареи 108 - 132 Ом Контакт распределительного блока
      Результат
      Результат Перейти к
      OK А
      NG (главные линии распределительного блока шины CAN № 15) B
      NG (главные линии разъема распределительного блока) C

    А
    B
    C
  28. ПРОВЕРЬТЕ ЛИНИИ ВСПОМОГАТЕЛЬНОЙ ШИНЫ 1 НА КОРОТКОЕ ЗАМЫКАНИЕ (ГЛАВНЫЙ ЭБУ КУЗОВА (БОРТОВОЙ ЭБУ СЕТИ МУЛЬТИПЛЕКСНОЙ СВЯЗИ))


    1. A01MSYAC06
      *a

      Вид спереди разъема со стороны жгута проводов:

      (к главному ЭБУ кузова (бортовому ЭБУ сети мультиплексной связи))

      Отсоедините разъем K1 главного ЭБУ кузова (бортового ЭБУ сети мультиплексной связи).

    2. Измерьте сопротивление в соответствии со значениями, приведенными в таблице ниже.

      Номинальное сопротивление
      Подключение диагностического прибора Условие Заданные условия
      K1-9 (CANP) - K1-10 (CANN) Провод отсоединен от отрицательного (-) вывода вспомогательной аккумуляторной батареи 108 - 132 Ом
      Результат
      Результат
      OK
      NG

    OK
    NG
  29. ПРОВЕРЬТЕ ЛИНИИ ВСПОМОГАТЕЛЬНОЙ ШИНЫ 1 НА КОРОТКОЕ ЗАМЫКАНИЕ (КОНТАКТ РАСПРЕДЕЛИТЕЛЬНОГО БЛОКА)


    1. Подсоедините разъем K1 главного ЭБУ кузова (бортового ЭБУ сети мультиплексной связи).

    2. A01MTIAC10
      *a

      Вид спереди разъема со стороны жгута проводов:

      (к контакту распределительного блока)

      Отсоедините разъем K106 контакта распределительного блока.

    3. Измерьте сопротивление в соответствии со значениями, приведенными в таблице ниже.

      Номинальное сопротивление
      Подключение диагностического прибора Условие Заданные условия
      K106-3 (CANH) - K106-2 (CANL) Провод отсоединен от отрицательного (-) вывода вспомогательной аккумуляторной батареи 108 - 132 Ом
      Результат
      Результат
      OK
      NG

    OK
    NG
  30. ПРОВЕРЬТЕ ЛИНИИ ВСПОМОГАТЕЛЬНОЙ ШИНЫ 1 НА КОРОТКОЕ ЗАМЫКАНИЕ (РАЗЪЕМ РАСПРЕДЕЛИТЕЛЬНОГО БЛОКА ШИНЫ CAN № 4)


    1. Подсоедините разъем K106 контакта распределительного блока.

    2. A01MSJAC17
      *a

      Вид спереди разъема со стороны жгута проводов:

      (к разъему распределительного блока шины CAN № 4)

      *b к разъему № 15 распределительного блока шины CAN
      *c

      к мультиплексному ЭБУ регулировки наклона и телескопического изменения высоты

      (для моделей с электроприводами регулировки наклона и телескопического изменения высоты)

      *d

      К переключателю электропривода правого переднего сиденья

      (для моделей с системой запоминания положения сиденья)

      *e

      К ЭБУ электропривода наружного зеркала в сборе (со стороны водителя)

      (для моделей с системой запоминания положения сиденья)

      *f к контакту распределительного блока

      Отсоедините разъем K112 распределительного блока шины CAN № 4.

    3. Измерьте сопротивление в соответствии со значениями, приведенными в таблице ниже.

      Номинальное сопротивление
      Подключение диагностического прибора Условие Заданные условия Куда подсоединить
      K112-7 (CANH) - K112-18 (CANL) Провод отсоединен от отрицательного (-) вывода вспомогательной аккумуляторной батареи 108 - 132 Ом Разъем распределительного блока шины CAN № 15
      K112-8 (CANH) - K112-19 (CANL) Провод отсоединен от отрицательного (-) вывода вспомогательной аккумуляторной батареи 200 Ом или более Мультиплексный ЭБУ регулировки наклона и телескопического изменения высоты*1
      K112-9 (CANH) - K112-20 (CANL) Провод отсоединен от отрицательного (-) вывода вспомогательной аккумуляторной батареи 200 Ом или более Переключатель электропривода правого переднего сиденья*2
      K112-10 (CANH) - K112-21 (CANL) Провод отсоединен от отрицательного (-) вывода вспомогательной аккумуляторной батареи 200 Ом или более ЭБУ электропривода наружного зеркала в сборе (со стороны водителя)*2
      K112-11 (CANH) - K112-22 (CANL) Провод отсоединен от отрицательного (-) вывода вспомогательной аккумуляторной батареи 108 - 132 Ом Контакт распределительного блока

      • *1: для моделей с электроприводами регулировки наклона и телескопического изменения высоты

      • *2: для моделей с системой запоминания положения сиденья

      Результат
      Результат Перейти к
      OK А
      NG (главные линии разъема распределительного блока) B
      NG (вспомогательные линии ЭБУ или датчика) C
      NG (главные линии распределительного блока шины CAN № 15) D

    А
    B
    C
    D
  31. ПРОВЕРЬТЕ ЛИНИИ ВСПОМОГАТЕЛЬНОЙ ШИНЫ 1 НА КОРОТКОЕ ЗАМЫКАНИЕ (РАЗЪЕМ РАСПРЕДЕЛИТЕЛЬНОГО БЛОКА ШИНЫ CAN № 15)


    1. Подсоедините разъем K112 распределительного блока шины CAN № 4.

    2. A01MSJAC43
      *a

      Вид спереди разъема со стороны жгута проводов:

      (к разъему распределительного блока шины CAN № 15)

      *b к разъему № 4 распределительного блока шины CAN
      *c к разъему № 6 распределительного блока шины CAN

      Отсоедините разъем Q60 распределительного блока шины CAN № 15.

    3. Измерьте сопротивление в соответствии со значениями, приведенными в таблице ниже.

      Номинальное сопротивление
      Подключение диагностического прибора Условие Заданные условия Куда подсоединить
      Q60-9 (CANH) - Q60-20 (CANL) Провод отсоединен от отрицательного (-) вывода вспомогательной аккумуляторной батареи 108-132 Ом Разъем распределительного блока шины CAN № 4
      Q60-10 (CANH) - Q60-21 (CANL) Провод отсоединен от отрицательного (-) вывода вспомогательной аккумуляторной батареи 108-132 Ом Разъем распределительного блока шины CAN № 6
      Результат
      Результат Следующий шаг
      OK А
      NG (главные линии распределительного блока шины CAN № 4) B
      NG (главные линии распределительного блока шины CAN № 6) C

    А
    B
    C
  32. ПРОВЕРЬТЕ ЛИНИИ ВСПОМОГАТЕЛЬНОЙ ШИНЫ 1 НА КОРОТКОЕ ЗАМЫКАНИЕ (РАЗЪЕМ РАСПРЕДЕЛИТЕЛЬНОГО БЛОКА ШИНЫ CAN № 6)


    1. Подсоедините разъем Q60 распределительного блока шины CAN № 15.

    2. Отсоедините разъем K114 распределительного блока шины CAN № 6.

    3. A01MSJAC18
      *a

      Вид спереди разъема со стороны жгута проводов:

      (к разъему распределительного блока шины CAN № 6)

      *b к разъему № 15 распределительного блока шины CAN
      *c К главному ЭБУ кузова (бортовому ЭБУ сети мультиплексной связи)
      *d

      К ЭБУ электропривода наружного зеркала в сборе (со стороны переднего пассажира)

      (для моделей с системой запоминания положения сиденья)

      Измерьте сопротивление в соответствии со значениями, приведенными в таблице ниже.

      Номинальное сопротивление
      Подключение диагностического прибора Условие Заданные условия Куда подсоединить
      K114-7 (CANH) - K114-18 (CANL) Провод отсоединен от отрицательного (-) вывода вспомогательной аккумуляторной батареи 108-132 Ом Разъем распределительного блока шины CAN № 15
      K114-8 (CANH) - K114-19 (CANL) Провод отсоединен от отрицательного (-) вывода вспомогательной аккумуляторной батареи 108-132 Ом Главный ЭБУ кузова (бортовой ЭБУ сети мультиплексной связи)
      K114-9 (CANH) - K114-20 (CANL) Провод отсоединен от отрицательного (-) вывода вспомогательной аккумуляторной батареи 200 Ом или более ЭБУ электропривода наружного зеркала в сборе (со стороны переднего пассажира)*

      • *: для моделей с системой запоминания положения сиденья

      Результат
      Результат Перейти к
      OK А
      NG (главные линии распределительного блока шины CAN № 15) B
      NG (вспомогательные линии ЭБУ или датчика) C
      NG (главные линии главного ЭБУ кузова (бортового ЭБУ сети мультиплексной связи)) D

    А
    B
    D
    C
  33. ПРОВЕРЬТЕ ЛИНИИ ВСПОМОГАТЕЛЬНОЙ ШИНЫ 1 CAN НА КОРОТКОЕ ЗАМЫКАНИЕ (ЭБУ, ДАТЧИК)


    1. Подсоедините все жгуты проводов.

    2. Отсоедините разъем, содержащий контакты CANH и CANL, от ЭБУ (или датчика), к которому подсоединена замкнутая накоротко вспомогательная шина.

      Нажмите здесь Click here

    3. A01MSDAC05
      *a

      Устройство с подсоединенным жгутом проводов

      (главный ЭБУ кузова (бортовой ЭБУ сети мультиплексной связи))

      Измерьте сопротивление в соответствии со значениями, приведенными в таблице ниже.

      Номинальное сопротивление
      Подключение диагностического прибора Условие Заданные условия
      K1-9 (CANP) - K1-10 (CANN) Провод отсоединен от отрицательного (-) вывода вспомогательной аккумуляторной батареи 54-69 Ом

      Tech Tips

      Если при отсоединении разъема от ЭБУ (или датчика) сопротивление стало нормальным (54–69 Ом), возможно короткое замыкание в ЭБУ (или датчике).

      Результат
      Результат
      OK
      NG

    OK
    NG
  34. ПРОВЕРЬТЕ ЛИНИИ ВСПОМОГАТЕЛЬНОЙ ШИНЫ 1 НА КОРОТКОЕ ЗАМЫКАНИЕ (РАЗЪЕМ РАСПРЕДЕЛИТЕЛЬНОГО БЛОКА ШИНЫ CAN № 4)


    1. Отсоедините разъем K112 распределительного блока шины CAN № 4.

      A01MTP6C43
      *1 DLC3 - -
      *a

      Вид спереди разъема со стороны жгута проводов:

      (к разъему распределительного блока шины CAN № 4)

      *b к разъему № 15 распределительного блока шины CAN
      *c

      к мультиплексному ЭБУ регулировки наклона и телескопического изменения высоты

      (для моделей с электроприводами регулировки наклона и телескопического изменения высоты)

      *d

      К переключателю электропривода правого переднего сиденья

      (для моделей с системой запоминания положения сиденья)

      *e

      К ЭБУ электропривода наружного зеркала в сборе (со стороны водителя)

      (для моделей с системой запоминания положения сиденья)

      *f к контакту распределительного блока
    2. Измерьте сопротивление в соответствии со значениями, приведенными в таблице ниже.

      Номинальное сопротивление
      Подключение диагностического прибора Условие Заданные условия Результат Куда подсоединить
      K112-7 (CANH) - K9-4 (CG) Провод отсоединен от отрицательного (-) вывода вспомогательной аккумуляторной батареи 200 Ом или более Менее 200 Ом: Короткое замыкание CANH на массу Разъем распределительного блока шины CAN № 15
      K112-18 (CANL) - K9-4 (CG) Провод отсоединен от отрицательного (-) вывода вспомогательной аккумуляторной батареи 200 Ом или более Менее 200 Ом: Короткое замыкание CANL на массу
      K112-8 (CANH) - K9-4 (CG) Провод отсоединен от отрицательного (-) вывода вспомогательной аккумуляторной батареи 200 Ом или более Менее 200 Ом: Короткое замыкание CANH на массу Мультиплексный ЭБУ регулировки наклона и телескопического изменения высоты*1
      K112-19 (CANL) - K9-4 (CG) Провод отсоединен от отрицательного (-) вывода вспомогательной аккумуляторной батареи 200 Ом или более Менее 200 Ом: Короткое замыкание CANL на массу
      K112-9 (CANH) - K9-4 (CG) Провод отсоединен от отрицательного (-) вывода вспомогательной аккумуляторной батареи 200 Ом или более Менее 200 Ом: Короткое замыкание CANH на массу Переключатель электропривода правого переднего сиденья*2
      K112-20 (CANL) - K9-4 (CG) Провод отсоединен от отрицательного (-) вывода вспомогательной аккумуляторной батареи 200 Ом или более Менее 200 Ом: Короткое замыкание CANL на массу
      K112-10 (CANH) - K9-4 (CG) Провод отсоединен от отрицательного (-) вывода вспомогательной аккумуляторной батареи 200 Ом или более Менее 200 Ом: Короткое замыкание CANH на массу ЭБУ электропривода наружного зеркала в сборе (со стороны водителя)*2
      K112-21 (CANL) - K9-4 (CG) Провод отсоединен от отрицательного (-) вывода вспомогательной аккумуляторной батареи 200 Ом или более Менее 200 Ом: Короткое замыкание CANL на массу
      K112-11 (CANH) - K9-4 (CG) Провод отсоединен от отрицательного (-) вывода вспомогательной аккумуляторной батареи 200 Ом или более Менее 200 Ом: Короткое замыкание CANH на массу Контакт распределительного блока
      K112-22 (CANL) - K9-4 (CG) Провод отсоединен от отрицательного (-) вывода вспомогательной аккумуляторной батареи 200 Ом или более Менее 200 Ом: Короткое замыкание CANL на массу
      K112-7 (CANH) - K9-16 (BAT) Провод отсоединен от отрицательного (-) вывода вспомогательной аккумуляторной батареи 6 кОм или более Менее 6 кОм: Короткое замыкание CANH на +B Разъем распределительного блока шины CAN № 15
      K112-18 (CANL) - K9-16 (BAT) Провод отсоединен от отрицательного (-) вывода вспомогательной аккумуляторной батареи 6 кОм или более Менее 6 кОм: Короткое замыкание CANL на +B
      K112-8 (CANH) - K9-16 (BAT) Провод отсоединен от отрицательного (-) вывода вспомогательной аккумуляторной батареи 6 кОм или более Менее 6 кОм: Короткое замыкание CANH на +B Мультиплексный ЭБУ регулировки наклона и телескопического изменения высоты*1
      K112-19 (CANL) - K9-16 (BAT) Провод отсоединен от отрицательного (-) вывода вспомогательной аккумуляторной батареи 6 кОм или более Менее 6 кОм: Короткое замыкание CANL на +B
      K112-9 (CANH) - K9-16 (BAT) Провод отсоединен от отрицательного (-) вывода вспомогательной аккумуляторной батареи 6 кОм или более Менее 6 кОм: Короткое замыкание CANH на +B Переключатель электропривода правого переднего сиденья*2
      K112-20 (CANL) - K9-16 (BAT) Провод отсоединен от отрицательного (-) вывода вспомогательной аккумуляторной батареи 6 кОм или более Менее 6 кОм: Короткое замыкание CANL на +B
      K112-10 (CANH) - K9-16 (BAT) Провод отсоединен от отрицательного (-) вывода вспомогательной аккумуляторной батареи 6 кОм или более Менее 6 кОм: Короткое замыкание CANH на +B ЭБУ электропривода наружного зеркала в сборе (со стороны водителя)*2
      K112-21 (CANL) - K9-16 (BAT) Провод отсоединен от отрицательного (-) вывода вспомогательной аккумуляторной батареи 6 кОм или более Менее 6 кОм: Короткое замыкание CANL на +B
      K112-11 (CANH) - K9-16 (BAT) Провод отсоединен от отрицательного (-) вывода вспомогательной аккумуляторной батареи 6 кОм или более Менее 6 кОм: Короткое замыкание CANH на +B Контакт распределительного блока
      K112-22 (CANL) - K9-16 (BAT) Провод отсоединен от отрицательного (-) вывода вспомогательной аккумуляторной батареи 6 кОм или более Менее 6 кОм: Короткое замыкание CANL на +B

      • *1: для моделей с электроприводами регулировки наклона и телескопического изменения высоты

      • *2: для моделей с системой запоминания положения сиденья

      Tech Tips


      • Для достижения результата (короткое замыкание), полученного при проверке вспомогательной шины 1, необходимо лишь выполнить проверку, указанную в приведенной выше таблице.

      • Найдите в столбце "Результат" необходимую проверку, которая соответствует результату в столбце "Результат" для проверки вспомогательной шины 1.

      Результат
      Результат Перейти к
      OK A
      NG (главная линия контакта распределительного блока) B
      NG (отводная линия ЭБУ или датчика) C
      NG (главная шина распределительного блока шины CAN № 15) D

    A
    C
    D
    B
  35. ПРОВЕРЬТЕ ЛИНИЮ ВСПОМОГАТЕЛЬНОЙ ШИНЫ 1 НА КОРОТКОЕ ЗАМЫКАНИЕ (КОНТАКТ РАСПРЕДЕЛИТЕЛЬНОГО БЛОКА)


    1. Подсоедините разъем K112 распределительного блока шины CAN № 4.

    2. A01MRNMC02
      *1 DLC3
      *a

      Вид спереди разъема со стороны жгута проводов:

      (к контакту распределительного блока)

      Отсоедините разъем K106 контакта распределительного блока.

    3. Измерьте сопротивление в соответствии со значениями, приведенными в таблице ниже.

      Номинальное сопротивление
      Подключение диагностического прибора Условие Заданные условия Результат
      K106-3 (CANH) - K9-4 (CG) Провод отсоединен от отрицательного (-) вывода вспомогательной аккумуляторной батареи 200 Ом или более Менее 200 Ом: Короткое замыкание CANH на массу
      K106-2 (CANL) - K9-4 (CG) Провод отсоединен от отрицательного (-) вывода вспомогательной аккумуляторной батареи 200 Ом или более Менее 200 Ом: Короткое замыкание CANL на массу
      K106-3 (CANH) - K9-16 (BAT) Провод отсоединен от отрицательного (-) вывода вспомогательной аккумуляторной батареи 6 кОм или более Менее 6 кОм: Короткое замыкание CANH на +B
      K106-2 (CANL) - K9-16 (BAT) Провод отсоединен от отрицательного (-) вывода вспомогательной аккумуляторной батареи 6 кОм или более Менее 6 кОм: Короткое замыкание CANL на +B

      Tech Tips


      • Для достижения результата (короткое замыкание), полученного при проверке вспомогательной шины 1, необходимо лишь выполнить проверку, указанную в приведенной выше таблице.

      • Найдите в столбце "Результат" необходимую проверку, которая соответствует результату в столбце "Результат" для проверки вспомогательной шины 1.

      Результат
      Результат
      OK
      NG

    OK
    NG
  36. ПРОВЕРЬТЕ ЛИНИИ ВСПОМОГАТЕЛЬНОЙ ШИНЫ 1 НА КОРОТКОЕ ЗАМЫКАНИЕ (РАЗЪЕМ РАСПРЕДЕЛИТЕЛЬНОГО БЛОКА ШИНЫ CAN № 15)


    1. Подсоедините разъем K112 распределительного блока шины CAN № 4.

    2. Отсоедините разъем Q60 распределительного блока шины CAN № 15.

      A01MTP6C86
      *1 DLC3 - -
      *a

      Вид спереди разъема со стороны жгута проводов:

      (к разъему распределительного блока шины CAN № 15)

      *b к разъему № 4 распределительного блока шины CAN
      *c к разъему № 6 распределительного блока шины CAN - -
    3. Измерьте сопротивление в соответствии со значениями, приведенными в таблице ниже.

      Номинальное сопротивление
      Подключение диагностического прибора Условие Заданные условия Результат Куда подсоединить
      Q60-9 (CANH) - K9-4 (CG) Провод отсоединен от отрицательного (-) вывода вспомогательной аккумуляторной батареи 200 Ом или более Менее 200 Ом: Короткое замыкание CANH на массу Разъем распределительного блока шины CAN № 4
      Q60-20 (CANL) - K9-4 (CG) Провод отсоединен от отрицательного (-) вывода вспомогательной аккумуляторной батареи 200 Ом или более Менее 200 Ом: Короткое замыкание CANL на массу
      Q60-10 (CANH) - K9-4 (CG) Провод отсоединен от отрицательного (-) вывода вспомогательной аккумуляторной батареи 200 Ом или более Менее 200 Ом: Короткое замыкание CANH на массу Разъем распределительного блока шины CAN № 6
      Q60-21 (CANL) - K9-4 (CG) Провод отсоединен от отрицательного (-) вывода вспомогательной аккумуляторной батареи 200 Ом или более Менее 200 Ом: Короткое замыкание CANL на массу
      Q60-9 (CANH) - K9-16 (BAT) Провод отсоединен от отрицательного (-) вывода вспомогательной аккумуляторной батареи 6 кОм или более Менее 6 кОм: Короткое замыкание CANH на +B Разъем распределительного блока шины CAN № 4
      Q60-20 (CANL) - K9-16 (BAT) Провод отсоединен от отрицательного (-) вывода вспомогательной аккумуляторной батареи 6 кОм или более Менее 6 кОм: Короткое замыкание CANL на +B
      Q60-10 (CANH) - K9-16 (BAT) Провод отсоединен от отрицательного (-) вывода вспомогательной аккумуляторной батареи 6 кОм или более Менее 6 кОм: Короткое замыкание CANH на +B Разъем распределительного блока шины CAN № 6
      Q60-21 (CANL) - K9-16 (BAT) Провод отсоединен от отрицательного (-) вывода вспомогательной аккумуляторной батареи 6 кОм или более Менее 6 кОм: Короткое замыкание CANL на +B

      Tech Tips


      • Для достижения результата (короткое замыкание), полученного при проверке вспомогательной шины 1, необходимо лишь выполнить проверку, указанную в приведенной выше таблице.

      • Найдите в столбце "Результат" необходимую проверку, которая соответствует результату в столбце "Результат" для проверки вспомогательной шины 1.

      Результат
      Результат Перейти к
      OK А
      NG (главная шина распределительного блока шины CAN № 4) B
      NG (главная шина распределительного блока шины CAN № 6) C

    А
    B
    C
  37. ПРОВЕРЬТЕ ЛИНИИ ВСПОМОГАТЕЛЬНОЙ ШИНЫ 1 НА КОРОТКОЕ ЗАМЫКАНИЕ (РАЗЪЕМ РАСПРЕДЕЛИТЕЛЬНОГО БЛОКА ШИНЫ CAN № 6)


    1. Подсоедините разъем Q60 распределительного блока шины CAN № 15.

    2. Отсоедините разъем K114 распределительного блока шины CAN № 6.

      A01MTP6C44
      *1 DLC3 - -
      *a

      Вид спереди разъема со стороны жгута проводов:

      (к разъему распределительного блока шины CAN № 6)

      *b к разъему № 15 распределительного блока шины CAN
      *c К главному ЭБУ кузова (бортовому ЭБУ сети мультиплексной связи) *d

      К ЭБУ электропривода наружного зеркала в сборе (со стороны переднего пассажира)

      (для моделей с системой запоминания положения сиденья)

    3. Измерьте сопротивление в соответствии со значениями, приведенными в таблице ниже.

      Номинальное сопротивление
      Подключение диагностического прибора Условие Заданные условия Результат Куда подсоединить
      K114-7 (CANH) - K9-4 (CG) Провод отсоединен от отрицательного (-) вывода вспомогательной аккумуляторной батареи 200 Ом или более Менее 200 Ом: Короткое замыкание CANH на массу Разъем распределительного блока шины CAN № 15
      K114-18 (CANL) - K9-4 (CG) Провод отсоединен от отрицательного (-) вывода вспомогательной аккумуляторной батареи 200 Ом или более Менее 200 Ом: Короткое замыкание CANL на массу
      K114-8 (CANH) - K9-4 (CG) Провод отсоединен от отрицательного (-) вывода вспомогательной аккумуляторной батареи 200 Ом или более Менее 200 Ом: Короткое замыкание CANH на массу Главный ЭБУ кузова (бортовой ЭБУ сети мультиплексной связи)
      K114-19 (CANL) - K9-4 (CG) Провод отсоединен от отрицательного (-) вывода вспомогательной аккумуляторной батареи 200 Ом или более Менее 200 Ом: Короткое замыкание CANL на массу
      K114-9 (CANH) - K9-4 (CG) Провод отсоединен от отрицательного (-) вывода вспомогательной аккумуляторной батареи 200 Ом или более Менее 200 Ом: Короткое замыкание CANH на массу ЭБУ электропривода наружного зеркала в сборе (со стороны переднего пассажира)*
      K114-20 (CANL) - K9-4 (CG) Провод отсоединен от отрицательного (-) вывода вспомогательной аккумуляторной батареи 200 Ом или более Менее 200 Ом: Короткое замыкание CANL на массу
      K114-7 (CANH) - K9-16 (BAT) Провод отсоединен от отрицательного (-) вывода вспомогательной аккумуляторной батареи 6 кОм или более Менее 6 кОм: Короткое замыкание CANH на +B Разъем распределительного блока шины CAN № 15
      K114-18 (CANL) - K9-16 (BAT) Провод отсоединен от отрицательного (-) вывода вспомогательной аккумуляторной батареи 6 кОм или более Менее 6 кОм: Короткое замыкание CANL на +B
      K114-8 (CANH) - K9-16 (BAT) Провод отсоединен от отрицательного (-) вывода вспомогательной аккумуляторной батареи 6 кОм или более Менее 6 кОм: Короткое замыкание CANH на +B Главный ЭБУ кузова (бортовой ЭБУ сети мультиплексной связи)
      K114-19 (CANL) - K9-16 (BAT) Провод отсоединен от отрицательного (-) вывода вспомогательной аккумуляторной батареи 6 кОм или более Менее 6 кОм: Короткое замыкание CANL на +B
      K114-9 (CANH) - K9-16 (BAT) Провод отсоединен от отрицательного (-) вывода вспомогательной аккумуляторной батареи 6 кОм или более Менее 6 кОм: Короткое замыкание CANH на +B ЭБУ электропривода наружного зеркала в сборе (со стороны переднего пассажира)*
      K114-20 (CANL) - K9-16 (BAT) Провод отсоединен от отрицательного (-) вывода вспомогательной аккумуляторной батареи 6 кОм или более Менее 6 кОм: Короткое замыкание CANL на +B

      • *: для моделей с системой запоминания положения сиденья

      Tech Tips


      • Для достижения результата (короткое замыкание), полученного при проверке вспомогательной шины 1, необходимо лишь выполнить проверку, указанную в приведенной выше таблице.

      • Найдите в столбце "Результат" необходимую проверку, которая соответствует результату в столбце "Результат" для проверки вспомогательной шины 1.

      Результат
      Результат Перейти к
      OK А
      NG (главная шина распределительного блока шины CAN № 15) B
      NG (отводная линия ЭБУ или датчика) C
      NG (главная линия главного ЭБУ кузова (бортовой ЭБУ сети мультиплексной связи)) D

    А
    B
    D
    C
  38. ПРОВЕРЬТЕ ВСПОМОГАТЕЛЬНУЮ ШИНУ 1 НА КОРОТКОЕ ЗАМЫКАНИЕ (ЭБУ, ДАТЧИК)


    1. Подсоедините все жгуты проводов.

    2. Отсоедините разъем, содержащий контакты CANH и CANL, от ЭБУ (или датчика), к которому подсоединена линия шины, коротко замкнутая на +В или массу.

      Нажмите здесь Click here

    3. A01MS66C02
      *1 DLC3
      *a

      Устройство с подсоединенным жгутом проводов

      (главный ЭБУ кузова (бортовой ЭБУ сети мультиплексной связи))

      Измерьте сопротивление в соответствии со значениями, приведенными в таблице ниже.

      Номинальное сопротивление
      Подключение диагностического прибора Условие Заданные условия Результат
      K1-9 (CANP) - K9-4 (CG) Провод отсоединен от отрицательного (-) вывода вспомогательной аккумуляторной батареи 200 Ом или более Менее 200 Ом: Короткое замыкание CANH на массу
      K1-10 (CANN) - K9-4 (CG) Провод отсоединен от отрицательного (-) вывода вспомогательной аккумуляторной батареи 200 Ом или более Менее 200 Ом: Короткое замыкание CANL на массу
      K1-9 (CANP) - K9-16 (BAT) Провод отсоединен от отрицательного (-) вывода вспомогательной аккумуляторной батареи 6 кОм или более Менее 6 кОм: Короткое замыкание CANH на +B
      K1-10 (CANN) - K9-16 (BAT) Провод отсоединен от отрицательного (-) вывода вспомогательной аккумуляторной батареи 6 кОм или более Менее 6 кОм: Короткое замыкание CANL на +B

      Tech Tips


      • Для достижения результата (короткое замыкание), полученного при проверке вспомогательной шины 1, необходимо лишь выполнить проверку, указанную в приведенной выше таблице.

      • Если при отсоединении разъема от ЭБУ или датчика сопротивление стало нормальным, возможно короткое замыкание в ЭБУ или датчике.

      • Найдите в столбце "Результат" необходимую проверку, которая соответствует результату в столбце "Результат" для проверки вспомогательной шины 1.

      Результат
      Результат
      OK
      NG

    OK
    NG
  39. ПРОВЕРЬТЕ ЛИНИЮ ВСПОМОГАТЕЛЬНОЙ ШИНЫ 1 НА КОРОТКОЕ ЗАМЫКАНИЕ (ГЛАВНЫЙ ЭБУ КУЗОВА (БОРТОВОЙ ЭБУ СЕТИ МУЛЬТИПЛЕКСНОЙ СВЯЗИ))


    1. Подсоедините разъем K114 распределительного блока шины CAN № 6.

    2. A01MS9DC01
      *1 DLC3
      *a

      Вид спереди разъема со стороны жгута проводов:

      (к главному ЭБУ кузова (бортовому ЭБУ сети мультиплексной связи))

      Отсоедините разъем K1 главного ЭБУ кузова (бортового ЭБУ сети мультиплексной связи).

    3. Измерьте сопротивление в соответствии со значениями, приведенными в таблице ниже.

      Номинальное сопротивление
      Подключение диагностического прибора Условие Заданные условия Результат
      K1-9 (CANP) - K9-4 (CG) Провод отсоединен от отрицательного (-) вывода вспомогательной аккумуляторной батареи 200 Ом или более Менее 200 Ом: Короткое замыкание CANH на массу
      K1-10 (CANN) - K9-4 (CG) Провод отсоединен от отрицательного (-) вывода вспомогательной аккумуляторной батареи 200 Ом или более Менее 200 Ом: Короткое замыкание CANL на массу
      K1-9 (CANP) - K9-16 (BAT) Провод отсоединен от отрицательного (-) вывода вспомогательной аккумуляторной батареи 6 кОм или более Менее 6 кОм: Короткое замыкание CANH на +B
      K1-10 (CANN) - K9-16 (BAT) Провод отсоединен от отрицательного (-) вывода вспомогательной аккумуляторной батареи 6 кОм или более Менее 6 кОм: Короткое замыкание CANL на +B

      Tech Tips


      • Для достижения результата (короткое замыкание), полученного при проверке вспомогательной шины 1, необходимо лишь выполнить проверку, указанную в приведенной выше таблице.

      • Найдите в столбце "Результат" необходимую проверку, которая соответствует результату в столбце "Результат" для проверки вспомогательной шины 1.

      Результат
      Результат
      OK
      NG

    OK
    NG