АККУМУЛЯТОРНАЯ БАТАРЕЯ ГИБРИДНОЙ СИСТЕМЫ, Diagnostic DTC:P0AFC-123

Код DTC Наименование DTC
P0AFC-123 Модуль датчиков блока аккумуляторных батарей гибридной системы

ОПИСАНИЕ

Когда датчик напряжения аккумуляторной батареи обнаруживает внутреннюю неисправность, он передает сигнал ошибки в ЭБУ распределения питания. После получения сигнала ошибки от датчика напряжения аккумуляторной батареи ЭБУ распределения питания предупреждает водителя о неисправности и переходит в аварийный режим управления.

№ DTC Неисправность Условие обнаружения DTC Неисправный участок MIL Индикация предупреждения
P0AFC-123 Модуль датчиков блока аккумуляторных батарей гибридной системы

ЭБУ распределения питания получает сигнал ошибки от датчика напряжения аккумуляторной батареи.

(логика диагностирования за 1 поездку)


  • Датчик напряжения аккумуляторной батареи

  • Жгут проводов или разъем

Загорается

Главная контрольная лампа аварийного состояния:

Загорается

Сопутствующие параметры Data List
№ DTC Параметры из Data List
P0AFC-123 Auxiliary Battery Vol

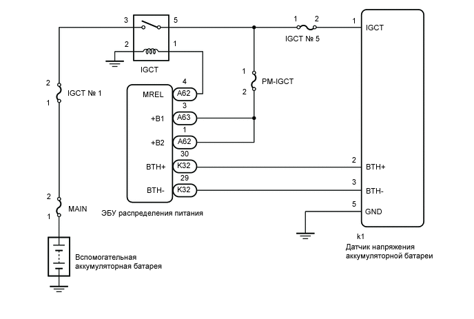
СХЕМА СОЕДИНЕНИЙ

A01MSQTE02

ПОСЛЕДОВАТЕЛЬНОСТЬ ПРОВЕРКИ

CAUTION:


  • Перед проверкой системы высокого напряжения необходимо принять меры по предотвращению поражения электрическим током, а именно, надеть электроизолирующие перчатки и снять зажим сервисного размыкателя цепи. После снятия зажима сервисного размыкателя цепи положите его в карман, чтобы никто не смог случайно подсоединить его обратно, пока выполняются работы с системой высокого напряжения.

  • После отсоединения зажима сервисного размыкателя цепи подождите, по крайней мере, 10 мин, прежде чем прикасаться к какому-либо из высоковольтных разъемов или контактов. По истечении 10 мин проверьте напряжение на контактах в контрольной точке преобразователя-инвертора в сборе. Перед началом работ напряжение должно составлять 0 В.

    Нажмите здесь Click here

    Tech Tips

    Для разрядки высоковольтного конденсатора внутри преобразователя-инвертора требуется не менее 10 минут.

Note

После выключения питания следует подождать некоторое время, прежде чем отсоединять провод от отрицательного (-) вывода вспомогательной аккумуляторной батареи. Поэтому, прежде чем приступать к этой работе, обязательно ознакомьтесь с примечанием относительно отсоединения провода от отрицательного (-) вывода вспомогательной аккумуляторной батареи.

Нажмите здесь Click here

Tech Tips

После ремонта удалите все коды DTC и убедитесь, что коды DTC не выводятся, выполнив следующую процедуру.


  1. Установите выключатель питания в состояние ON (ВКЛ) (IG) и подождите не менее 10 с.

ПОРЯДОК ВЫПОЛНЕНИЯ


  1. ПРОВЕРЬТЕ ЖГУТ ПРОВОДОВ И РАЗЪЕМ (НАПРЯЖЕНИЕ IGCT)

    CAUTION:

    Не забывайте надевать электроизолирующие перчатки.


    1. Убедитесь, что зажим сервисного размыкателя цепи не установлен.

      Note

      При снятом зажиме сервисного размыкателя цепи не включайте питание (READY), если нет соответствующего указания в руководстве по ремонту, так как это может стать причиной неисправности.

    2. Снимите верхний кронштейн площадки аккумуляторной батареи гибридной системы № 5.

      Нажмите здесь Click here

    3. Подсоедините провод к отрицательному (-) выводу вспомогательной аккумуляторной батареи.

    4. Включите питание (IG).

    5. A01MSG5C15
      *a

      Устройство с подсоединенным жгутом проводов

      (датчик напряжения аккумуляторной батареи)

      Измерьте напряжение в соответствии со значениями, приведенными в таблице.

      Номинальное напряжение
      Подключение диагностического прибора Условие Заданные условия
      k1-1 (IGCT) - k1-5 (GND) Питание включено (IG) 11 - 14 В

      Note

      Установка выключателя питания в состояние ON (ВКЛ) (IG) при снятом зажиме сервисного размыкателя цепи приводит к сохранению других DTC. После выполнения проверки удалите коды DTC.

    6. Выключите питание.

    7. Отсоедините провод от отрицательного (-) вывода вспомогательной аккумуляторной батареи.

    8. Установите верхний кронштейн площадки аккумуляторной батареи гибридной системы № 5.

      Результат
      Следующий шаг
      OK
      NG

    OK
    NG
  2. ПРОВЕРЬТЕ ЖГУТ ПРОВОДОВ И РАЗЪЕМ (ДАТЧИК НАПРЯЖЕНИЯ АККУМУЛЯТОРНОЙ БАТАРЕИ – МАССА)

    CAUTION:

    Не забывайте надевать электроизолирующие перчатки.


    1. Убедитесь, что зажим сервисного размыкателя цепи не установлен.

      Note

      При снятом зажиме сервисного размыкателя цепи не включайте питание (READY), если нет соответствующего указания в руководстве по ремонту, так как это может стать причиной неисправности.

    2. Снимите верхний кронштейн площадки аккумуляторной батареи гибридной системы № 5.

      Нажмите здесь Click here

    3. A01MSG5C16
      *a

      Устройство с подсоединенным жгутом проводов

      (датчик напряжения аккумуляторной батареи)

      Измерьте сопротивление в соответствии со значениями, приведенными в таблице ниже.

      Номинальное сопротивление
      Подключение диагностического прибора Условие Заданные условия
      k1-5 (GND) - масса Питание выключено Менее 1 Ом
    4. Установите верхний кронштейн площадки аккумуляторной батареи гибридной системы № 5.

      Результат
      Следующий шаг
      OK
      NG

    OK
    NG