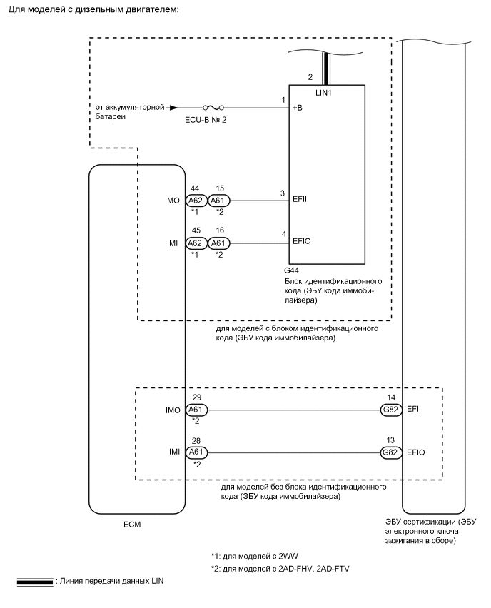
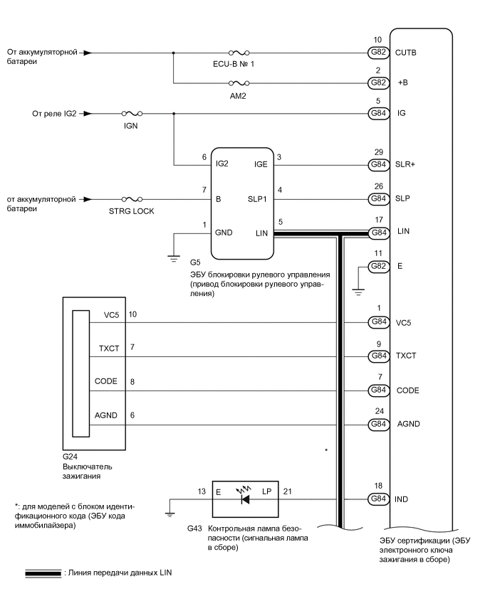
СИСТЕМА ИММОБИЛАЙЗЕРА (для моделей с системой посадки и запуска) СХЕМА СИСТЕМЫ

A01QQBUE03
A01QT94E01
A01QT94E02
A01QRY6E01